БП с микроконтроллерным управлением и регулировкой параметр
Re: БП с микроконтроллерным управлением и регулировкой парам
я поставил МСР602 на измерение тока, и все стало линейно.
-
srqemiko
- Открыл глаза
- Сообщения: 47
- Зарегистрирован: Ср сен 26, 2007 10:30:45
- Откуда: киев
- Контактная информация:
Re: БП с микроконтроллерным управлением и регулировкой парам
Добрый день! Ребта помоготе советом, пробема в следующем :
при работе в режиме стабилизации напряжения бп работает отлично на всем деапазоне напряжений и токов, но как тока бп переходит в режим стабилизации тока на коллекторах раскачивающих транзисторов С945 в верхней части импульса появляется какое-то возбуждение и как результат на выходе бп так же появляются шумы, а не прямая. Осциллограмму данного возбуждения выкладываю
при работе в режиме стабилизации напряжения бп работает отлично на всем деапазоне напряжений и токов, но как тока бп переходит в режим стабилизации тока на коллекторах раскачивающих транзисторов С945 в верхней части импульса появляется какое-то возбуждение и как результат на выходе бп так же появляются шумы, а не прямая. Осциллограмму данного возбуждения выкладываю
- Вложения
-
- Фото-0105.jpg
- (35.01 КБ) 2159 скачиваний
Re: БП с микроконтроллерным управлением и регулировкой парам
В форуме уже не раз писали про устранение шумов при стабилизации тока. Почитайте (16 стр форума)!!!
-
srqemiko
- Открыл глаза
- Сообщения: 47
- Зарегистрирован: Ср сен 26, 2007 10:30:45
- Откуда: киев
- Контактная информация:
Re: БП с микроконтроллерным управлением и регулировкой парам
я имел ввиду шум не в звуковом диапазоне. Сам бп работает тихо как при стабилизации напряжения так и тока без всяких шумовв и свистов, а вот на коллекторах раскачивающих транзисторов в режиме стабилизации тока появляется аномалия вверхней части импульса которая и изображена на фото выше
Re: БП с микроконтроллерным управлением и регулировкой парам
Всеравно попробуйте какойто из данных методов. Ограничение тока это и есть стабилизация по току.
-
srqemiko
- Открыл глаза
- Сообщения: 47
- Зарегистрирован: Ср сен 26, 2007 10:30:45
- Откуда: киев
- Контактная информация:
Re: БП с микроконтроллерным управлением и регулировкой парам
перепробывал все способы и ни о дин не дал результатов. В чем причина не могу понть 
Re: БП с микроконтроллерным управлением и регулировкой парам
Уважаемые коты, имеется переделанный блок питания по ниже приведенной схеме (от предыдущего проекта). Блок питания выдает 20 вольт. Никак не могу сообразить, что с ним надо сделать, что бы подключить к блоку управления. Спасибо.
- Вложения
-
- 80c7909a6b80.gif
- (24.82 КБ) 1609 скачиваний
Re: БП с микроконтроллерным управлением и регулировкой парам
Ноги 494 1,2,15,16 подключить согласно схемеhttp://radiokot.ru/circuit/power/supply/19/01.gif
Re: БП с микроконтроллерным управлением и регулировкой парам
yuraj писал(а):Ноги 494 1,2,15,16 подключить согласно схемеhttp://radiokot.ru/circuit/power/supply/19/01.gif
Ноги то понятно ), вопрос возник с обвязкой, что оставить, а что выкинуть
- sanntex
- Потрогал лапой паяльник
- Сообщения: 354
- Зарегистрирован: Пт мар 05, 2010 11:00:59
- Контактная информация:
Re: БП с микроконтроллерным управлением и регулировкой парам
В схеме обозначено к тем ногам к которым подкл плата управления отключаешь от всего а остальное не трогаешь
Радиолюбитель это тот кто собирая прибор понимает как он работает!!!
- Илья79
- Мучитель микросхем
- Сообщения: 429
- Зарегистрирован: Вс июн 29, 2008 13:53:03
- Контактная информация:
Re: БП с микроконтроллерным управлением и регулировкой парам
Спасибо автору, собрал схему все работает просто отлично!
Но с не большими доработками:
1) установил землю до шунта
2) подкорректировал прошивку удобнее для себя
3) установил микросхему КР1114ЕУ4, по моему мнению эта микросхема по параметрам на много превосходит всех аналогов
4) изменил токовый измеритель как здесь
,
сопротивление 120 Ом у меня получилось 2.5Ом - при такой доработке ток устанавливаться и показывать стал с мА и показания стали линейным. Спасибо http://vrtp.ru/index.php?showtopic=19164&st=180
Но с не большими доработками:
1) установил землю до шунта
2) подкорректировал прошивку удобнее для себя
3) установил микросхему КР1114ЕУ4, по моему мнению эта микросхема по параметрам на много превосходит всех аналогов
4) изменил токовый измеритель как здесь
сопротивление 120 Ом у меня получилось 2.5Ом - при такой доработке ток устанавливаться и показывать стал с мА и показания стали линейным. Спасибо http://vrtp.ru/index.php?showtopic=19164&st=180
- Вложения
-
- index.jpeg
- (74.23 КБ) 12098 скачиваний
Re: БП с микроконтроллерным управлением и регулировкой парам
sanntex писал(а):В схеме обозначено к тем ногам к которым подкл плата управления отключаешь от всего а остальное не трогаешь
Ну-ну, авторская схема обвязки, и моя слегка отличается, посмотрите внимательно.
- sanntex
- Потрогал лапой паяльник
- Сообщения: 354
- Зарегистрирован: Пт мар 05, 2010 11:00:59
- Контактная информация:
Re: БП с микроконтроллерным управлением и регулировкой парам
Тат зачем тогда спрашиваете???
вам советую подключить согласно авторской схеме там указанно то что надо переделать а остальное не трогать!
каждый блок отличается обвязкой но шим то один
вам советую подключить согласно авторской схеме там указанно то что надо переделать а остальное не трогать!
каждый блок отличается обвязкой но шим то один
Радиолюбитель это тот кто собирая прибор понимает как он работает!!!
Re: БП с микроконтроллерным управлением и регулировкой парам
sanntex писал(а):Тат зачем тогда спрашиваете???
вам советую подключить согласно авторской схеме там указанно то что надо переделать а остальное не трогать!
каждый блок отличается обвязкой но шим то один
Ребята, подскажите, пожалуйста.
В моем БП ноги 13,14,15 TL494 запараллелены. Судя по авторской схеме 15 нога идет на плату управления и через цепочку 100к 10nF идет на 3 ногу.
Я так понимаю ее нужно обрезать и добавить цепочку?
16 нога сидит на корпусе. Ее обрезать от корпуса и подключить к схеме управления?
- sanntex
- Потрогал лапой паяльник
- Сообщения: 354
- Зарегистрирован: Пт мар 05, 2010 11:00:59
- Контактная информация:
Re: БП с микроконтроллерным управлением и регулировкой парам
да правильно мыслите .
Радиолюбитель это тот кто собирая прибор понимает как он работает!!!
- sanntex
- Потрогал лапой паяльник
- Сообщения: 354
- Зарегистрирован: Пт мар 05, 2010 11:00:59
- Контактная информация:
Re: БП с микроконтроллерным управлением и регулировкой парам
а еще если позволит блок можно переделать низковольтную часть как тут http://hardlock.org.ua/viewtopic.php?f= ... =375#p4960
Радиолюбитель это тот кто собирая прибор понимает как он работает!!!
Re: БП с микроконтроллерным управлением и регулировкой парам
подскажите как что удалить, что заменить, а что оставить в БП по етой схеме...
- Вложения
-
- fa-5-2_650.rar
- (154.34 КБ) 564 скачивания
Re: БП с микроконтроллерным управлением и регулировкой парам
Илья79 писал(а):Спасибо автору, собрал схему все работает просто отлично!
Но с не большими доработками:
1) установил землю до шунта
2) подкорректировал прошивку удобнее для себя
3) установил микросхему КР1114ЕУ4, по моему мнению эта микросхема по параметрам на много превосходит всех аналогов
4) изменил токовый измеритель как здесь,
сопротивление 120 Ом у меня получилось 2.5Ом - при такой доработке ток устанавливаться и показывать стал с мА и показания стали линейным. Спасибо http://vrtp.ru/index.php?showtopic=19164&st=180
Можно поподробней про прошивку удобнее для себя и файлик ,вдруг кому сгодится
Re: БП с микроконтроллерным управлением и регулировкой парам
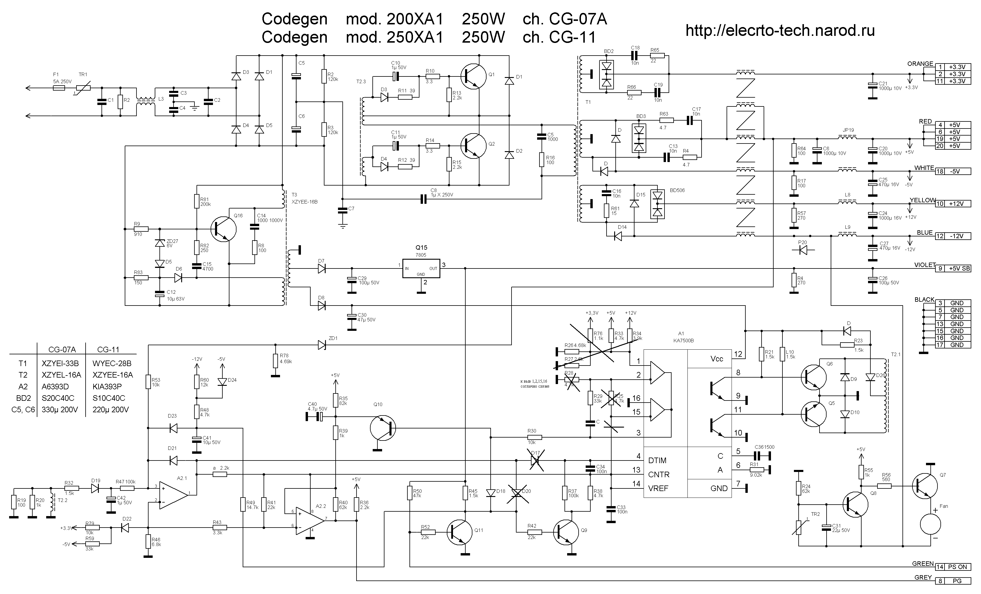
Ребята, подскажите в чем мой косяк?
БП переделал по этой схеме. До этого он был полностью рабочим.
При подключении платы управления напряжение на 12 ноге TL494 8 вольт, соответственно на плату управления приходит тоже 8в.
На выходе БП 0в, на индикаторе при изменении энкодером меняется ток, а напряжение не изменяется, и показывает потребляемый ток около 1 А, хотя нагрузка не подключена.
БП переделал по этой схеме. До этого он был полностью рабочим.
При подключении платы управления напряжение на 12 ноге TL494 8 вольт, соответственно на плату управления приходит тоже 8в.
На выходе БП 0в, на индикаторе при изменении энкодером меняется ток, а напряжение не изменяется, и показывает потребляемый ток около 1 А, хотя нагрузка не подключена.
- Вложения
-
- Codegen_CG-07A_CG-11.gif
- (113.33 КБ) 1228 скачиваний
Re: БП с микроконтроллерным управлением и регулировкой парам
alexods писал(а):Ребята, подскажите в чем мой косяк?
БП переделал по этой схеме. До этого он был полностью рабочим.
При подключении платы управления напряжение на 12 ноге TL494 8 вольт, соответственно на плату управления приходит тоже 8в.
На выходе БП 0в, на индикаторе при изменении энкодером меняется ток, а напряжение не изменяется, и показывает потребляемый ток около 1 А, хотя нагрузка не подключена.
Ищите грабли в плате управления или в подключении её к бп , проблем при правильной сборке не наблюдалось,кроме борьбы со свистами в различных диапазонах. Попробуйте выкрутить макс.напр. на 8 ноге лм324. И зачем у вас на схеме нога 16 ка7500осталась на массе? Она должна идти на 1-ю ногу лм324.