Например TDA7294

Форум РадиоКот • Просмотр темы - Часы на люминесцентных индикаторах.
Форум РадиоКот
Здесь можно немножко помяукать :)

Текущее время: Чт фев 05, 2026 06:01:25

Часовой пояс: UTC + 3 часа


ПРЯМО СЕЙЧАС:



Начать новую тему Ответить на тему  [ Сообщений: 9121 ]     ... , , , 172, , , ...  
Автор Сообщение
Не в сети
 Заголовок сообщения: Re: Часы на люминесцентных индикаторах.
СообщениеДобавлено: Пт окт 05, 2012 19:50:51 
Открыл глаза
Аватар пользователя

Зарегистрирован: Пт авг 24, 2012 11:11:54
Сообщений: 49
Откуда: Донецк
Рейтинг сообщения: 0
Да даташиты имеются, но информации которая содержится в них для меня не совсем достаточно. Вот решил что может кто на практике их применял.


Вернуться наверх
 
Не в сети
 Заголовок сообщения: Re: Часы на люминесцентных индикаторах.
СообщениеДобавлено: Пт окт 05, 2012 19:51:48 
Нашел транзистор. Понюхал.
Аватар пользователя

Карма: 2
Рейтинг сообщений: 15
Зарегистрирован: Ср дек 10, 2008 18:14:14
Сообщений: 183
Откуда: Пятигорск
Рейтинг сообщения: 0
Rokl писал(а):
Yan писал(а):
Список применяемых микросхем такой (за исключением генератора на ОУ-на него данные нашел) : К1ЛБ201; К120ИЕ1; К120ИЕ2; К120ИЕ3.
Вот полная схема и далее фотки внутренностей.

Пытался сегодня нарисовать цифровую плату схемы ваших часов на основе вашей "полной схемы"и тех крох информации, что удалось найти по 120 серии. По заводской схеме:
выводы 8 на дешифраторах У19,У18 припаяны на общую шину (к 1 ноге). Так делать нельзя.
Нет ничего по К120ИЕ3. Если с выходами ещё более менее, то со входами плохо. Трудно понять что за входы и какую логическую функцию они выполняют.
Короче, пока нарисовал треть цифровой схемы (У13,У14,У15,У16, У17,У18,У19,У20).


1) На счет дешифраторов-я думаю раз 8я нога соединяется с 1й -то так надо, и что значит "нельзя" ? В оригинале они соединены - значит так нужно ! Если бы это было не правильно или ошибочно - врятли бы они работали и проработали 36 лет...Я схему много раз перепроверил-прежде чем сюда выложить.
2) Про 120ю серию -врятли вообще можно что-то найти сейчас,тем более о К120ИЕ3...-поэтому про них и какие они там выполняют функции можно забыть...Радует-что они ещё работают и Слава БОГУ !
3) А зачем вам понадобилось рисовать заново схему,если и так понятно что всех данных не найти и смысла в частичной схеме нет. Её собирать (в связи с отсутствием микросхем) -ни кто не будет. Или вы просто ради интереса хотите нарисовать её ?

Недавно написал письмо с вопросами на тот завод где их производили,вот что мне ответили:

"Пришлите фотографии часов, тогда скажу наши или нет, а возможно и подскажу
где.
Завод Рефлектор выпускал часы под маркой "Электроника 7". Насчёт схем
наврятли помогу, поднимать архивы, которые не известно где - это огромная
трата времени.

Людей которые эти часы делали осталось очень мало в живых. В обще есть
книжка о заводе Рефлектор, где повествуют об истории завода с начало его
строительства. Там есть главы посвящённые часам.

Розничную цену смогу подсказать, но не буду давать гарантию на её
точность, нужны фотографии часов.

Микросхемы и документации я не найду. Максимум документацию Вы сможете
найти в советских справочниках по радио-электронной промышленности.
А живых микросхем не найти, всё ушло с приходом демократии в рф.

Некоторые модели часов есть тут - http://vestasaratov.ru/oldnew.html

Крохотный кусочек истории:
http://vestasaratov.ru/suppliers.html "

После этого ответа я отослал фото своих часов и пока тишина....Сижу жду ответа от них,может и ответят...

_________________
Куплю Микросхемы: К120ИЕ3 (К1ИЕ203)

Лучше 40 раз по разу,чем один раз 40 раз !


Вернуться наверх
 
Не в сети
 Заголовок сообщения: Re: Часы на люминесцентных индикаторах.
СообщениеДобавлено: Пт окт 05, 2012 20:41:30 
Друг Кота

Карма: 17
Рейтинг сообщений: 166
Зарегистрирован: Пт авг 25, 2006 09:26:19
Сообщений: 5232
Откуда: Москва
Рейтинг сообщения: 0
Yan писал(а):
1) На счет дешифраторов-я думаю раз 8я нога соединяется с 1й -то так надо, и что значит "нельзя" ? В оригинале они соединены - значит так нужно ! Если бы это было не правильно или ошибочно - врятли бы они работали и проработали 36 лет...Я схему много раз перепроверил-прежде чем сюда выложить....

По поводу ошибки соединения 1 и 8 ноги 161ПР2...Да эту связь отлично видно на фото. Но так делать не надо, это не правильно... выход микросхемы на общий провод закорачивать. Просто выходы у ПР2 сделаны с открытыми стоками, а Истоки у ключей соединены с общим проводом внутри микросхемы. Потому любой выход дешифратора можно безболезнено соединять с 1 ногой(даже используемый)...но это СХЕМОТЕХНИЧЕСКИ неправильно. Неиспользуемые выходы микросхемы должны оставаться свободными. Просто виден изврат разработчика этих часов...неиспользуемый ключ децимальной точки закоротили на общий провод. Повторяю свою мысль, это не ошибка, это изврат разработчика, так делать не нужно.
Yan писал(а):
2) Про 120ю серию -врятли вообще можно что-то найти сейчас,тем более о К120ИЕ3...-поэтому про них и какие они там выполняют функции можно забыть...Радует-что они ещё работают...

Не знаешь, как работают микросхемы, не сможешь починить.
Yan писал(а):
3) А зачем вам понадобилось рисовать заново схему, если и так понятно что всех данных не найти и смысла в частичной схеме нет. Её собирать (в связи с отсутствием микросхем) -ни кто не будет. Или вы просто ради интереса хотите нарисовать её ?...

Не имел дела с отрицательной логикой, всё так запутано :) . Люблю ковыряться в профессиональных схемах, находить нестандартные ходы разработчика...Вот у вас нашел интересное решения закоротки неиспользуемых КМОП ключей. Что это, выпендреж разработчика, или за этим стоит чтото? Может таким способом уменьшают сбор статического электричества на кристалл. Ведь К161ПР2 смертельно боятся статики, достаточно эти часы пронести по паласу в пластмассовых шлёпках и они уже ни когда не заработают... Да и если у вас будет схема этих часов, хуже от этого не будет.
Yan писал(а):
После этого ответа я отослал фото своих часов и пока тишина....Сижу жду ответа от них,может и ответят...

Жаль, если ничего не придет.
Может как то оплатить пересылку схемной документации и даташит на микросхемы. Наверняка у них были справочники ДСП на эту серию и не только на эту. Видел я один справочник ДСП. По сравнению с ним, любой справочник по микросхемам в ИНЕте и магазине - жалкое подобие. Такое складывается впечатление. что все эти Горюновы,Якубовичи, краткий и неполный пересказ справочников ДСП.


Вернуться наверх
 
Не в сети
 Заголовок сообщения: Re: Часы на люминесцентных индикаторах.
СообщениеДобавлено: Пт окт 05, 2012 23:14:17 
Друг Кота
Аватар пользователя

Карма: 38
Рейтинг сообщений: 549
Зарегистрирован: Пн июл 14, 2008 21:28:00
Сообщений: 10692
Откуда: Москва
Рейтинг сообщения: 0
ээээ...Rokl я в лс отсылал Yan информацию по данным микросхемам. спросите у него, думаю, он с вами поделится

_________________
Ищу тиратрон ТХИ1-2000/4, ГРИ ИН-23, ФЭУ-103; 134; 135, 138, 155, 157, лампу ИСШ-7.
Любые ГИС серий 203, 225, 233, 244, 250, 296, 801, 838 в любом состоянии. Компоненты и детали от миниатюрных твердотельных лазеров.


Вернуться наверх
 
Эиком - электронные компоненты и радиодетали
Не в сети
 Заголовок сообщения: Re: Часы на люминесцентных индикаторах.
СообщениеДобавлено: Сб окт 06, 2012 20:38:14 
Друг Кота

Карма: 17
Рейтинг сообщений: 166
Зарегистрирован: Пт авг 25, 2006 09:26:19
Сообщений: 5232
Откуда: Москва
Рейтинг сообщения: 0
suslogon писал(а):
ээээ...Rokl я в лс отсылал Yan информацию по данным микросхемам. спросите у него, думаю, он с вами поделится
Нужна К120ИЕ3, остальные нашел.


Вернуться наверх
 
Не в сети
 Заголовок сообщения: Re: Часы на люминесцентных индикаторах.
СообщениеДобавлено: Сб окт 06, 2012 21:39:50 
Нашел транзистор. Понюхал.
Аватар пользователя

Карма: 2
Рейтинг сообщений: 15
Зарегистрирован: Ср дек 10, 2008 18:14:14
Сообщений: 183
Откуда: Пятигорск
Рейтинг сообщения: 0
Rokl писал(а):
suslogon писал(а):
ээээ...Rokl я в лс отсылал Yan информацию по данным микросхемам. спросите у него, думаю, он с вами поделится
Нужна К120ИЕ3, остальные нашел.

К сожалению информация о К120ИЕ3 -отсутствует в принципе. Не у меня, ни где бы то не было - о ней ничего не известно.... :(

_________________
Куплю Микросхемы: К120ИЕ3 (К1ИЕ203)

Лучше 40 раз по разу,чем один раз 40 раз !


Вернуться наверх
 
Не в сети
 Заголовок сообщения: Re: Часы на люминесцентных индикаторах.
СообщениеДобавлено: Вс окт 07, 2012 00:34:59 
Поставщик валерьянки для Кота
Аватар пользователя

Карма: 21
Рейтинг сообщений: 267
Зарегистрирован: Вт ноя 03, 2009 21:02:38
Сообщений: 2050
Откуда: Москва
Рейтинг сообщения: 0
Посмотрите серию К161. Говорят, она сильно похожа на К120. Может подойдёт описание?
Тут есть "ИЕ3"
http://www.155la3.ru/datafiles/k161.pdf


Вернуться наверх
 
Не в сети
 Заголовок сообщения: Re: Часы на люминесцентных индикаторах.
СообщениеДобавлено: Пн окт 08, 2012 17:44:35 
Друг Кота

Карма: 17
Рейтинг сообщений: 166
Зарегистрирован: Пт авг 25, 2006 09:26:19
Сообщений: 5232
Откуда: Москва
Рейтинг сообщения: 0
Microtech писал(а):
Посмотрите серию К161. Говорят, она сильно похожа на К120. Может подойдёт описание?
Тут есть "ИЕ3"
http://www.155la3.ru/datafiles/k161.pdf

Спасибо, схему цифровой части нарисовал, теперь пытаюсь состыковать разные части.


Вернуться наверх
 
Не в сети
 Заголовок сообщения: Re: Часы на люминесцентных индикаторах.
СообщениеДобавлено: Вт окт 09, 2012 05:39:27 
Друг Кота
Аватар пользователя

Карма: 233
Рейтинг сообщений: 11338
Зарегистрирован: Чт авг 30, 2012 20:24:40
Сообщений: 37346
Откуда: Нижний Новгород
Рейтинг сообщения: 0
Древолович писал(а):
Спаял-таки часы на ив-22, но постоянно горят все сегменты, например на индикаторе должна гореть цифра 1, но горят тускло все сегменты, а единица ели видна среди них. почему кроме нужных сегментов, горят еще и те которым не положено гореть? :?

AI_Disable писал(а):
Попробуйте добавить 100 КОм резиков с сеток на землю.


Допишу по этому вопросу. У меня была такая-же проблема (паразитная засветка), но я убрал стоящие по схеме резисторы с сеток на минус, и засветка пропала... :dont_know: А потом прочитал где-то в этой ветке, что если эти резисторы с сеток убрать, то ВЛИ быстро дохнет. :shock: Думал-думал, и не вижу связи.. Почему без резисторов, "тянущих" сетки на минус, ВЛИ сдыхает быстрее?? :dont_know: Ребят, может кто объяснит физическую суть процесса?


Вернуться наверх
 
Не в сети
 Заголовок сообщения: Re: Часы на люминесцентных индикаторах.
СообщениеДобавлено: Вт окт 09, 2012 16:41:41 
Друг Кота
Аватар пользователя

Карма: 233
Рейтинг сообщений: 11338
Зарегистрирован: Чт авг 30, 2012 20:24:40
Сообщений: 37346
Откуда: Нижний Новгород
Рейтинг сообщения: 0
Num Lock писал(а):
Износ люминофора сегментов при освещении УФ имеет примерно ту же интенсивность, что и при возбуждении электронами при той же яркости свечения, поэтому лучше под мощным источником долго не держать.

Может я ошибаюсь, но по-моему в ВЛИ сам люминофор не изнашивается, а яркость его падает потому, что на его поверхности со временем образуется металлическое напыление с катода, и электроны уже не могут сквозь эту плёнку достичь люминофора и возбудить его..


Вернуться наверх
 
Не в сети
 Заголовок сообщения: Re: Часы на люминесцентных индикаторах.
СообщениеДобавлено: Вт окт 09, 2012 16:46:23 
Друг Кота
Аватар пользователя

Карма: 233
Рейтинг сообщений: 11338
Зарегистрирован: Чт авг 30, 2012 20:24:40
Сообщений: 37346
Откуда: Нижний Новгород
Рейтинг сообщения: 0
SLvik писал(а):
Если минут 10 посмотреть на медицинскую УФ лампу - ожог сетчатки обеспечен.

Ожог не сетчатки, а роговицы.. :) Дальше неё УФ не проходит через стекловидное тело глаза. Я обжигался несколько раз. Потом роговица белёсая, видно всё как в тумане, а потом с неё ошмётками слезают белые сожжённые слои. Больно мля было.. :cry:


Вернуться наверх
 
Не в сети
 Заголовок сообщения: Re: Часы на люминесцентных индикаторах.
СообщениеДобавлено: Вт окт 09, 2012 17:14:41 
Поставщик валерьянки для Кота
Аватар пользователя

Карма: 11
Рейтинг сообщений: 88
Зарегистрирован: Вт фев 09, 2010 02:04:53
Сообщений: 2022
Откуда: Санкт-Петербург
Рейтинг сообщения: 0
Жесть! :shock:
Хотя вроде и сетчатку можно обжечь. По крайней мере, если посмотреть на сварку, то можно "зайчика" поймать.

Андрей Бедов писал(а):
прочитал где-то в этой ветке, что если эти резисторы с сеток убрать, то ВЛИ быстро дохнет. :shock: Думал-думал, и не вижу связи.. Почему без резисторов, "тянущих" сетки на минус, ВЛИ сдыхает быстрее?? :dont_know: Ребят, может кто объяснит физическую суть процесса?
Впервые слышу. По-моему, ерунда какая-то. ВЛИ может быстрее сдохнуть, если напряжение накала неправильное (причём вроде не только в большую, но и в меньшую сторону) или если анодное завышено.

_________________
Фак, кот грызёт провод! Сейчас его ударит либо током, либо тапком! ))


Вернуться наверх
 
Не в сети
 Заголовок сообщения: Re: Часы на люминесцентных индикаторах.
СообщениеДобавлено: Вт окт 09, 2012 19:25:06 
Друг Кота
Аватар пользователя

Карма: 38
Рейтинг сообщений: 549
Зарегистрирован: Пн июл 14, 2008 21:28:00
Сообщений: 10692
Откуда: Москва
Рейтинг сообщения: 0
Андрей Бедов писал(а):
Может я ошибаюсь, но по-моему в ВЛИ сам люминофор не изнашивается, а яркость его падает потому, что на его поверхности со временем образуется металлическое напыление с катода, и электроны уже не могут сквозь эту плёнку достичь люминофора и возбудить его..

да это тоже одна из причин тускнения индикаторов.

Гефестион писал(а):
Жесть! :shock:
Хотя вроде и сетчатку можно обжечь. По крайней мере, если посмотреть на сварку, то можно "зайчика" поймать.

да сетчатку обжечь вполне реально...и это очень жестко! а вообще глаза лучше беречь...

_________________
Ищу тиратрон ТХИ1-2000/4, ГРИ ИН-23, ФЭУ-103; 134; 135, 138, 155, 157, лампу ИСШ-7.
Любые ГИС серий 203, 225, 233, 244, 250, 296, 801, 838 в любом состоянии. Компоненты и детали от миниатюрных твердотельных лазеров.


Вернуться наверх
 
Не в сети
 Заголовок сообщения: Re: Часы на люминесцентных индикаторах.
СообщениеДобавлено: Вт окт 09, 2012 20:03:06 
Поставщик валерьянки для Кота

Карма: 5
Рейтинг сообщений: 21
Зарегистрирован: Пт авг 29, 2008 16:28:19
Сообщений: 2108
Откуда: Киев
Рейтинг сообщения: 0
Телевизоры с севшими кинескопами видели? Вот там отчетливо видно ионное пятно (ваш распыленный металл) посреди экрана, но тускнеет весь экран равномерно. Люминофор во время эксплуатации выгорает, в мире не бывает ничего вечного.

_________________
Giggity giggity goo!


Вернуться наверх
 
Не в сети
 Заголовок сообщения: Re: Часы на люминесцентных индикаторах.
СообщениеДобавлено: Вт окт 09, 2012 20:28:02 
Друг Кота

Карма: 17
Рейтинг сообщений: 166
Зарегистрирован: Пт авг 25, 2006 09:26:19
Сообщений: 5232
Откуда: Москва
Рейтинг сообщения: 0
Rokl писал(а):
Спасибо, схему цифровой части нарисовал, теперь пытаюсь состыковать разные части.

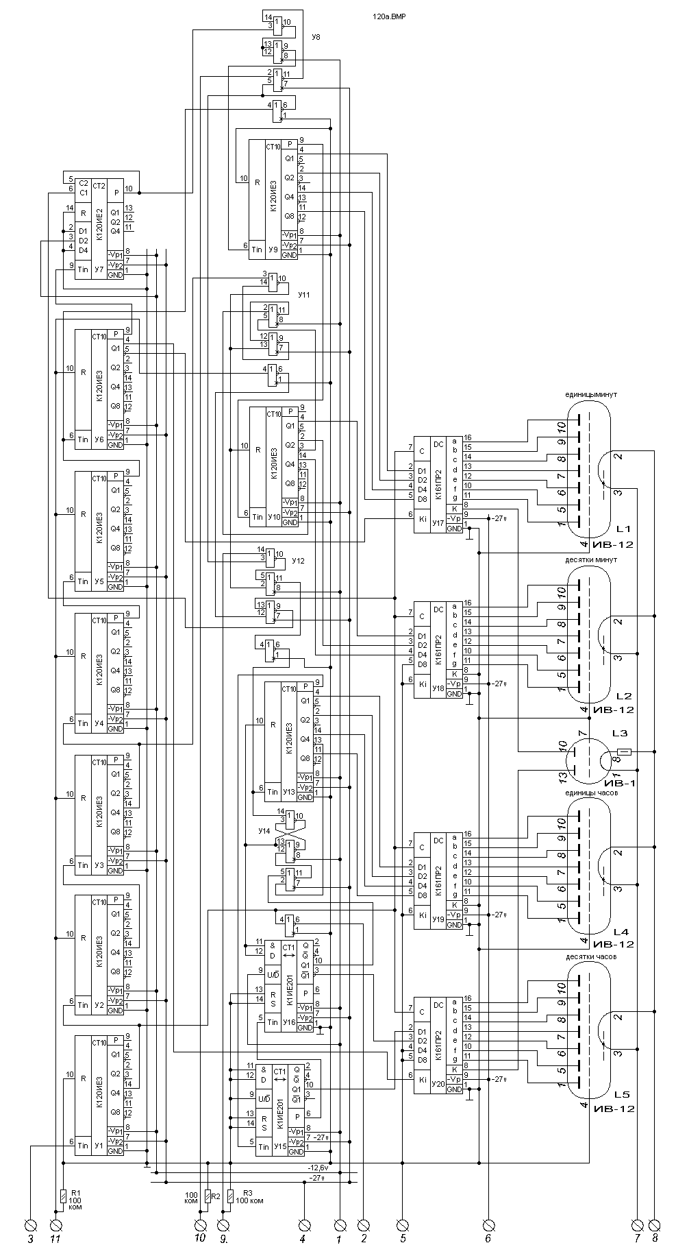
Ну вот и схемка. Достаточно интересная. Кварц используется на 100кгц потому, что бы получить минутные импульсы нужно было соорудить делитель на счетчиках с коэффициентом деления 1500000. Этот делитель разработчики умудрились сделать без единого логического элемента. Только на счетчиках У1 - У7.
Получилось У7 (120ИЕ2) делитель на 6. Сделан орригинально. параллельная запись 2 и счет до 7, потом переносом опять записывают 2 считают до 7 и так по кругу.
далее идет делитель на 1000. На счетчиках У6 ,У5,У4. Тут всё банально, каждый, последующий счетчик считает до 10. И самое интересное...счетчик до 250 собран на 3 счетчиках. У3,У2,У1 . В этом делителе есть ошибка. Должно быть 2 счетсика считают до 5, получаем коэффициент 25 и один должен считать до 10. У Яна все 3 счетчика нарисованы как делители до 5, что дает коэффициент деления 125. Здесь у Яна наверняка ошибка. у одного из счетчиков, скорей всего или У1, или У3 должна быть связь с 9 ноги (перенос), а не как у всех трех с 14 ноги (выход Q4).
Счетчики до 5 (У1,У2,У3)интересны тем, что у них переменный коэффициент. То 6 импульсов насчитают, то 4. Получаем 2 имп на 10 входных импульсов, потому в среднем имеем коэффициент 5.
Интересно взята частота 1 гц с У6 первый разряд. мигают попеременно(в противофазе) сегменты L3, которые обозначают секунды с частотой 1 гц.
И весь этот делитель на 1500000 выполнен только на счетчиках!
Вообще эта схема продумана на предмет минимизации количества микросхем. НИ чего лишнего. Ни добавить, ни убавить. Чувствуется класс разработчика схемы.
Единственный минус, это отсутствие подавителя дребезга контактов кнопок установки часов,минут. Этот момент несколько ухудшает общую картину качества разработки.


Вложения:
Комментарий к файлу: Схема цифровой части часиков на 120 серии
120а.GIF [66.52 KiB]
Скачиваний: 1017
Вернуться наверх
 
Не в сети
 Заголовок сообщения: Re: Часы на люминесцентных индикаторах.
СообщениеДобавлено: Чт окт 11, 2012 15:21:16 
Нашел транзистор. Понюхал.
Аватар пользователя

Карма: 2
Рейтинг сообщений: 15
Зарегистрирован: Ср дек 10, 2008 18:14:14
Сообщений: 183
Откуда: Пятигорск
Рейтинг сообщения: 0
Rokl писал(а):
Rokl писал(а):
Спасибо, схему цифровой части нарисовал, теперь пытаюсь состыковать разные части.

Ну вот и схемка. Достаточно интересная. Кварц используется на 100кгц потому, что бы получить минутные импульсы нужно было соорудить делитель на счетчиках с коэффициентом деления 1500000. Этот делитель разработчики умудрились сделать без единого логического элемента. Только на счетчиках У1 - У7.
Получилось У7 (120ИЕ2) делитель на 6. Сделан орригинально. параллельная запись 2 и счет до 7, потом переносом опять записывают 2 считают до 7 и так по кругу.
далее идет делитель на 1000. На счетчиках У6 ,У5,У4. Тут всё банально, каждый, последующий счетчик считает до 10. И самое интересное...счетчик до 250 собран на 3 счетчиках. У3,У2,У1 . В этом делителе есть ошибка. Должно быть 2 счетсика считают до 5, получаем коэффициент 25 и один должен считать до 10. У Яна все 3 счетчика нарисованы как делители до 5, что дает коэффициент деления 125. Здесь у Яна наверняка ошибка. у одного из счетчиков, скорей всего или У1, или У3 должна быть связь с 9 ноги (перенос), а не как у всех трех с 14 ноги (выход Q4).
Счетчики до 5 (У1,У2,У3)интересны тем, что у них переменный коэффициент. То 6 импульсов насчитают, то 4. Получаем 2 имп на 10 входных импульсов, потому в среднем имеем коэффициент 5.
Интересно взята частота 1 гц с У6 первый разряд. мигают попеременно(в противофазе) сегменты L3, которые обозначают секунды с частотой 1 гц.
И весь этот делитель на 1500000 выполнен только на счетчиках!
Вообще эта схема продумана на предмет минимизации количества микросхем. НИ чего лишнего. Ни добавить, ни убавить. Чувствуется класс разработчика схемы.
Единственный минус, это отсутствие подавителя дребезга контактов кнопок установки часов,минут. Этот момент несколько ухудшает общую картину качества разработки.

Ух ты-нарисовали все-таки...И расписали все.Но на счет-ято я допустил ошибку при перерисовке схемы-это врят ли-но я перепроверю ещё раз-мне самому интересно.А где вы взяли обозначение К120ИЕ3-ведь я его не выкладывал и в нете нет данных ? Или вы взяли из 161й серии ? Если так, то в полне возможно что 161ие3-совсем не одно и то же,что и 120ие3. На счет кнопок-они ведь не зря утоплены под металлическую панель-видимо они сделали часы точными (я ещё не проверял точность) и следовательно кнопками установки люди должны были пользоватся редко (это предположение).
Ещё я проверю частотомером какая частота и на каких выходах делителя присутствует...

_________________
Куплю Микросхемы: К120ИЕ3 (К1ИЕ203)

Лучше 40 раз по разу,чем один раз 40 раз !


Вернуться наверх
 
Не в сети
 Заголовок сообщения: Re: Часы на люминесцентных индикаторах.
СообщениеДобавлено: Чт окт 11, 2012 18:53:20 
Нашел транзистор. Понюхал.
Аватар пользователя

Карма: 2
Рейтинг сообщений: 15
Зарегистрирован: Ср дек 10, 2008 18:14:14
Сообщений: 183
Откуда: Пятигорск
Рейтинг сообщения: 0
Проверил ещё раз схему и осмотрел плату часов-как я и писал-все в схеме правильно,а именно 9е ноги микросхем У1-У3 -все висят в воздухе ! Произвел замер частоты частотомером и вот что получилось: На цифровую плату (на вход счетчика У1) (6й вывод) подаётся частота с (ОУ) равная 100 000Hz. Затем на выводе 14 У1 (выход) -частота уже равна 10 000Hz и так-же на входе У2 (6й вывод); затем на выводе 14 У2 (выход) и следовательно на входе У3 (6й вывод) частота равна 1000Hz.Далее на выходе У3 (14й вывод) и на входе У4 (6й вывод) частота равна 100Hz; потом уже на У4 (9й вывод) и следовательно на входе У5 (6й вывод) частота уже равна 20Hz, а на У5 (9й вывод) и входе У6 (6й вывод) частота равна 1,25Hz...Вот и всё что удалось намерить,что там и как дальше делится и преобразуется-мне не известно. Как "мы" видим счетчики У1-У3 делят частоту не на 5ть, а на 10 ! Потом с У4 частота выходит почему-то 20Hz и после У5 частота уже 1,25Hz. Кстати а почему вы пишете что нет ни одного логического элемента ? А микросхемы У8,У11,У12,У14 (К1ЛБ201) -разве не логические элементы ?? :)

_________________
Куплю Микросхемы: К120ИЕ3 (К1ИЕ203)

Лучше 40 раз по разу,чем один раз 40 раз !


Вернуться наверх
 
Не в сети
 Заголовок сообщения: Re: Часы на люминесцентных индикаторах.
СообщениеДобавлено: Чт окт 11, 2012 23:11:10 
Друг Кота

Карма: 17
Рейтинг сообщений: 166
Зарегистрирован: Пт авг 25, 2006 09:26:19
Сообщений: 5232
Откуда: Москва
Рейтинг сообщения: 0
Yan писал(а):
Проверил ещё раз схему и осмотрел плату часов-как я и писал-все в схеме правильно,а именно 9е ноги микросхем У1-У3 -все висят в воздухе ! Произвел замер частоты частотомером и вот что получилось: На цифровую плату (на вход счетчика У1) (6й вывод) подаётся частота с (ОУ) равная 100 000Hz. Затем на выводе 14 У1 (выход) -частота уже равна 10 000Hz и так-же на входе У2 (6й вывод); затем на выводе 14 У2 (выход) и следовательно на входе У3 (6й вывод) частота равна 1000Hz.Далее на выходе У3 (14й вывод) и на входе У4 (6й вывод) частота равна 100Hz; потом уже на У4 (9й вывод) и следовательно на входе У5 (6й вывод) частота уже равна 20Hz, а на У5 (9й вывод) и входе У6 (6й вывод) частота равна 1,25Hz...Вот и всё что удалось намерить,что там и как дальше делится и преобразуется-мне не известно. Как "мы" видим счетчики У1-У3 делят частоту не на 5ть, а на 10 ! Потом с У4 частота выходит почему-то 20Hz и после У5 частота уже 1,25Hz. Кстати а почему вы пишете что нет ни одного логического элемента ? :)

Я могу сказать, что либо измерения не верны, либо схема с печати срисована с ошибками. Обратите внимание, что У1,У2,У3,У4,У5,У6 включены одинаково, последовательно, друг за другом. Все счетчики одинаковые, обратных связей не имеют, а коэффициенты деления у них разные.Ладно я ориентировался на 161 серию, она по всем микросхемам имеет одинаковую распиновку, как и у 120 серии и номенклатура совпадает у серий 100%. Возможно ИЕ3 выпадает из ряда и у 120ИЕ3 совершенно другое что то нежели у 161 серии. Однако, раз первые 3 счетчика У1,У2,У3 делят частоту с коэффициентом 10, то ни как У5 не сможет поменять коэффициент деления с 10 на 16. и ещё один тонкий момент для того, что бы из 1,25гц получить минутный импульс нужно эту частоту поделить на 75 получить на 2 счетчиках коэффициент деления на 75 это нужно что бы один счетчик делил на 15, а другой на 5. На вашей схеме этого не видно. Получается, что 120ИЕ3 может поделить частоту на 5,10, 15, 16 по стандартной схеме включения, без обратных связей и дополнительной логики. Такого не бывает. Ещё момент...секундные точки по вашей версии должны моргать медленнее секунды на четверть, т.е. с частотой 0,75 гц. проверьте частотомером, так ли это.
В приведенной мной схеме и её описании всё логично и состыковано есть только одна неувязка. По вашей версии схема живет сама по себе, а часы ходят сами по себе.
Ещё обратите внимание У4 и У5 включены абсолютно одинаково одна делит на 5, а другая делит на 16. Короче, "...либо я дурак, либо лыжи не едут..., ка говорил Витя - Сумрак. :)
Цитата:
А микросхемы У8,У11,У12,У14 (К1ЛБ201) -разве не логические элементы ??

Я говорил, что делитель 1500000 на счетчиках не имеет логических элементов. Обошлись без них, за счет грамотного включения счетчиков.
А те лог. элементы на:
У8 -используется для установки минут кнопкой
У11- собирает коэффициент 60 для счетчиков часов и обнуления минут
У12 - установка часов кнопкой
У14 - формирует двойной счет единиц часов(то до 10, то до 4) и по 24 обнуляет счетчики часов.
Так что логика в предворительном делителе на 1500000 не используется.
Кстати, почему то в счетчиках минут К120ИЕ3 ведут себя адекватно и считают до 10, как положено всем десятичным счетчикам а не до 16, как У5.
Скорей всего вы некорректно меряли частоту. Наверное Ваш частотомер имеет очень маленькое входное сопротивление и этим сопротивлением засаживает выходы счетчиков, из-за этого и сводит с ума счетчики предварительного делителя, которые начинают считать абы как. Попробуйте взять щуп с делителем 1:10 и снова произвести измерения частоты.
Повторюсь, по вашей схеме У1,У2,У3 включены , как делители на 5, т.е. выход взят с 3 триггера, с которого должно приходить 2 импульса на 10 входящих импульсов. После переполнения по модулю 10 с этого выхода придет импульс 4 и импульс 7. куда ваш частотомер девает один импульс...непонятно. и ищите ошибку. Померяйте частоту на 9 ножках У1,У2,У3. интересно, что там покажет ваш частотомер.
И вообще, ваши часы то ходят правильно??? :)))


Вернуться наверх
 
Не в сети
 Заголовок сообщения: Re: Часы на люминесцентных индикаторах.
СообщениеДобавлено: Пт окт 12, 2012 09:04:45 
Грызет канифоль

Карма: 2
Рейтинг сообщений: 21
Зарегистрирован: Сб фев 06, 2010 20:39:59
Сообщений: 286
Рейтинг сообщения: 0
Здравствуйте форумчане! Решил сделать часы на ивл1-7/5. Начал я с блока питания. Давно нашёл схему на этом форуме и решил попробовать собрать, так как к этой схеме были выложены фотографии того что она рабочая. Купил все детали и собрал на макете.
Возникли вопросы и небольшие проблемы.
История тестирования:
Блок питания я использую трансформаторный 9в-1а (по вольтметру 11в). Я немного переделал схему. (Переделки выделил кругом с восклицательным знаком) Собрал схему и включил без нагрузки. Померил: 5в переменки (НО она стремительно снижается) и 27в постоянки (держится нормально). НО почему то схема издавала какой то писк. Но ничего не греется и продолжает работать. Решил, что пора подключить нагрузку в виде ВЛИ (подключил все индикаторы и сетки на +27в). Схема как пищала так и пищит + ещё начал пищать и сам дисплей. НО всё фигня по сравнению с тем что проседает напряжение. На сетках +25В (но это нормально) а вот накал просел до 1в!!!! И индикаторы при этом горят не равномерно. Центральные сегменты горят ярко в вот крайние на несколько тонов темнее. Это заметно!
Следовательно вопросы.
1) Скажите пожалуйста, возможно ли как то упростить схему? Я просто не очень понимаю как работает схема и допереть самому не получается.
2) Что мне делать с 1в накала! Как исправить? (предполагаю если будет 5в то и засветка будет ровная)
3) Почему слышен писк?


Вложения:
Copy of 1901.gif [111.32 KiB]
Скачиваний: 773
Вернуться наверх
 
Не в сети
 Заголовок сообщения: Re: Часы на люминесцентных индикаторах.
СообщениеДобавлено: Пт окт 12, 2012 09:40:57 
Поставщик валерьянки для Кота
Аватар пользователя

Карма: 21
Рейтинг сообщений: 267
Зарегистрирован: Вт ноя 03, 2009 21:02:38
Сообщений: 2050
Откуда: Москва
Рейтинг сообщения: 0
Переделку с землёй, я не понял. Чушь. :o Пищат, похоже, - кондёры. Видимо фиговые, или не хватает ёмкости. Могу посоветовать увеличить все 1мкФ в двое. Пищит - значит частота генератора низкая. Её определяет С17. Может, с его ёмкостью что-то не так?
Блок питания должен давать 9В, и под нагрузкой и без нагрузки.


Вернуться наверх
 
Показать сообщения за:  Сортировать по:  Вернуться наверх
Начать новую тему Ответить на тему  [ Сообщений: 9121 ]     ... , , , 172, , , ...  

Часовой пояс: UTC + 3 часа


Кто сейчас на форуме

Сейчас этот форум просматривают: нет зарегистрированных пользователей и гости: 20


Вы не можете начинать темы
Вы не можете отвечать на сообщения
Вы не можете редактировать свои сообщения
Вы не можете удалять свои сообщения
Вы не можете добавлять вложения

Найти:
Перейти:  


Powered by phpBB © 2000, 2002, 2005, 2007 phpBB Group
Русская поддержка phpBB
Extended by Karma MOD © 2007—2012 m157y
Extended by Topic Tags MOD © 2012 m157y