Например TDA7294

Форум РадиоКот • Просмотр темы - Мелкие вопросы по радиотехнике
Форум РадиоКот
Здесь можно немножко помяукать :)

Текущее время: Ср окт 01, 2025 14:22:18

Часовой пояс: UTC + 3 часа


ПРЯМО СЕЙЧАС:



Начать новую тему Ответить на тему  [ Сообщений: 8071 ]  1, , , , ...  
Автор Сообщение
Не в сети
 Заголовок сообщения:
СообщениеДобавлено: Ср окт 08, 2008 20:29:08 
Админ
Аватар пользователя

Карма: 109
Рейтинг сообщений: 458
Зарегистрирован: Вт авг 23, 2005 15:23:25
Сообщений: 10815
Откуда: Москва
Рейтинг сообщения: 0
Медали: 1
Получил миской по аватаре (1)
Anjey, так лучше?
Только флуда не надо - тут мелкие вопросы, а не крупный флуд.

_________________
А вот футболки кому? Кружки, значки!
Мысли Пачкают Мозги


Вернуться наверх
 
Не в сети
 Заголовок сообщения:
СообщениеДобавлено: Ср окт 08, 2008 20:41:43 
Сверлит текстолит когтями
Аватар пользователя

Карма: 4
Рейтинг сообщений: 3
Зарегистрирован: Чт мар 29, 2007 21:27:06
Сообщений: 1196
Откуда: г. Минск
Рейтинг сообщения: 0
Спасибо Max, это мне и надо было.. :)

У меня маленький вопрос:
- Есть приемник на транзисторе SS9018H (КТ6113Д). Могу ли я в передатчике, к этому приемнику, во входном контуре использовать такой же транзистор?
Спасибо.

Приемник.

Изображение

Передатчик.

Изображение


Вложения:
Приемник.gif [14.5 KiB]
Скачиваний: 17347
Передатчик.gif [12.63 KiB]
Скачиваний: 16601

_________________
Некоторые люди убеждены, что пробились наверх, хотя на самом деле они просто туда всплыли.
Вернуться наверх
 
Не в сети
 Заголовок сообщения:
СообщениеДобавлено: Ср окт 08, 2008 20:43:12 
Ум, честь и совесть. И скромность.
Аватар пользователя

Карма: 98
Рейтинг сообщений: 2119
Зарегистрирован: Чт дек 28, 2006 08:19:56
Сообщений: 18406
Откуда: Новочеркасск
Рейтинг сообщения: 0
Медали: 2
Получил миской по аватаре (1) Мявтор 3-й степени (1)
где-то попадалась мне ссылка на аналогичную антенну на 88-109 Мгц - вещательный УКВ-диапазон... габарит покрупнее, но все равно загадочно :) нанотехнологии, блин...

P.S. вот, нашел ссылочку...

_________________
если рассматривать человека снизу, покажется, что мозг у него глубоко в жопе
при взгляде на многих сверху ничего не меняется...

Мой уютный бложик... заходите!


Вернуться наверх
 
Не в сети
 Заголовок сообщения:
СообщениеДобавлено: Ср окт 08, 2008 21:26:38 
Модератор
Аватар пользователя

Карма: 158
Рейтинг сообщений: 1600
Зарегистрирован: Пт апр 28, 2006 15:26:07
Сообщений: 11940
Откуда: Россия.
Рейтинг сообщения: 0
Медали: 2
Мявтор 3-й степени (1) Лучший человек Форума 2017 (1)
Anjey писал(а):
в передатчике, во входном контуре использовать такой же транзистор?

Как понять во входном контуре?
Имеешь в виду можно ли на нём передатчик сделать?
Частота какая?
У него Ft=700 мгц. На 433 мгц трудно будет завести, но можно.
Только не превышай допустимый ток коллектора. Он у него по моему не очень большой. В твоей схеме резистор R2 конечно больше придётся делать. Ну и пальцем можно пробовать, греется или нет.

tych писал(а):
Вы верите в эффективность чип антенн ?
В антенны верю.
В эффективность не верю. Эффективность такая же как и у любой сильно укороченной антенны. Удобство в том, что самодельную антенну таких размеров без специальных приборов настроить трудно. Здесь же уже настроена. Главное правильно подсоединить, т.е. следовать её даташиту.


Вернуться наверх
 
Не в сети
 Заголовок сообщения:
СообщениеДобавлено: Ср окт 08, 2008 21:37:41 
Сверлит текстолит когтями
Аватар пользователя

Карма: 4
Рейтинг сообщений: 3
Зарегистрирован: Чт мар 29, 2007 21:27:06
Сообщений: 1196
Откуда: г. Минск
Рейтинг сообщения: 0
aen, спасибо, учту.
И последний, пока, вопрос - какую дальность , примерно, я смогу получить, если запитаю передатчик от 1,5В , мне метров 10 надо...

_________________
Некоторые люди убеждены, что пробились наверх, хотя на самом деле они просто туда всплыли.


Вернуться наверх
 
Не в сети
 Заголовок сообщения:
СообщениеДобавлено: Ср окт 08, 2008 22:17:52 
Модератор
Аватар пользователя

Карма: 158
Рейтинг сообщений: 1600
Зарегистрирован: Пт апр 28, 2006 15:26:07
Сообщений: 11940
Откуда: Россия.
Рейтинг сообщения: 0
Медали: 2
Мявтор 3-й степени (1) Лучший человек Форума 2017 (1)
Во первых его ещё нужно запустить от 1,5 вольта на сотнях мегагерц.
Уже пробовал?
Если и запустишь, то я например сомневаюсь насчёт 10 метров. Хотя кто его знает. А чего, так критично 1,5 вольта? Ну хоть 3 вольта.


Вернуться наверх
 
Не в сети
 Заголовок сообщения:
СообщениеДобавлено: Ср окт 08, 2008 22:40:55 
Сверлит текстолит когтями
Аватар пользователя

Карма: 4
Рейтинг сообщений: 3
Зарегистрирован: Чт мар 29, 2007 21:27:06
Сообщений: 1196
Откуда: г. Минск
Рейтинг сообщения: 0
Еще не запускал, вот допаиваю...
Не знал какой транзистор применить, попробую S9018. Есть у меня еще КТ3101А.
1,5В - хочу использовать одну пальчиковую батарейку, для уменьшения габаритов.
Что получится, отпишусь...

_________________
Некоторые люди убеждены, что пробились наверх, хотя на самом деле они просто туда всплыли.


Вернуться наверх
 
Не в сети
 Заголовок сообщения:
СообщениеДобавлено: Ср окт 08, 2008 23:05:52 
Модератор
Аватар пользователя

Карма: 158
Рейтинг сообщений: 1600
Зарегистрирован: Пт апр 28, 2006 15:26:07
Сообщений: 11940
Откуда: Россия.
Рейтинг сообщения: 0
Медали: 2
Мявтор 3-й степени (1) Лучший человек Форума 2017 (1)
Пробуй. Я для интереса тоже пробовал. Вон перед носом валяется. Правда питание меньше четырёх вольт не пробовал.В качестве контуров скобки провода 1,2 мм размером 1,5 см. Схемы примерно как у тебя. Чего то ловит, но я только по комнате ходил.

Если от 1,5 вольта питать, то резистор R2 не увеличивай. Там же на базе порядка 0,6 вольта должно быть.


Вернуться наверх
 
Не в сети
 Заголовок сообщения:
СообщениеДобавлено: Пт окт 31, 2008 16:52:28 
Родился
Аватар пользователя

Зарегистрирован: Пт окт 24, 2008 18:14:53
Сообщений: 15
Откуда: СПб
Рейтинг сообщения: 0
Здравствуйте, уважаемые котоведы. Образовался "мелкий вопрос по радиотехнике", решил спросить совета.

Вот жука собрал http://vrtp.ru/index.php?act=categories&CODE=article&article=1773
Его тут рекомендовали, кстати.
И вот такая, значит, у меня беда: излучение передатчика происходит в очень узком диапазоне. Я таки смог поймать его сигнал на частоте около 100мгц, но малейший шаг в сторону - и шипение. Настроиться на его сигнал практически невозможно. Например, приёмник на плеере вообще не может найти его в режиме поиска (шаг - 0.05 мгц).
Короче, передатчик очень добротный :)
Подскажите, как это лечится?

_________________
... и это, пожалуй, всё, что я хотел сказать.


Вернуться наверх
 
Не в сети
 Заголовок сообщения:
СообщениеДобавлено: Пт окт 31, 2008 18:40:18 
Э...
Аватар пользователя

Карма: 1
Рейтинг сообщений: 9
Зарегистрирован: Ср апр 04, 2007 08:39:14
Сообщений: 2792
Откуда: Москва
Рейтинг сообщения: 0
Может попробовать увеличить глубину модуляции увеличением усиления первого транзистора увеличением резистора в цепи коллектора, или изменением резистора в 1 мОм для смещения рабочей токи транзистора. Можно питать микрофон через резистор 10 кОм.

Хорошо бы подать сигнал от генератора вместо микрофона или вместо первого транзистора и помотреть станет ли лучше прием при усилении сигнала.

_________________
Думайте сами, решайте сами ... а вот он-лайн перевод на корявый русский http://translate.ru


Вернуться наверх
 
Не в сети
 Заголовок сообщения:
СообщениеДобавлено: Сб ноя 01, 2008 08:29:49 
Открыл глаза
Аватар пользователя

Зарегистрирован: Вт окт 21, 2008 21:05:25
Сообщений: 74
Откуда: Пенза
Рейтинг сообщения: 0
Seemann писал(а):
Здравствуйте, уважаемые котоведы. Образовался "мелкий вопрос по радиотехнике", решил спросить совета.

Вот жука собрал http://vrtp.ru/index.php?act=categories&CODE=article&article=1773
Его тут рекомендовали, кстати.
И вот такая, значит, у меня беда: излучение передатчика происходит в очень узком диапазоне. Я таки смог поймать его сигнал на частоте около 100мгц, но малейший шаг в сторону - и шипение. Настроиться на его сигнал практически невозможно. Например, приёмник на плеере вообще не может найти его в режиме поиска (шаг - 0.05 мгц).
Короче, передатчик очень добротный :)
Подскажите, как это лечится?

На передатчик грешить нечего . Это приемник НЕ предназначен для этого действа .
Для расширения полосы излучения можно : увеличить мощьность , увеличить девиацию (исказить сигнал , сделать громче) .
Пользоваться приемником с более плавной настройкой .
Наконец подстроить передатчик на приемник .
PS . 50 килогерц это не плавный диапазон :lol:


Вернуться наверх
 
Не в сети
 Заголовок сообщения:
СообщениеДобавлено: Сб ноя 01, 2008 11:40:00 
Модератор
Аватар пользователя

Карма: 158
Рейтинг сообщений: 1600
Зарегистрирован: Пт апр 28, 2006 15:26:07
Сообщений: 11940
Откуда: Россия.
Рейтинг сообщения: 0
Медали: 2
Мявтор 3-й степени (1) Лучший человек Форума 2017 (1)
Seemann писал(а):
малейший шаг в сторону - и шипение.

tych писал(а):
Может попробовать увеличить глубину модуляции

Если шипит, то модуляция здесь абсолютно не при чём. Если генератор работает на нужной частоте, то шипения не будет даже, если вообще модулятор оторвать.
В той статье на VRTP всё подробно описано в статье. Вы проверили всё, о чём там пишут. ВЧ пробником с мультимером проверяли?
Насчёт светодиода там конечно немного загнули. Не будет он гореть в этой схеме. Цепочку из светодиода и резистора выбросить. Подключить мультимер в режиме измерения постоянного напряжения и смотреть уровни ВЧ напряжения.
Для начала третий транзистор не подключать. Антенну на эмиттер второго транзистора, приёмник поставить рядом и искать.


Последний раз редактировалось aen Сб ноя 01, 2008 11:41:14, всего редактировалось 1 раз.

Вернуться наверх
 
Не в сети
 Заголовок сообщения:
СообщениеДобавлено: Сб ноя 01, 2008 11:40:27 
Родился
Аватар пользователя

Зарегистрирован: Пт окт 24, 2008 18:14:53
Сообщений: 15
Откуда: СПб
Рейтинг сообщения: 0
Спасибо, буду пробовать.
Я, кстати, подозревал, что 50 кгц - это не совсем плавно :) Просто всякие легальные станции размазывают свой сигнал килогерц на 150, поэтому и ловятся без проблем на такие грубые приёмники.

_________________
... и это, пожалуй, всё, что я хотел сказать.


Вернуться наверх
 
Не в сети
 Заголовок сообщения:
СообщениеДобавлено: Сб ноя 01, 2008 11:56:00 
Модератор
Аватар пользователя

Карма: 162
Рейтинг сообщений: 2417
Зарегистрирован: Пн июл 07, 2008 10:46:09
Сообщений: 10733
Откуда: Россия
Рейтинг сообщения: 5
Они не размазывают. Для качественной передачи стереосигнала девиация составляет 50 кГц для сигнала с полярной модуляцией и 75 кГц - с пилот-тоном. Поэтому при перестройке с дискретностью 50 кГц АПЧ приемника легко захватывает сигнал.

_________________
Если хотите, чтобы жизнь улыбалась вам, подарите ей своё хорошее настроение


Вернуться наверх
 
Не в сети
 Заголовок сообщения:
СообщениеДобавлено: Чт ноя 27, 2008 13:44:38 
Потрогал лапой паяльник
Аватар пользователя

Зарегистрирован: Вт ноя 20, 2007 17:30:36
Сообщений: 328
Откуда: Раша
Рейтинг сообщения: 0
По системам стереовещания.


Вложения:
Системы стереовещания.rar [15.29 KiB]
Скачиваний: 1668

_________________
Важнейшая задача цивилизации - научить человека мыслить. /Т. Эдисон/
Вернуться наверх
 
Не в сети
 Заголовок сообщения:
СообщениеДобавлено: Сб дек 20, 2008 04:02:30 
Говорящий с текстолитом

Зарегистрирован: Чт окт 20, 2005 12:46:34
Сообщений: 1682
Рейтинг сообщения: 0
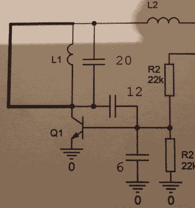
Не могли бы вы мне объяснить как в данной схеме работает последовательный колебательный контур, я понимаю разницу между параллельным и последовательным колебательными контурами но мне не понятно как в данной трехточке последовательный контур работает, иле этот последовательный контур вовсе не последовательный а параллельный соединен батарейкой. Просто кажется что коллекторный конденсатор закорачиват с землей и никаких колебаний быть не должно

есле правильно понимаю то последовательный колебательный контур пропускает только одну частоту , почему же тогда антенна соединена посредине контура а не перед индуктором иле он и так раскачивается ?
А может здесь контур соединен через .47uF конденсатор ?
Изображение

и еше тут не понятно снова конденсатор в колебательном контуре вроде должен мешать так как он с землей соединен а схема работает.

А тут может соединен через .1uF конденсатор и землю ?

Изображение

кстати есть ли какие то преимущества между последовательным и параллельным , чащя встречаю параллельный но кажется что удобней использовать варикап в последовательном

всем спасибо


Вернуться наверх
 
Не в сети
 Заголовок сообщения:
СообщениеДобавлено: Сб дек 20, 2008 05:01:20 
Модератор
Аватар пользователя

Карма: 158
Рейтинг сообщений: 1600
Зарегистрирован: Пт апр 28, 2006 15:26:07
Сообщений: 11940
Откуда: Россия.
Рейтинг сообщения: 0
Медали: 2
Мявтор 3-й степени (1) Лучший человек Форума 2017 (1)
В обеих схемах контура параллельные. Смотри внимательнее. Катушка, а параллельно ей конденсаторы стоят. В первой схеме батареёку как обычно нужно зашунтировать конденсатором, хотя сопротивление батарейки маленькое и можно сказать для ВЧ, это близкое к нулю. Т.е. опять контур параллельный. А то что там земля, ничего не значит. Теоретически можно взять за землю любую точку схемы. От этого логика работы не измениться.
Изображение

Изображение

Т.е. если присмотреться, то видно, что конденсаторы стоят параллельно катушки. Только кружным путём.


Вернуться наверх
 
Не в сети
 Заголовок сообщения:
СообщениеДобавлено: Сб дек 20, 2008 05:06:48 
Говорящий с текстолитом

Зарегистрирован: Чт окт 20, 2005 12:46:34
Сообщений: 1682
Рейтинг сообщения: 0
спасибо, я так и догадывался смущяло только то что и база и эмиттер тоже выходит связаны с колебательным контуром через землю и оно друг другу как то не мешает


Вернуться наверх
 
Не в сети
 Заголовок сообщения:
СообщениеДобавлено: Сб дек 20, 2008 13:16:54 
Модератор
Аватар пользователя

Карма: 158
Рейтинг сообщений: 1600
Зарегистрирован: Пт апр 28, 2006 15:26:07
Сообщений: 11940
Откуда: Россия.
Рейтинг сообщения: 0
Медали: 2
Мявтор 3-й степени (1) Лучший человек Форума 2017 (1)
Понятно связаны. Это же обе схемы генераторов, а в генераторе д.б. обратная связь. Какая то часть мощности с выхода подаётся снова на вход.
Здесь это часть с колебательного контура, который стоит на выходе получается с помощью емкостного делителя и попадает на вход, на базу или на эмиттер в данном случае (между базой и эмиттером)
Т.к. эта часть в схеме создаётся емкостями, она и называется
"емкостная трёхточка"
Если бы обратная связь создавалась с помощью катушки связи или с помощью отвода от контура, то была бы схема "индуктивная трёхточка"

А так внимательнее нужно схему смотреть. Часто контурные конденсаторы, это набор последовательных и параллельных емкостей, которые на схеме расположены совсем в разных местах. Если на схему внимательно смотреть, то увидим, что даже блокировочный конденсатор стоящий параллельно питанию входит в ёмкость контура. Вот поэтому его и делают большой ёмкости, что бы он не влиял на частоту и служил только для того, что бы внутреннее сопротивление батарейки не вносилось в контур и не уменьшало его добротнасть. Ещё внутреннее сопротивление батареи, если на нём падает сигнал может создавать обратные связи, как отрицательные, что снижают усиление например, так и положительные, например в УНЧ, что приводит к самовозбуждению.

Правда, иногда пользуются внесение внутреннего сопротивления источника питания в контур. Это в так называемых передатчиках без антенны, хотя в данном случае антенна всё равно есть и ей является блок питания, а излучается вощность, что падает на внутреннем сопротивлении источника питания. Там сразу видно. На схеме нет блокировочного конденсатора параллельно батареи (источнику питания). Часто применяется в "телефонных жучках". Там же питание от телефонной линии и она же становиться "сурогатной антенной". Схем так называемых телефонных жучков без так называемых антенн в инете полно. Хотя как видишь антенна там всё равно есть, только неявная. Вот например.

Изображение
Тема в мелких вопросах, а вопросы на самом деле не мелкие. Старался ужать как мог. :cry:


Вложения:
1.JPG [31.36 KiB]
Скачиваний: 12378
Вернуться наверх
 
Не в сети
 Заголовок сообщения:
СообщениеДобавлено: Чт янв 01, 2009 16:22:10 
Мучитель микросхем
Аватар пользователя

Зарегистрирован: Пн дек 22, 2008 22:43:07
Сообщений: 420
Откуда: Новосибирск
Рейтинг сообщения: 0
Решил начать с простейшего детекторного приемника :)
Вот схема:
Изображение

Сколька не искал в магазинах, я не нашел подстроечного конденсатора (С2) :(
Но нашел старую схему радиоприемника. И там нашел нечто похожее на него. Посмотрите, это он?
Изображение

На обороте написано: КПП 2х4/270. И еще 1/4.


Да и еще. Говорят, что головные телефоны должны быть высокоомные, например: ТОН-1, ТОН-2 (не менее 3000 Ом). Таково не имею. Но есть обычные наушники от компа, но у них сопротивлание 45 Ом. можно ли увеличить их сопротивление за счет дополнительного сопротивления?
Если нет, то как быть?


Вложения:
konder.JPG [7.02 KiB]
Скачиваний: 1847
10-19.jpg [3.51 KiB]
Скачиваний: 1971
Вернуться наверх
 
Показать сообщения за:  Сортировать по:  Вернуться наверх
Начать новую тему Ответить на тему  [ Сообщений: 8071 ]  1, , , , ...  

Часовой пояс: UTC + 3 часа


Кто сейчас на форуме

Сейчас этот форум просматривают: tehnica 450 и гости: 39


Вы не можете начинать темы
Вы не можете отвечать на сообщения
Вы не можете редактировать свои сообщения
Вы не можете удалять свои сообщения
Вы не можете добавлять вложения

Найти:
Перейти:  


Powered by phpBB © 2000, 2002, 2005, 2007 phpBB Group
Русская поддержка phpBB
Extended by Karma MOD © 2007—2012 m157y
Extended by Topic Tags MOD © 2012 m157y