Например TDA7294

Форум РадиоКот • Просмотр темы - Дневные ходовые огни
Форум РадиоКот
Здесь можно немножко помяукать :)

Текущее время: Вс янв 11, 2026 23:13:01

Часовой пояс: UTC + 3 часа


ПРЯМО СЕЙЧАС:



Начать новую тему Ответить на тему  [ Сообщений: 356 ]     ... , , , 14, , , ,  
Автор Сообщение
Не в сети
 Заголовок сообщения: Re: Дневные ходовые огни
СообщениеДобавлено: Пн май 20, 2013 13:27:25 
Друг Кота
Аватар пользователя

Карма: 59
Рейтинг сообщений: 677
Зарегистрирован: Вт сен 25, 2012 23:13:41
Сообщений: 5500
Откуда: г.Дзержинск Нижегородской обл.
Рейтинг сообщения: 0
Как вам такое решение проблемы?
Изображение

Целиком статья по изготовлению ДХО на ВАЗ-2110 находится тут.

_________________
Спасение утопающих дело рук самих утопающих.


Вернуться наверх
 
Не в сети
 Заголовок сообщения: Re: Дневные ходовые огни
СообщениеДобавлено: Ср май 22, 2013 12:01:40 
Друг Кота
Аватар пользователя

Карма: 14
Рейтинг сообщений: 24
Зарегистрирован: Вт июн 28, 2011 12:11:50
Сообщений: 3443
Откуда: Россия,Ставропольский край, ст.Бекешевская
Рейтинг сообщения: 0
а как сделать включение лампы при повышении оборотов двигателя до определенного значения ? (скутер )

_________________
Меня зовут Димон .
Изображение
Изображение


Вернуться наверх
 
Не в сети
 Заголовок сообщения: Re: Дневные ходовые огни
СообщениеДобавлено: Пн май 27, 2013 23:12:43 
Сверлит текстолит когтями
Аватар пользователя

Карма: 10
Рейтинг сообщений: 111
Зарегистрирован: Ср июл 25, 2012 21:40:09
Сообщений: 1193
Откуда: Самара
Рейтинг сообщения: 0
Внесу свои 5 копеек.

Когда купил свой калинваген, закон уже был в действии, но ДХО в калине разработчиками не предусмотрено. Поэтому я "вынужден" ездить либо с ближняком, либо с противотуманками.

Проргуглив госты и нормы ЕСК ООН выяснил следующее про ДХО:

ось светового потока - паралельна земле.

Угол в вертикальной проекции 10* как в верх так и вниз
Угол в горизонтальной - 20*
Изображение

Но это еще не все.
Цвет в нашей стране - Белый. (у кого то из северной Европы допускается и желтый)
какой световой поток - не помню, но сравним с ближним.

И! самое главное, что бы на колбе фары или светорассеивателе была маркировка DRL ну и буква E c цифрой в кружочке. Данные надписи должны быть вытеснены на материале заводским способом при их изготовлении.

В противных случаях гагайцы имеют право воспользоваться статьей нарушение режимов работы использования световых приборов со всеми вытекающими.

Если вы колхозите дальняк по американской схеме - 30-40% накала, то в нашей стране вы нарушаете. Ну и по гостам у дальняка световой пучок больше по углам, что не есть гуд. Самого такие накальщики слепили пару раз.

Теперь о режимах работы: ДХО, Габариты, противотуманки, дальний. Все тоже прописано в ЕСК и гостах.

ДХО - горят тогда когда средство едет или готово к движению. при этом остальной головной свет - отключен. К основному свету относят: Габарит, Ближний, Дальний.
Габариты: Применяются для обозначения остановившегося транспортного средства для "остановки" или "кратковременной" стоянки на обочинах или в условиях недостаточной видимости, а так же в темное время суток.
Ближний - для движения в условиях недостаточной видимости, а так же в темное время суток. При этом ближний свет должен включаться только при работающих габаритах. Для чего? - Вот едем мы едем ночью в тумане по обочине и хренакс - ЗАГЛОХЛИ!. Ближняк вырубился, а габариты остались. Вероятность быть раскатным значительно меньше, чем совсем без света.
Дальний - только совместно с ближним (на постоянку). Так же дальняком подаются кратковременные сигналы другим водителям (без фиксации), при этом ближнего света фар не обязательно.

Противотуманки - только совместно с габаритными огнями в условиях ограниченной видимости. Так же противотуманки могут дополнять и ближний свет фар.

Углы у противотуманок - гораздо больше чем у ДХО. Яркость противотуманок может быть больше ближнего, но меньше дальнего. Цвета - желтый и белый.

подушив в себе жабу разорился на филлипсы DRL-5LED. 150УЕ. Но не жалею, поставил почти по госту. Ездил ведомым, ведущий сказал - не слепят, и видно далеко.
Гайцы останавливали, кетайский колхоз пытались впарить. Маркировка выручила :)


Вложения:
проДХО2.jpg [21.17 KiB]
Скачиваний: 4934
Вернуться наверх
 
Не в сети
 Заголовок сообщения: Re: Дневные ходовые огни
СообщениеДобавлено: Вт май 28, 2013 21:06:50 
Родился

Зарегистрирован: Вт май 28, 2013 20:47:18
Сообщений: 3
Откуда: Уфа
Рейтинг сообщения: 0
Вы сами то поняли, что написали? А ваш Philips, сколько бы они не стояли, есть настоящий колхоз. Сам езжу 30% дальним светом, со стороны ГИБДД и других водителей негативной реакции не замечал. А у дальнего света угол наоборот узковато будет.


Последний раз редактировалось ploop Вт май 28, 2013 21:27:30, всего редактировалось 1 раз.
Советую почитать правила форума. В особенности пункт 2.7


Вернуться наверх
 
Эиком - электронные компоненты и радиодетали
Не в сети
 Заголовок сообщения: Re: Дневные ходовые огни
СообщениеДобавлено: Вт май 28, 2013 22:21:45 
Первый раз сказал Мяу!

Зарегистрирован: Вс фев 18, 2007 14:09:34
Сообщений: 24
Откуда: Воронеж
Рейтинг сообщения: 0
Я вот посмотрел, сколько вариантов схем, обсуждений ДХО.
Есть простой и чудо-действенный вариант подключения.
На любую русскую машину (кроме Гранты - там они уже есть) подходит. Да и на целую кучу иномарок тоже ставится на раз.
Значит просто объясню, может повторю, но я не в силах читать 14 страниц ненужных изобретений (прошу не пинать)
Берем ... ну пусть 2109.
ДХО у нас зачастую это два-три-четыре десятка светодиодов в корпусах. Все поняли о чем я (Sho-me).
Значит так, требования просты:
1) Заводим машину - включаются ДХО.
2) включаем фары - выключаются ДХО.
3) мигаем фарами - ДХО включены.
4) включаем габариты - ДХО выключены
5) заглушили авто - ДХО выключились.
Итак, схема просто до безобразия.
У нас есть генератор, там провод возбуждения который. - цепляем туда +контакт светодиодов ДХО (они же у нас на 12 вольт сразу идут).
Минусовой провод цепляем на +габарита (одного борта, желательно того, с которого идет еще и подсветка номера и приборов (помоему левый на 2109, это легко узнать).
Есть вариант №2:
Провод возбуждения генератора, цепляем туда 30 контакт 5-ти контактного реле
85 - цепляем на массу
86 - цепляем на габарит
87а (тот, что нормально замкнут)- подключаем на +светодиодов ДХО.
второй, минусовой провод на ДХО подключаем на массу.
Все, оба случая работают 10000% и не надо городить кучу деталей, они просто не нужны.
На проводе возбуждения генератора + появляется тогда, когда генератор работает, машина заведена. По току с этого провода можно снять 2 ампера не боясь ничего, ДХО потребляет всего... думаю, что не более 1 ампера. Значит нам его хватит.
Реле можно ставить, можно нет. У меня стоит в машине, у знакомого реле нет. Массы через габаритные лампочки будет заглаза 1 ампер=12ватт. А у насм передний габарит 5 ватт+задний габарит 5ватт+подсветка приборки+подсветка заднего номера. Короче получается ватт на 25 спокойно. Если не уверены - ставьте одно реле и ничего изобретать не надо.
Да и все требования соблюдены. Если кто против такой схемы подключения - прошу отписаться с подробным описанием несогласия.
P.s. не включив габариты Вы ни на одной машине не включите ближный свет. Это что бы не было вопросов лишних.


Вернуться наверх
 
Не в сети
 Заголовок сообщения: Re: Дневные ходовые огни
СообщениеДобавлено: Вт май 28, 2013 22:31:24 
Сверлит текстолит когтями
Аватар пользователя

Карма: 10
Рейтинг сообщений: 111
Зарегистрирован: Ср июл 25, 2012 21:40:09
Сообщений: 1193
Откуда: Самара
Рейтинг сообщения: 0
по аналогичной схеме "приколхозили" в рено-меган предыдущей версии того что сейчас продается. Сейчас они идут со светодиодной вставкой а предыдущее поколение имеет в блоке фар даже лампочки, но не имеет проводки. Реношники посчитали что ДХО с лампами накаливания оплавляют фары, и сказали туркам проводку там не делать.
Самое сложное было прокинуть провод между фар, ну и бонусом провод на кнопку для принудительного отключения в салон.

Про ShowMe - у некоторых даже маркировка выбита DRL(E??)


Вернуться наверх
 
Не в сети
 Заголовок сообщения: Re: Дневные ходовые огни
СообщениеДобавлено: Сб июн 01, 2013 09:45:09 
Друг Кота
Аватар пользователя

Карма: 59
Рейтинг сообщений: 677
Зарегистрирован: Вт сен 25, 2012 23:13:41
Сообщений: 5500
Откуда: г.Дзержинск Нижегородской обл.
Рейтинг сообщения: 0
SergeiSam, есть только одно возражение: автосигнализация, в большинстве случаев, имеет выход индикации на габариты. В результате, Ваши ДХО будут моргать в такт с моргающими габаритами, если в машине применена "умная" сигналка с таймером, запускающим и глушащим двигатель.

_________________
Спасение утопающих дело рук самих утопающих.


Вернуться наверх
 
Не в сети
 Заголовок сообщения: Re: Дневные ходовые огни
СообщениеДобавлено: Сб июн 01, 2013 10:59:37 
Друг Кота
Аватар пользователя

Карма: 23
Рейтинг сообщений: 288
Зарегистрирован: Пт мар 09, 2007 15:01:52
Сообщений: 3078
Откуда: Биробиджан
Рейтинг сообщения: 0
Медали: 1
Получил миской по аватаре (1)
Сигналку можно повесить на поворотники. Умная сигналка имеет свободно программируемый выход.


Вернуться наверх
 
Не в сети
 Заголовок сообщения: Re: Дневные ходовые огни
СообщениеДобавлено: Сб июн 01, 2013 19:19:12 
Первый раз сказал Мяу!

Зарегистрирован: Вс фев 18, 2007 14:09:34
Сообщений: 24
Откуда: Воронеж
Рейтинг сообщения: 0
Николай_С писал(а):
SergeiSam, есть только одно возражение: автосигнализация, в большинстве случаев, имеет выход индикации на габариты. В результате, Ваши ДХО будут моргать в такт с моргающими габаритами, если в машине применена "умная" сигналка с таймером, запускающим и глушащим двигатель.

Я думаю, что это исключительный случай. Т.к. у меня сигналка мигает у самого габаритами, но нет турботаймера.
Так что в основном проблемы нет. Да и в 97% мигают они поворотами, т.к. тогда машиу видно со всех сторон.


Вернуться наверх
 
Не в сети
 Заголовок сообщения: Re: Дневные ходовые огни
СообщениеДобавлено: Сб июн 08, 2013 11:17:13 
Потрогал лапой паяльник
Аватар пользователя

Карма: 2
Рейтинг сообщений: -2
Зарегистрирован: Пн янв 14, 2008 12:36:36
Сообщений: 307
Откуда: Москва,Санкт-Петербург
Рейтинг сообщения: 0
проще не бывает...http://www.12v.ru/site.xp/052048049124.html


Вернуться наверх
 
Не в сети
 Заголовок сообщения: Re: Дневные ходовые огни
СообщениеДобавлено: Сб июн 08, 2013 19:25:46 
Друг Кота
Аватар пользователя

Карма: 20
Рейтинг сообщений: 488
Зарегистрирован: Сб ноя 20, 2010 21:54:31
Сообщений: 3954
Рейтинг сообщения: 0
Небольшой "колхоз" - при желании дополнительные цепи управления вводятся аналогично...
Подстроечным резистором выставляется напряжение на выходе, а резистором, подключаемым ему в параллель - настраиваем степень "притухания".
LM317 в верхней схеме - для простых светодиодных LED, - которые без драйвера, в данном варианте - ток на выходе порядка 170мА, резистор на нужный ток считается по pdf для LM317/117.
Для КР142ЕН22А лучше использовать небольшой радиатор, - на радиаторе будет плюс выходного напряжения, - радиатор с корпусом не замыкать, либо - использовать теплопроводную прокладку под микросхему стабилизатора, то же самое - и для LM317
Для печатной платы - можно взять частично отсюда - убрать ненужное и добавить недостающее особого труда не составит


Вернуться наверх
 
Не в сети
 Заголовок сообщения: Re: Дневные ходовые огни
СообщениеДобавлено: Пн июл 08, 2013 19:31:40 
Открыл глаза

Зарегистрирован: Ср ноя 07, 2012 20:20:20
Сообщений: 65
Рейтинг сообщения: 0
Я не осилил 14 страниц читать, извините, если кто то уже сталкивался ткните носом.
Хочу что бы при отключении зажигания ДХО ещё горели определённое время типа подсвечивая путь. Как реализовать не сильно сложно?


Вернуться наверх
 
Не в сети
 Заголовок сообщения: Re: Дневные ходовые огни
СообщениеДобавлено: Пн июл 08, 2013 21:26:07 
Сверлит текстолит когтями
Аватар пользователя

Карма: 10
Рейтинг сообщений: 111
Зарегистрирован: Ср июл 25, 2012 21:40:09
Сообщений: 1193
Откуда: Самара
Рейтинг сообщения: 0
конденсатор. и в схеме пользовать 2 параллельных реле.


Вернуться наверх
 
Не в сети
 Заголовок сообщения: Re: Дневные ходовые огни
СообщениеДобавлено: Вт июл 09, 2013 19:27:58 
Открыл глаза

Зарегистрирован: Ср ноя 07, 2012 20:20:20
Сообщений: 65
Рейтинг сообщения: 0
а как то поподробней можно чёта я не догоняю.


Вернуться наверх
 
Не в сети
 Заголовок сообщения: Re: Дневные ходовые огни
СообщениеДобавлено: Ср июл 10, 2013 08:49:03 
Держит паяльник хвостом
Аватар пользователя

Карма: 1
Рейтинг сообщений: 62
Зарегистрирован: Чт янв 13, 2011 13:51:26
Сообщений: 986
Рейтинг сообщения: 0
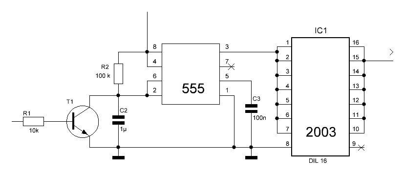
Ну вот так, например.
(килоОмы и мироФарады добавляем по вкусу)


Вложения:
ДХО.JPG [29.4 KiB]
Скачиваний: 936
Вернуться наверх
 
Не в сети
 Заголовок сообщения: Re: Дневные ходовые огни
СообщениеДобавлено: Ср июл 10, 2013 09:10:29 
Мучитель микросхем

Зарегистрирован: Пн дек 07, 2009 19:15:42
Сообщений: 435
Рейтинг сообщения: 0
Поставил ходовые огни год назад, и вот на прошлой недели на каждой фаре перстали гореть по 2 диода. Бывает, что иногда потухшие диоды помаргивают. Че за хрень? И как это исправить?


Вложения:
Комментарий к файлу: Коробка из под ДХО
Фото146.jpg [18.37 KiB]
Скачиваний: 490
Комментарий к файлу: Сам ДХО
Фото148.jpg [12.89 KiB]
Скачиваний: 761

_________________
Физические формулы - это расшифрованные фрагменты системного кода Матрицы
Вернуться наверх
 
Не в сети
 Заголовок сообщения: Re: Дневные ходовые огни
СообщениеДобавлено: Ср июл 10, 2013 09:58:12 
Друг Кота
Аватар пользователя

Карма: 23
Рейтинг сообщений: 288
Зарегистрирован: Пт мар 09, 2007 15:01:52
Сообщений: 3078
Откуда: Биробиджан
Рейтинг сообщения: 0
Медали: 1
Получил миской по аватаре (1)
Они у тебя поди в пластмассовом корпусе, а не алюминиевом с оребрением, да в добавок без токового стабилизатора. Запитывай их через стабилизатор.


Вернуться наверх
 
Не в сети
 Заголовок сообщения: Re: Дневные ходовые огни
СообщениеДобавлено: Ср июл 10, 2013 11:06:27 
Друг Кота
Аватар пользователя

Карма: 93
Рейтинг сообщений: 2157
Зарегистрирован: Сб май 05, 2012 20:19:55
Сообщений: 4955
Откуда: Минск
Рейтинг сообщения: 0
homeguner писал(а):
Че за хрень? И как это исправить?
Китайское качество. Исправляется заменой светодиодов и обеспечением для них нормального теплоотвода.

_________________
Прибор, защищённый предохранителем, сгорает первым, защитив предохранитель. Закон Мерфи.


Вернуться наверх
 
Не в сети
 Заголовок сообщения: Re: Дневные ходовые огни
СообщениеДобавлено: Чт июл 11, 2013 16:14:59 
Мучитель микросхем

Зарегистрирован: Пн дек 07, 2009 19:15:42
Сообщений: 435
Рейтинг сообщения: 0
Самые что ни наесть алюминиевые, с развитым оребрением на задней стенке. На одном проводе имеется небольшой пластиковый цилиндрик - может стабиилизатор мож еще что. Вобще фары дорогие за 1700 руб. брал в автомаге год назад. Кстати одна фара отпотела внутри, может из-за этого?

_________________
Физические формулы - это расшифрованные фрагменты системного кода Матрицы


Вернуться наверх
 
Не в сети
 Заголовок сообщения: Re: Дневные ходовые огни
СообщениеДобавлено: Пт июл 12, 2013 07:30:06 
Друг Кота
Аватар пользователя

Карма: 23
Рейтинг сообщений: 288
Зарегистрирован: Пт мар 09, 2007 15:01:52
Сообщений: 3078
Откуда: Биробиджан
Рейтинг сообщения: 0
Медали: 1
Получил миской по аватаре (1)
Твои недорогие, сертифицированные Philips стоит от 3к до 5к, а Hella от 5к до 10к. У тебя светодиоды работали с перегрузкой, поэтому перегрелись и отпаялись, либо сгорели. Для мощных светодиодов стабилизатора на lm317t не хватит, нужен ШИМ.


Вернуться наверх
 
Показать сообщения за:  Сортировать по:  Вернуться наверх
Начать новую тему Ответить на тему  [ Сообщений: 356 ]     ... , , , 14, , , ,  

Часовой пояс: UTC + 3 часа


Кто сейчас на форуме

Сейчас этот форум просматривают: нет зарегистрированных пользователей и гости: 11


Вы не можете начинать темы
Вы не можете отвечать на сообщения
Вы не можете редактировать свои сообщения
Вы не можете удалять свои сообщения
Вы не можете добавлять вложения

Найти:
Перейти:  


Powered by phpBB © 2000, 2002, 2005, 2007 phpBB Group
Русская поддержка phpBB
Extended by Karma MOD © 2007—2012 m157y
Extended by Topic Tags MOD © 2012 m157y