Например TDA7294

Форум РадиоКот • Просмотр темы - Детектор свч поля (диод "Д405)
Форум РадиоКот
Здесь можно немножко помяукать :)

Текущее время: Вс фев 08, 2026 11:56:08

Часовой пояс: UTC + 3 часа


ПРЯМО СЕЙЧАС:



Начать новую тему Ответить на тему  [ Сообщений: 42 ]    , 2,  
Автор Сообщение
Не в сети
 Заголовок сообщения: Re: Детектор свч поля (диод "Д405)
СообщениеДобавлено: Вс май 06, 2012 14:28:54 
Сверлит текстолит когтями

Зарегистрирован: Вт дек 09, 2008 20:31:56
Сообщений: 1156
Рейтинг сообщения: 0
Ох спасибо большое :)) Ну входной транзистор конечно удивил :shock: Заменим его. Сейчас уже собирать начинаю потихоньку.

А пион по моему давно не засекречен,сняли давным давно бедолагу с производства. Хотя прибор был как я всегда считал сверх надежным. Погоды не боялся. Мечта просто.

А так если что - схемку потереть необходимо с сайта...... :dont_know:


Вернуться наверх
 
Не в сети
 Заголовок сообщения: Re: Детектор свч поля (диод "Д405)
СообщениеДобавлено: Вс май 06, 2012 14:49:55 
Сверлит текстолит когтями

Зарегистрирован: Вт дек 09, 2008 20:31:56
Сообщений: 1156
Рейтинг сообщения: 0
http://s019.radikal.ru/i619/1205/44/6a550b0248ec.jpg а вот такой диод ни кто не опознает? Гугл ни чем не помог. Может кто видел где или использовал?


Вернуться наверх
 
Не в сети
 Заголовок сообщения: Re: Детектор свч поля (диод "Д405)
СообщениеДобавлено: Вс май 06, 2012 15:06:20 
Сверлит текстолит когтями
Аватар пользователя

Карма: 22
Рейтинг сообщений: 110
Зарегистрирован: Вс сен 25, 2005 10:07:31
Сообщений: 1219
Откуда: Россия.
Рейтинг сообщения: 0
осторожно! леоныч!!! писал(а):
Ну входной транзистор конечно удивил :shock: Заменим его.
А вот меня не удивил, т.к. это малошумящий транзистор.
Кстати из КТ3107 пойдут на замену только с буквами Е, Ж и Л, которые имеют шумы сравнимые с П27А.


Вернуться наверх
 
Не в сети
 Заголовок сообщения: Re: Детектор свч поля (диод "Д405)
СообщениеДобавлено: Вс май 06, 2012 15:20:30 
Сверлит текстолит когтями

Зарегистрирован: Вт дек 09, 2008 20:31:56
Сообщений: 1156
Рейтинг сообщения: 0
Не ну я "кагбе" ничего не имею против п27 ибо в далеком детстве их применял. Но вот схему с общим плюсом применять для меня не вариант.Транзистор наверное применю3102. А лучше 2sc9018,думаю он менее шумный. Питание будет другое по этому придется пересчитать пассивные элементы. Короче я уже веселюсь во всю :)


Вернуться наверх
 
Эиком - электронные компоненты и радиодетали
Не в сети
 Заголовок сообщения: Re: Детектор свч поля (диод "Д405)
СообщениеДобавлено: Вс май 06, 2012 16:50:31 
Сверлит текстолит когтями

Зарегистрирован: Вт дек 09, 2008 20:31:56
Сообщений: 1156
Рейтинг сообщения: 0
Ну в общем что я могу сказать. Наваял схемку и сам доволен. Поймал даже свой дект телефон и еще какие то непонятные для меня сигналы :))) Получился отличный датчик к примеру для тех кто настраивает охранные датчики "пион" и более современные. Да применений много можно найти. Хоть тот же антирадар. Питание я сделал всего 3 вольта. Применил аккумулятор от мобилы :)) Спасибо всем кто помогал))) Особенно тому человеку который схему пионовскую скинул :beer:
Ну и забыл на последок сказать,пока индикаторами устройство не обвешал еще (только наушники) потребляет оно 4ма :)))


Вернуться наверх
 
Не в сети
 Заголовок сообщения: Re: Детектор свч поля (диод "Д405)
СообщениеДобавлено: Вс май 06, 2012 17:52:46 
Друг Кота
Аватар пользователя

Карма: 50
Рейтинг сообщений: 763
Зарегистрирован: Чт дек 29, 2005 00:18:30
Сообщений: 6597
Откуда: Москва
Рейтинг сообщения: 0
Диод типа 1А401 или 402 лень искать в в своих коробках, они в свинце лежат. Без стаканчика защитного.. скорее всего деградировал.

_________________
Ничто так не укрепляет взаимное доверие, как 100% предоплата! Дмитрий, ex-RK3AOR.


Вернуться наверх
 
Не в сети
 Заголовок сообщения: Re: Детектор свч поля (диод "Д405)
СообщениеДобавлено: Вс май 06, 2012 20:26:27 
Сверлит текстолит когтями

Зарегистрирован: Вт дек 09, 2008 20:31:56
Сообщений: 1156
Рейтинг сообщения: 0
Да не факт. Люди разное говорят. Пугают друг друга типа если только прозвонишь или уронишь или не так возьмешь то все сразу в помойку. Да блин не верится что то.... Точнее не знаю кому верить. То же самое друзья радиолюбители рассказывали о полевиках кп350. Недавно мне друг отсыпал таких и рассказал типа бывало эти полевички радиолюбители и до дому не доносили. Как будто продавцы их статикой убивали при продаже. Блин на кой простите вообще такие детали тогда......


Вернуться наверх
 
Не в сети
 Заголовок сообщения: Re: Детектор свч поля (диод "Д405)
СообщениеДобавлено: Вс май 06, 2012 22:45:13 
Мудрый кот
Аватар пользователя

Карма: 35
Рейтинг сообщений: 279
Зарегистрирован: Сб июл 30, 2011 08:40:10
Сообщений: 1713
Откуда: Россия
Рейтинг сообщения: 0
осторожно! леоныч!!! писал(а):
прозвонишь .....рассказывали о полевиках кп350.
Насчет смесительных СВЧ диодов в их описании написано, что прозванивать не нужно. После этого они вообще то звонятся как обычно, но параметры уже не те. Хотя сам на практике не сталкивался.
Насчет КП350 так вот раньше и жили. С ними сталкивался постоянно.
В упаковке на них трубочка одета, что бы все выводы были замкнуты. Перед пайкой тонкой проволокой возле корпуса обматываешь и паяешь. Я частенько эту проволоку забывал перед включением. :cry:
Некоторые просто делают шарик их фольги и засовывают между выводами.
То, что от статики они вылетают, то сам много раз наблюдал. Обычно такое бывало когда пытался его перепаять.
То же происходит и с КП301, КП305, КТ306.
С остальными подобными старыми с изолированным затвором не сталкивался.
А вот КП103, КП302 и КП303 никогда от статики не вылетали, хотя про них тоже пишут это.
Паял прямо так без всяких предосторожностей.


Вернуться наверх
 
Не в сети
 Заголовок сообщения: Re: Детектор свч поля (диод "Д405)
СообщениеДобавлено: Пн май 07, 2012 02:16:14 
Друг Кота
Аватар пользователя

Карма: 50
Рейтинг сообщений: 763
Зарегистрирован: Чт дек 29, 2005 00:18:30
Сообщений: 6597
Откуда: Москва
Рейтинг сообщения: 0
СВЧ диоды по жизни подразумевают переход-контакт с минимальной площадью. Поэтому всякое пропускание тока и обратное напряжение более нескольких вольт пробивает или сплавляет переход. Как минимум растут шумы и уменьшается эффективность диода. Это плата за высокие частоты и эффективность работы-крошечная емкость п=н перехода.

_________________
Ничто так не укрепляет взаимное доверие, как 100% предоплата! Дмитрий, ex-RK3AOR.


Вернуться наверх
 
Не в сети
 Заголовок сообщения: Re: Детектор свч поля (диод "Д405)
СообщениеДобавлено: Пн май 07, 2012 04:15:40 
Сверлит текстолит когтями

Зарегистрирован: Вт дек 09, 2008 20:31:56
Сообщений: 1156
Рейтинг сообщения: 0
Спасибо за комментарии друзья! :))) Мне видимо больше везло. В НИИ научили однажды (когда еще 18 было) работать с КМОП и все. Так за всю жизнь пока ничего не разу не спалил (тьфу тьфу тьфу) :))) Просто мне пока везет :)))


Вернуться наверх
 
Не в сети
 Заголовок сообщения: Re: ВЧ монтаж.
СообщениеДобавлено: Чт июн 27, 2013 19:41:35 
Родился

Зарегистрирован: Пн янв 28, 2013 08:08:25
Сообщений: 10
Рейтинг сообщения: 0
Ребят, помогите, пожалуйста, развести ВЧ часть приемника. Схема простая, но из-за габаритов используемых диодов разводка получается какая-то корявая... Вся инфа в файлах:



Сюда перенес.

aen


Вложения:
ВЧ.JPG [12.33 KiB]
Скачиваний: 1121
ВЧ.lay [68.33 KiB]
Скачиваний: 371
Д405 размеры.jpg [54.84 KiB]
Скачиваний: 811
Вернуться наверх
 
Не в сети
 Заголовок сообщения: Re: ВЧ монтаж.
СообщениеДобавлено: Чт июн 27, 2013 19:46:15 
Друг Кота

Карма: 27
Рейтинг сообщений: 206
Зарегистрирован: Чт ноя 26, 2009 11:16:50
Сообщений: 6015
Откуда: Москва
Рейтинг сообщения: 0
Ну уж ТАКУЮ схему можно спаять и на макетной плате, на монтажной колодке, на картонке или фанерке с дырочками.... Тем более, основные габариты должны быть у катушки L1, для бОльшей добротности. А что это вообще? Если детекторный приемник, то где КПЕ?


Вернуться наверх
 
Не в сети
 Заголовок сообщения: Re: ВЧ монтаж.
СообщениеДобавлено: Чт июн 27, 2013 19:52:34 
Модератор
Аватар пользователя

Карма: 158
Рейтинг сообщений: 1600
Зарегистрирован: Пт апр 28, 2006 15:26:07
Сообщений: 11940
Откуда: Россия.
Рейтинг сообщения: 0
Медали: 2
Мявтор 3-й степени (1) Лучший человек Форума 2017 (1)
Без сведений о параметрах приемника, в частности его рабочей частоты, что либо сказать не возможно.


Вернуться наверх
 
Не в сети
 Заголовок сообщения: Re: ВЧ монтаж.
СообщениеДобавлено: Чт июн 27, 2013 19:56:18 
Родился

Зарегистрирован: Пн янв 28, 2013 08:08:25
Сообщений: 10
Рейтинг сообщения: 0
Я ж и говорю, схема простая, но нужно из неё выжать 10 ГГц. Описание здесь: http://vrtp.ru/index.php?s=4643dec0af81 ... 17914&st=0
У меня вариант, похожий как на стр.16, но без УВЧ и выполненный отдельным модулем. Подключаться к основной схеме будет через разъем USB.


Вернуться наверх
 
Не в сети
 Заголовок сообщения: Re: ВЧ монтаж.
СообщениеДобавлено: Чт июн 27, 2013 20:12:57 
Друг Кота
Аватар пользователя

Карма: 64
Рейтинг сообщений: 1102
Зарегистрирован: Ср ноя 17, 2010 23:10:55
Сообщений: 5837
Откуда: Ижевск LO66NU
Рейтинг сообщения: 0
Тут не сделать никакой разводки, годится только объемный конструктив. Диоды должны быть зажаты рядом стоймя между двумя пластинками стеклотекстолита (одностороннего), фольга на пластинках должна быть прорезана поперек в нужных местах, образуя площадки. С диодами крайне аккуратно - боятся статики на пальцах даже небольшой!
И еще - в той статье говорится о блютузе, а это всего-лишь 2400, на 10-ти гигах ни каких катушек и спиралек (резинок) не применишь - кусок провода 1см ужЕ весьма ощутимая индуктивность и в то же время хреновая антенна. Тут применяют в основном рупоры, но их надо уметь считать.

_________________
В начале жизнь мучает вопросами, в конце - ответами...


Последний раз редактировалось svic Чт июн 27, 2013 20:53:26, всего редактировалось 1 раз.

Вернуться наверх
 
Не в сети
 Заголовок сообщения: Re: ВЧ монтаж.
СообщениеДобавлено: Чт июн 27, 2013 20:30:59 
Друг Кота

Карма: 27
Рейтинг сообщений: 206
Зарегистрирован: Чт ноя 26, 2009 11:16:50
Сообщений: 6015
Откуда: Москва
Рейтинг сообщения: 0
Та-а-ак, теперь 10ГГц! Так это не "ВЧ монтаж", а СВЧ! А там совсем все по-другому! И только разработчик должен сказать, как надо.


Вернуться наверх
 
Не в сети
 Заголовок сообщения: Re: ВЧ монтаж.
СообщениеДобавлено: Чт июн 27, 2013 21:33:12 
Родился

Зарегистрирован: Пн янв 28, 2013 08:08:25
Сообщений: 10
Рейтинг сообщения: 0
Там ВЧ плавно перетекающее в СВЧ :)


Вернуться наверх
 
Не в сети
 Заголовок сообщения: Re: Детектор свч поля (диод "Д405)
СообщениеДобавлено: Пн июл 01, 2013 08:48:01 
Сверлит текстолит когтями

Зарегистрирован: Вт дек 09, 2008 20:31:56
Сообщений: 1156
Рейтинг сообщения: 0
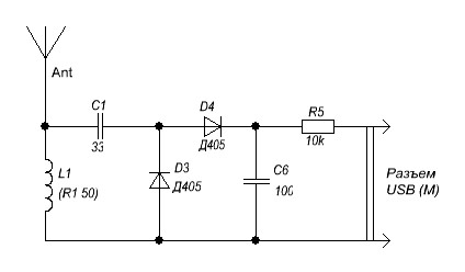
Про рупор,он необходим лишь если вы хотите детектировать направленное излучение. Мало того, рупор не так просто изготовить, размеры и размещение диодов надо высчитывать по длине волны. В своем варианте я намучился прилично, но получилось все.

Если надо чувствительный (более - менее) детектор, для радио закладок к примеру как в вашем случае, то рупор не нужен, к диоду можно подключить короткую антенну, результат у меня получился приличный.

Схему я делал максимально простой, без всяких индикаторов и чтоб питание низковольтное было, 3в.

Хотели схему? Пожалуйста! Не жалко.
Вложение:
65965781.jpg


Вернуться наверх
 
Не в сети
 Заголовок сообщения: Re: Детектор свч поля (диод "Д405)
СообщениеДобавлено: Пн июл 01, 2013 09:33:31 
Друг Кота
Аватар пользователя

Карма: 64
Рейтинг сообщений: 1102
Зарегистрирован: Ср ноя 17, 2010 23:10:55
Сообщений: 5837
Откуда: Ижевск LO66NU
Рейтинг сообщения: 0
http://www.detect-ufo.narod.ru/pribor/d ... 05_01.html

_________________
В начале жизнь мучает вопросами, в конце - ответами...


Вернуться наверх
 
Не в сети
 Заголовок сообщения: Re: Детектор свч поля (диод "Д405)
СообщениеДобавлено: Пн июл 01, 2013 09:43:42 
Сверлит текстолит когтями

Зарегистрирован: Вт дек 09, 2008 20:31:56
Сообщений: 1156
Рейтинг сообщения: 0
Да да :) В 1999 собирали такие массово. Это был радар детектор, пользовался большим спросом у автомобилистов чтоб засечь радар ДПС и срулить куда нибудь) В простонародье - "Антирадар"


Вернуться наверх
 
Показать сообщения за:  Сортировать по:  Вернуться наверх
Начать новую тему Ответить на тему  [ Сообщений: 42 ]    , 2,  

Часовой пояс: UTC + 3 часа


Кто сейчас на форуме

Сейчас этот форум просматривают: нет зарегистрированных пользователей и гости: 18


Вы не можете начинать темы
Вы не можете отвечать на сообщения
Вы не можете редактировать свои сообщения
Вы не можете удалять свои сообщения
Вы не можете добавлять вложения

Найти:
Перейти:  


Powered by phpBB © 2000, 2002, 2005, 2007 phpBB Group
Русская поддержка phpBB
Extended by Karma MOD © 2007—2012 m157y
Extended by Topic Tags MOD © 2012 m157y