Например TDA7294

Форум РадиоКот • Просмотр темы - Ионный Шприц Сафронова.. Подскажите по схеме.
Форум РадиоКот
Здесь можно немножко помяукать :)

Текущее время: Пт дек 19, 2025 12:04:12

Часовой пояс: UTC + 3 часа


ПРЯМО СЕЙЧАС:



Начать новую тему Ответить на тему  [ Сообщений: 23 ]  1,  
Автор Сообщение
Не в сети
 Заголовок сообщения: Ионный Шприц Сафронова.. Подскажите по схеме.
СообщениеДобавлено: Вт янв 28, 2014 21:48:05 
Открыл глаза

Зарегистрирован: Вс авг 04, 2013 00:12:45
Сообщений: 65
Рейтинг сообщения: 0
Здравствуйте, может кто из вас слышал про такую вещь как ионный шприц сафронова? по сути это удвоитель напряжения, самодельное устройство для электрофореза зубов с целью излечения от кариеса и парадонтита, автор сам рассылает схему и инструкцию бесплатно всем желающим, для интересующихся текст письма выложу в спойлер, а вообще вопрос у меня такой:
собрал эту штуку по схеме, а она не работает, т.е. на выходе 1-3В, и 0.01мА.. То ли схема неверная, толи я собрал криво, то ли компоненты с браком.
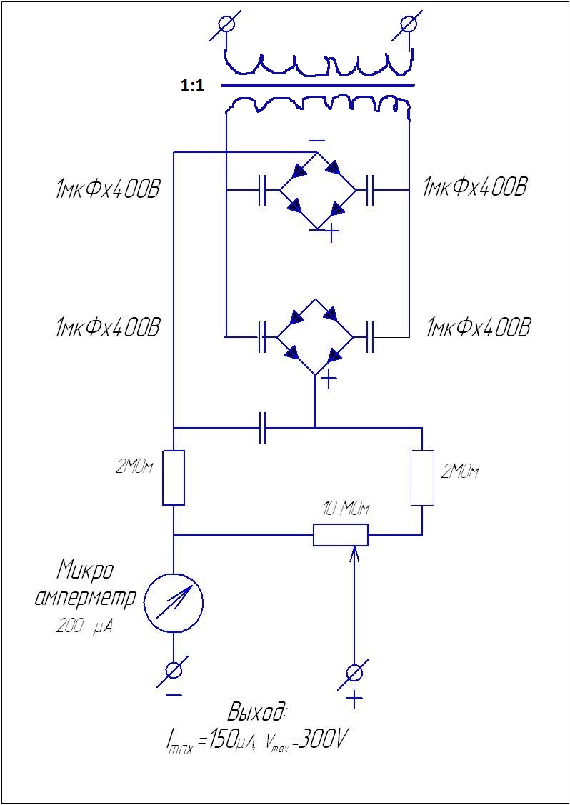
Вот схема:

Изображение

Как видно на фото, на выходе должно получаться 300V, и 0,1мА

Вопросы такие - во первых - нужно ли замыкать свободные концы двух диодных мостов между собой?
Когда я так делал, напряжение возрастало до 100В, а ток до 7мА.. Что сильно отличается от требуемых, при это переодически возникали разные щелчки..

во вторых, безопасно ли это вообще? т.е. класть в рот контакты выхода этой схемы?

И наконец, как получить те самые 300V DC, при 0.1мА

под спойлером текст автора прибора с инструкцией.
СпойлерПринципиально в приборе всё очень просто. Его соберёт любой школьник.
Источник постоянного тока-это выпрямитель с выходным напряжением не менее 200В. Не пугайтесьсь такого напряжения. Было бы лучше иметь ещё выше, т.к. очень высокое сопротивление эмали и дентина можно преодолеть с помощью высокого напряжения. Прибор, применяемый для процедуры дорсанвализации полости рта имеет напряжение 20 тысяч Вольт. Токи моего прибора даже при коротком замыкании электродов не превышают 0,2мА, а в серийных приборах для электрофореза полости рта они составляют до 5мА, т.е. в 25 раз больше. Свой прибор я проверяю приложив оба электрода на язык при максимальном напряжении. Моим прибором успешно лечили от множественного кариеса ребёнка-дошкольника сотрудники по работе, т.к. никакое другое лечение не дало положительных результатов.

Если боитесь сетевого напряжения, то сделайте источник питания от батарейки, но с выходным напряжением не менее 200В.
Например, можно доработать блок питания портативного сигнализатора гамма-излучения (ИРГ-01А)
Для безопасности лучше отделить его от сети разделительным трансформатором с коэффициентом трансформации 1:1. Я для себя лично, да и для других тоже, этого не делал, а выпрямлял прямо сетевое напряжение. Конечно же, ток был ограничен до безопасного -не более 200мкА двумя сопротивлениями по 2мОм в каждой ветви. Т.е. общее сопротивление в цепи 4МОм. Это огромное сопротивление.
Выпрямитель подключается к нагрузочному потенциометру 10 МОм, с линейной характеристикой.
Рабочее напряжение снимается с движка потенциометра. Т.е. можно плавно изменять его на выходе от 0 до максимального при токе короткого замыкания не более 200мкА. Что совершенно безопасно. Я проверял свой прибор при максимальном напряжении (400В), прикладывая электроды на язык. Ощущений никаких.

Но самая главная часть прибора-это активный электрод. Это эластичная толстостенная резиновая трубка (я использовал кусочек катетера Фолея №24 немецкой фирмы Beromed) с очень маленьким отверстием в толстой стенке, которое надо очень аккуратно прожечь, например, раскалённой тонкой скрепкой. Внутри резиновой трубки находится голый провод (лучше всего использовать нихромовую проволоку от электроплитки, т.к. она хорошо противостоит коррозии), и вата, которая должна быть пропитана водой (лучше водой с азотнокислым серебром, можно хлористым кальцием, чтобы обеспечить хорошую проводимость). Необходимо правильно соблюдать полярность при подключении электродов к клеммам. Полярность вводимого иона должна совпадать с полярностью подключаемой клеммы.
Резиновая трубка (активный электрод) плотно прижимается отверстием, в которое вводится на острие заточенной спички или зубочистки лекарство, к поверхности больного зуба противоположным (оппозитным) зубом так, чтобы отверстие было изолировано от окружающей среды (слюны). Тогда ионам остаётся один путь-через отверстие в эмаль и далее в дентин, т.е. в твёрдую ткань зуба. При этом происходит проникновение ионов лекарства в ткани зуба. А они (ионы) делают своё дело внутри зуба-уничтожают микробов или не дают им размножаться, что фактически то же самое. При этом лекарственное вещество остаётся и постепенно, от сеанса к сеансу, накапливается в эмали и дентине (создаётся лекарственное депо), которое продолжает препятствовать размножению микробов в эмали и дентине многие годы, возможно десятилетия, как у меня, если сделано много сеансов.
В качестве пассивного электрода можно использовать обычную металлическую ложку, обёрнутую влажной марлей. Металл может быть любой.
Вводить надо ионы лекарства с одноимённого полюса, т.е. положительные- с положительного, а отрицательные-с отрицательного.

Установите регулятор напряжения на нуль, включите прибор.
Прижмите ложку, обёрнутую влажной марлей (лучше увлажнить её раствором хлоритстого кальция) к тому месту, где находится комочек с лекарством и плавно увеличивайте напряжение, следите за появлением слабой боли внутри зуба. Если боль появилась, это хорошо, значит пульпа жива. Держите ток на пределе переносимости боли. Боль будет постепенно стихать. Напряжение увеличивайте.
Желательно сеансы делать как можно чаще и дольше. Но не менее 15...20мин.

Йод (ионы) давно применяется в стоматологической практике при лечении корневых каналов (см. Л.Р. Рубин, "Физиотерапия", изд. "Медицина", Москва 1967 г. ). Йод спосбствует регенерации (восстановлению) тканей. Что касается тетрациклина и линкомицина, то они хорошо проникает в костные ткани и накапливается там. В нашем случае количество лекарства настолько незначительное, что такое лечение приближается к гомеопатическому по расходу лекарства. Эффект лечения получается от того, что это лекарство вводится в зуб точечно в область, подлежащую лечению.
Очень важно правильно установить на зуб активный электрод. При самостоятельном лечении нужно перед постановкой активного электрода на зуб тщательно осмотреть при помощи зеркала (или двух зеркал, если верхний зуб) место установки активного электрода. Аккуратно наложить его так, чтобы отверстие активногоэлектрода лежало на поверхности зуба, а после прижима активного электрода противоположным (оппозитным) зубом отверстие должно полностью герметично перекрыться. При плотном прилегании к зубу активного электрода (отверстие изолировано от слюны) ток будет очень небольшим, не более 20 мкА. Стоит чуть-чуть нарушить положение электрода (нарушается герметичность) и ток прыгнет до значения короткого замыкания (~150мкА) из-за попадания слюны. Этого бояться не надо, т.к. в этом режиме будет проходить обычный электрофорез-т.е. через слюну и мягкие ткани, и частично через зуб. Это тоже полезно.Изображение


Вернуться наверх
 
Не в сети
 Заголовок сообщения: Re: Ионный Шприц Сафронова.. Подскажите по схеме.
СообщениеДобавлено: Вт янв 28, 2014 21:51:58 
Друг Кота
Аватар пользователя

Карма: 55
Рейтинг сообщений: 668
Зарегистрирован: Вт сен 25, 2012 23:13:41
Сообщений: 5424
Откуда: г.Дзержинск Нижегородской обл.
Рейтинг сообщения: 0
А она и не будет работать.
И даже не советую её повторять.
ОПАСНО ДЛЯ ЖИЗНИ!!!
У нее нет гальванической развязки от электросети.
Попадете под фазовое напряжение, да еще с проводами во рту. В морге со смеху помрут.

_________________
Спасение утопающих дело рук самих утопающих.


Вернуться наверх
 
Не в сети
 Заголовок сообщения: Re: Ионный Шприц Сафронова.. Подскажите по схеме.
СообщениеДобавлено: Вт янв 28, 2014 22:12:53 
Открыл глаза

Зарегистрирован: Вс авг 04, 2013 00:12:45
Сообщений: 65
Рейтинг сообщения: 0
Изображение

Так правильно?


Вложения:
ИШ с удвоителем 222.jpg [108.11 KiB]
Скачиваний: 4151
Вернуться наверх
 
Не в сети
 Заголовок сообщения: Re: Ионный Шприц Сафронова.. Подскажите по схеме.
СообщениеДобавлено: Вт янв 28, 2014 22:28:49 
Друг Кота
Аватар пользователя

Карма: 197
Рейтинг сообщений: 8593
Зарегистрирован: Пн ноя 30, 2009 03:00:01
Сообщений: 43115
Откуда: Нерезиновая
Рейтинг сообщения: 0
Ерунда какая- то, а не схема.. Если НЕ ИСПОЛЬЗОВАТЬ разделительный трансформатор, то я бы не рискнул совать эту штуку в рот.. А если использовать- то зачем такие сложности- 2 диодных моста и 4 "лишних" конденсатора? После выпрямления из 220 вольт и так, без удвоения, 310 вольт получится... Правда, на выходе (на резисторе 10 МОм) 300 вольт не будет, перед ним ещё 2 х 2 МОм стоят.. Останется там примерно 220 вольт.. Потом, даже 400 вольт после выпрямителя, "пропущенные" через 2 резистора по 2 МОм, дадут ток всего 0,1 МИКРОАМПЕР!!!, а ни как не 150!! Вспомните закон Ома, и посчитайте!


Вернуться наверх
 
Эиком - электронные компоненты и радиодетали
Не в сети
 Заголовок сообщения: Re: Ионный Шприц Сафронова.. Подскажите по схеме.
СообщениеДобавлено: Вт янв 28, 2014 22:38:58 
Друг Кота
Аватар пользователя

Карма: 55
Рейтинг сообщений: 668
Зарегистрирован: Вт сен 25, 2012 23:13:41
Сообщений: 5424
Откуда: г.Дзержинск Нижегородской обл.
Рейтинг сообщения: 0
Draghkon писал(а):
Так правильно?

Да как не крути - всё равно это неправильно!
Для начала, конденсаторы, что подключены к диодным мостам, никогда не будут разряжаться, а значит, ток через них течь не будет.
У трансформатора тоже есть паразитная емкость между обмотками. Так что зубы повылазят из челюсти на раз!

В топку такие схемы!

_________________
Спасение утопающих дело рук самих утопающих.


Вернуться наверх
 
Не в сети
 Заголовок сообщения: Re: Ионный Шприц Сафронова.. Подскажите по схеме.
СообщениеДобавлено: Вт янв 28, 2014 23:09:47 
Друг Кота
Аватар пользователя

Карма: 197
Рейтинг сообщений: 8593
Зарегистрирован: Пн ноя 30, 2009 03:00:01
Сообщений: 43115
Откуда: Нерезиновая
Рейтинг сообщения: 0
Ну, "паразитная емкость" устраняется легко, достаточно просто трансформатор взять, с напряжением "пробоя" не менее 4 киловольт, как в любой медтехнике... в нём первичка и вторичка должны быть "разнесены" минимум на 4 - 5 миллиметров... (например, для П- образного магнитопровода- обмотки наматываются на разных "стержнях" сердечника...


Вернуться наверх
 
Не в сети
 Заголовок сообщения: Re: Ионный Шприц Сафронова.. Подскажите по схеме.
СообщениеДобавлено: Чт янв 30, 2014 18:22:53 
Открыл глаза

Зарегистрирован: Вс авг 04, 2013 00:12:45
Сообщений: 65
Рейтинг сообщения: 0
Спасибо, понятно.
А как исправить эту схему, кроме добавления гальванической развязки, чтобы она выдавала 300 (и более) вольт и не более 0.2-0.3мА ?


Вернуться наверх
 
Не в сети
 Заголовок сообщения: Re: Ионный Шприц Сафронова.. Подскажите по схеме.
СообщениеДобавлено: Чт янв 30, 2014 22:06:31 
Друг Кота
Аватар пользователя

Карма: 146
Рейтинг сообщений: 6065
Зарегистрирован: Чт июн 04, 2009 21:06:49
Сообщений: 36292
Откуда: г.Мариинск
Рейтинг сообщения: 0
Медали: 1
Лучший человек Форума 2017 (1)
Поставте перемычку между диодными мостами и всё заработает.

_________________
Тем кого не устаревает наличия ошибок в моем тексте, оставляю права не пользоваться моими советами или просто не читать мои сообщения.


Вернуться наверх
 
Не в сети
 Заголовок сообщения: Re: Ионный Шприц Сафронова.. Подскажите по схеме.
СообщениеДобавлено: Сб фев 01, 2014 23:42:33 
Друг Кота
Аватар пользователя

Карма: 55
Рейтинг сообщений: 668
Зарегистрирован: Вт сен 25, 2012 23:13:41
Сообщений: 5424
Откуда: г.Дзержинск Нижегородской обл.
Рейтинг сообщения: 0
Лучше не так.
Оставьте только один диодный мост, а конденсаторы уберите совсем, соединив мост с обмоткой напрямую. Естественно, наличие разделительного трансформатора обязательно.

_________________
Спасение утопающих дело рук самих утопающих.


Вернуться наверх
 
Не в сети
 Заголовок сообщения: Re: Ионный Шприц Сафронова.. Подскажите по схеме.
СообщениеДобавлено: Вт янв 13, 2015 09:23:52 
Открыл глаза

Зарегистрирован: Пн фев 09, 2009 22:53:06
Сообщений: 60
Рейтинг сообщения: 0
АлександрЛ писал(а):
Ерунда какая- то, а не схема.. Если НЕ ИСПОЛЬЗОВАТЬ разделительный трансформатор, то я бы не рискнул совать эту штуку в рот.. А если использовать- то зачем такие сложности- 2 диодных моста и 4 "лишних" конденсатора? После выпрямления из 220 вольт и так, без удвоения, 310 вольт получится... Правда, на выходе (на резисторе 10 МОм) 300 вольт не будет, перед ним ещё 2 х 2 МОм стоят.. Останется там примерно 220 вольт..

Потом, даже 400 вольт после выпрямителя, "пропущенные" через 2 резистора по 2 МОм, дадут ток всего 0,1 МИКРОАМПЕР!!!, а ни как не 150!! Вспомните закон Ома, и посчитайте!


АлександрЛ, садитесь - 2 по арифметике!
Не знаете закон Ома - сидите дома.
400V/4МОм=0.1мА=100мкА

Развязку от сети выполнить парой любых одинаковых трансов, соединенных меж собой вторичками.
В схеме - опечатка, более простая и надежная схема:
1 - трансформаторы,
2 - 1 диод (однополупериодный выпрямитель),
3 - кондер фильтра
4 - ограничитель тока R= 4 МОм
5 - потенциометр.

Для справки:
Пробник сети 220V (отвертка, внутри которой неонка и R=2МОм)
ограничивает ток через руку электрика до 150мкА.

Поражение человека электротоком происходит при превышении порога выделяемой мощности = 3 ВА.
300В * 150мкА = 0.045 ВА


Последний раз редактировалось FIDER Вт янв 13, 2015 10:12:08, всего редактировалось 8 раз(а).

Вернуться наверх
 
Не в сети
 Заголовок сообщения: Re: Ионный Шприц Сафронова.. Подскажите по схеме.
СообщениеДобавлено: Вт янв 13, 2015 09:34:20 
Это не хвост, это антенна
Аватар пользователя

Карма: 39
Рейтинг сообщений: 257
Зарегистрирован: Вс дек 11, 2011 05:43:30
Сообщений: 1327
Откуда: Екатеринодар
Рейтинг сообщения: 0
Таких "изобретателей" изолировать надо, в психбольнице. И лечить электрошоком.
...интересно, сколько людей этот Сафронов убьет своей схемой?


Вернуться наверх
 
Не в сети
 Заголовок сообщения: Re: Ионный Шприц Сафронова.. Подскажите по схеме.
СообщениеДобавлено: Вт янв 13, 2015 09:44:40 
Друг Кота
Аватар пользователя

Карма: 182
Рейтинг сообщений: 8322
Зарегистрирован: Пт фев 04, 2011 17:57:51
Сообщений: 20012
Откуда: Рыбинск
Рейтинг сообщения: 0
Медали: 1
Лучший человек Форума 2017 (1)
Draghkon писал(а):
самодельное устройство для электрофореза зубов с целью излечения от кариеса
А простой дрелью или дремелем никто не предлагал этот кариес дома лечить, или такое на ум не придет? Так то ничего сложного на первый взгляд - сверли да замазывай дырки, и зачем люди столько учатся на стоматологов? Как ток может лечить поврежденные кариесом ткани зуба, читай уже мертвые?
К стоматологу на прием запишитесь перед тем как попробуете ЭТО, после воздействия тока на больные зубы помощь настоящего специалиста потребуется точно...


Вернуться наверх
 
Не в сети
 Заголовок сообщения: Re: Ионный Шприц Сафронова.. Подскажите по схеме.
СообщениеДобавлено: Вт янв 13, 2015 10:19:32 
Открыл глаза

Зарегистрирован: Пн фев 09, 2009 22:53:06
Сообщений: 60
Рейтинг сообщения: 0
conler писал(а):
Таких "изобретателей" изолировать надо, в психбольнице. И лечить электрошоком.
...интересно, сколько людей этот Сафронов убьет своей схемой?

До настоящего времени - ни одного, иначе бы не было патента и блога.
http://de.exrus.eu/object-id5142f4466ccc191368000bfa


Последний раз редактировалось FIDER Вт янв 13, 2015 11:01:21, всего редактировалось 1 раз.

Вернуться наверх
 
Не в сети
 Заголовок сообщения: Re: Ионный Шприц Сафронова.. Подскажите по схеме.
СообщениеДобавлено: Вт янв 13, 2015 10:33:02 
Открыл глаза

Зарегистрирован: Пн фев 09, 2009 22:53:06
Сообщений: 60
Рейтинг сообщения: 0
Martin76 писал(а):
К стоматологу на прием запишитесь перед тем как попробуете ЭТО, после воздействия тока на больные зубы помощь настоящего специалиста потребуется точно...

Стоматологи очень разные. Многие - дырки сверлят на автопилоте, очень не многие думают - зачем ?
Глас народа о пародонтозе и его лечении купралом (гидроокись меди кальция).
http://www.forum.nedug.ru/threads/33981 ... .VJVOOcAJA
Официальная информация.
http://www.depoforez.ru/9.htm
Для справки.
Депофорез Кнапвоста применяется в Германии с 1995 г по настоящее время.
В России в настоящее время очень не многие стоматологи знают о лекарстве Купрал.
Причина?
Cкорость добывания денег в единицу времени и степень ответственности.
Гораздо проще быстрей выдернуть зуб, установить имплант или залепить пломбой - 1-2-3 посещения.
Лечение стариков с пародонтозом - 10-20 посещений, а на выходе - меньшие деньги и недовольный пациент.

Заслуга Сафронова в том, что при электрофорезе без вскрытия зуба, корень остается живой.
Напряжение 300V необходимо, чтобы прошибить, насытить ионами эмаль зуба снаружи и изнутри.
Неизбежно лечебный препарат - попадет и на десну и в десну, т.к. трубка с дыркой - шприц Сафронова - не герметичный, неизбежна поверхностная проводимость.

У Кнапвоста зуб вскрывается, корень убивается, рассверливается отверстие в канале зуба, заполняется пастой купрал, гальванинизируется от 25 В при токе 1мА. В результате корень изнутри покрывается медью и кальцием. Это упрощенная схема, в реале более сложные хим процессы.
Очень может быть, что купрал - гидроокись меди кальция - CuCa(OH)2 .
Это Бордосская жидкость, применяемая в садоводстве (известь гашеная + купорос медный)


Вернуться наверх
 
Не в сети
 Заголовок сообщения: Re: Ионный Шприц Сафронова.. Подскажите по схеме.
СообщениеДобавлено: Сб янв 17, 2015 14:55:22 
Открыл глаза

Зарегистрирован: Пн фев 09, 2009 22:53:06
Сообщений: 60
Рейтинг сообщения: 0
Draghkon, чем закончилась Ваша история?
Пародонтит - это надолго, на всю жизнь. В ветеринании это заболевание считается неизлечимым.

В схеме принципиальная ошибка - два транса просто необходимы для надежности.

Главное открытие автора:
1 - это... медная проволока в ионном шприце
2 - электрофорез постоянным напряжением 300V_100 мкА

Постоянное напряжение 12V...30V_1000 мкА, использующееся в большинстве устройств для электрофореза, не прошибает эмаль зуба, дентин без вскрытия. Микробы сидят внутри зуба, в корне - вот в чем проблема.

Радиолюбители идею поймут сразу. Чем травится фольгированный текстолит?
Правильно - повареной солью NaCl, хлорным железом FeCl3, медным купоросом CuSO4 и др ...
Во всех методах травления медь уходит в раствор, выпадает в осадок.
А если к раствору подать постоянное напряжение, то травиться медь будет еще шустрей.
Свободная медь из раствора осядет на электроде - гальванизация называется.
Вот и весь секрет.

Тема - Живая и мертвая вода (Гидролиз воды).
04.04.2011
Viktoor
«Прикиньте сами, стали бы на аноды платину переводить, если можно было бы их из нержавейки штамповать. Даже золото не выдерживает окислительных анодных процессов
Образующаяся в аппарате гидроокись тяжелых металлов */Кнаппвост - гидроокись меди Cu(OH)2 /* в воде выпадает в виде объемного коллоидного осадка в котором сухого вещества очень мало, поэтому и уменьшение толщины анода из нержавейки трудно заметить»
http://biorezonans.3bb.ru/viewtopic.php?id=140


Если в обычную водопроводную воду воткнуть два лезвия и подать 220V вода закипит, будет запах хлора.
Если к обычной воде приложить постоянное напряжение, то будет электролиз - живая и мертвая вода, соответственно - кислотная и щелочная среда. Этих составляющих нет в списке лекарств "Ионного шприца", но действие на электрофорез кислотная и щелочная среда окажут.

Лечение без лекарств.

«Наиболее широкое применение при лечении корневых каналов в стоматологической практике находила анодная стерилизация [1, 6].
При этой методике не использовались лекарственные вещества.
В качестве активного электрода в канал вводится анод, при электрической диссоциации тканевой жидкости в канале образуются
1. хлор,
2. соляная и хлорноватистая кислоты,
3. кислород.
Соляная и хлорноватистая кислоты также диссоциируют, дополнительно выделяя хлор.
В сущности метод представляет собой своеобразную хлоротерапию.»

Недостатком метода является повышение кислотности в периапексе, которое способствует воспалительным процессам в связи с образованием водородных ионов.

http://bd.patent.su/2189000-2189999/pat ... t4d55.html


Когда в "Ионный шприц" заливается водный раствор нитрата серебра ( Ag NO3) или хлорида кальция (Ca Cl₂ ), то медь проволоки диаметром 0.8 мм вступает в реакцию, тем более, что к раствору приложено постоянное напряжение. Т.е. идет реакция гальванизации зуба и десны медью.
Катетер Фолея - "Ионный шприц" используется ежедневно 10..20 минут в течение месяца, так что медь неизбежно в скрытом виде участвует в процессе лечения.

Напрашивается серебряная ложка - серебрение зубов, процедура, применяемая в стоматологии в настоящее время. Так или сяк, прилипнут ионы серебра к зубу, к десне - погоняют микробов.

Препараты, применяемые в инструкции для электрофореза "Ионным шприцом":
1 - C22 H24N2O8 - тетрациклин (анод - шприц),
2 - Ag NO3 - нитрат серебра (анод - шприц),
3 - Ca Cl₂ - хлорид кальция (анод, катод - шприц и /или ложка),
4 - K (I3) – спиртовый раствор йода (катод - шприц)
(трийодид калия в водном растворе этилового спирта).
http://otvet.mail.ru/question/54879345
Варианты электрофореза.
1 - C22 H24N2O8 - анод (шприц), Ca Cl₂ - катод (ложка).
Анионы углерода С+ из тетрациклина на шприце (анод) идут в зуб.
Катионы хлора Cl- из хлорида кальция на ложке (катод) идут в десну.
2 - Ag NO3 - анод (шприц), Ca Cl₂ - катод (ложка).
Анионы серебра Ag+ из нитрата серебра на шприце (анод) идут в зуб.
Катионы хлора Cl- из хлорида кальция на ложке (катод) идут в десну.
3 - Ca Cl₂ - анод (шприц), Ca Cl₂ - катод (ложка).
Анионы кальция Са+ из хлорида кальция на шприце (анод) идут в зуб.
Катионы хлора Cl- из хлорида кальция на ложке (катод) идут в десну.
4 - (I3) - катод (шприц), Ca Cl₂ - анод (ложка).
Катионы йода I- из трийодида калия на шприце (катод) идут на зуб.
Анионы кальция Са+ из CaCl₂ на ложке (анод) идут в десну.
Вывод.
Варианты 1,2,3 гальванизция десны катионами Cl-, вариант 4 - анионами Ca+.
Варианты 1,2,3,4 гальванизация зуба анионами С+, Ag+, Ca+ и катионами I-.

Эту же идею использует Кнапповост, когда СаСu(OH)2 заливает, гальванизирует в корне распиленого зуба.
Процесс во время депофореза Кнаппвоста
«Ионы гидроксокупрата [ Cu(OH)4] 2- и гидроксильные ионы OH-
из гидроокиси меди-кальция CuСa(OH)2 проходят через канал и оседают внутри и перед отверстиями. Там происходит распад иона гидроксокупрата и превращение его в плохорастворимую гидроокись меди Cu(OH)2.
• Тканевая жидкость из периапикальной области в результате электроосмоса через дельту канала втягивается в полость зуба.
• Выступающую жидкость убирают с помощью ватного тампона, ни в коем случае жидкость не должна вытекать за края коронки. Образуются пузырьки воздуха. Их количество уменьшают, производя легкие вращательные движения электродом.
• Органическое содержимое каналов превращается в стерильный протеолизат…»
http://clubdent.narod.ru/profess/bibliot/pages/010.htm

Т.е. электрофорез выполняет роль насоса, вкачивает в зуб лечебный препарат.

Из других источников.

«Канон врачебной науки» - перевод с арабского Абу Али Ибн Сина (Авиценна)

"[Ярь-медянка] очищает и разъедает как твердое, так и мягкое мясо; [она] острая, но восковая мазь придает ей умеренность и делает ее высушивающей без жжения. Ржавчина железа с уксусом укрепляет десны; из нее, а также из ярь-медянки приготовляют восковую мазь от опухолей десен. "
http://www.bibliotekar.ru/ibn/3/21.htm

Гомеопатическая ММ.
Азотнокислое серебро, нитрат серебра, AgNO3.
«Десны отечные, воспаленные, легко кровоточат, болезненные при прикосновении. Десны чувствительны к прикосновению и легко кровоточат, но без отечности и болезненности… Чувствительность зубов к холодной воде.
Боль в зубах, возникающая при жевании, от холодной или кислой еды и питья.»
http://homeopat-sam.com/Argentum%20nitricum/a96
http://www.travolekar.ru/articles/hom_p ... rg_nit.htm

«Применяемый при лечении язвы желудка нитрат серебра, растворяясь, образует, кроме полезных ионов, и яд - азотную кислоту
http://biorezonans.3bb.ru/viewtopic.php ... &p=4#220_6

Описание действия настойки йода в гомеопатической дозе.
Iodum – химическмй элемент Йод. Препарат готовят из настойки.
«Давящая боль в молярах. Зубы желтые, по утрам покрыты слизью, легко затупляются под воздействием растительных кислот. Воспаление, отечность и кровоточивость десен в сочетании с отеком щеки; десны болезненные при касании. Зубы шатаются. Размягчение десен.»
http://homeopat-sam.com/Iodum%20%28%D0% ... D0%B4/a114
http://www.travolekar.ru/articles/hom_p ... iodium.htm

Электрофорез йодом.
"Известен и нашел широкое распространение в эндодонтии способ йод-электрофореза корневых каналов, который был предложен Берхардом в 1931 г. В нашей стране йод-электрофорез применялся по методу Л. Рубина, предложенному в 1951 году [2] . Проведенные исследования подтвердили эффективность этого метода. Ионы йода, вошедшие в дентинные канальцы, становятся химически активными и разлагают воду, в результате химической реакции получается свободный кислород, который резко повышает диссимиляционные процессы, разрушает клеточные вещества. Кроме того, йод обладает бактерицидным действием.
Однако исследования макропрепаратов, проведенные в 1982 г. доказали, что йод проникает только до половины длины канала, причем его проникновение неравномерно по всей толще канала и вопрос о стерильности канала оставался открытым [3].
Кроме того, главным и существенным недостатком всех методов лечения корневых каналов с помощью электрофореза заключалось в том, что не удавалось создать длительно действующего запаса (депо) лекарственного вещества, вводимого с помощью электрического тока."
http://bd.patent.su/2189000-2189999/pat … t4d55.html


Последний раз редактировалось FIDER Вс янв 18, 2015 12:31:09, всего редактировалось 8 раз(а).

Вернуться наверх
 
Не в сети
 Заголовок сообщения: Re: Ионный Шприц Сафронова.. Подскажите по схеме.
СообщениеДобавлено: Сб янв 17, 2015 16:13:06 
Открыл глаза

Зарегистрирован: Вс авг 04, 2013 00:12:45
Сообщений: 65
Рейтинг сообщения: 0
Долгое время прибором не пользовался, пробовал несколько раз, поэтому про эффект или его отсутствие говорить не стану. Парадонтита\парадонтоза у меня слава богу нету, просто часто возникает кариес а хороший стоматолог нынче не дешев, выходит от 3 тыс за зуб, а если с пульпитом, то и все 8 можно выложить.. в свои 25 уже почти половина зубов с пломбами. так что хотел с помощью этого устройства попробовать залечить кариес, понятно, что омертвевшая ткань никуда не денется, но если бы можно было "законсервировать" зуб в таком состоянии, это меня вполне бы устроило. передние зубы к счастью хорошие, а задних не видно, главное чтобы не болели.


Вернуться наверх
 
Не в сети
 Заголовок сообщения: Re: Ионный Шприц Сафронова.. Подскажите по схеме.
СообщениеДобавлено: Сб янв 17, 2015 18:35:16 
Открыл глаза

Зарегистрирован: Пн фев 09, 2009 22:53:06
Сообщений: 60
Рейтинг сообщения: 0
Draghkon, Большое спасибо за обнародование письма Александра Сафронова.
Поисковик вывел на эту тему.
Главное, что Вы живы и здоровы!

Форум позволяет избежать фатальных ошибок.
Пародонтит - болячка стариков, старше 50 лет.
Так что мотай на ус, перенимай опыт, пока зубы все на месте.

Мне приговор парадонтит вынесли в 28 лет.
Почистили камни на зубах, поставили 1 пломбу, сказали, что все очень плохо.
Надо чистить камни 2 раз в год, каждый год.
Я забил на ежегодную чистку и посещение пародонтолога, второй раз почистил камни через 19 лет.
За это время ни один зуб не выпал, только 3 раза пломбу на коренном зубе ставил, она все время выпадает. Проблема с зубами появилась последние 3 года, зубы стали качаться то один, то другой.
Стоматологи вскользь предлагают посетить пародонтолога или выдернуть сразу.
Конечно, никто не соглашается долго возиться, на этом лечение и оканчивается.

Я так думаю, что материал современных пломб рассчитан на 3-5 лет, чтоб клиент не убежал далеко.
В армии 1983 году, мне поставили бесплатно серебряную пломбу.
Она до сих пор (30лет!) держится.
Стоматологам такие пломбы не выгодны, поэтому их запретили, якобы они вредные.

Есть такое средство - КоллапАн
Коллапан состоит из гидроксиапатита, коллагена и лекарственного средства:
(линкомицина гидрохлорида, гентамицина сульфата, метронидазола, диоксидина, клафорана, рифампицина, изониазида).
Лекарственная добавка выбирается по вкусу.
http://poisklekarstva.ru/medlist.php?id=29943
https://www.youtube.com/watch?v=OHxYlTFVLC4
Добавки антибиотиков, как правило, вредные.
Зубы починят, уши оглохнут, поди докажи, да и чего доказывать...
Потеря слуха если не восстанавливается в течение 36 часов, то поезд ушел - нервные клетки не оживают.
http://z-l.com.ua/ru/article/229

Вроде бы есть зубная паста с гидроксиаппатитом кальция
http://forum.aromarti.ru/showthread.php?t=9189


Вернуться наверх
 
Не в сети
 Заголовок сообщения: Re: Ионный Шприц Сафронова.. Подскажите по схеме.
СообщениеДобавлено: Пн июн 22, 2015 21:59:08 
Родился

Зарегистрирован: Пн июн 22, 2015 21:39:44
Сообщений: 2
Рейтинг сообщения: 0
FIDER писал(а):
АлександрЛ писал(а):
Ерунда какая- то, а не схема.. Если НЕ ИСПОЛЬЗОВАТЬ разделительный трансформатор, то я бы не рискнул совать эту штуку в рот.. А если использовать- то зачем такие сложности- 2 диодных моста и 4 "лишних" конденсатора? После выпрямления из 220 вольт и так, без удвоения, 310 вольт получится... Правда, на выходе (на резисторе 10 МОм) 300 вольт не будет, перед ним ещё 2 х 2 МОм стоят.. Останется там примерно 220 вольт..

Потом, даже 400 вольт после выпрямителя, "пропущенные" через 2 резистора по 2 МОм, дадут ток всего 0,1 МИКРОАМПЕР!!!, а ни как не 150!! Вспомните закон Ома, и посчитайте!


АлександрЛ, садитесь - 2 по арифметике!
Не знаете закон Ома - сидите дома.
400V/4МОм=0.1мА=100мкА

Развязку от сети выполнить парой любых одинаковых трансов, соединенных меж собой вторичками.
В схеме - опечатка, более простая и надежная схема:
1 - трансформаторы,
2 - 1 диод (однополупериодный выпрямитель),
3 - кондер фильтра
4 - ограничитель тока R= 4 МОм


5 - потенциометр.

Для справки:
Пробник сети 220V (отвертка, внутри которой неонка и R=2МОм)
ограничивает ток через руку электрика до 150мкА.

Поражение человека электротоком происходит при превышении порога выделяемой мощности = 3 ВА.
300В * 150мкА = 0.045 ВА

Всем Добрый вечер! Дайте пожалуйста правильную схему ионного шприца сафронова. все собрал, диодные мосты соединил и все равно нет 300 в. на выходе ( мультиметр показывает 110 в. при сопротивления в1 Мом а если 2Мом то не более 80 в.) Если можно с полным расчетом что чем удваивается, чем понижается и.т.д . просто я в этом деле полный профан. все огромное спасибо!!!


Вернуться наверх
 
Не в сети
 Заголовок сообщения: Re: Ионный Шприц Сафронова.. Подскажите по схеме.
СообщениеДобавлено: Пн июн 22, 2015 23:04:34 
Друг Кота
Аватар пользователя

Карма: 146
Рейтинг сообщений: 6065
Зарегистрирован: Чт июн 04, 2009 21:06:49
Сообщений: 36292
Откуда: г.Мариинск
Рейтинг сообщения: 0
Медали: 1
Лучший человек Форума 2017 (1)
romin писал(а):
мультиметр показывает 110 в. при сопротивления в1 Мом а если 2Мом то не более 80 в.

У вас мультиметр садит напряжение, у него входное сопротивление около 1М. Там надо измерять напряжение электронным вольтметром с входным сопротивлением не меньше 100М.
А лучше измерять ток.

_________________
Тем кого не устаревает наличия ошибок в моем тексте, оставляю права не пользоваться моими советами или просто не читать мои сообщения.


Вернуться наверх
 
Не в сети
 Заголовок сообщения: Re: Ионный Шприц Сафронова.. Подскажите по схеме.
СообщениеДобавлено: Пн июн 22, 2015 23:18:08 
Родился

Зарегистрирован: Пн июн 22, 2015 21:39:44
Сообщений: 2
Рейтинг сообщения: 0
Телекот писал(а):
romin писал(а):
мультиметр показывает 110 в. при сопротивления в1 Мом а если 2Мом то не более 80 в.

У вас мультиметр садит напряжение, у него входное сопротивление около 1М. Там надо измерять напряжение электронным вольтметром с входным сопротивлением не меньше 100М.
А лучше измерять ток.

Спасибо за ответ! Если честно сказать , то я мало в этом понимаю, и мне тогда не понятно , что как и чем мерить,если можно более подробно расписать с расчетами, а то я совсем запутался! Спасибо!!


Последний раз редактировалось aen Пн июн 22, 2015 23:26:47, всего редактировалось 1 раз.
Нарушение Правил форума п. 2.7


Вернуться наверх
 
Показать сообщения за:  Сортировать по:  Вернуться наверх
Начать новую тему Ответить на тему  [ Сообщений: 23 ]  1,  

Часовой пояс: UTC + 3 часа


Кто сейчас на форуме

Сейчас этот форум просматривают: нет зарегистрированных пользователей и гости: 60


Вы не можете начинать темы
Вы не можете отвечать на сообщения
Вы не можете редактировать свои сообщения
Вы не можете удалять свои сообщения
Вы не можете добавлять вложения

Найти:
Перейти:  


Powered by phpBB © 2000, 2002, 2005, 2007 phpBB Group
Русская поддержка phpBB
Extended by Karma MOD © 2007—2012 m157y
Extended by Topic Tags MOD © 2012 m157y