Например TDA7294

Форум РадиоКот • Просмотр темы - Выходное сопротивление стабилизатора
Форум РадиоКот
Здесь можно немножко помяукать :)

Текущее время: Чт янв 01, 2026 20:16:14

Часовой пояс: UTC + 3 часа


ПРЯМО СЕЙЧАС:



Начать новую тему Ответить на тему  [ Сообщений: 35 ]  1,  
Автор Сообщение
Не в сети
 Заголовок сообщения: Выходное сопротивление стабилизатора
СообщениеДобавлено: Ср ноя 19, 2014 23:54:06 
Родился

Зарегистрирован: Вс ноя 16, 2014 16:52:07
Сообщений: 12
Рейтинг сообщения: 0
Всем привет, пытаюсь спроектировать компенсационный стабилизатор для источника питания, знаю точно, что мне нужен стабилизатор с последовательным включением регулирующего элемента. Но есть загвоздка - сопротивление нагрузки варьируется от Ом до кОм, а ошибка стабилизации очень ограничена, поэтому мне нужен транзистор (или несколько) с очень маленьким выходным сопротивлением меньше 0.01 Ом.

Так вот, преподаватель сказал, что есть общие формулы, по которым можно рассчитать выходное сопротивление транзистора через его h параметр, нигде не могу найти эти формулы, может кто подскажет?


Вернуться наверх
 
Не в сети
 Заголовок сообщения: Re: Выходное сопротивление транзистора
СообщениеДобавлено: Чт ноя 20, 2014 06:54:06 
Друг Кота

Карма: 68
Рейтинг сообщений: 1408
Зарегистрирован: Сб янв 29, 2011 00:28:48
Сообщений: 7774
Рейтинг сообщения: 0
транзистор выбирается по мощностным параметрам, а выходное сопротивление всего стабилизатора 0,01 Ом определит уже коэффициент усиления усилителя ошибки в цепи обратной связи (как известно, параллельная по выходу ООС (т.е. по напряжению) снижает выходное сопротивление в Ку раз). Но при этом ещё и надо не забыть с каких точек снимать это самое напряжение ОС (с самой нагрузки, "четырёхпроводная схема подключения"), иначе сопротивление проводников от стабилизатора до нагрузки испортят картину.
Выходное сопротивление транзисторного каскада - это где про СОЭ, СОК....
Практически - сопротивление выхода операционника, допустим, 100 Ом, идёт на выход составного ЭмитПовт (Вст=500), 100/500=0,2 Ома, это выходное сопротивление без учёта ООС, так что имея Ку усилителя ошибки (с учётом делителя ОС) всего 20 уже укладываемся, а операционник в цепи ОС даст такое усиление с большим запасом....Стабильность опорного напряжения тоже надо обеспечить....


Вернуться наверх
 
Не в сети
 Заголовок сообщения: Re: Выходное сопротивление транзистора
СообщениеДобавлено: Сб ноя 22, 2014 02:48:10 
Родился

Зарегистрирован: Вс ноя 16, 2014 16:52:07
Сообщений: 12
Рейтинг сообщения: 0
Enman писал(а):
транзистор выбирается по мощностным параметрам, а выходное сопротивление всего стабилизатора 0,01 Ом определит уже коэффициент усиления усилителя ошибки в цепи обратной связи (как известно, параллельная по выходу ООС (т.е. по напряжению) снижает выходное сопротивление в Ку раз). Но при этом ещё и надо не забыть с каких точек снимать это самое напряжение ОС (с самой нагрузки, "четырёхпроводная схема подключения"), иначе сопротивление проводников от стабилизатора до нагрузки испортят картину.
Выходное сопротивление транзисторного каскада - это где про СОЭ, СОК....
Практически - сопротивление выхода операционника, допустим, 100 Ом, идёт на выход составного ЭмитПовт (Вст=500), 100/500=0,2 Ома, это выходное сопротивление без учёта ООС, так что имея Ку усилителя ошибки (с учётом делителя ОС) всего 20 уже укладываемся, а операционник в цепи ОС даст такое усиление с большим запасом....Стабильность опорного напряжения тоже надо обеспечить....


Это я примерно знал, но меня интересует есть ли какие-то формулы по которым можно найти выходное сопротивление самого транзистора через его h параметры?



Вам нужно прочитать Правила форума.
Нарушение Правил форума п. 2.7
aen


Вернуться наверх
 
Не в сети
 Заголовок сообщения: Re: Выходное сопротивление транзистора
СообщениеДобавлено: Сб ноя 22, 2014 06:56:31 
Друг Кота
Аватар пользователя

Карма: 97
Рейтинг сообщений: 1584
Зарегистрирован: Чт янв 26, 2012 14:44:34
Сообщений: 3737
Рейтинг сообщения: 0
Медали: 1
Мявтор 3-й степени (1)
Для определения выходного сопротивления транзистора не нужны h-параметры, а нужно почитать умные книжки, Титце-Шенка, например. Из них можно узнать, что для кремниевого биполярного транзистора в схеме эмиттерного повторителя выходное сопротивление практически равно Ut/Iэ, где Ut - температурный потенциал, равный 0.026В, а Iэ - ток эмиттера. Для полевого транзистора выходное сопротивление в схеме повторителя равно 1/S, где S - крутизна.

_________________
Like the eyes of a cat in the black and blue...


Вернуться наверх
 
Эиком - электронные компоненты и радиодетали
Не в сети
 Заголовок сообщения: Re: Выходное сопротивление транзистора
СообщениеДобавлено: Пн ноя 24, 2014 22:01:04 
Это не хвост, это антенна
Аватар пользователя

Карма: 17
Рейтинг сообщений: 227
Зарегистрирован: Вс май 13, 2012 00:01:54
Сообщений: 1450
Рейтинг сообщения: 0
Зафиксируем потенциал на выводе базы. Напряжение на эмиттере будет меняться за счет падения напряжения на активном
сопротивлении базы от тока базы.

Rвых = dVэ/dIэ по определению.

dVэ = Rб*dIб как сказано выше.

dIэ = dIк + dIб = dIб * B + dIб где B - коэфф. усил. тр-ра в схеме с ОЭ

---> Rвых = Rб*dIб / dIб(B+1) = Rб / (B+1)


Вернуться наверх
 
Не в сети
 Заголовок сообщения: Re: Выходное сопротивление транзистора
СообщениеДобавлено: Пн ноя 24, 2014 22:29:49 
Друг Кота
Аватар пользователя

Карма: 97
Рейтинг сообщений: 1584
Зарегистрирован: Чт янв 26, 2012 14:44:34
Сообщений: 3737
Рейтинг сообщения: 0
Медали: 1
Мявтор 3-й степени (1)
Ariadna-on-Line, вы забыли учесть "сопротивление тела эмиттера", величину, равную Ut/Iэ, а, ведь, именно она и дает основной вклад в выходное сопротивление повторителя, особенно при малых токах эмиттера.

_________________
Like the eyes of a cat in the black and blue...


Вернуться наверх
 
Не в сети
 Заголовок сообщения: Re: Выходное сопротивление транзистора
СообщениеДобавлено: Вт ноя 25, 2014 23:31:06 
Это не хвост, это антенна
Аватар пользователя

Карма: 17
Рейтинг сообщений: 227
Зарегистрирован: Вс май 13, 2012 00:01:54
Сообщений: 1450
Рейтинг сообщения: 0
Нет, не забыл. Знаю (немного) про эти квантовые фокусы. Но они имеют место при экзотических режимах, типа режима микротоков или режима насыщения, когда параметры транзистора испытывают сильную нелинейность. В нормальной схеме эти эффекты просто спрячутся в табличные значения Rб или В или т.п. Не стоит лезть в тонкости без особой нужды, мне думается.


Вернуться наверх
 
Не в сети
 Заголовок сообщения: Re: Выходное сопротивление транзистора
СообщениеДобавлено: Ср ноя 26, 2014 00:10:06 
Друг Кота
Аватар пользователя

Карма: 97
Рейтинг сообщений: 1584
Зарегистрирован: Чт янв 26, 2012 14:44:34
Сообщений: 3737
Рейтинг сообщения: 0
Медали: 1
Мявтор 3-й степени (1)
Да какие там тонкости, это - один из основных параметров. Возьмите любую приличную книжку, того же Титце-Шенка, например. Они там только крутизной и оперируют (S=Iк/Ut), причем считают ток коллектора равным току эмиттера.
СпойлерИзображение
----------
Изображение
Вложение:
Tsh1.png [88.38 KiB]
Скачиваний: 930
Вложение:
TSh2.png [103.43 KiB]
Скачиваний: 942

_________________
Like the eyes of a cat in the black and blue...


Вернуться наверх
 
Не в сети
 Заголовок сообщения: Re: Выходное сопротивление транзистора
СообщениеДобавлено: Вс ноя 30, 2014 01:20:16 
Родился

Зарегистрирован: Вс ноя 16, 2014 16:52:07
Сообщений: 12
Рейтинг сообщения: 0
El-Eng писал(а):
СпойлерДля определения выходного сопротивления транзистора не нужны h-параметры, а нужно почитать умные книжки, Титце-Шенка, например. Из них можно узнать, что для кремниевого биполярного транзистора в схеме эмиттерного повторителя выходное сопротивление практически равно Ut/Iэ, где Ut - температурный потенциал, равный 0.026В, а Iэ - ток эмиттера. Для полевого транзистора выходное сопротивление в схеме повторителя равно 1/S, где S - крутизна.


А как узнать ток эмиттера? Во всех справочниках по транзисторам указывают только максимальный ток коллектора, как я понимаю ток эмиттера практически равен току коллектора, но если так считать, то получается что у выбранного мной транзистора максимальный ток коллектора равен 15А > ток эммитера так же 15А > 0.026В/15А = 0.00173 Ом, но везде пишут что выходное сопротивление транзистора при включении с ОК примерно 10-100 Ом, что-то явно не сходится.


Вернуться наверх
 
Не в сети
 Заголовок сообщения: Re: Выходное сопротивление транзистора
СообщениеДобавлено: Вс ноя 30, 2014 02:32:16 
Друг Кота

Карма: 27
Рейтинг сообщений: 206
Зарегистрирован: Чт ноя 26, 2009 11:16:50
Сообщений: 6015
Откуда: Москва
Рейтинг сообщения: 0
spiller
Для больших токов нужно учесть как минимум сопротивления выводов (можно попробовать найти в справочнике).


Вернуться наверх
 
Не в сети
 Заголовок сообщения: Re: Выходное сопротивление транзистора
СообщениеДобавлено: Вс ноя 30, 2014 02:44:52 
Сверлит текстолит когтями
Аватар пользователя

Карма: 22
Рейтинг сообщений: 110
Зарегистрирован: Вс сен 25, 2005 10:07:31
Сообщений: 1219
Откуда: Россия.
Рейтинг сообщения: 0
spiller писал(а):
А как узнать ток эмиттера?
Вы пошли не по тому пути.
В данной теме только один правильный пост, это второй по счету.
Enman писал(а):
транзистор выбирается по мощностным параметрам, а выходное сопротивление всего стабилизатора 0,01 Ом определит уже коэффициент усиления усилителя ошибки в цепи обратной связи (как известно, параллельная по выходу ООС (т.е. по напряжению) снижает выходное сопротивление в Ку раз). Но при этом ещё и надо не забыть с каких точек снимать это самое напряжение ОС (с самой нагрузки, "четырёхпроводная схема подключения"), иначе сопротивление проводников от стабилизатора до нагрузки испортят картину.
Выходное сопротивление транзисторного каскада - это где про СОЭ, СОК....
Практически - сопротивление выхода операционника, допустим, 100 Ом, идёт на выход составного ЭмитПовт (Вст=500), 100/500=0,2 Ома, это выходное сопротивление без учёта ООС, так что имея Ку усилителя ошибки (с учётом делителя ОС) всего 20 уже укладываемся, а операционник в цепи ОС даст такое усиление с большим запасом....Стабильность опорного напряжения тоже надо обеспечить....
Вот вдумайтесь в него и считайте свой стабилизатор.

Во всех остальных постах написали полнейшую ерунду. Они как бы правильные, но не имеют никакого отношения к вашему вопросу.


Вернуться наверх
 
Не в сети
 Заголовок сообщения: Re: Выходное сопротивление транзистора
СообщениеДобавлено: Вс ноя 30, 2014 03:34:39 
Друг Кота

Карма: 27
Рейтинг сообщений: 206
Зарегистрирован: Чт ноя 26, 2009 11:16:50
Сообщений: 6015
Откуда: Москва
Рейтинг сообщения: 0
Все верно, при наличии усилителя ошибки и ООС она будет иметь решающее влияние на выходное сопротивление (этот вариант логичнее, исходя из значения выходного тока).
При отстутствии усилителя ошибки (стабилитрон - составной (?) транзистор) не будет ООС и ее влияния. Схему в студию, ну или полное техзадание (курсовик?)


Вернуться наверх
 
Не в сети
 Заголовок сообщения: Re: Выходное сопротивление транзистора
СообщениеДобавлено: Вс ноя 30, 2014 14:00:37 
Друг Кота
Аватар пользователя

Карма: 97
Рейтинг сообщений: 1584
Зарегистрирован: Чт янв 26, 2012 14:44:34
Сообщений: 3737
Рейтинг сообщения: 0
Медали: 1
Мявтор 3-й степени (1)
spiller писал(а):
А как узнать ток эмиттера?
Ток эмиттера, это ток, который течет через эмиттер (ток нагрузки). Внезапно, правда? :) (Кэп, молчать! :))) ) Да, выходное сопротивление ЭП зависит от тока нагрузки. Именно это и есть главная проблема схемы простейшего стабилизатора на транзисторе со стабилитроном. И устраняют ее как раз усилителем с петлей ООС.
spiller писал(а):
выходное сопротивление транзистора при включении с ОК примерно 10-100 Ом...
Так и есть для токов порядка миллиампера. Если у вас мощный транзистор с малым В и/или высокоомный источник в цепи базы, то нужно добавить компонент, о котором написал Ariadna-on-Line.
Дмитрий писал(а):
Они как бы правильные, но не имеют никакого отношения к вашему вопросу.
Дмитрий, вопрос ТС был о выходном сопротивлении транзистора... Но даже в случае с усилителем и ООС это сопротивление следует принимать во внимание, поскольку оно вместе с выходным конденсатором образует дополнительный полюс на АЧХ усилителя, что может привести к неустойчивости стабилизатора, особенно при малых токах нагрузки или в режиме ХХ. :)

_________________
Like the eyes of a cat in the black and blue...


Вернуться наверх
 
Не в сети
 Заголовок сообщения: Re: Выходное сопротивление транзистора
СообщениеДобавлено: Вс ноя 30, 2014 15:10:10 
Родился

Зарегистрирован: Вс ноя 16, 2014 16:52:07
Сообщений: 12
Рейтинг сообщения: 0
SmarTrunk писал(а):
Все верно, при наличии усилителя ошибки и ООС она будет иметь решающее влияние на выходное сопротивление (этот вариант логичнее, исходя из значения выходного тока).
При отстутствии усилителя ошибки (стабилитрон - составной (?) транзистор) не будет ООС и ее влияния. Схему в студию, ну или полное техзадание (курсовик?)


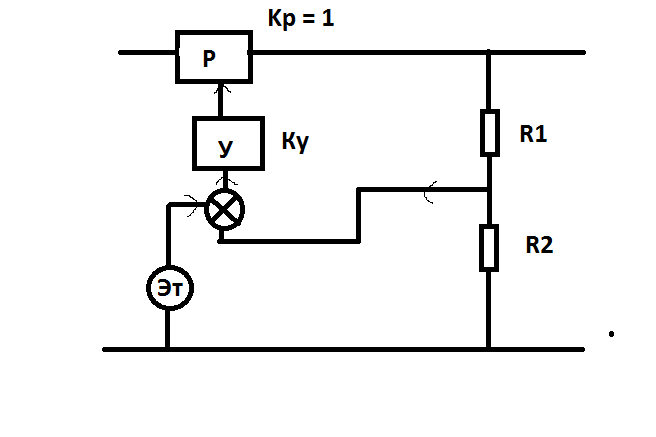
В том-то и дело что схемы нет, преподаватель предложил нам такую схему

Изображение

И даже рассказал как примерно считается:

Kдел = R2 / (R1+R2)

Uвых = Uэт * (1 + R1/R2)

Ку (обр. связи) = 1 / (1+Kу*B) = 1/Кст >>> 1/Кст = 1/Ку*B , отсюда находим коэффициент усиления.

Rвых = Rвых0 / (1+ Ку*B) , где Rвых0 - выходное сопротивление транзистора на регулирующем элементе.


Я почитал разные статьи, из тех что понятны выбрал вот эту http://www.meanders.ru/stabilizator2.shtml

Там дан подробный расчёт для вот такой схемы:

Изображение

И вроде бы для той схемы всё понятно, но до сих пор остаются вопросы:

1) Как всё-таки найти выходное сопротивление транзистора на регулирующем элементе?
2) На последней схеме транзистор VT1 - усилитель, а все остальные транзисторы это составной регулирующий элемент?
3) Как добиться нужно коэффициента усиления? То-есть мне нужен коэффициент усиления 1000, для этого нужно просто сделать каскад из нескольких транзисторов и перемножить их коэффициенты усиления?
4) Для схемы выше как я понимаю расчёт идёт при том условии, что входное напряжение постоянное 25В, у меня же входное напряжение изменяется от 14В до 34В, как это учесть?


Вложения:
Безымянный.png [8.17 KiB]
Скачиваний: 447
Вернуться наверх
 
Не в сети
 Заголовок сообщения:
СообщениеДобавлено: Вс ноя 30, 2014 15:48:31 
Сверлит текстолит когтями
Аватар пользователя

Карма: 22
Рейтинг сообщений: 110
Зарегистрирован: Вс сен 25, 2005 10:07:31
Сообщений: 1219
Откуда: Россия.
Рейтинг сообщения: 0
spiller писал(а):
мне нужен коэффициент усиления 1000, для этого нужно просто сделать каскад из нескольких транзисторов и перемножить их коэффициенты усиления?
Если на транзисторах, то это делается примерно так.

Изображение

СпойлерИзображение

Изображение


А можно в качестве усилителя ошибки вообще взять операционный усилитель и схем таких полно.


Вложения:
3.JPG [57.04 KiB]
Скачиваний: 2497
2.JPG [120.56 KiB]
Скачиваний: 1463
1.JPG [457.09 KiB]
Скачиваний: 1592
Вернуться наверх
 
Не в сети
 Заголовок сообщения: Re:
СообщениеДобавлено: Вс ноя 30, 2014 18:20:56 
Родился

Зарегистрирован: Вс ноя 16, 2014 16:52:07
Сообщений: 12
Рейтинг сообщения: 0
Спойлер
Дмитрий писал(а):
spiller писал(а):
мне нужен коэффициент усиления 1000, для этого нужно просто сделать каскад из нескольких транзисторов и перемножить их коэффициенты усиления?
Если на транзисторах, то это делается примерно так.

Изображение

[spoiler]Изображение

Изображение

А можно в качестве усилителя ошибки вообще взять операционный усилитель и схем таких полно.


Вроде как только на транзисторах нужно сделать, а данная выше схема будет разве подходить по выходному сопротивлению? У неё регулирующий элемент по схеме с ОЭ, там выходное сопротивление будет порядка нескольких кило Ом и даже если коэффициент усиления будет 10000, то всё равно выходное сопротивление стабилизатора полулчится около нескольких Ом, что никак не подходит.


Вернуться наверх
 
Не в сети
 Заголовок сообщения: И такая дребедень каждый день
СообщениеДобавлено: Вс ноя 30, 2014 18:51:51 
Модератор
Аватар пользователя

Карма: 158
Рейтинг сообщений: 1600
Зарегистрирован: Пт апр 28, 2006 15:26:07
Сообщений: 11940
Откуда: Россия.
Рейтинг сообщения: 0
Медали: 2
Мявтор 3-й степени (1) Лучший человек Форума 2017 (1)
spiller писал(а):
У неё регулирующий элемент по схеме с ОЭ, там выходное сопротивление будет порядка нескольких кило Ом и даже если коэффициент усиления будет 10000, то всё равно...
А при чем тут это?
То, что Вы написали говорит только о том, что Вы не понимаете самых основ.
Вот тогда картинка.

Изображение

Ручкой переменного резистора величиной 1 килоом устанавливаем на вольтметре, а значит и на на нагрузке, напряжение 4 вольт.
Обратной связью в данном случае являются мои глаза, что смотрят на вольтметр и рука, которая крутит переменное сопротивление.
Если сопротивление нагрузки изменить, то соответственно изменится напряжение на выходе.
Я это глазами вижу и рукой подкручиваю переменный резистор. Это обратная связь.
Если я снова выставлю напряжение на вольтметре ровно 4 вольта, то это значит, что выходное сопротивление данной системы с обратной связью в качестве которой используются мои глаза и рука равно НУЛЮ.
И то, что регулирующий элемент в виде переменного сопротивления имеет величину далекую от НУЛЯ, все равно данная система имеет нулевое выходное сопротивление.

В вашем же случае нулевое даже и не нужно, т.е. устанавливать можно с погрешностью.

А например случай, когда при уменьшении сопротивления нагрузки выставлять "ручкой" на выходе напряжение не 4 вольта, а к примеру 4,05 вольта, то это значит у вас в данном случае будет не то что нулевое, а даже отрицательное выходное сопротивление.


Вложения:
1.JPG [27.3 KiB]
Скачиваний: 24788
Вернуться наверх
 
Не в сети
 Заголовок сообщения: Re: Выходное сопротивление транзистора
СообщениеДобавлено: Вс ноя 30, 2014 22:39:04 
Друг Кота

Карма: 27
Рейтинг сообщений: 206
Зарегистрирован: Чт ноя 26, 2009 11:16:50
Сообщений: 6015
Откуда: Москва
Рейтинг сообщения: 0
spiller писал(а):
1) Как всё-таки найти выходное сопротивление транзистора на регулирующем элементе?
2) На последней схеме транзистор VT1 - усилитель, а все остальные транзисторы это составной регулирующий элемент?
3) Как добиться нужно коэффициента усиления? То-есть мне нужен коэффициент усиления 1000, для этого нужно просто сделать каскад из нескольких транзисторов и перемножить их коэффициенты усиления?
4) Для схемы выше как я понимаю расчёт идёт при том условии, что входное напряжение постоянное 25В, у меня же входное напряжение изменяется от 14В до 34В, как это учесть?
КУ в этой схеме, действительно, определяется усилителем на VT1, и усиления 1000 на одном транзисторе не получить. Лучше использовать ОУ (операционный усилитель) - если Вы их проходили, либо более сложную схему усилителя, либо, возможно, в результате рассчетов уменьшить требования к усилению.
http://radiohlam.ru/teory/prkomstab.htm

Остальные транзисторы - да, составной транзистор - регулирующий элемент.

Для Вашей схемы я бы, для себя, как радиолюбитель, так рассчитал выходное сопротивление регулирующего элемента:

Выходное сопротивление усилителя, грубо, R2=2,7кОм.
Транзистор VT2 в режиме эмиттерного повторителя уменьшает его, грубо, в h21э раз (возьму 50)
RвыхVT1=R2/h21э=2700/50=54 Ом
Каждый из транзисторов VT3, VT4 уменьшает его тоже, грубо, в h21э раз (возьму 30)
RвыхVT3=RвыхVT4=54/30=1,8 Ом (плюс токовыравнивающие резисторы по 0,5 Ом = 2,3 Ом)
Поскольку на выходе два транзистора параллельно, то Rвых=2,3/2= примерно 1,15 Ом.

Для токов в 15А это слишком много.


Вернуться наверх
 
Не в сети
 Заголовок сообщения: Re: Выходное сопротивление транзистора
СообщениеДобавлено: Вс ноя 30, 2014 22:59:33 
Родился

Зарегистрирован: Вс ноя 16, 2014 16:52:07
Сообщений: 12
Рейтинг сообщения: 0
Спойлер
SmarTrunk писал(а):
spiller писал(а):
1) Как всё-таки найти выходное сопротивление транзистора на регулирующем элементе?
2) На последней схеме транзистор VT1 - усилитель, а все остальные транзисторы это составной регулирующий элемент?
3) Как добиться нужно коэффициента усиления? То-есть мне нужен коэффициент усиления 1000, для этого нужно просто сделать каскад из нескольких транзисторов и перемножить их коэффициенты усиления?
4) Для схемы выше как я понимаю расчёт идёт при том условии, что входное напряжение постоянное 25В, у меня же входное напряжение изменяется от 14В до 34В, как это учесть?
КУ в этой схеме, действительно, определяется усилителем на VT1, и усиления 1000 на одном транзисторе не получить. Лучше использовать ОУ (операционный усилитель) - если Вы их проходили, либо более сложную схему усилителя, либо, возможно, в результате рассчетов уменьшить требования к усилению.
http://radiohlam.ru/teory/prkomstab.htm

Остальные транзисторы - да, составной транзистор - регулирующий элемент.

Для Вашей схемы я бы, для себя, как радиолюбитель, так рассчитал выходное сопротивление регулирующего элемента:

Выходное сопротивление усилителя, грубо, R2=2,7кОм.
Транзистор VT2 в режиме эмиттерного повторителя уменьшает его, грубо, в h21э раз (возьму 50)
RвыхVT1=R2/h21э=2700/50=54 Ом
Каждый из транзисторов VT3, VT4 уменьшает его тоже, грубо, в h21э раз (возьму 30)
RвыхVT3=RвыхVT4=54/30=1,8 Ом (плюс токовыравнивающие резисторы по 0,5 Ом = 2,3 Ом)
Поскольку на выходе два транзистора параллельно, то Rвых=2,3/2= примерно 1,15 Ом.

Для токов в 15А это слишком много.


Спасибо, здесь вроде бы всё понятно, только откуда Вы взяли ток в 15А и почему это слишком много?


Узнал у преподавателя сегодня как всё-таки найти выходное сопротивление, он будет равно 1/h22, только вот проблема, ни в одном справочнике не могу найти эту величину, преподаватель же утверждал, что во всех справочниках есть, может кто подскажет где можно посмотреть h22 параметр для транзисторов?


Последний раз редактировалось spiller Пн дек 01, 2014 20:10:59, всего редактировалось 1 раз.

Вернуться наверх
 
Не в сети
 Заголовок сообщения: Re: Выходное сопротивление транзистора
СообщениеДобавлено: Вс ноя 30, 2014 23:03:52 
Родился

Зарегистрирован: Вс ноя 16, 2014 16:52:07
Сообщений: 12
Рейтинг сообщения: 0
P.S: в том и проблема, что усилитель нужно обязательно на транзисторе. Сейчас посмотрел ещё, вроде как советуют использовать токостабилизирующий двухполюсник, чтобы увеличить коэффицент усиления, но пока с ним не разобрался.


Последний раз редактировалось AlekseyEnergo Вс ноя 30, 2014 23:38:33, всего редактировалось 1 раз.
Нарушение пункта 2.2 правил форума. Предупредил!!


Вернуться наверх
 
Показать сообщения за:  Сортировать по:  Вернуться наверх
Начать новую тему Ответить на тему  [ Сообщений: 35 ]  1,  

Часовой пояс: UTC + 3 часа


Кто сейчас на форуме

Сейчас этот форум просматривают: нет зарегистрированных пользователей и гости: 24


Вы не можете начинать темы
Вы не можете отвечать на сообщения
Вы не можете редактировать свои сообщения
Вы не можете удалять свои сообщения
Вы не можете добавлять вложения

Найти:
Перейти:  


Powered by phpBB © 2000, 2002, 2005, 2007 phpBB Group
Русская поддержка phpBB
Extended by Karma MOD © 2007—2012 m157y
Extended by Topic Tags MOD © 2012 m157y