Например TDA7294

Форум РадиоКот • Просмотр темы - Не работает программатор на ft232rl
Форум РадиоКот
Здесь можно немножко помяукать :)

Текущее время: Вт ноя 11, 2025 06:11:52

Часовой пояс: UTC + 3 часа


ПРЯМО СЕЙЧАС:



Начать новую тему Ответить на тему  [ Сообщений: 31 ]  1,  
Автор Сообщение
Не в сети
 Заголовок сообщения: Не работает программатор на ft232rl
СообщениеДобавлено: Ср дек 17, 2014 15:30:46 
Первый раз сказал Мяу!

Зарегистрирован: Пт сен 12, 2014 06:56:00
Сообщений: 36
Рейтинг сообщения: 0
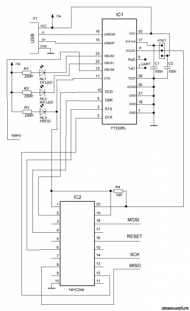
Всем доброго дня.Заранее извиняюсь,что может создал тему не в том разделе,но очень нужна помощь!!Недавно собрал программатор вот по этой схемке - http://cxema.my1.ru/publ/usb_ustrojstva ... 7-1-0-5092. Думал всё будет норм.Скачал модифицированную дудку с сигной,всё это дело установил,программатор подключил,также подключил к нему заранее исправный мк(attiny13) и....И ничего,только это -

avrdude -C avrdude.conf -c usbbit -P ft0 -B 4800 -p t13 -q


avrdude: BitBang OK
avrdude: pin assign -
MISO:4
SCK:2
MOSI:6
RESET:5
GATES:3
avrdude: drain OK

SET=> ft245r: bitclk 4800 -> ft baud 2400
avrdude: ft245r_program_enable: failed
avrdude: initialization failed, rc=-1
Double check connections and try again, or use -F to override
this check.

RESET ... OK

avrdude done. Thank you.
Всё было сделанно в точности по статье из ссылки,и не только.Все форумы прошерстил,убил 2 дня на танцы с бубнами вокруг неё,а также в компании друга,тоже радиолюбителя.Отпаял 244 ую....Всё тщетно..
Поэтому прошу помощи у тех кто сталкивался с данной бедой,ну или тех у кого есть какие либо соображения по этой ситуации
P.S. Дома также валяется заказанный из китая Usbasp,тоже нормально не функционирующий...


Вернуться наверх
 
Не в сети
 Заголовок сообщения: Re: Не работает программатор на ft232rl
СообщениеДобавлено: Ср дек 17, 2014 15:54:03 
Друг Кота
Аватар пользователя

Карма: 67
Рейтинг сообщений: 1065
Зарегистрирован: Чт сен 18, 2008 12:27:21
Сообщений: 19908
Откуда: Столица Мира Санкт-Петербург
Рейтинг сообщения: 0
Медали: 1
Получил миской по аватаре (1)
shim666 писал(а):
,также подключил к нему заранее исправный мк(attiny13)

Как?

_________________
[ Всё дело не столько в вашей глупости, сколько в моей гениальности ] [ Правильно заданный вопрос содержит в себе половину ответа ]
Измерить нннада?


Вернуться наверх
 
Не в сети
 Заголовок сообщения: Re: Не работает программатор на ft232rl
СообщениеДобавлено: Ср дек 17, 2014 15:57:49 
Первый раз сказал Мяу!

Зарегистрирован: Пт сен 12, 2014 06:56:00
Сообщений: 36
Рейтинг сообщения: 0
как я подключил тиню к программатору??


Вернуться наверх
 
Не в сети
 Заголовок сообщения: Re: Не работает программатор на ft232rl
СообщениеДобавлено: Ср дек 17, 2014 17:58:39 
Опытный кот
Аватар пользователя

Карма: 7
Рейтинг сообщений: 92
Зарегистрирован: Сб июн 01, 2013 22:24:21
Сообщений: 769
Откуда: ПФО
Рейтинг сообщения: 0
Я такой пользовался только там не было 244, без неё у меня нормально получалось.
Уважаемый проверь как дрова встали на ft232rl, в диспетчере устройств как отображается?


Вернуться наверх
 
Эиком - электронные компоненты и радиодетали
Не в сети
 Заголовок сообщения: Re: Не работает программатор на ft232rl
СообщениеДобавлено: Чт дек 18, 2014 13:40:32 
Первый раз сказал Мяу!

Зарегистрирован: Пт сен 12, 2014 06:56:00
Сообщений: 36
Рейтинг сообщения: 0
Usb serial conventer и Usb serial port (com7).Как и должен


Вернуться наверх
 
Не в сети
 Заголовок сообщения: Re: Не работает программатор на ft232rl
СообщениеДобавлено: Чт дек 18, 2014 13:42:40 
Друг Кота
Аватар пользователя

Карма: 67
Рейтинг сообщений: 1065
Зарегистрирован: Чт сен 18, 2008 12:27:21
Сообщений: 19908
Откуда: Столица Мира Санкт-Петербург
Рейтинг сообщения: 0
Медали: 1
Получил миской по аватаре (1)
shim666 писал(а):
как я подключил тиню к программатору??

конечно

_________________
[ Всё дело не столько в вашей глупости, сколько в моей гениальности ] [ Правильно заданный вопрос содержит в себе половину ответа ]
Измерить нннада?


Вернуться наверх
 
Не в сети
 Заголовок сообщения: Re: Не работает программатор на ft232rl
СообщениеДобавлено: Чт дек 18, 2014 13:50:37 
Первый раз сказал Мяу!

Зарегистрирован: Пт сен 12, 2014 06:56:00
Сообщений: 36
Рейтинг сообщения: 0
Не поверите!!!!Обычными проводами!!!


Последний раз редактировалось Gudd-Head Чт дек 18, 2014 13:53:36, всего редактировалось 1 раз.
2.7!!!


Вернуться наверх
 
Не в сети
 Заголовок сообщения: Re: Не работает программатор на ft232rl
СообщениеДобавлено: Чт дек 18, 2014 13:55:11 
Друг Кота
Аватар пользователя

Карма: 67
Рейтинг сообщений: 1065
Зарегистрирован: Чт сен 18, 2008 12:27:21
Сообщений: 19908
Откуда: Столица Мира Санкт-Петербург
Рейтинг сообщения: 0
Медали: 1
Получил миской по аватаре (1)
Схема?

_________________
[ Всё дело не столько в вашей глупости, сколько в моей гениальности ] [ Правильно заданный вопрос содержит в себе половину ответа ]
Измерить нннада?


Вернуться наверх
 
Не в сети
 Заголовок сообщения: Re: Не работает программатор на ft232rl
СообщениеДобавлено: Чт дек 18, 2014 14:00:33 
Первый раз сказал Мяу!

Зарегистрирован: Пт сен 12, 2014 06:56:00
Сообщений: 36
Рейтинг сообщения: 0
Gudd-Head писал(а):
Схема?
Ссылка на схему программатора в 1ом сообщении.К тиньке цепляется в таком порядке

Reset - 1 нога
mosi - 5 нога
miso - 6 нога
sck - 7 нога
Питание тини от внешнего источника 5.0 вольт


Вложения:
s83878864.jpg [26.79 KiB]
Скачиваний: 592
Вернуться наверх
 
Не в сети
 Заголовок сообщения: Re: Не работает программатор на ft232rl
СообщениеДобавлено: Чт дек 18, 2014 14:02:48 
Вымогатель припоя
Аватар пользователя

Зарегистрирован: Ср фев 29, 2012 01:58:32
Сообщений: 672
Откуда: Харьков, Украина
Рейтинг сообщения: 0
Не надо язвить, это вас не красит.

Я не работал с этим программатором, но возможно на схеме выведены названия пинов SPI программатора, тогда подключать надо MOSI к MISO контроллера, MISO к MOSI. SCK и RESET напрямую. Если на схеме программатора эта инверсия учтена, то напрямую MOSI к MOSI, а MISO к MISO. Попробуйте оба варианта.


Вернуться наверх
 
Не в сети
 Заголовок сообщения: Re: Не работает программатор на ft232rl
СообщениеДобавлено: Чт дек 18, 2014 14:07:28 
Друг Кота
Аватар пользователя

Карма: 67
Рейтинг сообщений: 1065
Зарегистрирован: Чт сен 18, 2008 12:27:21
Сообщений: 19908
Откуда: Столица Мира Санкт-Петербург
Рейтинг сообщения: 0
Медали: 1
Получил миской по аватаре (1)
Ресет хорошо бы резистором к "+" подтянуть.

_________________
[ Всё дело не столько в вашей глупости, сколько в моей гениальности ] [ Правильно заданный вопрос содержит в себе половину ответа ]
Измерить нннада?


Вернуться наверх
 
Не в сети
 Заголовок сообщения: Re: Не работает программатор на ft232rl
СообщениеДобавлено: Чт дек 18, 2014 14:07:52 
Первый раз сказал Мяу!

Зарегистрирован: Пт сен 12, 2014 06:56:00
Сообщений: 36
Рейтинг сообщения: 0
eess9 писал(а):
Не надо язвить, это вас не красит.

Я не работал с этим программатором, но возможно на схеме выведены названия пинов SPI программатора, тогда подключать надо MOSI к MISO контроллера, MISO к MOSI. SCK и RESET напрямую. Если на схеме программатора эта инверсия учтена, то напрямую MOSI к MOSI, а MISO к MISO. Попробуйте оба варианта.
Я же еще в первом сообщении написал что уже много чего перепробовал,думаете я до такого бы сам не догадался!Сегодня скачал специальную прогу BitBang и с помощью неё проверил все пины фтшки (2,3,9,10,11).Все работоспособны,ну я так думаю...Спокойно выставляются в ноль и в единицу


Вернуться наверх
 
Не в сети
 Заголовок сообщения: Re: Не работает программатор на ft232rl
СообщениеДобавлено: Чт дек 18, 2014 14:08:28 
Первый раз сказал Мяу!

Зарегистрирован: Пт сен 12, 2014 06:56:00
Сообщений: 36
Рейтинг сообщения: 0
Gudd-Head писал(а):
Ресет хорошо бы резистором к "+" подтянуть.
Пробовал.И прошу прощения за сарказм


Вернуться наверх
 
Не в сети
 Заголовок сообщения: Re: Не работает программатор на ft232rl
СообщениеДобавлено: Чт дек 18, 2014 14:19:56 
Вымогатель припоя
Аватар пользователя

Зарегистрирован: Ср фев 29, 2012 01:58:32
Сообщений: 672
Откуда: Харьков, Украина
Рейтинг сообщения: 0
А ATTiny13 стоит в схеме или на проводках подвешена? Если в схеме, то что стоит по схеме на линиях программирования?


Вернуться наверх
 
Не в сети
 Заголовок сообщения: Re: Не работает программатор на ft232rl
СообщениеДобавлено: Чт дек 18, 2014 14:27:37 
Первый раз сказал Мяу!

Зарегистрирован: Пт сен 12, 2014 06:56:00
Сообщений: 36
Рейтинг сообщения: 0
Тиня на макетке установлена без обвязки.Но дело не в тине...Программатор и с тиней и без неё выдаёт ту же ошибку,и буфер я убирал,ничего не изменилось


Вернуться наверх
 
Не в сети
 Заголовок сообщения: Re: Не работает программатор на ft232rl
СообщениеДобавлено: Чт дек 18, 2014 14:43:16 
Друг Кота
Аватар пользователя

Карма: 67
Рейтинг сообщений: 1065
Зарегистрирован: Чт сен 18, 2008 12:27:21
Сообщений: 19908
Откуда: Столица Мира Санкт-Петербург
Рейтинг сообщения: 0
Медали: 1
Получил миской по аватаре (1)
Чё-та я туплю.
В схеме FT232, в дудке 245, а вы отпаяли 244 :dont_know:

_________________
[ Всё дело не столько в вашей глупости, сколько в моей гениальности ] [ Правильно заданный вопрос содержит в себе половину ответа ]
Измерить нннада?


Вернуться наверх
 
Не в сети
 Заголовок сообщения: Re: Не работает программатор на ft232rl
СообщениеДобавлено: Чт дек 18, 2014 14:47:09 
Опытный кот
Аватар пользователя

Карма: 7
Рейтинг сообщений: 92
Зарегистрирован: Сб июн 01, 2013 22:24:21
Сообщений: 769
Откуда: ПФО
Рейтинг сообщения: 0
У этого программатора есть одна особенность, а именно он у меня плевался ошибками пока я не поставил галки инверсии в пони проге на MOSI, MISO и SCK, на ресете инверсия не понадобилась :)


Вернуться наверх
 
Не в сети
 Заголовок сообщения: Re: Не работает программатор на ft232rl
СообщениеДобавлено: Чт дек 18, 2014 14:49:34 
Первый раз сказал Мяу!

Зарегистрирован: Пт сен 12, 2014 06:56:00
Сообщений: 36
Рейтинг сообщения: 0
Gudd-Head писал(а):
Чё-та я туплю.
В схеме FT232, в дудке 245, а вы отпаяли 244 :dont_know:
244 это буфер 74hc244


Вернуться наверх
 
Не в сети
 Заголовок сообщения: Re: Не работает программатор на ft232rl
СообщениеДобавлено: Чт дек 18, 2014 14:54:20 
Первый раз сказал Мяу!

Зарегистрирован: Пт сен 12, 2014 06:56:00
Сообщений: 36
Рейтинг сообщения: 0
В понипрог??вы использовали фтшку как вирт COM порт?


Вернуться наверх
 
Не в сети
 Заголовок сообщения: Re: Не работает программатор на ft232rl
СообщениеДобавлено: Чт дек 18, 2014 15:02:50 
Опытный кот
Аватар пользователя

Карма: 7
Рейтинг сообщений: 92
Зарегистрирован: Сб июн 01, 2013 22:24:21
Сообщений: 769
Откуда: ПФО
Рейтинг сообщения: 0
Замечательно ставишь в пони сом порт на который села фтдишка и всё


Вернуться наверх
 
Показать сообщения за:  Сортировать по:  Вернуться наверх
Начать новую тему Ответить на тему  [ Сообщений: 31 ]  1,  

Часовой пояс: UTC + 3 часа


Кто сейчас на форуме

Сейчас этот форум просматривают: нет зарегистрированных пользователей и гости: 26


Вы не можете начинать темы
Вы не можете отвечать на сообщения
Вы не можете редактировать свои сообщения
Вы не можете удалять свои сообщения
Вы не можете добавлять вложения

Найти:
Перейти:  


Powered by phpBB © 2000, 2002, 2005, 2007 phpBB Group
Русская поддержка phpBB
Extended by Karma MOD © 2007—2012 m157y
Extended by Topic Tags MOD © 2012 m157y