Например TDA7294

Форум РадиоКот • Просмотр темы - In vino veritas
Форум РадиоКот
Здесь можно немножко помяукать :)

Текущее время: Ср мар 18, 2026 04:14:38

Часовой пояс: UTC + 3 часа


ПРЯМО СЕЙЧАС:



Начать новую тему Эта тема закрыта, Вы не можете редактировать и оставлять сообщения в ней.  [ Сообщений: 1081 ]    , , 3, , , ...  
Автор Сообщение
 Заголовок сообщения: Re: In vino veritas
СообщениеДобавлено: Пн ноя 03, 2014 11:16:53 
Друг Кота
Аватар пользователя

Карма: 96
Рейтинг сообщений: 1506
Зарегистрирован: Вт мар 16, 2010 22:02:27
Сообщений: 15521
Откуда: ДОНЕЦК
Рейтинг сообщения: 0
Поскоку цены на деталюги возымели свойство стать относительно
беспредельными для "поделать от нечего делать" приходится
несколько менять направление темы... :cry:
По ходу "раскопок" в закромах вытянул в набор модулей
пару "регистровых файлов" :
http://img.radiokot.ru/files/20529/hkjb4s72g.JPG
http://img.radiokot.ru/files/20529/hkjbckakx.JPG
схемка http://img.radiokot.ru/files/20529/hkjedehd8.JPG ,
и их платки
Вложение:
платки регистровых файлов.zip [39.55 KiB]
Скачиваний: 340
,
дремуче-древние тест-экраны с интегрированными источниками тока:
http://img.radiokot.ru/files/20529/hkjee7774.JPG
http://img.radiokot.ru/files/20529/hkjl7uvsk.jpg ,
блочки источников тока для матрично-многопозиционных
светодиодных экранов (комплект к регистровым файлам для
применения в X-Y дисплеях):
http://img.radiokot.ru/files/20529/hkjq5h312.jpg ,
и новенькую платку из четырех "верхних" ключей в ретро-стиле:
http://img.radiokot.ru/files/20529/hkjkreqko.GIF
http://img.radiokot.ru/files/20529/hkjksskgj.jpg
с платкой
Вложение:
4_H_key.zip [44.73 KiB]
Скачиваний: 309
...
:beer:
Всего-то подготовительная фаза к "выносным"
индикационно-обрабатывающим "сомикроконтроллерам"...
Правда там до комплекта еще кой-чего дособирать надо,
но без излишних денюжкиных расходов и фанатизьму.
8)


Вернуться наверх
 
 Заголовок сообщения: Re: In vino veritas
СообщениеДобавлено: Ср ноя 19, 2014 06:37:56 
Друг Кота
Аватар пользователя

Карма: 96
Рейтинг сообщений: 1506
Зарегистрирован: Вт мар 16, 2010 22:02:27
Сообщений: 15521
Откуда: ДОНЕЦК
Рейтинг сообщения: 0
Продолжение жабодавной модернизации...
Претерпели изменения схемки платок mcs51 и AVR40 - добавлен новый разъём и изменен бывший на линиях RxD/TxD на 14-ти контактный:
архив shems Mcs52.spl7, AVR40.spl7
модуль на ПИКе претерпел вообще кардинальну переразборку :
архив shems pic876a.spl7
отныне его назначение - периферийная "голова"...
Соответственно добавились платки - расширители, аж три варианта:
на одной из них установлены EEPROM 24C512 и датчик температуры/влажности DHT11 -
архив shems expans_c.spl7
http://img.radiokot.ru/files/20529/i1yvkiykk.jpg ;
вторая транзит с предустановленной панелькой под 2*24С512 - она же простое подключение кабеля с DS18B20 с подтягивающим резистором на линии данных ( если нету EEPROMок в панельке) -
архив shems expans_d.spl7
и третья - "хитрый транзит" для светодиодных матриц с регфайлами и анодными ключами плюс коммуникационный транзит -
архив shems expans_E.spl7 .
Добавился в комплект кабло с датчиком DS18B20 на одном из концов
архив shems ds18b20_wire.spl7 и фотки кабла
http://img.radiokot.ru/files/20529/i1yvpkie4.jpg
http://img.radiokot.ru/files/20529/i1yvqphaf.jpg.
Причем предусматривается как непосредственное прямое подключение к выводам МК,
так и подключение через ранее созданный адаптер (архив shems uLAN adapter.spl7).
Добавились в комплект две ранее использовавшихся для отработки рекламных мигалок платки под 20-лапки
для AT89C2051
архив shems flow_x8_2.jpeg
http://img.radiokot.ru/files/20529/i1z4iz1a1.jpg
и для ATtiny2313
архив shems tn2313.spl7
http://img.radiokot.ru/files/20529/i1z4jnj72.jpg
они же предусматривают подключение регистрового файла как непосредственно, так и через комплекс переходников.
Добавился простейший символьный 7-сегментный дисплейчик на 4 знакоместа
архив shems testled_4x8.spl7
http://img.radiokot.ru/files/20529/i1z6sptqc.jpg .
Также "на готове" схемка "удаленного" оптосимисторного ключика архив shems ключ_одиночный.jpeg.
Вроде теперь можно и с программками побаловаться…
собственно архивчик
Вложение:
shems.rar [228.81 KiB]
Скачиваний: 331


Вернуться наверх
 
 Заголовок сообщения: Re: In vino veritas
СообщениеДобавлено: Сб дек 06, 2014 15:57:36 
Друг Кота
Аватар пользователя

Карма: 96
Рейтинг сообщений: 1506
Зарегистрирован: Вт мар 16, 2010 22:02:27
Сообщений: 15521
Откуда: ДОНЕЦК
Рейтинг сообщения: 0
В результате некоторой ленивой деятельности появилась видоизмененная схемка для макета с AT89S52(C52), оснащенная деморежимом присмотра текущей влажности и температуры с пристегнутой платки с датчиком DHT-11.
Вложение:
mcs52.pdf [259.8 KiB]
Скачиваний: 342

Вот так ноне выглядит сие устройство в сборе:
http://img.radiokot.ru/files/20529/il5b9fo1r.jpg
И переходник с DHT-11 с дополнительным джамперком поближе:
http://img.radiokot.ru/files/20529/il5ba7ozk.jpg
Температуру показывает в соответствии с ртутным термометром, насчет влажности – сложнее, нету с чем сравнить…
Изменения претерпели и платки адаптеров (expans_C.lay и expans_d.lay в архиве – устранены ошибки). На платке расширения expsns_C появилась еще одна перемычка-джампер для подключения к свободному разъёму микроLAN адаптера с DS18B20 (на тот же разъём намечается и переходник связного адаптера – мож удастся сделать так, чтоб «не подрались»). Апетитус приходит с потреблением – попробую приладить внешний выносной датчик для совместного использования вместе с DHT-11. Ну и кой-чего дополнительного в режиме регулятора намутить.
В последней версии программы t9.asm (
Вложение:
at89s52prj.rar [464.21 KiB]
Скачиваний: 366
в архивчике в папочке «откомпилено» скомпилированные прошивки t9.bin и t9.hex – бинарный образ ПЗУ и интел HEX варианты) устранены некоторые «очепятки» и «сокрытие» окна менюшки календаря при «правой» прокрутке меню, хотя с другой стороны… та ошибка дает возможность ставить разные наборы «окон» на левую и правую прокрутки.
Вобщем… пока устройство в стадии умысливания дальнейшего развития… :roll:
Из ПЗУ захавано 6234 байта из 8192 возможных – в остатке еще 1958 байт, да и усушка/утруска пока особо не проводилась.
:write:


Вернуться наверх
 
 Заголовок сообщения: Re: In vino veritas
СообщениеДобавлено: Пн дек 08, 2014 10:21:54 
Друг Кота
Аватар пользователя

Карма: 96
Рейтинг сообщений: 1506
Зарегистрирован: Вт мар 16, 2010 22:02:27
Сообщений: 15521
Откуда: ДОНЕЦК
Рейтинг сообщения: 0
:oops:
на схемке просклерозил подключение сигнального бузера...
исправлено:
Вложение:
mcs52.pdf [356.08 KiB]
Скачиваний: 371


Дополнительно пришлось подогнать к "единой системе" платку расширения ext_d с исправлением ошибок монтажа...
сейчас она выглядит таким образом:
Вложение:
exp_d.pdf [82.29 KiB]
Скачиваний: 275

http://img.radiokot.ru/files/20529/in3blo636.jpg
приложены исправленные печатки для платок расширения ext_C b ext_D:
Вложение:
Новая папка.zip [36.71 KiB]
Скачиваний: 297

Пока с исправлениями/дополнениями маленькая остановка.
Буду лепить подключение DS18B20 через кулючики из апнотов... :write:


Вернуться наверх
 
Эиком - электронные компоненты и радиодетали
 Заголовок сообщения: Re: In vino veritas
СообщениеДобавлено: Сб дек 13, 2014 17:01:43 
Друг Кота
Аватар пользователя

Карма: 96
Рейтинг сообщений: 1506
Зарегистрирован: Вт мар 16, 2010 22:02:27
Сообщений: 15521
Откуда: ДОНЕЦК
Рейтинг сообщения: 0
В наборчик добавился индикатор на NJU6432:
( viewtopic.php?f=2&t=89010 )
Вложение:
kasdis_a.pdf [145.55 KiB]
Скачиваний: 388

http://img.radiokot.ru/files/20529/irv2kgtfh.jpg
Схема тестилки:
Вложение:
T9a.pdf [252.64 KiB]
Скачиваний: 349

и ее программка:
Вложение:
T9a.rar [93.69 KiB]
Скачиваний: 628

:write:


Вернуться наверх
 
 Заголовок сообщения: Re: In vino veritas
СообщениеДобавлено: Пн янв 05, 2015 16:33:18 
Друг Кота
Аватар пользователя

Карма: 96
Рейтинг сообщений: 1506
Зарегистрирован: Вт мар 16, 2010 22:02:27
Сообщений: 15521
Откуда: ДОНЕЦК
Рейтинг сообщения: 0
В процессе ленивых размышлений на тему «какую-бы пакость ещё удумать» для усложнения жисти программиста всплыла идея размещения части массива данных во внешнем EEPROM...
Одначе туточки сразу повылазило некоторое количество «колючек».
Допустим имеется два исходных текста: основной программы и области массивов
Вложение:
map.JPG [21.58 KiB]
Скачиваний: 624

в которых обязательно повсплывают «перекрёстные ссылки»...
Подставлять их вручную есть нерационально, тем более, что компилятор IDE может просто «далеко послать» такой исходник с заранее не определенными метками. Да и режим работы с внешней памятью данных в некоторых пределах поддерживают только компиляторы mcs51 (область XRAM/XSEG)…
Создавать подобие DOS для применения в отношении 64-128 килобайт на основе 24С512 тоже вроде как-то некошерно... :dont_know:
Вобщем пока стадия раздумий … а как бы сие приладить..??..
Мож кто-нибудь какую мыслю подкинет..?
:roll:


Вернуться наверх
 
 Заголовок сообщения: Re: In vino veritas
СообщениеДобавлено: Пн янв 05, 2015 22:31:35 
Друг Кота

Карма: 46
Рейтинг сообщений: 396
Зарегистрирован: Вт фев 21, 2012 13:51:55
Сообщений: 5316
Откуда: Начинающий
Рейтинг сообщения: 0
В некоторых к.а. с *51-ым процессором доп."массивы данных" находятся в пзу-шках типа 24c** то есть в последовательных.
Такой вариант подойдёт для проекта ? :roll:

_________________
< виртуальная "кнопочка" >--( WWW ) <- Убедительная просьба интересующимся старыми компьютерами типа РК86 - не пишите в теме в барахолке, пишите Ваши вопросы в ( лс ) пожалуйста


Вернуться наверх
 
 Заголовок сообщения: Re: In vino veritas
СообщениеДобавлено: Вт янв 06, 2015 10:04:42 
Друг Кота
Аватар пользователя

Карма: 96
Рейтинг сообщений: 1506
Зарегистрирован: Вт мар 16, 2010 22:02:27
Сообщений: 15521
Откуда: ДОНЕЦК
Рейтинг сообщения: 0
А мнееуу одной 51-й как-то маалоовааатоо... :roll: 8)


Вернуться наверх
 
 Заголовок сообщения: Re: In vino veritas
СообщениеДобавлено: Вт янв 06, 2015 10:53:34 
Друг Кота

Карма: 46
Рейтинг сообщений: 396
Зарегистрирован: Вт фев 21, 2012 13:51:55
Сообщений: 5316
Откуда: Начинающий
Рейтинг сообщения: 0
Надысь попалась плата от к.а. с "двумями" 51-ыми .. "Атмельскими".. У йих тама "разделение труда" наблюдалося... :wink:

Так что несколько 51-ых , объединённых однопроводным ,"моноканалом" так сказать, вполне себе "уживутся" вместе (IMHO).

_________________
< виртуальная "кнопочка" >--( WWW ) <- Убедительная просьба интересующимся старыми компьютерами типа РК86 - не пишите в теме в барахолке, пишите Ваши вопросы в ( лс ) пожалуйста


Вернуться наверх
 
 Заголовок сообщения: Re: In vino veritas
СообщениеДобавлено: Вт янв 06, 2015 12:32:45 
Друг Кота
Аватар пользователя

Карма: 96
Рейтинг сообщений: 1506
Зарегистрирован: Вт мар 16, 2010 22:02:27
Сообщений: 15521
Откуда: ДОНЕЦК
Рейтинг сообщения: 0
То вариант "сетки", а здесь внешнее EEPROM данных.
Т. е. исходная программа разделена на две части - одна собственно исполнимый код и размещена в целевом МК, а другая-таблицы векторов, строки данных и управляющих байтовых комбинаций, селекторных табличек, подтягиваемых по мере выполнения основной программы из внешней EEPROMки (притом, что ранее все те данные нерационально пожирали 2/3 ПЗУ проекта).
И ещё... речь идет не о внутреннем EEPROM или расширенном ОЗУ данных, учитываемом во всех компиляторах, а именно о разделенном на две области физического размещения тексте одной программы с "параллельным" исполнением обеих фрагментов (не путать с секционированным ПЗУ одного исходника при последовательном исполнении каждой секции - как пример две пзушки 16 килобайт для программы с объёмом 32 кило - то для компилятора единая область CSEG/CODE, независимо внешним ПЗУ представлена или внутренним - лишь бы "перекрытия адресов" не случилось)...
Хоша есть случаи разделяемого ОЗУ/ПЗУ программ-данных, но такая версия только для 51-й и в данный момент интереса не представляет - узкоспециализировано только для MCS51...
А в моей задачке - внешний накопитель/источник не только данных, но и значений управляющих векторов для вычисляемых /программных переходов. О программном коде пока речь не идет, хоша тоже возможный случай (ежли иметь встроенный интерпритатор псевдокода и надлежащее быстродействие по перезагрузке сегментов исполнимого кода (подобие файла рисунка в http://radiokot.ru/cherdak/03/ , только "внешнего")... но... пока получить бы простую и относительно универсальную методу по подстановке значений ... да и сам бинарник для 24-й EEPROMки также скомпилить надобно (под "съедаемость" для icprog/winpic800)... Но там попроще - c51asm.exe с такой задачей спокохонько управляется, ежли все переменные в дополнительном дефайне указаны. Причем независимо к какому семейству потом полученную EEPROMку приладить понадобится.
Возможно... создание условной сетки "сегментов" - условной опорной разметки массива EEPROM для последующей подстановки дефайном в целевой исходник, а затем обратный вариант для исходника массива... Но то задача весьма "трахотливая" и выполнима только в ручном режиме.
Вот и гадаю... может я чего-то в работе компиляторов упустил, и желаемый эфект может быть получен более простым способом? :dont_know:


Вернуться наверх
 
 Заголовок сообщения: Re: In vino veritas
СообщениеДобавлено: Ср янв 28, 2015 22:53:40 
Друг Кота
Аватар пользователя

Карма: 96
Рейтинг сообщений: 1506
Зарегистрирован: Вт мар 16, 2010 22:02:27
Сообщений: 15521
Откуда: ДОНЕЦК
Рейтинг сообщения: 0
Пока имеем некоторое отступление...
Появился дополнительный модуль ("удаленный внешний модуль") на базе PIC16F676/PIC12F629 и совместимых по выводам:
Вложение:
uim14.zip [185.25 KiB]
Скачиваний: 312

пока тестируется с дисплейчиком от касячего аппарата на тему "когда высадит акумулятор"... :solder:

В ходе копания с асмом выползло немного вопросов по теме "переназначение имен" для регистров РПД у ПИКушек и аналогичного головноболезного для предопределенных регистров у mcs51/avr. :write:
Чего получилось в "попытке трактовать "святое писание"" прицеплено тут:
Вложение:

не факт, что "абсолютно верно" - ежли кому чего возразить/добавить будет с удовольствием почитаю - просто где ни смотрел, подходящего материала так и не усмотрел (может смотрел не все и не так внимательно?) :dont_know:


Вернуться наверх
 
 Заголовок сообщения: Re: In vino veritas
СообщениеДобавлено: Вс фев 01, 2015 17:03:42 
Друг Кота
Аватар пользователя

Карма: 96
Рейтинг сообщений: 1506
Зарегистрирован: Вт мар 16, 2010 22:02:27
Сообщений: 15521
Откуда: ДОНЕЦК
Рейтинг сообщения: 0
Несколько измененный блочек с PIC16F676 - прицеплен дисплей, адаптер линии микроLAN и DS18B20 на 20-метровом проводке.
http://img.radiokot.ru/files/20529/kc1ezblxl.JPG
Вложение:
pic16f676prj.zip [90.65 KiB]
Скачиваний: 497

Вроде как стабильно работает и от акумулятора, пока буду пытать на устойчивость.
Обработчик ошибок предусмотрен, но недописан - в тесте пока не требуется.
В исходнике интересно прописаный файл присвоения имен...
Прицел на удаленную управляющую системку, пристежкой к базовому блочку на (пока) AT89S52...
:write:


Вернуться наверх
 
 Заголовок сообщения: Re: In vino veritas
СообщениеДобавлено: Вс фев 08, 2015 14:04:36 
Друг Кота
Аватар пользователя

Карма: 96
Рейтинг сообщений: 1506
Зарегистрирован: Вт мар 16, 2010 22:02:27
Сообщений: 15521
Откуда: ДОНЕЦК
Рейтинг сообщения: 0
Вот фотка того тест-термометра в собранно-смотанном виде:
http://img.radiokot.ru/files/20529/kjmicvkxi.jpg
дисплейчик держал изображение (сохранял контраст сегментов) в диапазоне питания схемки от 5 до 3,0 вольт. :solder:


Вернуться наверх
 
 Заголовок сообщения: Re: In vino veritas
СообщениеДобавлено: Чт фев 19, 2015 08:07:26 
Друг Кота
Аватар пользователя

Карма: 96
Рейтинг сообщений: 1506
Зарегистрирован: Вт мар 16, 2010 22:02:27
Сообщений: 15521
Откуда: ДОНЕЦК
Рейтинг сообщения: 0
Неплохой "свежачек" по PIC16F676A:
http://elektromehanika.org/load/ehlektr ... 1-1-0-1146

"Хофманн М.
Х86 Микроконтроллеры для начинающих: Пер. с нем. — СПб.:
БХВ-Петербург, 2014. — 304 с: ил. + CD-ROM
..."
8)


Вернуться наверх
 
 Заголовок сообщения: Re: In vino veritas
СообщениеДобавлено: Вс мар 08, 2015 07:55:27 
Друг Кота
Аватар пользователя

Карма: 96
Рейтинг сообщений: 1506
Зарегистрирован: Вт мар 16, 2010 22:02:27
Сообщений: 15521
Откуда: ДОНЕЦК
Рейтинг сообщения: 0
В результате теоретических разборок с алгоритмами формирования CRC по просмотру файлика mlan_3a.txt обнаружена досадная ошибка (в дэмоверсии проекта pic16f676prj я контроль ответа датчика и контроль CRC не задействовал - вот и проскочило).
:oops:
Добавлен один промежуточный регистр m_tmp в def_uim.txt файл (указано в шапке) и некоторое отличие в части текста mlan_3a.txt от метки l_crc2.
Вложение:
def_uim.txt [7.53 KiB]
Скачиваний: 261

Вложение:
mlan_3a.txt [8.93 KiB]
Скачиваний: 305

Попозже подготовится полная версия с контролем критических ошибок.
:write:


Вернуться наверх
 
 Заголовок сообщения: Re: In vino veritas
СообщениеДобавлено: Вс мар 08, 2015 11:55:49 
Встал на лапы

Карма: -14
Рейтинг сообщений: -6
Зарегистрирован: Вт окт 14, 2014 14:31:04
Сообщений: 122
Рейтинг сообщения: -3
Убрал.
Нарушение Правил форума п. 2.4
aen


Вернуться наверх
 
 Заголовок сообщения: Re: In vino veritas
СообщениеДобавлено: Вт мар 10, 2015 09:59:01 
Друг Кота
Аватар пользователя

Карма: 96
Рейтинг сообщений: 1506
Зарегистрирован: Вт мар 16, 2010 22:02:27
Сообщений: 15521
Откуда: ДОНЕЦК
Рейтинг сообщения: 0
Наконец почти правильный индикативный термометр...
Вложение:
pic16f676prj_2.rar [67.24 KiB]
Скачиваний: 358

Добавлена защита при "обрыве" (отсутствие ответа датчика при запросе), при КЗ выхода (постоянный 0 на линии данных датчика) и включен контроль CRC.
На практике проверил обрыв/КЗ, ошибочное CRC симулятором не гонял - если б появилось, то в реале на макете мгновенная блокировка с соответствующим отображением имела бы место... НО не проверено практикой... пока работает...на прокрутку в симуляторе терпения не хватило... :dont_know:
Ну и соответственно в схему добавился "волшебный джампер" для снятия блокировки после устранения аварийных условий (схемка в архиве с исходниками).
Исходник не оптимизирован, несколько "перемешан" - возможно далее при развитии задач поутрушу.
:write:


Вернуться наверх
 
 Заголовок сообщения: Re: In vino veritas
СообщениеДобавлено: Ср мар 11, 2015 11:36:33 
Друг Кота
Аватар пользователя

Карма: 96
Рейтинг сообщений: 1506
Зарегистрирован: Вт мар 16, 2010 22:02:27
Сообщений: 15521
Откуда: ДОНЕЦК
Рейтинг сообщения: 0
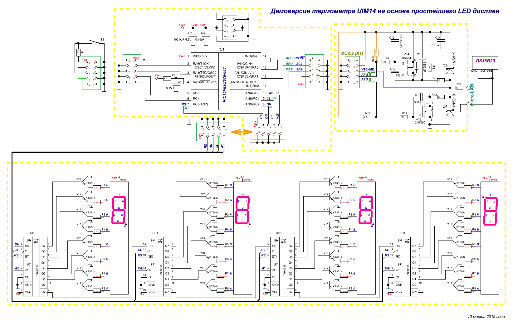
Кстати... Схемка - не догма, индикатор на ЖКИ просто более экономичен, на светодиодном пару недель от акума с мобилки явно не проработает.
Но... кому чего удобнее и "ближе к лапам":
Вложение:
um14_demoterm_led4.GIF [77.59 KiB]
Скачиваний: 668

там некоторые коррективы относительно самого модуля обслуживания дисплея и знакогенератора с перераспределением буфера вывода переписать надо...
И отдельно разговор о "полном имитаторе" ЖКИ на светиках - это самостоятельная конструкция.
:beer:


Вернуться наверх
 
 Заголовок сообщения: Re: In vino veritas
СообщениеДобавлено: Ср мар 18, 2015 18:47:01 
Друг Кота
Аватар пользователя

Карма: 96
Рейтинг сообщений: 1506
Зарегистрирован: Вт мар 16, 2010 22:02:27
Сообщений: 15521
Откуда: ДОНЕЦК
Рейтинг сообщения: 0
Для любителей «народной элементной базы» предлагается вот такого вида конструкция:
Вложение:
внешний дисплей.GIF [110.14 KiB]
Скачиваний: 674

http://img.radiokot.ru/files/20529/lpqcock7f.jpg
http://img.radiokot.ru/files/20529/lpqcpk7ku.jpg
Набиралась из имеющихся в наличии «кубиков»... пока реализован «минимальный» вариант и всего лишь с тестовой программкой-минимумом. Правда программка весьма понакручена с возможностью дальнейшего «изврата».
Вложение:
tn2313prj.zip [39.6 KiB]
Скачиваний: 282

Размер сегментов дисплея не ограничен.
Минимальная конфигурация 4 позиции.
Номинальная 4 строки по 8 позиций (несколько измененная схема с регистровым файл-расширителем).
Максимум ... на сколько интереса будет - светики тоже не дешовое удовольствие.
Для начала очередная цель прицепить туды канал связи и сцепить с компом и/или тем индикативным термометром на пичке или внешней мордой на базовом блоке...
:write:


Вернуться наверх
 
 Заголовок сообщения: Re: In vino veritas
СообщениеДобавлено: Ср апр 01, 2015 13:08:03 
Друг Кота
Аватар пользователя

Карма: 96
Рейтинг сообщений: 1506
Зарегистрирован: Вт мар 16, 2010 22:02:27
Сообщений: 15521
Откуда: ДОНЕЦК
Рейтинг сообщения: 0
Музыкальная шкатулка
Вложение:
tsgn.zip [41.18 KiB]
Скачиваний: 256

по мотивам, навеяным в viewtopic.php?f=58&t=115234
:write:


Вернуться наверх
 
Показать сообщения за:  Сортировать по:  Вернуться наверх
Начать новую тему Эта тема закрыта, Вы не можете редактировать и оставлять сообщения в ней.  [ Сообщений: 1081 ]    , , 3, , , ...  

Часовой пояс: UTC + 3 часа


Вы не можете начинать темы
Вы не можете отвечать на сообщения
Вы не можете редактировать свои сообщения
Вы не можете удалять свои сообщения
Вы не можете добавлять вложения

Найти:
Перейти:  


Powered by phpBB © 2000, 2002, 2005, 2007 phpBB Group
Русская поддержка phpBB
Extended by Karma MOD © 2007—2012 m157y
Extended by Topic Tags MOD © 2012 m157y