Например TDA7294

Форум РадиоКот • Просмотр темы - Автоматическое ЗУ-приставка для свинцовых батарей на МК.
Форум РадиоКот
Здесь можно немножко помяукать :)

Текущее время: Вт дек 02, 2025 00:37:51

Часовой пояс: UTC + 3 часа


ПРЯМО СЕЙЧАС:



Начать новую тему Ответить на тему  [ Сообщений: 1260 ]     ... , , , 54, , , ...  
Автор Сообщение
Не в сети
 Заголовок сообщения: Re: Автоматическое ЗУ-приставка для свинцовых батарей на МК.
СообщениеДобавлено: Вс дек 04, 2016 16:38:39 
Это не хвост, это антенна
Аватар пользователя

Зарегистрирован: Ср июн 09, 2010 16:44:54
Сообщений: 1335
Откуда: Пермь
Рейтинг сообщения: 0
Sergeinn писал(а):
по какой то причине указанная ссылка не работает. Страница по ссылке пишет 404. Возможно это временно?
Всё прекрасно работает.
Можете попробовать на резервном сервере
http://reserve.ingineer.ru/

_________________
Фото постройки прототипов


Вернуться наверх
 
Не в сети
 Заголовок сообщения: Re: Автоматическое ЗУ-приставка для свинцовых батарей на МК.
СообщениеДобавлено: Вс дек 04, 2016 16:43:54 
Родился

Зарегистрирован: Пн ноя 28, 2016 19:32:08
Сообщений: 6
Рейтинг сообщения: 0
У меня тоже все работает и там и там.


Вернуться наверх
 
Не в сети
 Заголовок сообщения: Re: Автоматическое ЗУ-приставка для свинцовых батарей на МК.
СообщениеДобавлено: Вт дек 06, 2016 18:27:36 
Родился

Зарегистрирован: Пн ноя 28, 2016 19:32:08
Сообщений: 6
Рейтинг сообщения: 0
Доброго времени суток!
Начинаю закупать радио детали для 11 версии устройства.
Роман (RomanT) а подскажите пожалуйста конденсатор электролитический 1 мФ. на 16 В. можно ли заменить на керамический или SMD с тем же номиналом? а то что не могу найти в сети такой электролитический.
И еще подскажите у вас в файле readmy в 11V отсутствует обозначения напряжения для 2 позиций керамических конденсаторов:
керам. 16 pF - 2 шт.,
керам. 1 мкФ - 2 шт.
На сколько вольт они?


Вернуться наверх
 
Не в сети
 Заголовок сообщения: Re: Автоматическое ЗУ-приставка для свинцовых батарей на МК.
СообщениеДобавлено: Вт дек 06, 2016 19:33:33 
Это не хвост, это антенна
Аватар пользователя

Зарегистрирован: Ср июн 09, 2010 16:44:54
Сообщений: 1335
Откуда: Пермь
Рейтинг сообщения: 0
Parus25 писал(а):
заменить на керамический или SMD с тем же номиналом? а то что не могу найти в сети такой электролитический.
только электролитический, номинал может быть 1...10 мкФ, напряжением выше 5В
их море везде - оглянитесь ...
Parus25 писал(а):
керам. 16 pF - 2 шт.,
керам. 1 мкФ - 2 шт.
На сколько вольт они?
более 5В

_________________
Фото постройки прототипов


Вернуться наверх
 
Эиком - электронные компоненты и радиодетали
Не в сети
 Заголовок сообщения: Re: Автоматическое ЗУ-приставка для свинцовых батарей на МК.
СообщениеДобавлено: Чт дек 08, 2016 11:53:28 
Родился

Зарегистрирован: Пн ноя 28, 2016 19:32:08
Сообщений: 6
Рейтинг сообщения: 0
Роман, простите что дурацкие вопросы задаю, но подскажите еще (чеппер или дроссель не знаю как правильно назвать) Ш20х28, что за провод вы использовали диаметром 3.55 мм.? он в изоляции или покрыт чем то (лак, эмаль)? а то непонятно на фото, и зазор 3.5 мм. это в ряду между проводами или же между 1 и 2 рядом намотки?


Вернуться наверх
 
Не в сети
 Заголовок сообщения: Re: Автоматическое ЗУ-приставка для свинцовых батарей на МК.
СообщениеДобавлено: Чт дек 08, 2016 12:24:47 
Это не хвост, это антенна
Аватар пользователя

Зарегистрирован: Ср июн 09, 2010 16:44:54
Сообщений: 1335
Откуда: Пермь
Рейтинг сообщения: 0
ПЭТВ-2, виток к витку, а зазор - это на магнитопроводе (половинки сердечника с зазором)
да и не на фото нужно смотреть, а в схему, на дроссель ткни дважды, там все хар-ки ...

Подобные вопросы - лучше пишите в скайп

_________________
Фото постройки прототипов


Вернуться наверх
 
Не в сети
 Заголовок сообщения: Re: Автоматическое ЗУ-приставка для свинцовых батарей на МК.
СообщениеДобавлено: Пт дек 09, 2016 12:18:24 
Родился

Зарегистрирован: Пн ноя 28, 2016 19:32:08
Сообщений: 6
Рейтинг сообщения: 0
Спасибо огромное!!!
Хорошо начинаю разбираться со схемами (попробую собрать все схемы в одну)


Вернуться наверх
 
Не в сети
 Заголовок сообщения: Re: Автоматическое ЗУ-приставка для свинцовых батарей на МК.
СообщениеДобавлено: Сб дек 10, 2016 14:30:32 
Встал на лапы
Аватар пользователя

Зарегистрирован: Сб сен 14, 2013 14:47:24
Сообщений: 114
Рейтинг сообщения: 0
RomanT писал(а):
Sergeinn писал(а):
по какой то причине указанная ссылка не работает. Страница по ссылке пишет 404. Возможно это временно?
Всё прекрасно работает.

Ссылка заработала, правда не в Internet Explorer от мелкомягких (там по прежнему 404), а в Мозиле. С чем связано не знаю.
Вторая ссылка с резервного сервера работает в обоих проводниках без проблем.


Вернуться наверх
 
Не в сети
 Заголовок сообщения: Re: Автоматическое ЗУ-приставка для свинцовых батарей на МК.
СообщениеДобавлено: Сб дек 10, 2016 19:45:41 
Родился

Зарегистрирован: Пн ноя 28, 2016 19:32:08
Сообщений: 6
Рейтинг сообщения: 0
Доброго времени суток!
Роман, помогите разобраться, на печатной плате (в файле Sprint Layout) операционные усилители AD8552 - 2 шт. и AD8554 - 1 шт., в файле readmy в перечне деталей AD8552 - 1 шт. и AD8554 - 1 шт., в файле электро-схемы (sPlan) AD8552 - 2 шт. и AD8554 - 4 шт. :shock:
Я так понимаю что правильный вариант в печатной плате?

Извиняюсь, за скайп только сейчас увидел, что можно обсудить там.


Вернуться наверх
 
Не в сети
 Заголовок сообщения: Re: Автоматическое ЗУ-приставка для свинцовых батарей на МК.
СообщениеДобавлено: Сб дек 10, 2016 20:12:41 
Это не хвост, это антенна
Аватар пользователя

Зарегистрирован: Ср июн 09, 2010 16:44:54
Сообщений: 1335
Откуда: Пермь
Рейтинг сообщения: 0
Смотрите схему внимательно, на номера ножек на ОУ,
просто в микросхеме AD8552 два ОУ, а в AD8554 их 4-ре,
на печатной плате вторая AD8552 - "запасная", для перспективной разработки, её не нужно паять.
реально Одна микросхема AD8552 и одна AD8554.

Пишите в скайп.

_________________
Фото постройки прототипов


Вернуться наверх
 
Не в сети
 Заголовок сообщения: Re: Автоматическое ЗУ-приставка для свинцовых батарей на МК.
СообщениеДобавлено: Пт дек 23, 2016 21:11:57 
Встал на лапы

Зарегистрирован: Пн май 21, 2012 19:08:59
Сообщений: 83
Рейтинг сообщения: 0
друзья, собираюсь повторить 5-ю версию приставки. Для домашнего пользования, имхо в сам раз.
На схеме есть кварц на 14МГц, но на фото готового изделия из архива 5й версии этого кварца нет. Почему так?


Вернуться наверх
 
Не в сети
 Заголовок сообщения: Re: Автоматическое ЗУ-приставка для свинцовых батарей на МК.
СообщениеДобавлено: Сб дек 24, 2016 02:07:33 
Это не хвост, это антенна
Аватар пользователя

Зарегистрирован: Ср июн 09, 2010 16:44:54
Сообщений: 1335
Откуда: Пермь
Рейтинг сообщения: 1
Видимо смотришь фото ещё не готового устройства, этап сборки
на готовом он там есть!

Изображение

_________________
Фото постройки прототипов


Вернуться наверх
 
Не в сети
 Заголовок сообщения: Re: Автоматическое ЗУ-приставка для свинцовых батарей на МК.
СообщениеДобавлено: Чт янв 05, 2017 11:18:18 
Встал на лапы

Зарегистрирован: Пн май 21, 2012 19:08:59
Сообщений: 83
Рейтинг сообщения: 0
спасибо за ответ
Возникло еще 2 вопроса
1. в версии 5 что собой являет дросель L2 60uH ?
2. есть ли у кого возможно готовые платы 1, 5 версии (или даже иных)?


Вернуться наверх
 
Не в сети
 Заголовок сообщения: Re: Автоматическое ЗУ-приставка для свинцовых батарей на МК.
СообщениеДобавлено: Сб янв 07, 2017 22:11:05 
Встал на лапы

Зарегистрирован: Пн май 21, 2012 19:08:59
Сообщений: 83
Рейтинг сообщения: 0
в закромах есть кольца и ферриты от блоков АТХ
можно ли намотать выходной дроссель используя такие каркасы?
Напражение питания будет не выше 20В ток до 15А


Вернуться наверх
 
Не в сети
 Заголовок сообщения: Re: Автоматическое ЗУ-приставка для свинцовых батарей на МК.
СообщениеДобавлено: Вс янв 08, 2017 21:18:46 
Вымогатель припоя

Карма: 1
Рейтинг сообщений: 11
Зарегистрирован: Сб июл 07, 2012 23:01:25
Сообщений: 602
Рейтинг сообщения: 0
Добрый вечер RomanT. По какому алгоритму идет весь процесс зарядки,где прочитать?(последнюю версию)


Вернуться наверх
 
Не в сети
 Заголовок сообщения: Re: Автоматическое ЗУ-приставка для свинцовых батарей на МК.
СообщениеДобавлено: Пн янв 09, 2017 13:08:19 
Встал на лапы

Зарегистрирован: Пн ноя 29, 2010 14:47:18
Сообщений: 95
Откуда: Омск
Рейтинг сообщения: 0
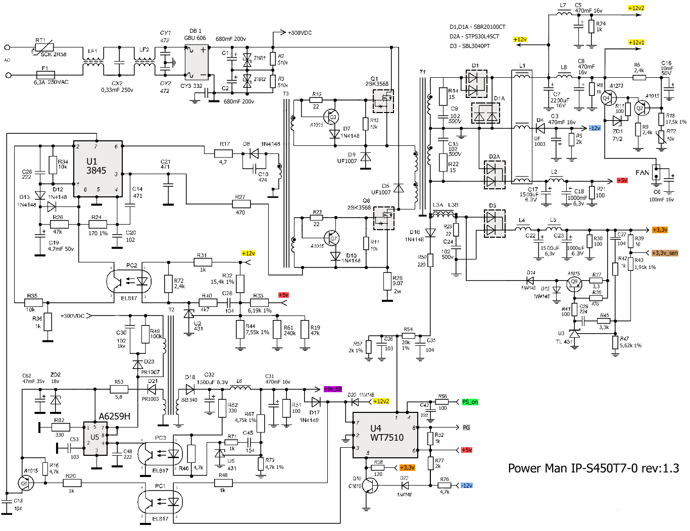
Добрый день Роман!
Есть БП PowerMan IP-S450T7-0. Можно ли его использовать с версией 8 (как показано в Вашей схеме "zu_20a_14_14_8_ATX_S-350")?


Вложения:
Powerman-IP-S450T-0.gif [93.2 KiB]
Скачиваний: 464
Вернуться наверх
 
Не в сети
 Заголовок сообщения: Re: Автоматическое ЗУ-приставка для свинцовых батарей на МК.
СообщениеДобавлено: Вт янв 10, 2017 00:04:34 
Встал на лапы

Зарегистрирован: Пн май 21, 2012 19:08:59
Сообщений: 83
Рейтинг сообщения: 0
В случае использования в качестве источника питания к приставке, импульсного блока питания можно ли не устанавливать диодный мост и убрать конденсаторы на 10000мкФ ?


Вернуться наверх
 
Не в сети
 Заголовок сообщения: Re: Автоматическое ЗУ-приставка для свинцовых батарей на МК.
СообщениеДобавлено: Чт янв 12, 2017 08:44:31 
Родился

Зарегистрирован: Чт янв 12, 2017 08:35:12
Сообщений: 1
Рейтинг сообщения: 0
День добрый,

Вопрос а можно как-нибудь получить исходники ПО для Atmega16?
Вы ее все равно уже не развиваете, а в качестве учебного пособия было бы интересно :)


Вернуться наверх
 
Не в сети
 Заголовок сообщения: Re: Автоматическое ЗУ-приставка для свинцовых батарей на МК.
СообщениеДобавлено: Сб янв 14, 2017 07:35:45 
Первый раз сказал Мяу!

Зарегистрирован: Пт сен 23, 2016 17:02:24
Сообщений: 28
Откуда: Магнитогорск
Рейтинг сообщения: 0
Здравствуйте Роман!
Возвращаюсь к своему старому вопросу по обнулению EEPROM . Сделайте, пожалуйста, его обнуление путем включения ЗУ при нажатой кнопке, к примеру, "RES" (версия ЗУ 8.3). Это необходимо, особенно при наладке устройства. Обнулятся через прошивку очень неудобно.
Заранее благодарен!


Вернуться наверх
 
Не в сети
 Заголовок сообщения: Re: Автоматическое ЗУ-приставка для свинцовых батарей на МК.
СообщениеДобавлено: Пт янв 20, 2017 15:34:06 
Первый раз сказал Мяу!

Зарегистрирован: Пт сен 23, 2016 17:02:24
Сообщений: 28
Откуда: Магнитогорск
Рейтинг сообщения: 0
К сожалению, автор сего девайса не хочет доработать программу до необходимых параметров, а в часности, прерывание работы программы в любом месте по желанию пользователя. В данном проекте это возможно только после обнуления EEPROM. В предлагаемом варианте автора обнуляться путем перепрошивки девайса специальной программой обнуления EEPROM , меня совершенно не устраивает. Автор молчит, что означает, как я понимаю, отказ от дальнейшей поддержки проекта по версии 8. Очень жаль, но в таком варианте мне придется разобрать уже готовое и собранное З.У.устройство и сделать другое, по проекту Алексея Шевченко http://www.oka-nsk.ru/forum/viewtopic.php?f=21&t=1316 , где все более продумано и нет дефицитных деталей.


Вернуться наверх
 
Показать сообщения за:  Сортировать по:  Вернуться наверх
Начать новую тему Ответить на тему  [ Сообщений: 1260 ]     ... , , , 54, , , ...  

Часовой пояс: UTC + 3 часа


Кто сейчас на форуме

Сейчас этот форум просматривают: сарагоса и гости: 85


Вы не можете начинать темы
Вы не можете отвечать на сообщения
Вы не можете редактировать свои сообщения
Вы не можете удалять свои сообщения
Вы не можете добавлять вложения

Найти:
Перейти:  


Powered by phpBB © 2000, 2002, 2005, 2007 phpBB Group
Русская поддержка phpBB
Extended by Karma MOD © 2007—2012 m157y
Extended by Topic Tags MOD © 2012 m157y