Например TDA7294

Форум РадиоКот • Просмотр темы - Микрофонный усилитель
Форум РадиоКот
Здесь можно немножко помяукать :)

Текущее время: Сб фев 07, 2026 22:59:40

Часовой пояс: UTC + 3 часа


ПРЯМО СЕЙЧАС:



Начать новую тему Ответить на тему  [ Сообщений: 435 ]     ... , , , 14, , , ...  
Автор Сообщение
Не в сети
 Заголовок сообщения: Re: Микрофонный усилитель
СообщениеДобавлено: Вс сен 24, 2017 18:17:42 
Друг Кота
Аватар пользователя

Карма: 127
Рейтинг сообщений: 6124
Зарегистрирован: Вс дек 25, 2011 18:43:00
Сообщений: 24323
Откуда: г.Москва
Рейтинг сообщения: 0
As писал(а):
которая являлась редкостной гадостью

..ужасной.. :) ..их было две версии - УП1 и УП2, вторую ни разу не видел..и К548УН1 тоже не лучше..хотя раскручивали ее не кисло..


Вернуться наверх
 
Не в сети
 Заголовок сообщения: Re: Микрофонный усилитель
СообщениеДобавлено: Вс сен 24, 2017 18:45:41 
Опытный кот

Карма: 20
Рейтинг сообщений: 235
Зарегистрирован: Сб авг 15, 2015 19:11:26
Сообщений: 770
Откуда: Коломна, М.О. - Воронеж.
Рейтинг сообщения: 4
ssc писал(а):
К548УН1 тоже не лучше
У меня все попытки с ней подружиться закончились ничем- "свистела на вч" она безбожно,годилась наверное в приемник-регенератор какой-нибудь. А может просто с ней не совладал тогда-ребенком еще был в 80х годах )))
Если уж хочется совместить достоинства транзисторных усилителей и неприятие ОУ можно сделать МУ на 157УЛ1А выкинув цепи частотной коррекции и выставив нужный к.у. Нормальная микра,действительно малошумящая.Для динамического микрофона просто идеально будет,можно задейтвовать оба ее канала,распределив между ними усиление. Для электретника усиление требуется значительно меньше,работать будет,вопрос не перегрузится ли?


Вернуться наверх
 
Не в сети
 Заголовок сообщения: Re: Микрофонный усилитель
СообщениеДобавлено: Вс сен 24, 2017 19:02:51 
Модератор
Аватар пользователя

Карма: 159
Рейтинг сообщений: 4079
Зарегистрирован: Пт янв 23, 2009 19:20:05
Сообщений: 45585
Рейтинг сообщения: 0
Медали: 1
Получил миской по аватаре (1)
К157УЛ1 не любит низкоомную нагрузку - у неё не слишком мощный и несимметричный выходной каскад, в остальном - довольно приличная микросхема... :)


Вернуться наверх
 
Не в сети
 Заголовок сообщения: Re: Микрофонный усилитель
СообщениеДобавлено: Вс сен 24, 2017 19:36:25 
Друг Кота
Аватар пользователя

Карма: 127
Рейтинг сообщений: 6124
Зарегистрирован: Вс дек 25, 2011 18:43:00
Сообщений: 24323
Откуда: г.Москва
Рейтинг сообщения: 0
RU3DDM писал(а):
У меня все попытки с ней подружиться закончились ничем- "свистела на вч" она безбожно

..мне удалось ее оседлать, но кайфа особого не получил - с теми же корректирующими цепями УВ на ОУ шипел ощутимо меньше, чем с ней..использование ее в кач. линейных предусилителей с малым Кп совершенно исключено по той же причине...


Вернуться наверх
 
Эиком - электронные компоненты и радиодетали
Не в сети
 Заголовок сообщения: Re: Микрофонный усилитель
СообщениеДобавлено: Ср окт 18, 2017 21:23:05 
Прорезались зубы
Аватар пользователя

Карма: 4
Рейтинг сообщений: 5
Зарегистрирован: Пт ноя 14, 2014 20:34:14
Сообщений: 229
Откуда: Ekaterinburg
Рейтинг сообщения: 0
..доброго времени суток уважаемые форумчане!
поиск "идеального" (условно) для моих задач усилителя для электрета еще не закрыт..
Я дико извиняюсь если мои сообщения и оброщения воспринимаются кому-то противно, или неуместно (если это так - прошу подтвердить чтоб я не продолжал). Паузой стало для меня дтп с родственниками (водитель не справилась с управлением). Веду восстановление тела.
Успел применить некоторые вышеперечисленные схемы, и, как и ранбше почему-то не могу получить тот результат о котором говорят многие: "уровень шума электрета значительно превышает усилителя". Проблема актуальна как и всегда: (прошу читать внимательно) - спаяв очередную схему без капсюля (закоротив вход), она, как на слух, так и после тестовой прогонки через RMAA, НЕ увеличивается в параметре уровня шумов с включённым электретом. (прошу прочитать еще раз). То есть выходит у меня, спаенные мной схемы из этой темы шумят больше, чем схема(полевик) капсюля. И я вот думаю- может вся делемма в этот моменте тормозит меня изза несогласования вход-выход усилитель-аудио карта компьютера (входное сопротивление может)? Вот почему уровень шума усилителя не уменьшается когда я отключаю капсюль из самого усилителя? но если сам усилитель отключить закоротив вход аудио карты, уровень шума становится еле заметным в динамическом диапазоне 24бита...
Ведь мне уже несколько раз здесь сказали: коофицент кни схемы с ОУ значительно, в сотни раз меньше уровней кни электретных капсюлей. Но почему у меня одного выходит наоборот?
- спасибо.

Добавлено after 7 minutes 30 seconds:
и вот поэтому меня не может успокоить тот факт, что я принимаю с микрофона шум усилителя., а хочется максимально нешумно получить сигнал из самого электрета(с его шумами вместе взятыми), но шумы я получаю и без него...
если хотите, я могу выложить подробный аудио отчёт о всех моим проделанных тестов чтобы вы могли сами послушать и сравнить результат.
- спасибо.

Добавлено after 21 minute 12 seconds:
или же, для полной достоверности можем сделать так: вы предлагаете офигительную схему, я делаю макет, и видеоотчётом веду пост с результатами


Вернуться наверх
 
Не в сети
 Заголовок сообщения: Re: Микрофонный усилитель
СообщениеДобавлено: Чт окт 19, 2017 21:05:45 
Поставщик валерьянки для Кота
Аватар пользователя

Карма: 61
Рейтинг сообщений: 952
Зарегистрирован: Чт июн 26, 2014 17:05:10
Сообщений: 1968
Откуда: -Моск-
Рейтинг сообщения: 0
Советую пойти проторенной дорогой.
Изображение
Схема усилителя микрофона.
Тут печатная плата.
Используется с двумя электретными микрофонами от гарнитур сотовых телефонов (стерео микрофон).
Питание 9 - 12 вольт стабилизированное.
Изображение
Усиления мне довольно, желаемый результат достигнут.


Вернуться наверх
 
Не в сети
 Заголовок сообщения: Re: Микрофонный усилитель
СообщениеДобавлено: Пт окт 20, 2017 09:06:22 
Друг Кота
Аватар пользователя

Карма: 116
Рейтинг сообщений: 4520
Зарегистрирован: Пт мар 30, 2012 05:17:29
Сообщений: 16203
Откуда: Екатеринбург
Рейтинг сообщения: 0
Дополнительная фильтрация питания микрофонов и делителей смещения ОУ, пожалуй, не помешала бы. Особенно если питание тянется издалека.

_________________
И хрюкотали зелюки,
Как мюмзики в мове.


Вернуться наверх
 
Не в сети
 Заголовок сообщения: Re: Микрофонный усилитель
СообщениеДобавлено: Пт окт 20, 2017 22:02:07 
Прорезались зубы
Аватар пользователя

Карма: 4
Рейтинг сообщений: 5
Зарегистрирован: Пт ноя 14, 2014 20:34:14
Сообщений: 229
Откуда: Ekaterinburg
Рейтинг сообщения: 0
дело не в присутствии сетевого гула, а наличия белого шума превосходящего кни самого электретного капсюля.
вечером спаяю и эту (хотя по такой схеме уже паял) и покажу о чем я говорю, если термин "белый шум" сложно так описать

Добавлено after 8 hours 10 minutes 55 seconds:
вот ваша схема, господин -serg-. даже до RMAA недошел..всё слышно ушами. да, прослушиваются помехи компьютера, чутьчуть сеть, изза открытого навесного макета, но назвать этот среднечастотный Ш шум "НАМНОГО НИЖЕ ПОРОГА ЭЛЕТРЕТНОГО КАПСЮЛЯ"... (слова ssc)

5532 выпаял из заводской аудио карты (что говорит о том что это 100% оригинал).

первые 5 секунд - шум звуковой карты, следующие 5 секунд - шум усилителя, следующие 5 секунд подключённый к усилителю электретник (лёгкий мид бассовый ветер изза того что котёл включился)

скачать и переименовать из .txt в .mp3

-serg- что дальше....


Вложения:
Sound.txt [235.51 KiB]
Скачиваний: 423
Вернуться наверх
 
Не в сети
 Заголовок сообщения: Re: Микрофонный усилитель
СообщениеДобавлено: Сб окт 21, 2017 09:37:22 
Друг Кота
Аватар пользователя

Карма: 44
Рейтинг сообщений: 605
Зарегистрирован: Вс мар 04, 2007 11:39:00
Сообщений: 4470
Откуда: Ukraine, Kyiv
Рейтинг сообщения: 0
Это микрофон ловит фоновый шум комнаты, всегда существующий, но "голым ухом" не воспринимаемый.

Эффект, хорошо известный пользователям слуховых аппаратов.

_________________
Выслушай и противную сторону, даже если она и противна


Вернуться наверх
 
Не в сети
 Заголовок сообщения: Re: Микрофонный усилитель
СообщениеДобавлено: Сб окт 21, 2017 09:49:22 
Прорезались зубы
Аватар пользователя

Карма: 4
Рейтинг сообщений: 5
Зарегистрирован: Пт ноя 14, 2014 20:34:14
Сообщений: 229
Откуда: Ekaterinburg
Рейтинг сообщения: 0
я усилитель сначала без микрофона включил! читаем внимательнее. слышно что разницы никакой между присутствием и отсутствием микрофона.


Вернуться наверх
 
Не в сети
 Заголовок сообщения: Re: Микрофонный усилитель
СообщениеДобавлено: Сб окт 21, 2017 10:02:24 
Друг Кота
Аватар пользователя

Карма: 44
Рейтинг сообщений: 605
Зарегистрирован: Вс мар 04, 2007 11:39:00
Сообщений: 4470
Откуда: Ukraine, Kyiv
Рейтинг сообщения: 0
Лично я реальный "комнатный" шум услышал только к концу записи.

Посередине - да, что-то шумит, но не сильно. Ну, так и бесшумных усилителей практически не бывает.

_________________
Выслушай и противную сторону, даже если она и противна


Вернуться наверх
 
Не в сети
 Заголовок сообщения: Re: Микрофонный усилитель
СообщениеДобавлено: Сб окт 21, 2017 10:30:56 
Прорезались зубы
Аватар пользователя

Карма: 4
Рейтинг сообщений: 5
Зарегистрирован: Пт ноя 14, 2014 20:34:14
Сообщений: 229
Откуда: Ekaterinburg
Рейтинг сообщения: 0
ну...значит не судьба слышать... вы просто прочитали,вновь, не внимательно. повторяю: тот мидбассовый гул это работа котла, если бы он был отключен, вы бы низачно не угадали в каком месте запись с микрофоном, а в каком пустой усилитель. это означает лишь одно: шум капсюля никапли не превосходит схемы усилителей с оу. я уже напрял их десятками, и все транзисторные сборки бедут себя куда лучше, поэтому осталось подобрать правильный транзисторный усилитель. для цели сделать просто электретный усилитель для галочки, ставьте оу, если нужен качественный усилитель - выбросьте оу в мусор, они не работают с электретами.


Вернуться наверх
 
Не в сети
 Заголовок сообщения: Re: Микрофонный усилитель
СообщениеДобавлено: Сб окт 21, 2017 13:18:54 
Друг Кота
Аватар пользователя

Карма: 44
Рейтинг сообщений: 605
Зарегистрирован: Вс мар 04, 2007 11:39:00
Сообщений: 4470
Откуда: Ukraine, Kyiv
Рейтинг сообщения: 0
Будет время - повторю этот эксперимент.

Самому интересно стало.

_________________
Выслушай и противную сторону, даже если она и противна


Вернуться наверх
 
Не в сети
 Заголовок сообщения: Re: Микрофонный усилитель
СообщениеДобавлено: Сб окт 21, 2017 18:00:35 
Прорезались зубы
Аватар пользователя

Карма: 4
Рейтинг сообщений: 5
Зарегистрирован: Пт ноя 14, 2014 20:34:14
Сообщений: 229
Откуда: Ekaterinburg
Рейтинг сообщения: 0
наконец-то я нашел свой идеальный усилитель для электрета.. и теперь его шум настолько мал что я могу увеличивать чуйку до момента слышимости кни именно самого электрета... наконец-то..

Схема из 2 транзисторов. сейчас отчетливо слышен только фон компьютера, т.к. аудио карта питается по usb, осталось отдельно запитать.

КАЙФ!! на столько чистый звук, теперь стоял и щёлкал в метре, столько много новых звуков регистрируются, даже трения о одежду :)) и даже собака с огорода записалась :))) (.txt переименовать в .mp3)


Вложения:
Sound2.txt [244.49 KiB]
Скачиваний: 783
Вернуться наверх
 
Не в сети
 Заголовок сообщения: Re: Микрофонный усилитель
СообщениеДобавлено: Сб окт 21, 2017 18:29:16 
Друг Кота
Аватар пользователя

Карма: 44
Рейтинг сообщений: 605
Зарегистрирован: Вс мар 04, 2007 11:39:00
Сообщений: 4470
Откуда: Ukraine, Kyiv
Рейтинг сообщения: 0
.txt переименовать в .mp3
А тупо заархивировать - религия не позволила?

_________________
Выслушай и противную сторону, даже если она и противна


Вернуться наверх
 
Не в сети
 Заголовок сообщения: Re: Микрофонный усилитель
СообщениеДобавлено: Сб окт 21, 2017 18:53:44 
Друг Кота
Аватар пользователя

Карма: 23
Рейтинг сообщений: 402
Зарегистрирован: Вс окт 24, 2010 16:02:46
Сообщений: 3509
Откуда: Ижевск
Рейтинг сообщения: 0
Kyle писал(а):
наконец-то я нашел свой идеальный усилитель для электрета..

А схема, схема то где? Интересно же :solder:


Вернуться наверх
 
Не в сети
 Заголовок сообщения: Re: Микрофонный усилитель
СообщениеДобавлено: Вс окт 22, 2017 11:29:14 
Прорезались зубы
Аватар пользователя

Карма: 4
Рейтинг сообщений: 5
Зарегистрирован: Пт ноя 14, 2014 20:34:14
Сообщений: 229
Откуда: Ekaterinburg
Рейтинг сообщения: 0
както уже гдето выкладывал. меня обхаяли, сказали что это говно по сравнению с оу
уровень шума сильно разнится от того какие транзисторы ставить.


Вложения:
Tr.jpg [28.57 KiB]
Скачиваний: 1104
Вернуться наверх
 
Не в сети
 Заголовок сообщения: Re: Микрофонный усилитель
СообщениеДобавлено: Вс окт 22, 2017 11:44:26 
Друг Кота
Аватар пользователя

Карма: 44
Рейтинг сообщений: 605
Зарегистрирован: Вс мар 04, 2007 11:39:00
Сообщений: 4470
Откуда: Ukraine, Kyiv
Рейтинг сообщения: 0
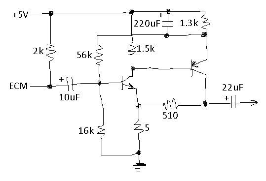
Ну что сказать... Зачетно!

Коэффициент усиления = 125 (на базе Q2 размах = 16 мВ, на выходе = 2 В).

Схему в Мультисиме, "осциллограмму" и файл симуляции прикладываю. С1R1Q1 - эквивалент электретного микрофона. Надо было бы еще и поляризующее напряжение на затвор добавить (последовательно с R1), но выбранный полевик и при нулевом затворном напряжении имеет ток стока всего порядка 300 мкА - столько же, сколько и в электрете.

Входной разделительный конденсатор убран, как класс. Теперь нижняя частотная граница определяется только выходным разделительным конденсатором.


Вложения:
MicPreamp.rar [134.78 KiB]
Скачиваний: 483
MicPreamp - Track.gif [36.03 KiB]
Скачиваний: 938
MicPreamp - Circuit.gif [30.55 KiB]
Скачиваний: 712

_________________
Выслушай и противную сторону, даже если она и противна
Вернуться наверх
 
Не в сети
 Заголовок сообщения: Re: Микрофонный усилитель
СообщениеДобавлено: Вс окт 22, 2017 14:58:33 
Друг Кота
Аватар пользователя

Карма: 116
Рейтинг сообщений: 4520
Зарегистрирован: Пт мар 30, 2012 05:17:29
Сообщений: 16203
Откуда: Екатеринбург
Рейтинг сообщения: 0
Там есть ещё 220 мкФ, формально он тоже ограничивает диапазон снизу.

_________________
И хрюкотали зелюки,
Как мюмзики в мове.


Вернуться наверх
 
Не в сети
 Заголовок сообщения: Re: Микрофонный усилитель
СообщениеДобавлено: Вс окт 22, 2017 15:05:54 
Друг Кота
Аватар пользователя

Карма: 44
Рейтинг сообщений: 605
Зарегистрирован: Вс мар 04, 2007 11:39:00
Сообщений: 4470
Откуда: Ukraine, Kyiv
Рейтинг сообщения: 0
Формально - да. Фактически при выставленных на симуляторе значениях переменных резисторов - от единиц Гц. Главное то, что именно через него основной звуковой сигнал не проходит. Он блокирующий, но не разделительный.

_________________
Выслушай и противную сторону, даже если она и противна


Вернуться наверх
 
Показать сообщения за:  Сортировать по:  Вернуться наверх
Начать новую тему Ответить на тему  [ Сообщений: 435 ]     ... , , , 14, , , ...  

Часовой пояс: UTC + 3 часа


Кто сейчас на форуме

Сейчас этот форум просматривают: нет зарегистрированных пользователей и гости: 11


Вы не можете начинать темы
Вы не можете отвечать на сообщения
Вы не можете редактировать свои сообщения
Вы не можете удалять свои сообщения
Вы не можете добавлять вложения

Найти:
Перейти:  


Powered by phpBB © 2000, 2002, 2005, 2007 phpBB Group
Русская поддержка phpBB
Extended by Karma MOD © 2007—2012 m157y
Extended by Topic Tags MOD © 2012 m157y