Например TDA7294

Форум РадиоКот • Просмотр темы - цифровой амперметр переменного тока
Форум РадиоКот
Здесь можно немножко помяукать :)

Текущее время: Сб дек 13, 2025 15:22:19

Часовой пояс: UTC + 3 часа


ПРЯМО СЕЙЧАС:



Начать новую тему Ответить на тему  [ Сообщений: 21 ]  1,  
Автор Сообщение
Не в сети
 Заголовок сообщения: цифровой амперметр переменного тока
СообщениеДобавлено: Пт июл 31, 2009 03:14:51 
Родился

Зарегистрирован: Пт мар 21, 2008 14:50:41
Сообщений: 5
Откуда: ташкент узбекистан
Рейтинг сообщения: 0
Доброе утро. может кто подскажет, схему на ATmega8 амперметра переменного тока на100- 200А?


Вернуться наверх
 
Не в сети
 Заголовок сообщения:
СообщениеДобавлено: Пт июл 31, 2009 07:59:25 
Поставщик валерьянки для Кота
Аватар пользователя

Карма: 2
Рейтинг сообщений: 11
Зарегистрирован: Пт май 23, 2008 19:32:22
Сообщений: 2401
Откуда: Россия, Волгоград
Рейтинг сообщения: 0
Медали: 1
Получил миской по аватаре (1)
была такая тема поищи по форуму

_________________
Чем дальше, тем больше становлюсь занудой...
Изображение


Вернуться наверх
 
Не в сети
 Заголовок сообщения:
СообщениеДобавлено: Пт июл 31, 2009 19:56:51 
Родился

Зарегистрирован: Пт мар 21, 2008 14:50:41
Сообщений: 5
Откуда: ташкент узбекистан
Рейтинг сообщения: 0
просмотрел форумы качественно. ничего подобнлго нет. Амперметр нужен для парогенератора 50-100Квт, с возможностью установки предельного значения тока и вывода сигнала на реле


Вернуться наверх
 
Не в сети
 Заголовок сообщения:
СообщениеДобавлено: Пт июл 31, 2009 23:42:24 
Друг Кота
Аватар пользователя

Карма: 1
Рейтинг сообщений: 4
Зарегистрирован: Пт авг 10, 2007 12:49:55
Сообщений: 3051
Откуда: kr.ua
Рейтинг сообщения: 0
ТТ 1:100-1:200, нагруженный на резистор, с которого снимается напряжение для АЦП...
Типичный вторичный ток - 5А, т.е. амплитуда - 7.5А, с запасом - 10А.
1 конец резистора подсоединяется на среднюю точку делителя от источника опорного напряжения (возьмем 2.5В), т.е. - размах +-1.25В.
Итого - имеем шунт в 0.12 Ом, округлим до 0.1 Ом. Макс. мощность для синусоиды - U^2/R=(1.25/1.4)^2/0.1=8Вт.
ТОЭ, 1й курс...


Вернуться наверх
 
Эиком - электронные компоненты и радиодетали
Не в сети
 Заголовок сообщения:
СообщениеДобавлено: Сб авг 01, 2009 03:04:35 
Родился

Зарегистрирован: Пт мар 21, 2008 14:50:41
Сообщений: 5
Откуда: ташкент узбекистан
Рейтинг сообщения: 0
Спасибо. ПОпробуем, теперь осталось найти схему АЦП


Вернуться наверх
 
Не в сети
 Заголовок сообщения:
СообщениеДобавлено: Сб авг 01, 2009 10:37:34 
Друг Кота
Аватар пользователя

Карма: 1
Рейтинг сообщений: 4
Зарегистрирован: Пт авг 10, 2007 12:49:55
Сообщений: 3051
Откуда: kr.ua
Рейтинг сообщения: 0
Дык того... в меге есть. 6-канальный.


Вернуться наверх
 
Не в сети
 Заголовок сообщения: Re: цифровой амперметр переменного тока
СообщениеДобавлено: Сб авг 01, 2009 10:52:52 
Нашел транзистор. Понюхал.
Аватар пользователя

Зарегистрирован: Пт июл 31, 2009 21:52:18
Сообщений: 170
Рейтинг сообщения: 0
mwaleri писал(а):
Доброе утро. может кто подскажет, схему на ATmega8 амперметра переменного тока на100- 200А?


Рекомендую сделать красиво на датчиках тока
http://www.allegromicro.com/en/Products ... bers/0755/

или по ключевому слову LEM


Вернуться наверх
 
Не в сети
 Заголовок сообщения:
СообщениеДобавлено: Пн авг 03, 2009 05:34:44 
Встал на лапы

Зарегистрирован: Пн май 05, 2008 14:36:30
Сообщений: 94
Откуда: г. Челябинск
Рейтинг сообщения: 0
Вот это можно подкорректировать - http://radiokot.ru/circuit/digital/measure/23/


Вернуться наверх
 
Не в сети
 Заголовок сообщения:
СообщениеДобавлено: Вт авг 04, 2009 02:06:16 
Родился

Зарегистрирован: Пт мар 21, 2008 14:50:41
Сообщений: 5
Откуда: ташкент узбекистан
Рейтинг сообщения: 0
Схему ваттметра видел и прикидывал как использовать. Сама идея мне нравится регулировать по максимальной мощности. Но как ее реализовать? Я не програмист, я повторяю готовые конструкции иногда дорабатываю под свои нужды. Может кто плможет?


Вернуться наверх
 
Не в сети
 Заголовок сообщения: Re: цифровой амперметр переменного тока
СообщениеДобавлено: Вт апр 01, 2014 10:37:11 
Родился

Зарегистрирован: Вт апр 01, 2014 00:09:25
Сообщений: 2
Рейтинг сообщения: 0
Здравствуйте! :)) Я новичек в этом нелегком деле. Первым делом собрал "бегущий огонек" на микроконтроллере, вроде все заработало :oops:
Теперь решил продолжить свои учения на благо общества :)
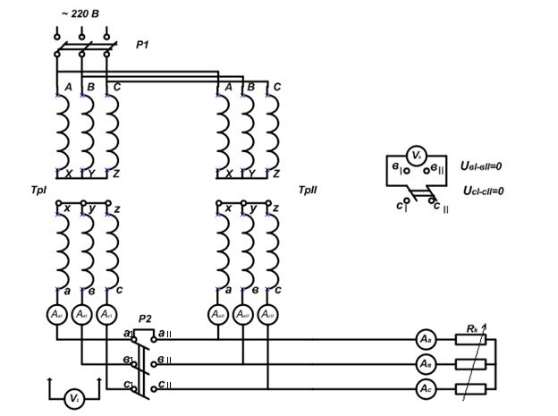
Вобщем, есть такая схема (во-вложении) для исследования характеристик трехфазного двухобмоточного трансформатора. Дело в том, что амперметры, которые сейчас используются на стенде старые стрелочные, а я поставил себе задачу заменить это все добро на цифровые (ну все красиво, есс-но оформить). Ток на нагрузке составляет 15-20 А переменного тока. Ток трансформаторов до 10 А. Как лучше реализовать такую схему?! Кто что подскажет буду очень благодарен!! МОжет есть готовые схемы и т.п.
Перед этим перерыл форум, есть схемы ЦА только вот мне не совсем понятно как их можно применить для конкретно моей схемы и для переменного тока.


Вложения:
PRTDT.JPG [30.9 KiB]
Скачиваний: 1262
Вернуться наверх
 
Не в сети
 Заголовок сообщения: Re: цифровой амперметр переменного тока
СообщениеДобавлено: Вт апр 01, 2014 14:56:48 
Друг Кота

Карма: 28
Рейтинг сообщений: 568
Зарегистрирован: Чт май 05, 2011 21:26:34
Сообщений: 4550
Откуда: Украина, Славутич
Рейтинг сообщения: 0
Стрелочные наглядней будут...

Но если... то все достаточно тривиально - 6 штук трансформаторов тока с нагрузками во вторичной обмотке, по каждому каналу выпрямитель на операционнике и сигнал с него на АЦП микроконтроллера, дальше программа и динамическая индикация. Можно применить как 6 МК по одному на канал, либо один МК с 6-канальным АЦП(8-канальным, если нужны еще и напряжения) и большой разрядности динамическую индикацию вроде 14-21-28 сегментов на 8 разрядов.


Вернуться наверх
 
Не в сети
 Заголовок сообщения: Re: цифровой амперметр переменного тока
СообщениеДобавлено: Вт апр 01, 2014 23:37:21 
Родился

Зарегистрирован: Вт апр 01, 2014 00:09:25
Сообщений: 2
Рейтинг сообщения: 0
А есть схема подобного решения, чтобы можно было пвторить?


Вернуться наверх
 
Не в сети
 Заголовок сообщения: Re: цифровой амперметр переменного тока
СообщениеДобавлено: Ср апр 02, 2014 00:16:20 
Друг Кота

Карма: 28
Рейтинг сообщений: 568
Зарегистрирован: Чт май 05, 2011 21:26:34
Сообщений: 4550
Откуда: Украина, Славутич
Рейтинг сообщения: 0
У меня - точно нет. Может кто-то и заморачивался этим, но скорей всего такая разработка осталась в единственном экземпляре и в глубоком оффлайне повторить которую даже автор не сможет.
Многое ведь определяется еще и доступными деталями. Начните с ТТ, выпрямители и измерительную часть можно поручить разным людям, так же как и монтаж индикаторов и разводка. Но прежде надо определится с примерной конструкцией - прикинуть как будет лучше, много проводов под индикаторы, или для каждой группы своя схема соединенная парой сигнальных проводов и двумя проводами питания. Можно вообще сделать статическую индикацию - один индикатор->один регистр сдвига вроде HC595, тогда все они будут взаимозаменяемыми и соединены все последовательно минимальным количеством проводов.


Вернуться наверх
 
Не в сети
 Заголовок сообщения: Re: цифровой амперметр переменного тока
СообщениеДобавлено: Вт янв 02, 2018 20:02:26 
Потрогал лапой паяльник
Аватар пользователя

Карма: 3
Рейтинг сообщений: 49
Зарегистрирован: Чт ноя 21, 2013 14:05:26
Сообщений: 342
Откуда: Україна
Рейтинг сообщения: 0
А есть схема?


Привет, ну так вы нашли то что искали???


Вернуться наверх
 
Не в сети
 Заголовок сообщения: Re: цифровой амперметр переменного тока
СообщениеДобавлено: Вт янв 02, 2018 20:24:42 
Друг Кота
Аватар пользователя

Карма: 123
Рейтинг сообщений: 7959
Зарегистрирован: Сб сен 13, 2014 16:27:32
Сообщений: 39199
Откуда: СпиртоГонск созвездия Омега
Рейтинг сообщения: 0
1 господа кулибины не забываеть паро-турбогенка НЕ ДЕТСКАЯ ИГРУШКА применять для управления и контроля НЕСЕРТИФИЦИРОВАНЫЕ поделки КАТЕГОРИЧЕСКИ ЗАПРЕЩЕНО изделия должны быть в ГОСРЕЕСТРЕ СРЕДСТ ИЗМЕРЕНИЙ С ДОПУСКОМ ДЛЯ ПОДОБНОГО ПРОМ ПРОФПРИМЕНЕНИЯ требуют регулятной поверки раз в полгода... это же относится и к ТТ
если просто для себя -мониторить скока жрет ваша паяла или ПЫЛО-СОС или ВЫТЯЖКА то ФЛАК-ВРУКУ...
_____
но применение обычных панелей для постоянки с линейным детектором (даже через ТТ) идея тупиковая такие приборы мерят или ПИК- амплитуду или средне значение за время цикла измерения причем могут как усреднять за 10 циклов так и нет...
а нужно TRUERMS чего нет ни в 1 прошивке чотоя встречал поэтому требуется термоэлектрический преобразователь со схемой корекциии нелинейности ка в прибор в3-42 или подобная схема на базе самого процика-тоесть мошная прошивка на мошном быстром камне а не копеечная дешевка из китая годнв для переделок показометры толка на STM их можно кстати перешить внутрисхемно но придется зарисовать схему платы(вашей конкретно с деталями) и уровень проф програмера в СТМ ах...думаю обычный пик-авр просто не вытянет БЫСТРОЕ изсерение синуса с искаженияеми 10% в реалтайме...+вывод на ДИ...МОЖНО САМУ ПРЕД ацп ДЛЯ ПЕРЕМЕНКИ СДЕЛАТЬ НА 2 мк С ВНЕШНИМ ацп И ИОН А ВЫВОД ПОРУЧИТЬ КИТАЦУ -ТОМУ МК ЧТО ВВРОЛТМЕТРЕ

_________________
ZМудрость(Опыт и выдержка) приходит с годами.
Все Ваши беды и проблемы, от недостатка знаний.
Умный и у дурака научится, а дураку и ..
Алберт Ейнштейн не поможет и ВВП не спасет.и МЧС опаздает


Вернуться наверх
 
Не в сети
 Заголовок сообщения: Re: цифровой амперметр переменного тока
СообщениеДобавлено: Вт янв 02, 2018 22:10:52 
Потрогал лапой паяльник
Аватар пользователя

Карма: 3
Рейтинг сообщений: 49
Зарегистрирован: Чт ноя 21, 2013 14:05:26
Сообщений: 342
Откуда: Україна
Рейтинг сообщения: 0
Нормально вас колбасит...
:-)) Вас тоже с Новым Годом!


Вернуться наверх
 
Не в сети
 Заголовок сообщения: Re: цифровой амперметр переменного тока
СообщениеДобавлено: Ср янв 03, 2018 01:25:11 
Друг Кота
Аватар пользователя

Карма: 62
Рейтинг сообщений: 889
Зарегистрирован: Вт апр 24, 2007 07:45:40
Сообщений: 6194
Откуда: Minsk
Рейтинг сообщения: 0
musor писал(а):
а нужно TRUERMS чего нет ни в 1 прошивке чотоя встречал поэтому требуется термоэлектрический преобразователь со схемой корекциии нелинейности

Спойлер"Если к вам не прижимаются в метро, это не значит, что в Париже нет метрополитена"© к/ф "Ищите женщину"


Изображение

Правда, когда мы 20 лет назад это спроектировали, не нашлось доброй души , чтоб подсказать , что нужны термоэлектрические преобразователи, так и пашут наши РЗ , бедные, вычисляя True RMS без этих самых.

Да, без musor'a не так смешно было в этом форуме. То его понесет громить некропост десятилетней давности, то измерительные технологии для МГц - ГГц в приборы для 50Гц втюхивать начинает. :shock:
Ну, правда, Новый год продолжается, и не такое можно написа'ть.

И как это AD в свих МК для счетчиков электроэнергии без ТЭП обошлись - уму непостижимо. :shock:


Вложения:
RZ.JPG [34.86 KiB]
Скачиваний: 1921

_________________
Изображение
Вернуться наверх
 
Не в сети
 Заголовок сообщения: Re: цифровой амперметр переменного тока
СообщениеДобавлено: Ср янв 03, 2018 06:37:23 
Друг Кота
Аватар пользователя

Карма: 123
Рейтинг сообщений: 7959
Зарегистрирован: Сб сен 13, 2014 16:27:32
Сообщений: 39199
Откуда: СпиртоГонск созвездия Омега
Рейтинг сообщения: 0
а где вы видели счетчик на АVR .PIC Там обычно спецчип АЦП для замера стоит или процесоры от техаских инструментоф MSP430
кстати в ваших не оне ли стоять? если конечно не секрет и вы их шкуркой ка китай не затираете??? ка некоторые деятели когда stm32f003 пихали в подобное еще даже не зная чтоэто нелзя делать по ряду причин
ну а про AналныхDевиц мне известно давно но про них никто и не упомянуло
и да таки соглашуст таки ести очень посторатца можно наверно замутить интегралы на дермовом мк....правда все другое придется делать апаратно...ну собствено в упомянутых 3ф счетчиках так и сделано было.. их у меня бывало хоть и процих MSP430 и немало других чпов в часности внешняя рама
но деталки там другие стояли
а ТЭП кстати не так плохи и крайне дешевы и главное легко делаются на коленке
или берутся из отходов

Добавлено after 5 minutes 37 seconds:
пс сейчас набегут адуинщики и таккамизакидая начнут говорить что на ардошкеиде можно написать пржку для этого...

Добавлено after 2 minutes 18 seconds:
ППС кстати мое мнение МК в защте мотора -ЗЛО... там ка рас чем проще тем надежне

_________________
ZМудрость(Опыт и выдержка) приходит с годами.
Все Ваши беды и проблемы, от недостатка знаний.
Умный и у дурака научится, а дураку и ..
Алберт Ейнштейн не поможет и ВВП не спасет.и МЧС опаздает


Вернуться наверх
 
Не в сети
 Заголовок сообщения: Re: цифровой амперметр переменного тока
СообщениеДобавлено: Ср янв 03, 2018 10:57:45 
Друг Кота
Аватар пользователя

Карма: 62
Рейтинг сообщений: 889
Зарегистрирован: Вт апр 24, 2007 07:45:40
Сообщений: 6194
Откуда: Minsk
Рейтинг сообщения: 0
Никаких тайн, защиты сделаны на Мега103, когда она умерла, перешли на Мега128. Не то, что затирать маркировку - даже прошивку залочивать не стали. В наше время бизнеса по типу "укради-отними-продавай" просто нет желающих хоть что-нибудь выпускать, даже спиукраденное, а Китай далеко.Подробности раскрывать не буду, копирайт не мой, а фирмы, на которую я работал по договору подряда как ИП.
Насчет ТЭП. Один только вопрос: оно обеспечит время реакции 10мс? Ну вот то-то и оно. В измериловке нам подождать секунду-другую - не горит, а двигатель, у которого нагрузка заклинила, горит, сцуко несознательное, испуская зловоние и останавливая наглухо технологический процесс.
Можно, конечно, на трактор Беларус прикошачить турбину от Боинга, но родной дизель от ММЗ все-тки лучше, пожалуй.
А насчет чем проще, тем лучше - это популярнейшее заблуждение, чтоб не загромождать форум, я повергну в прах в своем Облаке чуть попозже, отойдя от НГ.
Самокритично признаю : на специализированных МК можно было бы сделать лучше, но так исторически сложилось: сначала делали на ST62XX, абсолютно не годящихся для этой цели (почему - не будем о грустном...), потом портировали на Атмелы.
Конечно, если в каком-нить НИИ, то один отдел занимается сопровождением идущих изделий, другой на новой, "с полу - с жару" элементной базе готовит замену с улучшенным функционалом. Щаззз ! Фирма на арендованных кв. метрах, 15чел., включая бухгалтеров и уборщицу :o И это все: разработка, изготовление оснастки, выпуск продукции, шеф-монтаж, обучение потребителей, выполнение гарантийных обязательств и еще много чего.
СпойлерКстати, еще о грустном... Это на гнилом и диком Западе один булгахтер - и не в штате, а по договору - ведет десяток таких фирм. А с нашим тотальным налоговым, ОБЭПным, пожарно-санитарным и прочим контролем обложиться бумажками нужно со всех сторон, тем боле законы-указы-дэкрэты меняются ежеминутно. "Больше бумаг - чище #опа" - житейская мудрость совейского и постсовейского хозяйственника.

Ладно, не полезем в облако, приведу один только пример из практики (а их много было!)
СпойлерПриезжает гл. энергетик: "Мне защита нужна. Что?! ХХХ $!? Да вы уху ели, за эти бабки я десяток куплю! Вот смотрите" Достает из чемодана коробочку чуть побольше пачки чая. "Вот видите: один! потенциометр и два! светодиодика. Включаем, крутим потенц, пока погаснет красный и загорится зеленый. Все! А вы тут с вашими #@&ными настройками по 12 параметрам - идите ...."
Не прошло и недели - приезжает как в воду опущенный. "....ь! Заклинил привод, и 50 кВт-ный движок сгорел на фиг. А эта хрень - даже и не шелохнулась, хотя кроме нее были и традиционные средства защиты: автомат на отсечку, термичка - на перегрев. Пока нашли новый, пока из другого города привезли кран - двигун установлен был на высоте - завод стоял. За те убытки, что мы понесли - мы бы всю вашу годовую продукцию могли купить. В общем, для начала десяток заказываю, потом, видимо, еще"
В общем, простота, как замечено в народе, иногда хуже воровства. Конечно, ставить МК-РЗ на пивной насос было бы глупо, но на серьезных производствах для минимизации возможных рисков затраты оправданы. По уму рассчитаный прибор, как забором у заботливого хозяина, отгородит двигатель от аварийных ситуаций, где будет учтено все: и пуск с максимальной загрузкой привода, и мгновенную реакцию на многократные перегрузки, и длительный, хоть вроде небольшой перегрев, и обрыв фазы, и перекос фаз, и ТНП - да мало ли чего, всю настройку перечислять не буду.
Это не реклама - фирму не называю :)

_________________
Изображение


Вернуться наверх
 
Не в сети
 Заголовок сообщения: Re: цифровой амперметр переменного тока
СообщениеДобавлено: Сб янв 27, 2018 23:24:11 
Потрогал лапой паяльник
Аватар пользователя

Карма: 3
Рейтинг сообщений: 49
Зарегистрирован: Чт ноя 21, 2013 14:05:26
Сообщений: 342
Откуда: Україна
Рейтинг сообщения: 0
Так это. А цифровой Амперметр все таки сделали??


Вернуться наверх
 
Показать сообщения за:  Сортировать по:  Вернуться наверх
Начать новую тему Ответить на тему  [ Сообщений: 21 ]  1,  

Часовой пояс: UTC + 3 часа


Кто сейчас на форуме

Сейчас этот форум просматривают: нет зарегистрированных пользователей и гости: 18


Вы не можете начинать темы
Вы не можете отвечать на сообщения
Вы не можете редактировать свои сообщения
Вы не можете удалять свои сообщения
Вы не можете добавлять вложения

Найти:
Перейти:  


Powered by phpBB © 2000, 2002, 2005, 2007 phpBB Group
Русская поддержка phpBB
Extended by Karma MOD © 2007—2012 m157y
Extended by Topic Tags MOD © 2012 m157y