Например TDA7294

Форум РадиоКот • Просмотр темы - Радиостанция CB(Си-Би)
Форум РадиоКот
Здесь можно немножко помяукать :)

Текущее время: Пн дек 29, 2025 14:30:01

Часовой пояс: UTC + 3 часа


ПРЯМО СЕЙЧАС:



Начать новую тему Ответить на тему  [ Сообщений: 2069 ]     ... , , , 48, , , ...  
Автор Сообщение
Не в сети
 Заголовок сообщения: Re: Радиостанция СВ
СообщениеДобавлено: Вт май 29, 2018 14:23:22 
Модератор
Аватар пользователя

Карма: 158
Рейтинг сообщений: 1600
Зарегистрирован: Пт апр 28, 2006 15:26:07
Сообщений: 11940
Откуда: Россия.
Рейтинг сообщения: 0
Медали: 2
Мявтор 3-й степени (1) Лучший человек Форума 2017 (1)
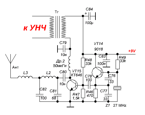
А вот когда поменял на какой-то старый кварц 27.000.0000
Все таки у вас вероятно сначала стоял гармониковый кварц, а сейчас тот, что нужно, 27 МГц основной гармоники.
Сейчас "раскопал" свою рабочую макетку и посмотрел.
Изображение
У меня в задающем генераторе в эмиттере даже дросселя нет.
Транзистор в задающем 9018. Оконечный на КТ3117Б
С диодом Д311 на выходе 3,8 вольт.
С диодом КД522 на выходе 3,4 вольт. Это понятно. Кремниевый диод показания занижает.
Если ставлю дроссель в задающий генератор, то напряжение возрастает до 5 с лишним вольт и выходной транзистор КТ3117Б перегревается. Нужно ставить два в параллель как здесь
http://www.radiocxema.h1n.ru/2018/05/05 ... -мгц-с-чм/
Это с ЧМ, но его можно и в АМ переделать.
Изображение
Или менять на КТ603, а лучше на КТ646, но я не стал. Мне мощности больше не нужно, т.к. предполагается питание от "кроны"


Вложения:
2.jpg [56.05 KiB]
Скачиваний: 1316
Вернуться наверх
 
Не в сети
 Заголовок сообщения: Re: Радиостанция СВ
СообщениеДобавлено: Вт май 29, 2018 15:41:26 
Собутыльник Кота
Аватар пользователя

Карма: 14
Рейтинг сообщений: 121
Зарегистрирован: Сб май 21, 2016 11:04:52
Сообщений: 2977
Откуда: Беларусь
Рейтинг сообщения: 0
Поставил назад 2n2222a китайсккий. Напряжение выросло еще почти на вольт до 3.9В, но это уже с дросселем и резистором 180 ом.
на выходе 1n4148 значит еще можно добавить 0.4 вольта, т.е .4.3 (4.3*4.3/100=185 мвт). Уже кое-что.

2n2222a греется не критично, едва теплый
кт3117 у меня нету, кт608a - получается что рабочий, но не самый лучший вариант.

Ха, а R7 то у Вас 1ком, а у меня 1.5к, то.есть еще есть ресурсы на увеличение мощности.

Добавлено after 1 minute 17 seconds:
ну и не забываю подкручивать П контур. Гдето посредине ввода сердечинка есть максимум, стоит ли добавлять или убовлять витки?

Добавлено after 4 minutes 15 seconds:
Изображение
стоит ли играться на понижение R8 И R7 для УВЕЛИЧЕНИЯ МОЩНОСТИ?

Добавлено after 1 minute 7 seconds:
У меня сейчайс как на схеме.

Добавлено after 6 minutes 9 seconds:
по рекомендациям моего товариша поменял елементи п-контура. резистор 1к вибросил. на базу 750ом.получилося при 9в 123мвт при 12в 200мвт. при етой недосконалой модуляции в базу . при 12в смог раскачать даже до 330мвт но уходило в возбуд . поетому уменьшив до уровня стабильной работи.

тут челове писал что это помогло

Добавлено after 3 minutes 42 seconds:
и стоит ли мне увеличивать индуктивность дросселей с 20 до 50мкг?
стоит ли запаять 2 по 2n2222 в параллель для увеличения мощности?


Вернуться наверх
 
Не в сети
 Заголовок сообщения: Re: Радиостанция СВ
СообщениеДобавлено: Вт май 29, 2018 15:43:52 
Модератор
Аватар пользователя

Карма: 158
Рейтинг сообщений: 1600
Зарегистрирован: Пт апр 28, 2006 15:26:07
Сообщений: 11940
Откуда: Россия.
Рейтинг сообщения: 1
Медали: 2
Мявтор 3-й степени (1) Лучший человек Форума 2017 (1)
стоит ли играться на понижение R8 И R7 для УВЕЛИЧЕНИЯ МОЩНОСТИ?
Не стоит больше мощность увеличивать в этой схеме.
Хотите большую мощность, переходите на трехкаскадную схему с оконечником на КТ603Б(Е), КТ608Б или КТ646.
А в импорте есть транзисторы, с которыми можно получить еще бОльшую мощность при низком питании, но они дорогие.
и стоит ли мне увеличивать индуктивность дросселей с 20 до 50мкг?
Индуктивность дроссселя здесь мало что изменит.
стоит ли запаять 2 по 2n2222 в параллель для увеличения мощности?
Это все равно, что поставить один КТ603 или КТ608


Вернуться наверх
 
Не в сети
 Заголовок сообщения: Re: Радиостанция СВ
СообщениеДобавлено: Вт май 29, 2018 16:13:11 
Собутыльник Кота
Аватар пользователя

Карма: 14
Рейтинг сообщений: 121
Зарегистрирован: Сб май 21, 2016 11:04:52
Сообщений: 2977
Откуда: Беларусь
Рейтинг сообщения: 0
а если 2.5 метра провод цеплять на выход в виде антены то, как я понимаю, удлинняющая катушка не нужна?
если антенная равна четверти длинны волны?

Добавлено after 23 minutes 19 seconds:
старик писал(а):
Это все равно, что поставить один КТ603 или КТ608



у меня кт608 в этой схеме не очень хорошо себя показал, дал только 3 вольта.
Хотелось бы , конечно, полвата получить.

Добавлено after 1 minute 17 seconds:
а если увеличить питание передачика с 5.15 до 6.2В?


Вернуться наверх
 
Эиком - электронные компоненты и радиодетали
Не в сети
 Заголовок сообщения: Re: Радиостанция СВ
СообщениеДобавлено: Вт май 29, 2018 17:37:24 
Модератор
Аватар пользователя

Карма: 158
Рейтинг сообщений: 1600
Зарегистрирован: Пт апр 28, 2006 15:26:07
Сообщений: 11940
Откуда: Россия.
Рейтинг сообщения: 0
Медали: 2
Мявтор 3-й степени (1) Лучший человек Форума 2017 (1)
а если увеличить питание передачика с 5.15 до 6.2В?
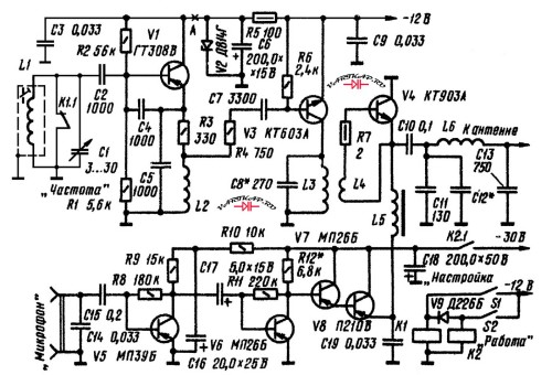
В схеме с эмиттерным повторителем нужно увеличивать напряжение питания модулятора раза в два. На выходе эмиттерного повторителя должно быть где то половина питания.
Вот как здесь сделали. Передатчик питается от 12 вольт, а модулятор и эмиттерный повторитель от 30 вольт.
Изображение
Или делать схему с модулирующим трансформатором.
Изображение
В этих схемах усилитель мощности питается от большого напряжения.
В первом случае на выходе эмиттерного повторителя половина от 30 вольт, а в случае с трансформатором и питание нужно только одно, но усилитель мощности будет питаться от полного напряжения, т.е. от 9 вольт, минус небольшое падение на обмотке трансформатора.
В этих случаях мощность можно теоретически увеличить в четыре раза, на практике раза в три.

Вот пример такой простой радиостанции.
http://www.radiocxema.h1n.ru/2018/06/05 ... ным-транс/
Изображение

При том же напряжении питания у ней мощность 500 мВт.

Ваш же передатчик нужно оставить, т.к. вы выжали из этой схемы все, на что она способна, т.е. 150 мВт получили от неё и все. Эта мощность от неё и ожидалась.


Вложения:
Тр.GIF [8.79 KiB]
Скачиваний: 1505
1.png [143.47 KiB]
Скачиваний: 1284
Вернуться наверх
 
Не в сети
 Заголовок сообщения: Re: Радиостанция СВ
СообщениеДобавлено: Вт май 29, 2018 18:31:48 
Собутыльник Кота
Аватар пользователя

Карма: 14
Рейтинг сообщений: 121
Зарегистрирован: Сб май 21, 2016 11:04:52
Сообщений: 2977
Откуда: Беларусь
Рейтинг сообщения: 0
Вы говорили, что сложно сделать такой трансформатор, а в чем конкретно там проблема?


Вернуться наверх
 
Не в сети
 Заголовок сообщения: Re: Радиостанция СВ
СообщениеДобавлено: Вт май 29, 2018 19:51:09 
Модератор
Аватар пользователя

Карма: 158
Рейтинг сообщений: 1600
Зарегистрирован: Пт апр 28, 2006 15:26:07
Сообщений: 11940
Откуда: Россия.
Рейтинг сообщения: 1
Медали: 2
Мявтор 3-й степени (1) Лучший человек Форума 2017 (1)
Сложность зависит от мощности передатчика.
Для мощностей порядка 1 Вт сделать модулирующий трансформатор несложно.


Вернуться наверх
 
Не в сети
 Заголовок сообщения: Re: Радиостанция СВ
СообщениеДобавлено: Вт май 29, 2018 19:53:18 
Это не хвост, это антенна

Карма: 7
Рейтинг сообщений: 148
Зарегистрирован: Пт янв 01, 2016 13:00:20
Сообщений: 1453
Откуда: Москва
Рейтинг сообщения: 1
Обычный повышающий транс, легче простого.


Вернуться наверх
 
Не в сети
 Заголовок сообщения: Re: Радиостанция СВ
СообщениеДобавлено: Вт май 29, 2018 19:58:04 
Грызет канифоль
Аватар пользователя

Карма: 3
Рейтинг сообщений: 24
Зарегистрирован: Вт мар 15, 2016 23:30:43
Сообщений: 292
Откуда: Краснодарский край
Рейтинг сообщения: 1
Желательно поменьше габаритами :)))

Изображение

Добавлено after 1 minute 14 seconds:
И + кт610


Вернуться наверх
 
Не в сети
 Заголовок сообщения: Re: Радиостанция СВ
СообщениеДобавлено: Вт май 29, 2018 20:44:48 
Собутыльник Кота
Аватар пользователя

Карма: 14
Рейтинг сообщений: 121
Зарегистрирован: Сб май 21, 2016 11:04:52
Сообщений: 2977
Откуда: Беларусь
Рейтинг сообщения: 0
с приемника выходной транс, там где в старых схемах трансформаторный УНЧ - пойдет?

Добавлено after 2 minutes 21 second:
да, без настройки тут никак, теперь с микрофоном и усилителем запара. В общих чертах - низкая чувствительность микрофона. Решил на дурака сначала, все подключить и заработает. Нет, ничего подобного.


Вернуться наверх
 
Не в сети
 Заголовок сообщения: Re: Радиостанция СВ
СообщениеДобавлено: Вт май 29, 2018 21:12:36 
Модератор
Аватар пользователя

Карма: 158
Рейтинг сообщений: 1600
Зарегистрирован: Пт апр 28, 2006 15:26:07
Сообщений: 11940
Откуда: Россия.
Рейтинг сообщения: 0
Медали: 2
Мявтор 3-й степени (1) Лучший человек Форума 2017 (1)
в чем конкретно там проблема?
Зависит от мощности передатчика.
Если передатчик мощный, то неудобно, т.к. мощность модулятора должна быть практически равна выходной мощности передатчика и трансформатор получается и большой и дорогой.

Если мощность до 1 Вт, то можно применить упрощенную схему.
Изображение
Недостаток схемы, что через обе обмотки течет постоянная составляющая, т.е. происходит подмагничивание сердечника. Нужен зазор.
Сопротивление обмоток должно быть как можно меньше, что бы избежать большого падения напряжения питания на обмотках, поэтому диаметр провода приходится увеличивать, хотя первичную обмотку можно намотать проводом тоньше, но при этом коэффициент трансформации сделать больше единицы.
Порядка 1:1,2
Сопротивление обмоток делать не более 5 Ом.
Все это увеличивает размер сердечника.
Для 1 Вт габариты трансформатора получаются порядка 2х2х1 см

Для передатчика порядка 3 Вт модулятор лучше делать по двухтактной схеме, что исключит подмагничивание в первичной обмотке, но зазор в сердечнике придется оставить, т.к. по вторичной обмотке протекает постоянный ток.
Сопротивление вторичной обмотки должно быть не более 2 Ом.
Изображение
Габариты соответственно будут больше, чем в первом случае.

Для более мощных передатчиков применяют дополнительный НЧ дроссель в питании. Габариты его должны быть довольно большими.
Изображение
В данном случае трансформатор работает без подмагничивания. Делается без зазора и габариты его снижаются, но все равно будут довольно большими.
Сопротивление обмоток здесь примерно такие же, что и во втором случае, а вот сопротивление НЧ дросселя должно быть очень маленьким, а значит мотать его придется толстым проводом.

При этом модуляцию лучше делать комбинированную, т.е. вводить предмодуляцию в предвыходной каскад. Коэффициент модуляции в предвыходном каскаде делать порядка 0,5


Вложения:
т3.gif [5.69 KiB]
Скачиваний: 3938
т2.gif [4.48 KiB]
Скачиваний: 3920
т1.gif [3.69 KiB]
Скачиваний: 3857
Вернуться наверх
 
Не в сети
 Заголовок сообщения: Re: Радиостанция СВ
СообщениеДобавлено: Вт май 29, 2018 22:28:52 
Собутыльник Кота
Аватар пользователя

Карма: 14
Рейтинг сообщений: 121
Зарегистрирован: Сб май 21, 2016 11:04:52
Сообщений: 2977
Откуда: Беларусь
Рейтинг сообщения: 0
да уж целая наука.

Что то у меня с модуляцией не то. Все собрал по схеме как описали на предыдущей странице.
Воткнул наушник на выход с эммитернего повторителя (у меня bd139), там еще поставил резюк на 100 паралельно выходу, на вход подал с линейного выхода, звук с телефона идет хороший, но тихий. Если подношу приемник близко 3-5 метров, то кое-что слышно, а вот если уношу на балкон, считай через весь дом, то несущая есть а звука нет, практические нет, едва кое-что можно уловить. Пробовал на ОУ ставить и 100 к и 300 к. Существенной разиницы нету.


Вернуться наверх
 
Не в сети
 Заголовок сообщения: Re: Радиостанция СВ
СообщениеДобавлено: Ср май 30, 2018 07:34:59 
Модератор
Аватар пользователя

Карма: 158
Рейтинг сообщений: 1600
Зарегистрирован: Пт апр 28, 2006 15:26:07
Сообщений: 11940
Откуда: Россия.
Рейтинг сообщения: 0
Медали: 2
Мявтор 3-й степени (1) Лучший человек Форума 2017 (1)
а звука нет, практические нет
Вы хоть питание на "4" и"8" ногу ОУ подали?
Изображение
Сначала не вход ничего не подавайте. На выходе ОУ должно быть 4,5 вольт постоянного напряжения.
После этого делайте "диодный НЧ пробник". Он на схеме обведен. Используйте все возможности доступные вам для подучения измерений.
1. На вход подаете звуковой сигнал "посильнее".
2. Пробник подключаете на выход ОУ. Должен показать где то 3,5 вольта.
3. Пробник подключаете на выход эмиттерного повторителя. Должен показать где то около 3 вольт.


Вернуться наверх
 
Не в сети
 Заголовок сообщения: Re: Радиостанция СВ
СообщениеДобавлено: Ср май 30, 2018 08:19:36 
Это не хвост, это антенна

Карма: 7
Рейтинг сообщений: 148
Зарегистрирован: Пт янв 01, 2016 13:00:20
Сообщений: 1453
Откуда: Москва
Рейтинг сообщения: 0
С 87 (можно и другие) большое сопротивление имеет на частоте 1000гц, около 1.5 кОм. Надо бы увеличить . хотя бы до 1мкф (можно электролиты). Это даст увеличение сигнала НЧ после операционника. Можно увеличить R78 раза в 2-3 для этих же целей


Вернуться наверх
 
Не в сети
 Заголовок сообщения: Re: Радиостанция СВ
СообщениеДобавлено: Ср май 30, 2018 08:49:06 
Модератор
Аватар пользователя

Карма: 158
Рейтинг сообщений: 1600
Зарегистрирован: Пт апр 28, 2006 15:26:07
Сообщений: 11940
Откуда: Россия.
Рейтинг сообщения: 0
Медали: 2
Мявтор 3-й степени (1) Лучший человек Форума 2017 (1)
Это даст увеличение сигнала НЧ после операционника.
В схеме нет проблемы получить нужное усиление.
Проблема там в другом. В статье про это писали.
https://radiokot.ru:443/circuit/analog/ ... ansmit/46/
Код:
данный ОУ с большим трудом выдает нужное нам выходное напряжение. Начинает ограничивать сигнал. Главное же, что бы он давал размах напряжения НЧ порядка 7 – 8 вольт от пика до пика, поэтому сюда хорошо бы было поставить ОУ rail-to-rail по выходу
Но дело в том, что при разработке схемы было ограничение на выбор ОУ. По предварительным условиям было разрешено ставить ОУ или LM358, или TL082


Вернуться наверх
 
Не в сети
 Заголовок сообщения: Re: Радиостанция СВ
СообщениеДобавлено: Ср май 30, 2018 15:00:43 
Собутыльник Кота
Аватар пользователя

Карма: 14
Рейтинг сообщений: 121
Зарегистрирован: Сб май 21, 2016 11:04:52
Сообщений: 2977
Откуда: Беларусь
Рейтинг сообщения: 0
aen писал(а):
Вы хоть питание на "4" и"8" ногу ОУ подали?


обижаете....

Добавлено after 5 minutes 59 seconds:
Оу работает, микрофон работает, чутье хорошее.

с ОУ на базу эммитерного повторителя идет вполне качественный сигнал.

Добавлено after 9 minutes 43 seconds:
(замеряно наушником)

Добавлено after 5 hours 22 minutes 55 seconds:
работает короче, все, но звук очень тихий.
Не понятно, как оно вообще должно работать. Чем дальше отходишь с приемником тем тише звук. Ну и звук с хрипотцой, нужно наверно придавить на ОУ.
Вообще по дальности, я тут отошел в соседнее здание, там уже и несущей даже нет. Т.е в больших зданиях с такой мощностью наверно и делать нечего

Добавлено after 3 minutes 6 seconds:
попробую в выходные в лесу, может лучший результат будет.
Плату радиоуправления на двух транзисторах было еще слышно за 200 метров, но это в прямой видимости. Там ,правда, и модуляция получше, звук очень громкий. А тут звук еле-еле слышен.


Вернуться наверх
 
Не в сети
 Заголовок сообщения: Re: Радиостанция СВ
СообщениеДобавлено: Ср май 30, 2018 15:14:48 
Модератор
Аватар пользователя

Карма: 158
Рейтинг сообщений: 1600
Зарегистрирован: Пт апр 28, 2006 15:26:07
Сообщений: 11940
Откуда: Россия.
Рейтинг сообщения: 0
Медали: 2
Мявтор 3-й степени (1) Лучший человек Форума 2017 (1)
с такой мощностью наверно и делать нечего
Из теории:
"Что бы увеличить дальность связи в два раза, нужно увеличить мощность передатчика в 16 раз или увеличить чувствительность приемника в 4 раза"

Отсюда решайте, что выгоднее сделать?
замеряно наушником
Наушником не "замеряют".
Им слушают.
Это делали?
1. На вход подаете звуковой сигнал "посильнее".
2. Пробник подключаете на выход ОУ. Должен показать где то 3,5 вольта.
3. Пробник подключаете на выход эмиттерного повторителя. Должен показать где то около 3 вольт.
ж. Радио 5-1996 год.
СпойлерИзображение


Вернуться наверх
 
Не в сети
 Заголовок сообщения: Re: Радиостанция СВ
СообщениеДобавлено: Ср май 30, 2018 21:06:52 
Собутыльник Кота
Аватар пользователя

Карма: 14
Рейтинг сообщений: 121
Зарегистрирован: Сб май 21, 2016 11:04:52
Сообщений: 2977
Откуда: Беларусь
Рейтинг сообщения: 0
пробником на выходе ОУ пока не мерял. Я так подумал, по логике, а что там мерять, что там будет не так как у всех? Максимум что я могу сделать это резистором на ОУ настроить усиление. А так все штатно работает. Просто на плате радиоуправления когда команду нажимаеш то динамик прям разрывается.

Добавлено after 4 hours 35 minutes 41 second:
попробую подать сигнал с генератора.


Вернуться наверх
 
Не в сети
 Заголовок сообщения: Re: Радиостанция СВ
СообщениеДобавлено: Чт май 31, 2018 18:54:46 
Собутыльник Кота
Аватар пользователя

Карма: 14
Рейтинг сообщений: 121
Зарегистрирован: Сб май 21, 2016 11:04:52
Сообщений: 2977
Откуда: Беларусь
Рейтинг сообщения: 0
Когда сделаешь простую схему только тогда понимаешь зачем нужны сложные.

Может электролит на 1. мкф поставить?

Добавлено after 13 minutes 44 seconds:
Только вот каким боком, всегда путаю, как ставить электролиты переходные между каскадами.

Добавлено after 23 seconds:
наверно есть какое-то нехитрое правило?


Вернуться наверх
 
Не в сети
 Заголовок сообщения: Re: Радиостанция СВ
СообщениеДобавлено: Чт май 31, 2018 18:58:15 
Это не хвост, это антенна

Карма: 7
Рейтинг сообщений: 148
Зарегистрирован: Пт янв 01, 2016 13:00:20
Сообщений: 1453
Откуда: Москва
Рейтинг сообщения: 0
Плюс электролита ставится к той точке, где выше потенциал. Если теоретически не понятно-можно тестером измерить


Вернуться наверх
 
Показать сообщения за:  Сортировать по:  Вернуться наверх
Начать новую тему Ответить на тему  [ Сообщений: 2069 ]     ... , , , 48, , , ...  

Часовой пояс: UTC + 3 часа


Кто сейчас на форуме

Сейчас этот форум просматривают: Google [Bot] и гости: 18


Вы не можете начинать темы
Вы не можете отвечать на сообщения
Вы не можете редактировать свои сообщения
Вы не можете удалять свои сообщения
Вы не можете добавлять вложения

Найти:
Перейти:  


Powered by phpBB © 2000, 2002, 2005, 2007 phpBB Group
Русская поддержка phpBB
Extended by Karma MOD © 2007—2012 m157y
Extended by Topic Tags MOD © 2012 m157y