Радиостанция CB(Си-Би)

Обсуждаем приемники, передатчики, радиомикрофоны, жучки, генераторы, ВЧ-усилители, антенны и прочее радиохозяйство
Аватара пользователя
olegue
Собутыльник Кота
Сообщения: 2977
Зарегистрирован: Сб май 21, 2016 11:04:52
Откуда: Беларусь

Re: Радиостанция СВ

Сообщение olegue »

сейчас откатился на 47 страницу этой ветки, перечитываю и пытаюсь понять что я не так делал и делаю.
Zhenya
Открыл глаза
Сообщения: 59
Зарегистрирован: Пт май 11, 2018 11:48:44

Re: Радиостанция СВ

Сообщение Zhenya »

[uquote="olegue",url="/forum/viewtopic.php?p=3515763#p3515763"]"правильную" схему я пытался собрать и потратил на ее настройки много времени. Не удалось получить амп. модулированный сигнал в антене.[/uquote][uquote="olegue",url="/forum/viewtopic.php?p=3515838#p3515838"]пытаюсь понять что я не так делал и делаю.[/uquote]Так Вам на причину указывали.[uquote="Maks",url="/forum/viewtopic.php?p=3397180#p3397180"]А Вы по какому праву там питание вместо 9 вольт сделали 7 вольт, не сказав про это сразу?
Там же эти 9 вольт были исходным условием от которого и шли.
На всех схемах, что вам выкладывали, красным цветом рисовали 9 вольт
Там операционник и при 9 вольт работает в схеме на пределе, а Вы сделали 7 вольт и при этом не проинформировали.
При 7 вольт ОУ должен быть rail-tо-rail по выходу, а на выходе эмиттерного повторителя устанавливать 4 вольта, что к тому же еще и сильно уменьшит мощность передатчика.[/uquote]
roman.com
Друг Кота
Сообщения: 9147
Зарегистрирован: Вт мар 13, 2012 12:16:13
Откуда: .ru

Re: Радиостанция СВ

Сообщение roman.com »

Да выкинте вы вообще эти ОУ...)) Для эксперимета возьмите обычный магнитофон и подключите трансформатор вместо динамика магнитофона (какой не жалко).
1.jpg
(76.74 КБ) 746 скачиваний
Меняя громкоть (и тембр) добейтесь нормальной модуляции. Контролирую модуляцию на своём SDR приёмнике.
2.png
(28.74 КБ) 683 скачивания
Потом, когда всё заработает чётко, будете экспериментировать со всякими транзистроными модуляторами и ОУ...))
Аватара пользователя
yura860
Вымогатель припоя
Сообщения: 699
Зарегистрирован: Вс сен 08, 2013 21:36:22
Откуда: 27.200 Мгц

Re: Радиостанция СВ

Сообщение yura860 »

Ага выкинте эти ОУ и дастанте с антресолей граммофон :)))
лм 358 думаю просто неосилила КТ815 или что вы там поставили и поэтому такой плачевный результат :tea: Поставте вместо неё лм 386 это микромощный ОУ (УНЧ). Или микрофонный усилитель на её основе просто неработает по каким либо причинам .
СпойлерИзображение
Ну вот хотя бы как у меня :facepalm:
В этом варианте есть пред модуляция , её получил путём модуляции коллектора второго транзистора тем же сигналом которым модулирую коллектор выходного транзистора , подаю его через фильтр ВЧ (дроссель+0,1 мкф) . На фото видны все номиналы и направления дорожек, плата одностаронния питание от +5В и до 12В. Вот она на 5В на всю квартиру (трёшка панель) без антенны (приёмник тоже без антенны) пробивает без проблем :music:
При 12 В питания на выходе 13 вольт переменки =1,69Вт
При 5 В питания на выходе 5 вольт переменки=0,25Вт
СпойлерИзображение
Схемку набросал :tea:
Пока сам себя не пнёшь с места не сдвинешься
Аватара пользователя
olegue
Собутыльник Кота
Сообщения: 2977
Зарегистрирован: Сб май 21, 2016 11:04:52
Откуда: Беларусь

Re: Радиостанция СВ

Сообщение olegue »

То, что схемку набросали это отлично - это не пропадет. Уже когда увидел ваше сообщение тоже попытался сделать премодуляцию, согласитесь глупо, не разобравшись с обычно еще и пре- делать. Ну попробовал.


Перечитал, что мне писал еще на 47 странице aen и решил таки попробовать еще раз модулировать с помощью lm358 в коллектор оконечного транзистора с Кт815 (у меня bd139) .
Есть отличная несущая, все работает как и писал aen, в точности, я выставил 5.5 вольт в эмиттере bd139, подал сигнал, Нч сигнал увеличивает питания оконечного каскада до 7.5. Но звук я едва ли слышу на приемник, который находится в соседнем здании, к нему подключен удаленный доступ и я могу смотреть что он принимает.

Когда беру за резистор обратной связи на lm358 у меня появляется отличная модуляция и я отчетливо и громко слышу , то что я передаю. Что это может быть. Я ставил в обратную связь переменник на 500к . Но после 100к он почти не влияет. Пальцами я как будет либо добавляю емкость(пробовал ставить- ничего) либо уменьшаю сопротивление обратной связи (пробовал уменьшать - только хуже). Походу, я действительно споткнулся об эту микруху и надолго.


Про лм386 я уже сам местами подумывал, но если уж тут и схема нарисовалась, но буду делать. Но когда на плате стоит обвязаная лм358 и опытные люди говорят,ч то у них работает,ну просто на автомате сидишь и ломаешь голову.
Zhenya
Открыл глаза
Сообщения: 59
Зарегистрирован: Пт май 11, 2018 11:48:44

Re: Радиостанция СВ

Сообщение Zhenya »

[uquote="olegue",url="/forum/viewtopic.php?p=3516178#p3516178"]Когда беру за резистор обратной связи на lm358 у меня появляется отличная модуляция и я отчетливо и громко слышу , то что я передаю. Что это может быть.[/uquote]Не нужно там на за что хвататься.
Нужно взять осциллограф и сделать по шагам то, что написано в этой статье.
https://radiokot.ru:443/circuit/analog/ ... ansmit/46/

Изображение

Теперь настроим модулятор. Для этого потребуется генератор НЧ на частоту порядка 0,5 – 1 кГц. Можно сделать из статьи по ссылке, что давал выше.

Изображение

Подал его на вход модулятора.
Установил в точке «А» такую картинку.


Изображение

На выходе передатчика вижу такое.

Изображение

----------------------
Результат выложить сюда. Тогда можно будет что то сказать.
Вход осциллографа сделать открытый.
Вложения
1.gif
(13.16 КБ) 4044 скачивания
Аватара пользователя
aen
Модератор
Сообщения: 11940
Зарегистрирован: Пт апр 28, 2006 15:26:07
Откуда: Россия.
Контактная информация:

Re: Радиостанция СВ

Сообщение aen »

Решил поэкспериментировать с АМ передатчиками без модулирующего трансформатора с применением преобразователя напряжения DC-DC 9V/15V
Т.е. питание передатчика 9 вольт. Это напряжение с помощью DC-DC повышаю до 15 вольт и от него питаю модулятор.
Изображение
В этом случае получаем АМ передатчик по параметрам, как и с модулирующим трансформатором.
Преобразователь DC-DC можно по любой схеме. Я пока схему не выбрал. Если руки дойдут, то я наподобие такого сделаю.
Изображение
Взял передатчик, который в режиме молчания выдает 1 Вт, а значит мощность в пиках у него 4 Вт. Оконечник на КТ914, но «накололся» в том, что мой БП его не потянул. Поэтому стал экспериментировать с маломощными передатчиками, а мощный оставил на потом.

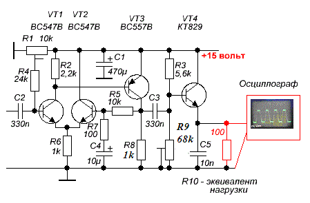
В модуляторе предпочтительнее применить ОУ rail-to-rail по выходу. У меня таких нет, поэтому сделал на транзисторах. За основу взял усилитель из этой статьи.
https://radiokot.ru:443/circuit/analog/games/24/
Звуковой генератор на частоту 1 кГц тоже оттуда.
Изображение
Составной транзистор КТ829 в принципе можно заменить парой обычных, а возможно и один обычный пойдет, хотя при мощности порядка 1 Вт и выше вряд ли одним можно будет обойтись.
Про замену составного транзистора двумя можно посмотреть в интернете. Я не пробовал, но думаю подойдет схема составного эмиттерного повторителя.
Изображение

На вход подал сигнал 1 кГц. С помощью входного регулятора уровня в генераторе и с помощью резистора R1 в модуляторе добился такой картинки.
У меня получилось, что на вход модулятора нужно подать порядка 70 милливольт.

Изображение

Видно, что синусоида с частотой 1 кГц располагается в пределах 2 – 15 вольт.
С помощью резистора R9 добился на выходе эмиттерного повторителя VT4 примерно такой же картинки. Нужно добиться максимальной амплитуды, но что бы синусоида «не резалась» ни с низу, ни сверху.

Сначала взял передатчик из этой статьи и переделал его под АМ модуляцию.
https://radiokot.ru:443/artfiles/6445/
К этому передатчику «приделал» этот модулятор.
Изображение
Сигнал с передатчика смотрел на эквиваленте нагрузки. (Резистор R4 51 Ом)
В режиме молчания на выходе вижу напряжение уровнем 4 вольта. Это значит мощность в режиме молчания где то порядка 160 мВт.

Изображение

Подаю на вход модулятора сигнал 1 кГц, и через детекторную головку вижу соответственно такую картинку на выходе передатчика, т.е. ту же синусоиду 1 кГц, что подал на модулятор.

Изображение

Синусоида практически не искажается. Коэффициент модуляции почти 100%. В пике имеем 7 вольт, а значит пиковая мощность где то 0,5 Вт.
В принципе модуляция получилась вполне приличная без «предмодуляции»

Теперь взял передатчик отсюда.
http://www.radiocxema.h1n.ru/2018/06/05 ... ным-транс/
Изображение
В нем модуляцию подал не с модулирующего трансформатора, а с вновь собранного модулятора.
В режиме молчания мощность получилась где то порядка 0,5 Вт. На выходном транзисторе у меня небольшой радиатор.
При подаче сигнала на модулятор получил такую картинку.

Изображение

Мощность в пике где то чуть больше 1 Вт, но коэффициент модуляции получился порядка 60%. В принципе вполне нормально, хотя что бы получить еще больше, то здесь уже, в более мощном передатчике требуется предмодуляция.
В данных схемах в выходном каскаде стоит транзистор КТ635А. По моми наблюдениям он имеет коэффициент усиления по мощности намного больше, чем например КТ603 или КТ608.
Вложения
1.gif
(10.71 КБ) 4172 скачивания
2.gif
(21.19 КБ) 3775 скачиваний
АМ_8вольт.GIF
(21.41 КБ) 752 скачивания
Photo-перда.jpg
(28.11 КБ) 4626 скачиваний
Photo-2Впер.jpg
(18.09 КБ) 4869 скачиваний
Photo-2Вмолч.jpg
(14.81 КБ) 5667 скачиваний
Photo оу.jpg
(18.68 КБ) 4534 скачивания
DC-DC.GIF
(3.41 КБ) 4061 скачивание
5-81.gif
(10.77 КБ) 4497 скачиваний
Аватара пользователя
aen
Модератор
Сообщения: 11940
Зарегистрирован: Пт апр 28, 2006 15:26:07
Откуда: Россия.
Контактная информация:

Радиостанция СВ

Сообщение aen »

[uquote="olegue",url="/forum/viewtopic.php?p=3516602#p3516602"]Ну там гдето на 2 деления размах - 2 вольта.[/uquote]Что то у тебя не то.
Или в схеме "накосячил" или что то не то с ОУ.
Теоретически с LM358 можно получить такое.

Изображение

На практике получается похуже. И до нуля где то на 0,5 вольта полностью не доходит и сверху чуть больше, чем 1,5 вольта режется, но все равно не так, как срезалось у тебя.

Изображение

Если другого ОУ нет, то делай как выше.
Изображение
Это тоже ОУ, только сделан на транзисторах. Коэффициент усиления равен
Кус=R5/R7
Там в схеме уже и эмиттерный повторитель нарисован.
С помощью R1 балансируют этот ОУ.
В принципе резисторы можно постоянные подобрать.
При питании от 9 вольт ничего менять не нужно.
Вложения
1.png
(24.58 КБ) 4378 скачиваний
Аватара пользователя
aen
Модератор
Сообщения: 11940
Зарегистрирован: Пт апр 28, 2006 15:26:07
Откуда: Россия.
Контактная информация:

Радиостанция СВ

Сообщение aen »

А это ради интереса попробовал и модулятор также питать не от 15 вольт, как выше делал, а от 9 вольт, как и весь передатчик.
Изображение

Транзисторы взял те, что были под рукой. Жалко не нашел транзистора наподобие КТ646, поэтому на выходе поставил два КТ608Б включенных параллельно.
В режиме молчания мощность 0,67 Вт.
Мощность на пике 2,2 Вт. Только с данными транзисторами не нужно стремиться к такой большой мощности. Греться они начинают, да и выходной транзистор КТ829 в модуляторе тоже. Хотя если в радиостанции время передачи короткое, т.е. сказал фразу и тут же перешел на прием, то такую мощность держат. Только вот настраивать неудобно. Лучше конечно на все выходные транзисторы поставить небольшие радиаторы. Где то у меня были радиаторы на КТ608, не нашел.
Нужная мощность подбирается резистором R7 и R3.
Глубина модуляции получилась порядка 90%
Катушки, кроме L4 намотаны на каркасах диаметром 6 мм. Провод 0,45 мм.
L1 - 15 витков
L2 - 15 витков. Отвод от середины.
L3 - 5 витков. Намотана поверх L2
L4 - каркас диаметром 8 мм. Провод 0,6 мм. Витков 6. Намотано с шагом.
Др1 - готовый дроссель ДПМ 1.2-10 соответственно 10 мкГн.
Изображение
Просто такой под руку попался. Думаю можно любой в пределах 5 - 20 мкГн.

Ниже полученные осциллограммы.

У осциллографа в данном случае вход открытый, т.е. он показывает не только переменное напряжение, а также и уровни постоянного напряжения.
Внизу экрана ноль вольт
.

Сначала это проверяется нагружая модулятор на резистор 100 Ом
Для удобства наблюдения по клеточкам, напряжение питания сделал 10 вольт.

Изображение

Резистором R10 устанавливаю половину питания на коллекторе VT6(точка "1" )
На вход с генератора НЧ подаю сигнал. Изменяя уровень сигнала на входе модулятора и подстраивая резистор R10 в небольших пределах, добиваюсь максимального размаха сигнала в точке "1", но что бы при этом сигнал "не резался" ни с низу, ни сверху.

Изображение

Это сигнал в точке "2"

Изображение

Это сигнал в точке "3"

Изображение

Подстраивается резистором R18

Теперь модулятор подключаем к передатчику.
Это сигнал на выходе передатчика. Передатчик нагружен на резистор 51 Ом и через диодный пробник поступает на вход осциллографа.
Соответственно видим частоту модуляции.

Изображение

Обратить внимание, что сейчас одно деление на осциллографе уже 5 вольт, т.е. в пиках мощность достигает двух ватт.

А это вот уменьшил НЧ напряжение на входе модулятора и в точке "3" соответственно вижу это.

Изображение

А на выходе передатчика соответственно вижу это.

Изображение

Но это и понятно. У нас же АМ, поэтому уменьшая уровень модулирующего напряжения, у нас уменьшится мощность выделяемая на выходе передатчика.
Если на модулятор ничего не подавать, то на выходе просто прямая линия на уровне 8,2 вольта, т.е. в режиме молчания излучаемая мощность порядка 670 мВт.

Окончательная настройка.
В виду того, что окончательная настройка требует длительного включения передатчика, а у меня выходные транзисторы КТ608Б, да и КТ829 тоже, при работе больше одной минуты сильно нагреваются, то я просто снизил мощность до одного ватта. Там бы КТ646 на радиаторе поставить, но я таких не нашел.
В общем с радиаторами я не стал "заморачиваться" и просто снизил мощность. Для снижения мощности просто вместо R7 поставил подстроечный резистор 200 Ом и выставил на выходе передатчика мощность в пике 1 Вт. Это соответствует такой картинки.

Изображение

Если у вас транзисторы на радиаторах и проблемы с нагревом нет, то можно настраивать на полной мощности.

Теперь подаем на вход модулятора звуковой сигнал. Я с телефонного выхода телевизора подаю через такой самодельный шнур.

Изображение

Если звук подать обычными проводами, то возможно самовозбуждение. Во всяком случае у меня так и произошло вначале.
Самовозбуждение в подобных случаях довольно частое явление. Про это уже писали. [uquote="aen",url="/forum/viewtopic.php?p=3495619#p3495619"]делать 1 вт в передатчике без металлического корпуса, где вся его схема при такой компоновке практически является противовесом антенны я бы не рискнул. Замучаешься с самовозбуждением, Я с этим сталкивался, но это твое дело. Можешь попробовать.
Я бы сделал металлический корпус.
Изображение
При этом соединение металлического корпуса с общим проводом схемы из должно быть в одной точке. Эта точка в схеме должна быть как можно ближе к выходной цепи передатчика.
Также самовозбуждение может возникнуть, если неправильно настроена антенна или П-контур.
А вообще давать советы по по данному вопросу на расстоянии очень сложно, т.к. самовозбуждение может возникать даже из за того, на что никогда и не подумаешь.[/uquote] Можно почитать начиная отсюда.
https://radiokot.ru/forum/viewtopic.php ... 0#p3494850

Дальше выбираю нужный уровень и на выходе передатчика через диодный пробник вижу такое.

Изображение

На выход передатчика подключаю наушники и слушаю.

Изображение

Уровень я на телевизоре регулирую. Добиваемся максимума громкости, но при этом стараемся, что бы искажений не было.

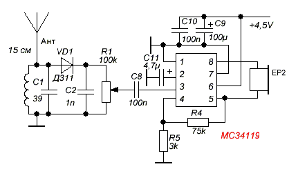
Далее сделал контрольный приемник на 27 МГц прямого усиления. УНЧ можно любой. У меня МС34119 был под рукой.

Изображение

Катушка намотана на каркасе 6 мм. Провод 0,45. Витков 15. Подстройка с помощью сердечника. Можно подстроечный конденсатор поставить.
На выход передатчика припаиваем антенну длиной 15 см. Резистор 50 Ом на выходе не трогаем. На вход модулятора подаем звук и сердечником настраиваемся на наш передатчик. Подбираем уровень сигнала на входе модулятора опять по громкости и допустимых искажениях.

Теперь настройка с реальной антенной. Резистор 50 Ом само собой убираем.
В качестве антенны я взял провод длиной 1,2 метра. Специально не выбирал. Просто был такой кусок монтажного провода. Этот провод подключил на выход передатчика через удлиняющую катушку. Катушка намотана на каркасе 6 мм с сердечником из карбонильного железа. Провод 0,3. Количество витков 20.

Делаем простейший волномер.

Изображение

Включаем передатчик. На вход модулятора ничего не подаем. На выходе волномера должно появиться какое то напряжение. Крутим сердечник удлиняющей катушки и добиваемся максимума. После этого можно попробовать покрутить катушку в П-контуре. Если все нормально, то крутить её на максимум приходится очень немного. Если крутить приходится много, значит что то не то в первоначальной настройке П-контура.
Я волномер подключаю к открытому входу осциллографа. Если на модулятор ничего не подаем, то там должна быть прямая линия. У меня сначала какие то импульсы пошли. Это было из за самовозбуждения и мне пришлось усложнять свой шнур. Я выше про это писал. А то было, пока на модулятор ничего не подаю, то вроде бы как нормально, есть чистая несущая. Стоит на модулятор что то подать, так возникает самовозбуждение.

Теперь на вход модулятора подаем синусоиду с генератора. На осциллографе подключенному к пробнику должны её увидеть.

Дальше на вход модулятора подаем звук, включаем свой контрольный приемник и слушаем. При необходимости опять подбираем уровень сигнала на входе модулятора.
Дальность с этим приемником небольшая, но он нам требуется только для того, что бы проверить качество звука.

------------------------

Я вот сделал несколько вариантов передатчиков с АМ и у меня в итоге получилось, что если брать детали, что есть под рукой, а значит идти на компромиссы, то процесс изготовления АМ передатчика получается намного сложнее, чем передатчик с узкополосной ЧМ. Повторяемость схем получается очень низкой и каждый передатчик с АМ требует отдельного подхода к настройке.
И это я еще делал довольно маломощные АМ передатчики. С более мощными проблем получается больше. Во всяком случае я проблем с передатчиком АМ на мощность порядка 4 Вт не решил, т.к. у меня не оказалось нужных комплектующих под рукой.
В передатчиках с узкополосной ЧМ повторяемость схем намного выше, а значит и настроить их намного легче и при этом радиостанции с узкополосной ЧМ имеют большую эффективность, чем АМ радиостанции.
Вложения
мод_9вольт.gif
(10.87 КБ) 5610 скачиваний
НАУШНИКИ.GIF
(8.66 КБ) 3892 скачивания
11.gif
(21.34 КБ) 7378 скачиваний
Пробник.png
(6.31 КБ) 3235 скачиваний
Приемник.png
(10.19 КБ) 3978 скачиваний
Наушники.png
(9.39 КБ) 441 скачивание
звук.png
(85.36 КБ) 3927 скачиваний
Шнур.png
(8.56 КБ) 6523 скачивания
1.png
(109.59 КБ) 4350 скачиваний
испр.jpg
(15.93 КБ) 4255 скачиваний
дроссель.png
(15.01 КБ) 3261 скачивание
Photo-6П.jpg
(16.71 КБ) 863 скачивания
Photo-5М.jpg
(16.99 КБ) 4419 скачиваний
Photo-4.jpg
(20.19 КБ) 6014 скачиваний
Photo-3.jpg
(16.33 КБ) 5108 скачиваний
Photo-2.jpg
(16.83 КБ) 4715 скачиваний
Photo-1.jpg
(21.42 КБ) 4953 скачивания
Аватара пользователя
olegue
Собутыльник Кота
Сообщения: 2977
Зарегистрирован: Сб май 21, 2016 11:04:52
Откуда: Беларусь

Re: Всё про операционный усилитель.

Сообщение olegue »

Спасибо. С открытом входом все понятно.

Итак
Изображение

Собрал без эммитерного повторителя, проверил. р1 у меня 20 ком (подстроечник). На выходе в нагрузке не 1к, а 2.2к. Включил. Всмомнил Жванецкого .

8 вольт питание, 3 вольта удалось добиться под по Цэшке в режиме переменки

На вход было подано около 100 мв. При 10-15 мв на выходе всего 0.7В переменки.


Подключил осцилограф. Обрезана практически вся нижняя часть синусоиды.

Изображение

и это лучшее что удалось добиться подстроечником р1
Пробовал увеличить питание в 2 раза, Синусойда выросла в 2 раза, но с теми же косяками.

Пока как-то так. Хотелось бы конечно, думать что при монтаже что-то не так. Но пересматривая в 20 ый раз , ну нет ошибок. Все спаял как на схеме.
Дайте фото своего монтажа.
И еще режимы . Половина питания выставляется на выходе подстроечником р1, но в этом случае синусоида оберезана уже с 2-х сторон.

при меньшем сигнале на входе 10-15мв - ситуация аналогичная. Размах на выходе значительно меньше
Аватара пользователя
aen
Модератор
Сообщения: 11940
Зарегистрирован: Пт апр 28, 2006 15:26:07
Откуда: Россия.
Контактная информация:

Re: Всё про операционный усилитель.

Сообщение aen »

[uquote="olegue",url="/forum/viewtopic.php?p=3518888#p3518888"]Обрезана практически вся нижняя часть синусоиды.[/uquote]
Изображение

Нумерация писал по моей схеме, что выше в моем посте.
Изображение
aen писал(а):Резистором R10 устанавливаю половину питания на коллекторе VT6(точка "1" )
На вход с генератора НЧ подаю сигнал. Изменяя уровень сигнала на входе модулятора и подстраивая резистор R10 в небольших пределах, добиваюсь максимального размаха сигнала в точке "1", но что бы при этом сигнал "не резался" ни с низу, ни сверху.

Изображение
Картинки, что выложил делал вчера с реальной схемы во время настройки.

Если режется симметрично и с низу и сверху, то нужно просто плавно уменьшать сигнал с генератора до пропадания ограничения. Даже удобно при настройке регулируя напряжение с генератора и крутя резистор R10, что бы получить "симметричное" ограничение, потом немного снизить уровень сигнала на входе и получить нужную картинку без ограничения.

Усиление по напряжению у этой схемы равно
Ку=R15/R14=10k/100 ом=100
Реально у меня получилось где то около 80
Нумерация опять по моей схеме.

А вообще, начиная с этого поста
viewtopic.php?p=3516261#p3516261
я все, что делал по шагам расписал с картинками, и там нет ни одного голословного утверждения.
Только практические шаги и их фото.
Схема по сути представляет из себя ОУ построенный на дискретных элементах.
Первоисточник схемы здесь.
https://sunduk.radiokot.ru/loadfile/?lo ... 00&turbo=1
Седьмая страница книжки.
Вложения
1.png
(33.38 КБ) 3230 скачиваний
Аватара пользователя
olegue
Собутыльник Кота
Сообщения: 2977
Зарегистрирован: Сб май 21, 2016 11:04:52
Откуда: Беларусь

Re: Радиостанция СВ

Сообщение olegue »

не в ту ветку вкинул сообщение. Поздно уже было. Случайно получилось. Были открыты обе темы

Добавлено after 10 minutes 32 seconds:
Изображение

здесь конкретно bc557B
а первы два bc547B
все как на схеме.

Добавлено after 13 minutes 51 second:
Попробую транзисторы поставить какие-нибудть другие, из совка, например. Заодно проверю все еще раз.

Добавлено after 57 seconds:
спасиб за книжку. Надо почитать на досуге.
Аватара пользователя
aen
Модератор
Сообщения: 11940
Зарегистрирован: Пт апр 28, 2006 15:26:07
Откуда: Россия.
Контактная информация:

Re: Радиостанция СВ

Сообщение aen »

[uquote="olegue",url="/forum/viewtopic.php?p=3518994#p3518994"]Попробую транзисторы поставить какие-нибудть другие, из совка, например.[/uquote]Нет смысла менять, транзисторы здесь не при чем. Данная схема работает с любымс транзисторами. Единственная настройка, это установить половину питания на выходе.
Если сделать только это, то потеряете где то пол-вольта максимум. Для начала сделайте хотя бы это и двигайтесь дальше.
А из книжки можно прочитать.
Изображение

Если нет составных транзисторов, то как выше писал можно попробовать заменить КТ829 так.

Изображение

Хотя на выходе лучше поставить КТ817. Пробовать надо.
Вложения
1.gif
(10.31 КБ) 6747 скачиваний
1.gif
(7.09 КБ) 3237 скачиваний
Аватара пользователя
olegue
Собутыльник Кота
Сообщения: 2977
Зарегистрирован: Сб май 21, 2016 11:04:52
Откуда: Беларусь

Re: Радиостанция СВ

Сообщение olegue »

В книжке что касается этой схемы я уже все прочитал.
aen писал(а):Если режется симметрично и с низу и сверху, то нужно просто плавно уменьшать сигнал с генератора до пропадания ограничения. Даже удобно при настройке регулируя напряжение с генератора и крутя резистор R10, что бы получить "симметричное" ограничение, потом немного снизить уровень сигнала на входе и получить нужную картинку без ограничения.
попробую установить половину подстроечником R1 на выходе , а на входе плавно регулировать сигнал и добиться "правильной" синусоиды.

А вот что касается уровня сигнал... Резистором R8 (в разных вариантах он и 1 ком и 2.2 ком) немного увеличивается амплитуда, но меньше 1 ком ставить наверно не стоит?

Добавлено after 3 hours 9 minutes 46 seconds:
провел еще раз эксперимент. на вход дал 10 мв. На выходе 0.7 В. Все по Цэшке в режиме переменки. Средная точка на выходе выставлена. Сигнал на выходе красивый. Правильный.
т.е усиление получилось 70 раз. Это хорошо. Но мне надо на выходе хотя бы 7 вольт при питании от 8 Вольт

Если даю 100 мв, на выходе бардак - 3вольт - синойда подрезаная

Остается лишь надееся, что если буду увеличивать сигнал на входе, то в какой-то момент у меня получатся все заявленные ТУ.

Какой у Вас сигнал был на входе когда получили 9в на выходе?
Zhenya
Открыл глаза
Сообщения: 59
Зарегистрирован: Пт май 11, 2018 11:48:44

Re: Радиостанция СВ

Сообщение Zhenya »

[uquote="olegue",url="/forum/viewtopic.php?p=3519052#p3519052"]на вход дал 10 мв. На выходе 0.7 В.
Если даю 100 мв, на выходе бардак - 3вольт - синойда подрезаная

Остается лишь надееся, что если буду увеличивать сигнал на входе, то в какой-то момент у меня получатся все заявленные ТУ.[/uquote]Неужели трудно на выходе генератора поставить регулятор и менять входной сигнал плавно?
Изображение
[uquote="olegue",url="/forum/viewtopic.php?p=3519052#p3519052"]Какой у Вас сигнал был на входе когда получили 9в на выходе?[/uquote][uquote="aen",url="/forum/viewtopic.php?p=3518918#p3518918"]Усиление по напряжению у этой схемы равно
Ку=R15/R14=10k/100 ом=100
Реально у меня получилось где то около 80[/uquote]В итоге получается, что при питании 9 вольт Uвх равно 4,5V/80=50mV
Если к примеру микрофон выдает 10mV, (но оно в зависимости от микрофона может быть и другим), то впоследствии на входе нужно будет добавить предварительный усилитель с Кус=5.
Например такой.
Изображение

А лучше в микрофон говорить и осциллографом посмотреть.
Усиление менять подбирая R5
Вложения
2.gif
(20.68 КБ) 3040 скачиваний
1.gif
(9.87 КБ) 3169 скачиваний
Аватара пользователя
olegue
Собутыльник Кота
Сообщения: 2977
Зарегистрирован: Сб май 21, 2016 11:04:52
Откуда: Беларусь

Re: Радиостанция СВ

Сообщение olegue »

Zheka0102 писал(а):Неужели трудно на выходе генератора поставить регулятор и менять входной сигнал плавно?
все это будет. просто вермени было мало и я не успел попробовать.

Добавлено after 1 minute 57 seconds:
Zheka0102 писал(а):Если к примеру микрофон выдает 10mV, (но оно в зависимости от микрофона может быть и другим), то впоследствии на входе нужно будет добавить предварительный усилитель с Кус=5.
Например такой.
я уже думал что есил все пойдет хорошо, то придется делать повышайку для микрофона. Вы хорошо сработали на опережение.

Добавлено after 2 hours 23 minutes 21 second:
Ну что сказать. не видать мне походу "рельсов" как своих ушей.

Поставил на выходе генератора подстроечник и начал регулировать.
При напряжении на входе "транзисторного ОУ" 15 мв , на выходе 2В неискаженного сигнала
Если больше даешь на вход, сигнал тут же режется начиная снизу.

Странно, что и с Лм-кой и с этим транзисторным монстром я получил примерно одинаковый результаты
Но стрелку Цэшки не обманешь.
Аватара пользователя
yura860
Вымогатель припоя
Сообщения: 699
Зарегистрирован: Вс сен 08, 2013 21:36:22
Откуда: 27.200 Мгц

Re: Радиостанция СВ

Сообщение yura860 »

Ну к примеру взять микрофонный усилитель что сверху , да хорош, прост и деталей немного. Но усиление ограничено одним транзистором :sleep:
Или на LM358 Изображение деталей немного но усиление уже до 100дб :music:
Почему то у меня возникают сомнения по Вашему осцилографу. Предлагаю его испытать на правильность показаний , к примеру сетевым трансформатором вольт так на 6-12. Посмотрите не искаженная ли картинка ? Может всё дело в нём ! И на самом деле всё очень даже неплохо :tea:
P.S.
Не пойму почему удалили мои сообщения ? Они были по теме и относились к микрофонному усилителю или в рации не должно его присутствовать???
Всё я в бан!
Пока сам себя не пнёшь с места не сдвинешься
Аватара пользователя
aen
Модератор
Сообщения: 11940
Зарегистрирован: Пт апр 28, 2006 15:26:07
Откуда: Россия.
Контактная информация:

Re: Спам1

Сообщение aen »

[uquote="olegue",url="/forum/viewtopic.php?p=3519326#p3519326"]Ну что сказать. не видать мне походу "рельсов" как своих ушей.[/uquote]В той схеме достаточно выставить на выходе половину питания, и уже на 90% будет все настроено.
А всей остальной "тонкой" настройкой просто "выжимают" оставшиеся 10%
Если "тонкая" настройка не получается, то просто выстави половину питания на выходе и больше ничего не делай.
Аватара пользователя
olegue
Собутыльник Кота
Сообщения: 2977
Зарегистрирован: Сб май 21, 2016 11:04:52
Откуда: Беларусь

Re: Радиостанция СВ

Сообщение olegue »

yura860 писал(а):Почему то у меня возникают сомнения по Вашему осцилографу. Предлагаю его испытать на правильность показаний , к примеру сетевым трансформатором вольт так на 6-12. Посмотрите не искаженная ли картинка ? Может всё дело в нём ! И на самом деле всё очень даже неплохо
Как раз не далее как позавчера взял трансформатор , всунул в розетку и получил на вторичке с него 9.8 В по мультимеру. А потом подал его на вход осцилографу. Все окей - замечательная красивая синусойда на весь экран при нажатой кнопке УСИЛЕНИЕ 1000, те. 1 клетка - 1 вольт (как я это понимаю, надеюсь, правильно). Синусойда слегда даже выходила за пределы экрана по высоте(8клеток), что навело меня на мысль что осцилограф показывает в правильном направлении. И Цэшка показывает правильно. И приходится верить и Осцилографу и Цэшке.

Добавлено after 4 minutes 36 seconds:
И я еще тогда подумал, вот бы такую, ну не такую а хотя бы вполовину меньшую синусоиду с Лм-ки получить. Да где там, все тщетно. Не вознаграждаются старания радиолюбителя.
Enman
Друг Кота
Сообщения: 7774
Зарегистрирован: Сб янв 29, 2011 00:28:48

Re: Радиостанция СВ

Сообщение Enman »

10 В по мультиметру - это 14 В амплитуды и 28 В размаха (от низа до верха).
А ты говоришь, что по осциллу размаха всего 9 клеток= 9 В...в 3 раза не сходится...
Ответить

Вернуться в «Радиотехника: приемники, передатчики, антенны»