https://radiokot.ru/forum/download/file ... 058c3f74aa
Простейшая защита от постоянки на выходе усилителя
- Borodach
- Модератор
- Сообщения: 22896
- Зарегистрирован: Пн дек 08, 2008 19:28:04
- Откуда: 10км от Москвы на Север
Re: Простейшая защита от постоянки на выходе усилителя
- Вложения
-
- 5bf257eceac9e_..gif.346926c1869e8ac80eeb9733c434fc78.gif
- (523.94 КБ) 2351 скачивание
- Реклама
- Slabovik
- Друг Кота
- Сообщения: 17234
- Зарегистрирован: Чт апр 04, 2013 12:46:59
- Откуда: Тюмень
- Контактная информация:
Re: Простейшая защита от постоянки на выходе усилителя
Я уже давно смирился с тем, что задержка при включении выполняется отдельным узлом - это совершенно не страшно
Зато попутно на неё можно навесить ещё функций типа отслеживания наличия питания и переключения выходов (если АС больше одной).
А большая скорость защиты не сильно нужна. Тепловая инерция самих АС всегда достаточна, чтобы им ничего не случилось за даже за 10-20 мс. Ну, а тех, кто подключает наушники к выходу 50-ваттника напрямую наказание должно хоть как-то достигать
А большая скорость защиты не сильно нужна. Тепловая инерция самих АС всегда достаточна, чтобы им ничего не случилось за даже за 10-20 мс. Ну, а тех, кто подключает наушники к выходу 50-ваттника напрямую наказание должно хоть как-то достигать
Re: Простейшая защита от постоянки на выходе усилителя
Вообще-то, когда я разрабатывал это усовершенствование, меня больше беспокоили ложные срабатывания защиты от НЧ-составляющих сигнала (люблю под настроение навалить, чтобы люстра качалась...
) Для ликвидации этих ложных срабатываний можно и одним модулем защиты, общим для обоих каналов, обойтись (и, соответственно, одним дополнительным усилителем на ОУ, выдающим в противофазе с УМ суммарный сигнал со входов...), НЧ-составляющие обычно синфазны...
-
novice2001
- Встал на лапы
- Сообщения: 88
- Зарегистрирован: Вт дек 15, 2015 13:07:03
Re: Простейшая защита от постоянки на выходе усилителя
что за невезуха, то статья - умзч мосфет, на поляцком, то статья - защита АС, на болгарском...
где же наша простейшая, но эффективная защита АС - мини-статья на русском, или хотя бы посмотреть схему реализованную вами практически ?As писал(а): Для ускорения работы защиты - предлагаю использовать метод компенсации: сигнал со входа мощника усиливаем дополнительным усилителем (можно использовать обычный ОУ...) и подаём в противофазе на второй вход блока защиты...
- Реклама
-
novice2001
- Встал на лапы
- Сообщения: 88
- Зарегистрирован: Вт дек 15, 2015 13:07:03
Re: Простейшая защита от постоянки на выходе усилителя
[uquote="Borodach",url="/forum/viewtopic.php?p=3559865#p3559865"]У меня болгарские работали и не плохо ... 
https://radiokot.ru/forum/download/file ... 058c3f74aa[/uquote] я про нее и говорю, текст не по нашему, трудно-читаемый-понимаемый
там питание двуполярное +/- 15 В. Это значит надо стабилизаторы простейшие делать.
а вот можете сказать эта схема рабочая ? не совсем догоняю, какую роль играет NPN транзистор VT1 ? при аварии опто-пара замыкает у него переход база-коллектор и он превращается в диод вроде.. Если можно обьясните, в чем фокус этой схемы .. спасибо.

https://radiokot.ru/forum/download/file ... 058c3f74aa[/uquote] я про нее и говорю, текст не по нашему, трудно-читаемый-понимаемый
а вот можете сказать эта схема рабочая ? не совсем догоняю, какую роль играет NPN транзистор VT1 ? при аварии опто-пара замыкает у него переход база-коллектор и он превращается в диод вроде.. Если можно обьясните, в чем фокус этой схемы .. спасибо.
- Slabovik
- Друг Кота
- Сообщения: 17234
- Зарегистрирован: Чт апр 04, 2013 12:46:59
- Откуда: Тюмень
- Контактная информация:
Re: Простейшая защита от постоянки на выходе усилителя
В УНЧ вся предвариловка имеет такое (двуполярное 15 вольт) питание, так что это не проблема. Также можно прямо на плате защиты его сделать - два транзистора + два стабилитрона = невеликие затраты...
-
novice2001
- Встал на лапы
- Сообщения: 88
- Зарегистрирован: Вт дек 15, 2015 13:07:03
Re: Простейшая защита от постоянки на выходе усилителя
тем временем, глядя на схему защиты Никитина от уся Cambridge Audio A3i, которая мне понравилась простотой и продуманностью, захотелось мне нарисовать свой "велосипед". Каналы детектора постоянки, сделал разные для ПК и ЛК. Если дойдет до макета - посмотрю который из них, будет работать при меньшем + и - входном напряжении, без ложных срабатываний.
PS. За это время может появится более эффективная схема от As, и также буду разбираться с болгарским вариантом.
Если увидите на моей картинке ошибки, прошу подсказать - что не так ?
На транзюках BC546B и BD140 попытался реализовать триггер Шмитта, он имеет два устойчивых состояния и гистерезис, благодаря ПОС через резистор 100 кОм между базой BC546B и коллектором BD140. Также благодаря ему, происходит слегка форсированный переход из одного состояния в другое, что по идее, благотворно скажется на контактах реле. Резисторы на реле, выравнивают напряжения, т.к. возможен разброс сопрот. катушек от экземпляра. Стабилитроны, напротив защитных диодов реле, вроде как помогают сократить время размыкания контактов реле, чуть позже найду и выложу картинку, где я это вычитал
Сдвоенные контакты клавиши включения уся, для более надежного контакта - при замыкании будет подгорать от искры-дуги, только одна пара контактов - та которая раньше замыкается (технологическая особенность механики, особенно китайской). Вторая пара контактов (предположительно), будет замыкать ток уся, всегда чистенькая, без нагара. (подсмотрел у Аудиокиллера).

PS. За это время может появится более эффективная схема от As, и также буду разбираться с болгарским вариантом.
Если увидите на моей картинке ошибки, прошу подсказать - что не так ?
На транзюках BC546B и BD140 попытался реализовать триггер Шмитта, он имеет два устойчивых состояния и гистерезис, благодаря ПОС через резистор 100 кОм между базой BC546B и коллектором BD140. Также благодаря ему, происходит слегка форсированный переход из одного состояния в другое, что по идее, благотворно скажется на контактах реле. Резисторы на реле, выравнивают напряжения, т.к. возможен разброс сопрот. катушек от экземпляра. Стабилитроны, напротив защитных диодов реле, вроде как помогают сократить время размыкания контактов реле, чуть позже найду и выложу картинку, где я это вычитал
Сдвоенные контакты клавиши включения уся, для более надежного контакта - при замыкании будет подгорать от искры-дуги, только одна пара контактов - та которая раньше замыкается (технологическая особенность механики, особенно китайской). Вторая пара контактов (предположительно), будет замыкать ток уся, всегда чистенькая, без нагара. (подсмотрел у Аудиокиллера).
Последний раз редактировалось novice2001 Чт янв 31, 2019 14:02:28, всего редактировалось 6 раз.
Re: Простейшая защита от постоянки на выходе усилителя
Я, наверное, схему рисовать не соберусь - да она и не нужна, т.к. стандартная "бриговская", к примеру, легко дорабатывается по моему методу - и получается всё то же самое, только срабатывать будет быстрее, а от инфразвуков не будет ложных срабатываний...
Бриговская защита вообще, как мне кажется, самая простая и надёжная, а "от добра добра не ищут..."
Но, Ваши схемы тоже можно доработать, если есть желание или необходимость...
-
novice2001
- Встал на лапы
- Сообщения: 88
- Зарегистрирован: Вт дек 15, 2015 13:07:03
Re: Простейшая защита от постоянки на выходе усилителя
Бриговская это вот эта ?As писал(а):Бриговская защита вообще, как мне кажется, самая простая и надёжная, а "от добра добра не ищут..."
и доработка Nem0
Под вашим руководством, я бы попробовал нарисовать схему, которую вы обьясняли на пальцах, несколькими постами выше ..
Оченно хочется и мою доработать, уж больно я люблю простые, но эффективные решенияAs писал(а):Но, Ваши схемы тоже можно доработать, если есть желание или необходимость...
Re: Простейшая защита от постоянки на выходе усилителя
Чуть выше я свою идею полностью описал... Смысл в том, чтобы максимально компенсировать звуковой сигнал на входе датчика защиты - тогда его чувствительность можно повысить, а время срабатывания - уменьшить...
Re: Простейшая защита от постоянки на выходе усилителя
..а я ведь говорил - осваивай микрокап..novice2001 писал(а): Подскажите, что из моей можно было бы выкинуть или заменить ?
.."..время нет, время нет.."..
..освоил бы - выяснил, при каких уровнях по полярности оно срабатывает..
..так что не экономишь ты свое время...
- Вложения
-
- У101защитапроект.rar
- (4.33 КБ) 436 скачиваний
-
novice2001
- Встал на лапы
- Сообщения: 88
- Зарегистрирован: Вт дек 15, 2015 13:07:03
Re: Простейшая защита от постоянки на выходе усилителя
[uquote="ssc",url="/forum/viewtopic.php?p=3560567#p3560567"]
.."..время нет, время нет.."..
..освоил бы - выяснил, при каких уровнях по полярности оно срабатывает..
..так что не экономишь ты свое время...
..нечего тут менять - все выкидываем..
[/uquote] спасибо, я помню ваш совет насчет микрокапа, надеюсь в феврале заняться, дело это сурьезное 
..тем временем, я постарался нарисовать, одну из самых простых в мире
защиту АС, от постоянки, и щелчков при вкл-выкл стерео-УМЗЧ.
Детекторы постоянки, как и в прошлой версии, нарисовал разные для ПК и ЛК - в макете выберу, какой лучше себя покажет. А может быть и лучше оставить их разными, так вероятность срабатывания возрастет
Если из-за аварии, в одном канале уся полезет постоянка из-за перекоса питания, то в другом канале она тоже проявится - питальник то общий ..
Есть мнение, что двух-звенный RC-фильтр на входе детектора постоянки, хорошо справляется с работой, прикладываю скрин этого текста. На моей схемке нижний детектор с двойной RC-цепочкой, как на схеме Никитина (выкладывал выше).
Сдвоенные контакты клавиши включения уся, нарисовал для более надежного контакта - при замыкании будет подгорать от искры-дуги, только одна пара контактов - та которая раньше замыкается (технологическая особенность механики, особенно китайской). Вторая пара контактов (предположительно), будет замыкать ток уся, всегда чистенькая, без нагара. (подсмотрел у Аудиокиллера). Кто в курсе - наибольшая искра-дуга между контактами, образуется при замыкании или размыкании клавиши питания уся ? Насколько ей сможет противодействовать кондер 10 нФ в параллель контактам ?
Стабилитроны, напротив защитных диодов реле, вроде как помогают сократить время размыкания контактов реле. Прикладываю скриншоты, где я это прочитал. Что вы думаете по этому поводу - есть польза от стабов или это фейк ?
Схема заметно упростилась благодаря TL431, она держит максимально до 37 вольт на катод-анод, и ток до 100 мА, так что при питании схемы до 30 вольт, все должно быть ок.
PS. Подумал я, подумал, и решил убрать резисторы выравнивающие на релюшках напряжения. Вместо этого заменю спарки диод-стаб, на спарки стаб-стаб, по цене разницы никакой, зато теперь, при поступлении на катушки реле, напряжения любой полярности, оно не превысит 12,6 вольта на каждой катушке. Напряжение обратной полярности (большой амплитуды), появляется в момент закрытия ключа, из-за противо-ЭДС само-индукции катушек реле. Тут то и спасают ZZ цепочки (один из стабов спарки, в прямом включении для этого импульса, становится диодом).
Что скажете ?

..а я ведь говорил - осваивай микрокап..novice2001 писал(а): Подскажите, что из моей можно было бы выкинуть или заменить ?
.."..время нет, время нет.."..
..освоил бы - выяснил, при каких уровнях по полярности оно срабатывает..
..так что не экономишь ты свое время...
..тем временем, я постарался нарисовать, одну из самых простых в мире
Детекторы постоянки, как и в прошлой версии, нарисовал разные для ПК и ЛК - в макете выберу, какой лучше себя покажет. А может быть и лучше оставить их разными, так вероятность срабатывания возрастет
Есть мнение, что двух-звенный RC-фильтр на входе детектора постоянки, хорошо справляется с работой, прикладываю скрин этого текста. На моей схемке нижний детектор с двойной RC-цепочкой, как на схеме Никитина (выкладывал выше).
Сдвоенные контакты клавиши включения уся, нарисовал для более надежного контакта - при замыкании будет подгорать от искры-дуги, только одна пара контактов - та которая раньше замыкается (технологическая особенность механики, особенно китайской). Вторая пара контактов (предположительно), будет замыкать ток уся, всегда чистенькая, без нагара. (подсмотрел у Аудиокиллера). Кто в курсе - наибольшая искра-дуга между контактами, образуется при замыкании или размыкании клавиши питания уся ? Насколько ей сможет противодействовать кондер 10 нФ в параллель контактам ?
Стабилитроны, напротив защитных диодов реле, вроде как помогают сократить время размыкания контактов реле. Прикладываю скриншоты, где я это прочитал. Что вы думаете по этому поводу - есть польза от стабов или это фейк ?
Схема заметно упростилась благодаря TL431, она держит максимально до 37 вольт на катод-анод, и ток до 100 мА, так что при питании схемы до 30 вольт, все должно быть ок.
PS. Подумал я, подумал, и решил убрать резисторы выравнивающие на релюшках напряжения. Вместо этого заменю спарки диод-стаб, на спарки стаб-стаб, по цене разницы никакой, зато теперь, при поступлении на катушки реле, напряжения любой полярности, оно не превысит 12,6 вольта на каждой катушке. Напряжение обратной полярности (большой амплитуды), появляется в момент закрытия ключа, из-за противо-ЭДС само-индукции катушек реле. Тут то и спасают ZZ цепочки (один из стабов спарки, в прямом включении для этого импульса, становится диодом).
Что скажете ?
- LiOPSIK
- Первый раз сказал Мяу!
- Сообщения: 36
- Зарегистрирован: Сб мар 16, 2024 12:20:37
- Откуда: Мск
- Контактная информация:
Re: Простейшая защита от постоянки на выходе усилителя
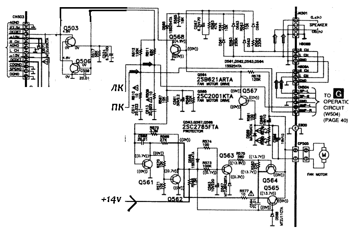
Вот очень похожая схема защиты в комбайне Panasonic 1996 г


Panasonic SA-CH73
А в Panasonic SA-CH75 то же самое, только добавлен впараллель ещё 1 кондер странного вида, похож на малюсенький резистор 1/8 Вт, на схеме маркировка "20.01", предположу 0,01мкФ 20В.
Коллекторы подтянуты резистором 10к к линии 5В, на схеме у транзисторов 4,9В написано (а у SA-CH73 - 5,2В). Линия 3/503 "DCDET" на вход проца.
Резисторы с выходов УМЗЧ ЛК и ПК разные, проверил на схеме, 82к и 120к. Видимо, для надежного срабатывания, если даже в ЛК и ПК появятся одинаковые напряжения противоположной полярности.
Копаюсь в усилке от такого центра, вот
https://www.radiokot.ru/forum/viewtopic ... 9#p4724339
Но основной вопрос у меня в схеме управления вентилятором...
Вентилятор включается при достижении на выходе уся определенного напряжения, а именно +1,7В на одном канале. И крутится от напряжения 9,7В. Из за чего может подрыгиваться в такт музыке. Если напряжение держится, то через 45 секунд переходит на "2 скорость" - 12,1В. При уменьшении напряжения до +1,6В останавливается сразу, без ощутимой задержки. Странное решение. Обычно термодатчик ставят...

Непонятно, зачем идет от ЛК и ПК по 2 плеча??? Это в SA-CH73. В SA-CH75 вообще схема другая, но тоже 2 плеча, 1 идет на управление вентилятора, а 2 на линию сигнала 3/503 "DCDET"
Это в SA-CH73 :


Это в SA-CH75 :
Добавлено after 57 minutes 25 seconds:


Вентилятор не хотел работать, пришлось вникать в схему. В штатном режиме он питается через др. плату, на вывод 4/502 "MO+B" приходит +14В. Я взял их с 4/503 "+15V" (в реале там +14,3В)
Подтянул 3/503 "DCDET" резистором к 8 вольтам через 10к, отсоединил линию выхода, где "уши", подал на выходные клеммы УЗЧ 9 вольт, а потом 18, от батареек Крона... Вентилятор включается, а на линии 3/503 "DCDET" ничего не меняется. Хотя по идее должен открываться Q568 и тянуть линию к общему проводу...
Вообще, зачем я полез в эту схему.
1. Понять, не связана ли неисправность комбайна "ошибка F61" с линиями защиты.
2. Собрать усь в отдельном корпусе, использовать эти защиты. Релюха уже есть в схеме, ей управление от защиты пристроить.
[uquote="Komissar",url="/forum/viewtopic.php?p=835472#p835472"]Аппарат Panasonic SA-CH75! Была ошибка F61! RSN выпаял. Без нее работает, но естественно звука нет![/uquote]
[uquote="maniac1488",url="/forum/viewtopic.php?p=2133738#p2133738"]Спасибо за схемы попался панас SA CH75 С ошибкой F61 сдох проц(. Решил сделать УНЧ .....[/uquote]
Схемы pdf
Panasonic SA-CH73
А в Panasonic SA-CH75 то же самое, только добавлен впараллель ещё 1 кондер странного вида, похож на малюсенький резистор 1/8 Вт, на схеме маркировка "20.01", предположу 0,01мкФ 20В.
Коллекторы подтянуты резистором 10к к линии 5В, на схеме у транзисторов 4,9В написано (а у SA-CH73 - 5,2В). Линия 3/503 "DCDET" на вход проца.
Резисторы с выходов УМЗЧ ЛК и ПК разные, проверил на схеме, 82к и 120к. Видимо, для надежного срабатывания, если даже в ЛК и ПК появятся одинаковые напряжения противоположной полярности.
Копаюсь в усилке от такого центра, вот
https://www.radiokot.ru/forum/viewtopic ... 9#p4724339
Но основной вопрос у меня в схеме управления вентилятором...
Вентилятор включается при достижении на выходе уся определенного напряжения, а именно +1,7В на одном канале. И крутится от напряжения 9,7В. Из за чего может подрыгиваться в такт музыке. Если напряжение держится, то через 45 секунд переходит на "2 скорость" - 12,1В. При уменьшении напряжения до +1,6В останавливается сразу, без ощутимой задержки. Странное решение. Обычно термодатчик ставят...
Непонятно, зачем идет от ЛК и ПК по 2 плеча??? Это в SA-CH73. В SA-CH75 вообще схема другая, но тоже 2 плеча, 1 идет на управление вентилятора, а 2 на линию сигнала 3/503 "DCDET"
Это в SA-CH73 :
Это в SA-CH75 :
Добавлено after 57 minutes 25 seconds:
Вентилятор не хотел работать, пришлось вникать в схему. В штатном режиме он питается через др. плату, на вывод 4/502 "MO+B" приходит +14В. Я взял их с 4/503 "+15V" (в реале там +14,3В)
Подтянул 3/503 "DCDET" резистором к 8 вольтам через 10к, отсоединил линию выхода, где "уши", подал на выходные клеммы УЗЧ 9 вольт, а потом 18, от батареек Крона... Вентилятор включается, а на линии 3/503 "DCDET" ничего не меняется. Хотя по идее должен открываться Q568 и тянуть линию к общему проводу...
Вообще, зачем я полез в эту схему.
1. Понять, не связана ли неисправность комбайна "ошибка F61" с линиями защиты.
2. Собрать усь в отдельном корпусе, использовать эти защиты. Релюха уже есть в схеме, ей управление от защиты пристроить.
[uquote="Komissar",url="/forum/viewtopic.php?p=835472#p835472"]Аппарат Panasonic SA-CH75! Была ошибка F61! RSN выпаял. Без нее работает, но естественно звука нет![/uquote]
[uquote="maniac1488",url="/forum/viewtopic.php?p=2133738#p2133738"]Спасибо за схемы попался панас SA CH75 С ошибкой F61 сдох проц(. Решил сделать УНЧ .....[/uquote]
Схемы pdf
- Вложения
-
- 2025-06-15_01-49-08.png
- (120.1 КБ) 690 скачиваний
-
- 2025-06-15_01-04-23_2.png
- (99.4 КБ) 692 скачивания
-
- photo_2025-06-15_01-24-05.jpg
- (96.52 КБ) 680 скачиваний
-
- 2025-06-15_01-04-23.png
- (135.62 КБ) 694 скачивания
-
- 2025-06-15_00-37-08.png
- (22.28 КБ) 696 скачиваний
-
- 1s1m0fvj02_2.JPG
- (9.92 КБ) 682 скачивания
Re: Простейшая защита от постоянки на выходе усилителя
Вот жеж эксгуматоры!
самый простой способ защиты от постоянки, это uPC1237HA в типовом включении.
самый простой способ защиты от постоянки, это uPC1237HA в типовом включении.


