Например TDA7294

Форум РадиоКот • Просмотр темы - Шунтирующий регулятор напряжения для мопеда
Форум РадиоКот
Здесь можно немножко помяукать :)

Текущее время: Сб апр 11, 2026 08:38:12

Часовой пояс: UTC + 3 часа


ПРЯМО СЕЙЧАС:



Начать новую тему Ответить на тему  [ Сообщений: 31 ]  1,  
Автор Сообщение
 Заголовок сообщения: Шунтирующий регулятор напряжения для мопеда
СообщениеДобавлено: Ср окт 31, 2007 22:23:34 
Родился

Зарегистрирован: Ср окт 31, 2007 21:10:52
Сообщений: 16
Рейтинг сообщения: 0
Вопрос уважаемым, мудрым Котам и не только...

Являюсь обладателем мопеда, недовольным светом своего аппарата и недостаточным уровнем заряда акумулятора. Вот на просторах "необъятного" нашел схему шунтирующего регулятора напряжения с описанием следующего описания (из статьи Yray на форуме Московского Сктер-клуба):
_____

"... Работает регулятор следующим образом. При достижении положенного напряжения, в нашем случае 13.8 вольта, регулятор тиристором или симистором замыкает обмотку генератора накоротко соответственно напряжение падает и тиристор или симистор снова закрывается, цепь размыкается и напряжение снова достигает рабочего. И так с большой частотой в результате на выходе регулятора импульсное напряжение большой частоты оно сглаживается в постоянное конденсаторами и аккумулятором.
Многие скажут что такой способ регулирование не допустим дескать замыкая генератор можно его сжечь. Но тут всё зависит от типа генератора на скутерах стоят магдино генераторы, а они имеют одно положительное свойство дело в том, что ток в цепи генераторных катушек ограничивается их индуктивностью рассеяния, а не внешним сопротивлением. При коротком замыкании индуктивность будет настолько велика что будет влиять на поле постоянных магнитов, но направленно будет против них в результате ЭДС в катушках будет настолько низок, что ток не сможет причинить каких либо повреждений обмоткам. Генератор скутера при этом не перегорает, но есть небольшая проблема это основной минус этих регуляторов - противодействие магнитного поля катушек и постоянных магнитов имеет некоторую силу в результате повышается нагрузка на коленвал и соответственно снижается мощность двигателя. На двух-тактниках это почти не заметно, а вот на четырёх-тактных одноцилиндровых двигателях это заметно там и так коленвал по инерции целый оборот проходит, а тут ещё и генератор его тормозит. Но в любом случае потери в мощности незначительны и заметны только в снижении оборотов холостого хода.
Зато у этого типа регуляторов есть много больших плюсов они компактны, просты, надёжны, дёшевы, выделяют не много тепла, имеют широкий диапазон входных и выходных напряжений, точно держат напряжение на пока генератор даёт достаточно тока, а главное в связке в нашим генератором КПД достигает 100% - происходит это так когда генератор выходит на свою предельную мощность его напряжение становится ниже напряжения при котором срабатывает шунтирующая схема, например 13.7 вольта и регулятор не включается в работу то есть напряжение с генератора идёт напрямую на выпрямитель а с него на потребители 100% КПД.

Конструкция очень простая. Схема вот.

Изображение

Немного о деталях:
V1-4 Любые выпрямительные диоды большёй мощности, можно использовать разобранный автомобильный диодный мост. Я у себя установил 4 диодных мостика KBPC 3510 (на быстрых диодах), в заявленных характеристиках (35A,1000V) я очень сомневаюсь поэтому поставил параллельно 4 штуки, благо они недорогие, компактные и очень удобны для монтажа на радиаторе выполнены они в изолированном металлическом корпусе с отверстием для крепления.

V5-6 Любые силовые импульсные тиристоры или симисторы, я использовал симисторы BTA26-600 большое напряжение (600В), большой ток (25А) удобный монтаж корпус не имеет контактов с выводами.

V8-9 Любые выпрямительные диоды средней или большой мошности я поставил кд283 (круглые таблетки)

V7 - стабилитрон на нужное вам напряжение у меня стоит маленький ZENER 14V, 1,3 W.

R1, R3 - резисторы МЛТ-0.5 30 Ом;

R2 - резистор МЛТ-0.5 200 Ом;

C1 конденсатор, электролит, подбирается опытным путём, у меня стоит 3 по 22000 мкф, 25 V итого 66000мкф.

Вся конструкция, за исключением электролитов, собрана на радиаторе и залита эбокситкой, но с таким расчётом чтобы стабилитрон можно было менять для достижения желаемого напряжения.
Схема опробована неоднократно и нареканий никаких не возникает.
Цена всего от силы рублей 400, зато гораздо надёжней китайского фуфла, и мощность значительно выше. Сейчас один из таких регуляторов работает на моём скутере и выдаёт порядка 200 ватт мощности особо не нагреваясь..."
_____

Перспектива очень даже неплохая. Вместо тиристоров автор применил симисторы. Вот я и подумал немного упростить схему и привести ее к такому виду (симистор оставляем прежний):

Изображение

В связи с этим вопросы:

1). Будет ли эта схема работать точно также как и оригинальная?

2). Хватит ли одного симистора по мощности?

3). Как выбрать номинал резистора R2, ток и тип диодов V8 и V9? На сколько я понимаю мощные диоды в этой схеме уже не нужны.


Вложения:
Комментарий к файлу: Новая схема
ac2_Schunt[2].JPG [16.05 KiB]
Скачиваний: 3377
Комментарий к файлу: Оригинальная схема
ac2_Schunt[1].jpg [36.19 KiB]
Скачиваний: 2854
Вернуться наверх
 
 Заголовок сообщения:
СообщениеДобавлено: Вт ноя 06, 2007 21:50:52 
Открыл глаза
Аватар пользователя

Зарегистрирован: Вс июн 24, 2007 12:45:11
Сообщений: 76
Откуда: Из Москвы.
Рейтинг сообщения: 0
Что то тут не так...... Пожалуй тут без двух тиристоров не обойтись, каждый на свою полуволну.


Вернуться наверх
 
 Заголовок сообщения:
СообщениеДобавлено: Вт ноя 06, 2007 23:28:39 
Родился

Зарегистрирован: Ср окт 31, 2007 21:10:52
Сообщений: 16
Рейтинг сообщения: 0
В том-то и дело,что схема предусмотрена под тиристоры, но автор использовал вместо них симисторы ВТА26-600.

Симистор вроде как подходит под требования устройства - закорачивание обмотки при превышении напряжением заданного значения.
Шунтирования управляющего электрода симистор не требует. Вот и был предложен альтернативный вариант устройства.

К сожалению испытать его в действии не могу в связи с отсутствием комплектующих за которыми надо ехать в областной центр. Поэтому решил проконсультироваться у знатоков перед тем как собрать устройство.


Вернуться наверх
 
 Заголовок сообщения: Re: Шунтирующий регулятор напряжения для мопеда
СообщениеДобавлено: Пн янв 10, 2011 13:33:52 
Родился

Карма: 1
Рейтинг сообщений: 0
Зарегистрирован: Сб июл 25, 2009 23:13:34
Сообщений: 16
Рейтинг сообщения: 0
Здравствуйте, собраю стабилизатор по схеме в первом посте, на двух симисторах bta216-600e, и есть вопрос: пересчитываю номинал резисторов: 14(вольт)/0.01(параметр Igt по даташиту на симистор) = 1.4 Ком ??? :oops: и как теперь это значение распределить по трем резиcторам??? :oops:

а нужно ли вообще, пересчитывать номинал резисторов т.к. на макете, на стенде при резисторах указанных в схеме - работает, вроде нормально :? (симисторы открываются)


Вернуться наверх
 
Эиком - электронные компоненты и радиодетали
 Заголовок сообщения: Re: Шунтирующий регулятор напряжения для мопеда
СообщениеДобавлено: Пн янв 10, 2011 19:09:46 
Вымогатель припоя
Аватар пользователя

Карма: 2
Рейтинг сообщений: 20
Зарегистрирован: Вт фев 02, 2010 20:02:38
Сообщений: 559
Откуда: Ижевские мы
Рейтинг сообщения: 0
Вот несколько схем с "просторов". Для разнообразия темы.


Вложения:
150469_6.jpg [71.23 KiB]
Скачиваний: 5613
150469_5.jpg [80.02 KiB]
Скачиваний: 5057
150469_4.jpg [61.11 KiB]
Скачиваний: 4914
150469_3.jpg [53.57 KiB]
Скачиваний: 4428
150469_2.jpg [52.07 KiB]
Скачиваний: 4743
Вернуться наверх
 
 Заголовок сообщения: Re: Шунтирующий регулятор напряжения для мопеда
СообщениеДобавлено: Ср фев 23, 2011 20:47:57 
Встал на лапы
Аватар пользователя

Зарегистрирован: Вт авг 05, 2008 21:05:34
Сообщений: 137
Откуда: Украина
Рейтинг сообщения: 0
А мне больше понравилась схема их тех же "просторов" на транзисторах. У меня сезон отьездила вобще без вопросов. Поставил и забыл. Со временем даже вольтметр выкинул за ненадобностью. Схема "держит" отлично


Вложения:
150469_6.jpg [54.14 KiB]
Скачиваний: 6621
Вернуться наверх
 
 Заголовок сообщения: Re: Шунтирующий регулятор напряжения для мопеда
СообщениеДобавлено: Пт фев 25, 2011 18:34:54 
Открыл глаза
Аватар пользователя

Карма: 3
Рейтинг сообщений: -2
Зарегистрирован: Вс ноя 29, 2009 00:24:15
Сообщений: 42
Откуда: Питер
Рейтинг сообщения: 0
а есть еще с выходом на обогатитель (vism57)


Вложения:
693510_1.jpg [70.08 KiB]
Скачиваний: 3768

_________________
Ищу запчасти для двигателей УД-25 УД-2
Вернуться наверх
 
 Заголовок сообщения: Re: Шунтирующий регулятор напряжения для мопеда
СообщениеДобавлено: Пн апр 04, 2011 15:31:47 
Родился
Аватар пользователя

Зарегистрирован: Пн апр 04, 2011 15:22:16
Сообщений: 1
Рейтинг сообщения: 0
Накидал такую схему как альтернативу ШР, что скажете про КПД?


Вложения:
ШИМ.JPG [47.39 KiB]
Скачиваний: 3780
Вернуться наверх
 
 Заголовок сообщения: Re: Шунтирующий регулятор напряжения для мопеда
СообщениеДобавлено: Пн апр 04, 2011 16:32:16 
Мучитель микросхем

Карма: 1
Рейтинг сообщений: 4
Зарегистрирован: Пт дек 11, 2009 11:40:54
Сообщений: 462
Рейтинг сообщения: 0
Цитата:
Накидал такую схему как альтернативу ШР

у меня например (без стабилизатора) при одном только подключеном обогатителе напряжение взлетает до 60-70в, так что делайте выводы.
Имхо, если не хочется епотни ставте шунтирующий.


Вернуться наверх
 
 Заголовок сообщения: Re: Шунтирующий регулятор напряжения для мопеда
СообщениеДобавлено: Вт авг 02, 2011 18:32:26 
Мучитель микросхем

Карма: 3
Рейтинг сообщений: 0
Зарегистрирован: Сб апр 17, 2010 10:30:13
Сообщений: 400
Рейтинг сообщения: 0
Тоесть выходит что обмотки замыкаются полюбому через диод. Вот схемма Изображение А можно сделать так? диоды мы тут обошли.Изображение


Вернуться наверх
 
 Заголовок сообщения: Re: Шунтирующий регулятор напряжения для мопеда
СообщениеДобавлено: Чт мар 22, 2012 13:53:03 
Мучитель микросхем

Карма: 3
Рейтинг сообщений: 0
Зарегистрирован: Сб апр 17, 2010 10:30:13
Сообщений: 400
Рейтинг сообщения: 0
И тишина...


Вернуться наверх
 
 Заголовок сообщения: Re: Шунтирующий регулятор напряжения для мопеда
СообщениеДобавлено: Чт мар 22, 2012 14:01:31 
Модератор
Аватар пользователя

Карма: 153
Рейтинг сообщений: 2942
Зарегистрирован: Сб авг 14, 2010 15:05:51
Сообщений: 19041
Откуда: г. Озерск, Челябинская обл.
Рейтинг сообщения: 0
Медали: 1
Лучший человек Форума 2017 (1)
misterkuk, делаю предупреждение. подобное поднятие темы запрещено.

_________________
Мудрость приходит вместе с импотенцией...
Когда на русском форуме переходят на Вы, в реальной жизни начинают бить морду.


Вернуться наверх
 
 Заголовок сообщения: Re: Шунтирующий регулятор напряжения для мопеда
СообщениеДобавлено: Пт фев 05, 2016 01:49:07 
Первый раз сказал Мяу!
Аватар пользователя

Зарегистрирован: Пт сен 24, 2010 15:40:32
Сообщений: 36
Откуда: пос. Каменка
Рейтинг сообщения: 0
Собрал я навесным схему download/file.php?id=58899 а она отказывается выдавать выше 4.5 вольт. В связи с этим у меня вопрос: как работает таймер ne555 в этой схеме. Если можно, то опишите полный принцип действия, а то вообще не догоняю.
И ещё я использую IRFZ44N - может из-за них?


Вернуться наверх
 
 Заголовок сообщения: Re: Шунтирующий регулятор напряжения для мопеда
СообщениеДобавлено: Вс янв 19, 2020 18:29:41 
Родился

Зарегистрирован: Ср ноя 21, 2007 19:33:50
Сообщений: 2
Рейтинг сообщения: 0
Вопрос уважаемым, мудрым Котам и не только...

Являюсь обладателем мопеда, недовольным светом своего аппарата и недостаточным уровнем заряда акумулятора. Вот на просторах "необъятного" нашел схему шунтирующего регулятора напряжения с описанием следующего описания (из статьи Yray на форуме Московского Сктер-клуба):
Спойлер_____

"... Работает регулятор следующим образом. При достижении положенного напряжения, в нашем случае 13.8 вольта, регулятор тиристором или симистором замыкает обмотку генератора накоротко соответственно напряжение падает и тиристор или симистор снова закрывается, цепь размыкается и напряжение снова достигает рабочего. И так с большой частотой в результате на выходе регулятора импульсное напряжение большой частоты оно сглаживается в постоянное конденсаторами и аккумулятором.
Многие скажут что такой способ регулирование не допустим дескать замыкая генератор можно его сжечь. Но тут всё зависит от типа генератора на скутерах стоят магдино генераторы, а они имеют одно положительное свойство дело в том, что ток в цепи генераторных катушек ограничивается их индуктивностью рассеяния, а не внешним сопротивлением. При коротком замыкании индуктивность будет настолько велика что будет влиять на поле постоянных магнитов, но направленно будет против них в результате ЭДС в катушках будет настолько низок, что ток не сможет причинить каких либо повреждений обмоткам. Генератор скутера при этом не перегорает, но есть небольшая проблема это основной минус этих регуляторов - противодействие магнитного поля катушек и постоянных магнитов имеет некоторую силу в результате повышается нагрузка на коленвал и соответственно снижается мощность двигателя. На двух-тактниках это почти не заметно, а вот на четырёх-тактных одноцилиндровых двигателях это заметно там и так коленвал по инерции целый оборот проходит, а тут ещё и генератор его тормозит. Но в любом случае потери в мощности незначительны и заметны только в снижении оборотов холостого хода.
Зато у этого типа регуляторов есть много больших плюсов они компактны, просты, надёжны, дёшевы, выделяют не много тепла, имеют широкий диапазон входных и выходных напряжений, точно держат напряжение на пока генератор даёт достаточно тока, а главное в связке в нашим генератором КПД достигает 100% - происходит это так когда генератор выходит на свою предельную мощность его напряжение становится ниже напряжения при котором срабатывает шунтирующая схема, например 13.7 вольта и регулятор не включается в работу то есть напряжение с генератора идёт напрямую на выпрямитель а с него на потребители 100% КПД.

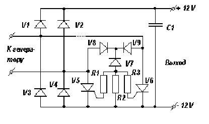
Конструкция очень простая. Схема вот.

Изображение

Немного о деталях:
V1-4 Любые выпрямительные диоды большёй мощности, можно использовать разобранный автомобильный диодный мост. Я у себя установил 4 диодных мостика KBPC 3510 (на быстрых диодах), в заявленных характеристиках (35A,1000V) я очень сомневаюсь поэтому поставил параллельно 4 штуки, благо они недорогие, компактные и очень удобны для монтажа на радиаторе выполнены они в изолированном металлическом корпусе с отверстием для крепления.

V5-6 Любые силовые импульсные тиристоры или симисторы, я использовал симисторы BTA26-600 большое напряжение (600В), большой ток (25А) удобный монтаж корпус не имеет контактов с выводами.

V8-9 Любые выпрямительные диоды средней или большой мошности я поставил кд283 (круглые таблетки)

V7 - стабилитрон на нужное вам напряжение у меня стоит маленький ZENER 14V, 1,3 W.

R1, R3 - резисторы МЛТ-0.5 30 Ом;

R2 - резистор МЛТ-0.5 200 Ом;

C1 конденсатор, электролит, подбирается опытным путём, у меня стоит 3 по 22000 мкф, 25 V итого 66000мкф.

Вся конструкция, за исключением электролитов, собрана на радиаторе и залита эбокситкой, но с таким расчётом чтобы стабилитрон можно было менять для достижения желаемого напряжения.
Схема опробована неоднократно и нареканий никаких не возникает.
Цена всего от силы рублей 400, зато гораздо надёжней китайского фуфла, и мощность значительно выше. Сейчас один из таких регуляторов работает на моём скутере и выдаёт порядка 200 ватт мощности особо не нагреваясь..."
_____


Перспектива очень даже неплохая. Вместо тиристоров автор применил симисторы. Вот я и подумал немного упростить схему и привести ее к такому виду (симистор оставляем прежний):

Изображение

В связи с этим вопросы:

1). Будет ли эта схема работать точно также как и оригинальная?

2). Хватит ли одного симистора по мощности?

3). Как выбрать номинал резистора R2, ток и тип диодов V8 и V9? На сколько я понимаю мощные диоды в этой схеме уже не нужны.


Автор поста не отписался, сделал ли он себе шунтирующий стабилизатор или нет. Если сделал, то по какой схеме.
Сдается мне, что вторая схема работать не может из-за небольшой ошибки, поправил ее красным цветом. Так должно работать.
Вложение:
Комментарий к файлу: исправленная вторая схема.
ac2_Schunt[2].JPG [25.26 KiB]
Скачиваний: 1249

Номинал резистора R2 рассчитывается как обычно, для ввода стабилитрона в рабочий диапазон. Работает стабилизатор по обычной схеме параметрического стабилизатора.

В целом, схема работает следующим образом.
Положительная полуволна с верхнего по схеме вывода генератора через диод V9 попадает на стабилитрон V7. Далее, через резистор R2 и диод V4 возвращается в генератор. Аналогично, на стабилитрон попадает вторая полуволна, только с нижнего по схеме вывода генератора через диод V8, а возвращается через резистор R2 и диод V3.
Стабилитрон V7 и резистор R2 образуют делитель напряжения. Пока напряжение с генератора не превышает рабочее напряжение стабилитрона V7, падение напряжения на резисторе R2 недостаточно для открытия семистора V5. Как только напряжение с генератора превышает рабочее напряжение стабилитрона V7, напряжение на резисторе R2 открывает семистор V5, который шунтирует генератор. Напряжение на генераторе падает и семистор закрывается.
Далее цикл повторяется.


Вернуться наверх
 
 Заголовок сообщения: Re: Шунтирующий регулятор напряжения для мопеда
СообщениеДобавлено: Вс апр 12, 2020 19:56:40 
Родился

Зарегистрирован: Вс апр 12, 2020 19:34:23
Сообщений: 1
Рейтинг сообщения: 0
Вопрос от чайника.
Для чего обходить R2? Ведь тогда все напряжение, 12—15 в, пойдет на управляющий электрод тиристора? В большинстве своём напряжение управления не больше 6 в. И для чего соединять R2 с минусом? И не лучше ли выпрямлять ток после стабилизации?


Вернуться наверх
 
 Заголовок сообщения: Re: Шунтирующий регулятор напряжения для мопеда
СообщениеДобавлено: Сб май 30, 2020 12:17:08 
Первый раз сказал Мяу!

Зарегистрирован: Вс май 17, 2020 20:35:26
Сообщений: 20
Откуда: Орехово-Зуево
Рейтинг сообщения: 0
Изображение
Доброго времени суток всем! Начну издалека, но не очень.
Есть у меня в гараже старый мотороллер Вятка, ещё советских времён. И решил я перевести его с бортовой сети 6 вольт, на 12.
Спаял две катушки генератора последовательно, собрал, запустил и обнаружил то, что напряжение скачет, и вместо предполагаемых( да, я дурень и предполагал) 12 вольт, на приборе светятся цифры от 20 до 27 вольт, смотря насколько активно дёргать газ. Конечно, под нагрузкой всё это просядет, но стабилизатор и регулятор напряжения будет необходим в любом случае.

Далее, когда я обратился на мотофорум, мне сунули ссылку на схему. Перейдя по ссылке я и попал к вам, скачал вышеуказанную схему
https://radiokot.ru/forum/viewtopic.php ... 0#p1685600
поменял мощные(и дорогие :) ) симисторы BT26 на BT137-600E(на 8 ампер, и дешевле :) )
Потом заказал все детальки, развёл плату, просверлил, натыкал, запаял, в общем собрал всё по схеме.
Решил проверить в лабораторных условиях, откопал лабораторный БП и подключил 26 вольт переменного на вход.
При подключении появились маленькие молнии(искры, что угодно) и блок с диодным мостом и симисторами начал греться. Также на входе моста было 26 вольт, на выходе показывало около 7 вольт, а на блоке питания напряжение с 26 просело до 20.
Я, как и полагается немного испугался повыключал всё нафиг, чтобы не спалить плату.
Проверил плату тщательнейшим образом, все неоднозначные места проковылял, в общем с платой всё нормально. Вот и вопрос, почему система отказывается работать?

Добавлено after 31 minute 51 second:
Re: Регулятор напряжения для китайских мопедов.
Изображение
Это если кто-то захочет посмотреть развёртки и т.д. может я просто рукожопик)))

Спасибо всем кто помог! схема работает, но вот одно но: очень странные дела, генератор на холостых оборотах при парралельном подключении двух 6-ти вольтовых катушек спокойно выдаёт 5-6 вольт, а при последовательном выдаёт только 7-10. Стабилизатор пытается сделать всё от него зависящее, но так нужных мне 12 вольт не может выдать. Из-за этого не заряжается аккумулятор, и не работает система запуска мотороллера без аккумулятора. Есть идея, поставить вместо диодного моста на входе схемы, умножитель напряжения.


Изображение


конечно, сделать так, чтобы умножал он не сильно, но вот вопрос: Повлияет ли такая замена на работу шунтирующего стабилизатора?


Изображение

Ведь, как я понял, стабилизатор подкорачивает диоды, чтобы выдержать нужное напряжение. И если такая замена будет невозможна, то как тогда можно повысить напряжение?

P.S. Думаю с двигателем и оборотами делать что-то бесполезно :) :)) :))) :write:

_________________
Не микроконтроллером единым


Вернуться наверх
 
 Заголовок сообщения: Re: Шунтирующий регулятор напряжения для мопеда
СообщениеДобавлено: Сб май 30, 2020 12:22:58 
Модератор
Аватар пользователя

Карма: 159
Рейтинг сообщений: 4092
Зарегистрирован: Пт янв 23, 2009 19:20:05
Сообщений: 45927
Рейтинг сообщения: 0
Медали: 1
Получил миской по аватаре (1)
Никакой стабилизатор не сможет увеличить мощность генератора! Если на холостом ходу она недостаточна - то проблема решается только одним методом: заменой генератора на более мощный... Теоретически, конечно, можно поднять обороты или увеличить мощность магнитов генератора - но это не всегда осуществимо... :)


Вернуться наверх
 
 Заголовок сообщения: Re: Шунтирующий регулятор напряжения для мопеда
СообщениеДобавлено: Сб май 30, 2020 12:40:11 
Первый раз сказал Мяу!

Зарегистрирован: Вс май 17, 2020 20:35:26
Сообщений: 20
Откуда: Орехово-Зуево
Рейтинг сообщения: 0
А я и не хочу поднимать мощность :) мне нужно поднять напряжение, так чтобы стабилизатор продолжал стабилизировать, а на холостых шли положенные 12-14 вольт.

_________________
Не микроконтроллером единым


Вернуться наверх
 
 Заголовок сообщения: Re: Шунтирующий регулятор напряжения для мопеда
СообщениеДобавлено: Сб май 30, 2020 13:07:09 
Друг Кота
Аватар пользователя

Карма: 146
Рейтинг сообщений: 6067
Зарегистрирован: Чт июн 04, 2009 21:06:49
Сообщений: 36290
Откуда: г.Мариинск
Рейтинг сообщения: 0
Медали: 1
Лучший человек Форума 2017 (1)
перемотай катушки на 12в и всё.

_________________
Тем кого не устаревает наличия ошибок в моем тексте, оставляю права не пользоваться моими советами или просто не читать мои сообщения.


Вернуться наверх
 
 Заголовок сообщения: Re: Шунтирующий регулятор напряжения для мопеда
СообщениеДобавлено: Сб май 30, 2020 16:20:58 
Друг Кота
Аватар пользователя

Карма: 107
Рейтинг сообщений: 3345
Зарегистрирован: Сб фев 11, 2017 15:59:13
Сообщений: 15057
Откуда: 57 RUS
Рейтинг сообщения: 1
AlexCrazy писал(а):
очень странные дела, генератор на холостых оборотах при парралельном подключении двух 6-ти вольтовых катушек спокойно выдаёт 5-6 вольт, а при последовательном выдаёт только 7-10.

Ничего странного, это нормально, обмотки на статоре вашей "Вятки" расположены не синфазно, имеют сдвиг фаз друг против друга, поэтому при последоввательном соединении напряжение априори не будет в два раза выше:
Изображение

AlexCrazy писал(а):
Стабилизатор пытается сделать всё от него зависящее, но так нужных мне 12 вольт не может выдать.

Перемотайте обмотки на 12V более тонким проводом увеличив количество витков вдвое (они элементарно откручиваются), а не ищите там, где фонарь светит. ;)

В принципе можно попробывать на каждую обмотку поставить диодный мост с электролитом в несколько тысяч мкф, и включить эти диодные мосты последовательно, возможно получите 12V постоянки на холостом ходу.

_________________
НАРОДОВЛАСТИЕ а не кланово-олигархическая дерьмократия!!!
Цифровому рабству, навязываемому цифровым олигархатом - НЕТ!


Вернуться наверх
 
Показать сообщения за:  Сортировать по:  Вернуться наверх
Начать новую тему Ответить на тему  [ Сообщений: 31 ]  1,  

Часовой пояс: UTC + 3 часа


Вы не можете начинать темы
Вы не можете отвечать на сообщения
Вы не можете редактировать свои сообщения
Вы не можете удалять свои сообщения
Вы не можете добавлять вложения

Найти:
Перейти:  


Powered by phpBB © 2000, 2002, 2005, 2007 phpBB Group
Русская поддержка phpBB
Extended by Karma MOD © 2007—2012 m157y
Extended by Topic Tags MOD © 2012 m157y