Например TDA7294

Форум РадиоКот • Просмотр темы - Переделка БП на ШИМ TL494 в лабораторный
Форум РадиоКот
Здесь можно немножко помяукать :)

Текущее время: Вт янв 06, 2026 22:05:34

Часовой пояс: UTC + 3 часа


ПРЯМО СЕЙЧАС:



Начать новую тему Ответить на тему  [ Сообщений: 175 ]    , , , , 5, , , ,  
Автор Сообщение
Не в сети
 Заголовок сообщения: Re: Переделка БП на ШИМ TL494 в лабораторный
СообщениеДобавлено: Сб фев 19, 2022 07:34:56 
Друг Кота
Аватар пользователя

Карма: 146
Рейтинг сообщений: 6065
Зарегистрирован: Чт июн 04, 2009 21:06:49
Сообщений: 36292
Откуда: г.Мариинск
Рейтинг сообщения: 0
Медали: 1
Лучший человек Форума 2017 (1)
Как задолбали все с такими вопросами, но здесь попался БП на ТЛке в ремонт, решил исключить такие вопросы на этом форуме.
И так режимы и осциллограммы на ТЛке и трансформаторе в режиме без силовых транзисторов и питании12в.
1-0в______16-1,24в
2-4,23в___15-5в
3-0,09в___14-5в
4-0в______13-5в
5-1,59в___12-12в
6-3,62в___11-1,57в
7-0в______10-0в
8-1,57в____9-0в
На трансформаторе 3,62в.
Изображение
То же самое, но с ключами, только без силового питания.
Изображение
Напряжение на трансформаторе 4,68в
Но схемы и номиналы на всех схемах не совпадают, значит это только ориентировочные данные.

_________________
Тем кого не устаревает наличия ошибок в моем тексте, оставляю права не пользоваться моими советами или просто не читать мои сообщения.


Вернуться наверх
 
Не в сети
 Заголовок сообщения: Re: Переделка БП на ШИМ TL494 в лабораторный
СообщениеДобавлено: Сб фев 19, 2022 13:16:19 
Мучитель микросхем

Зарегистрирован: Пн фев 15, 2016 08:17:34
Сообщений: 494
Рейтинг сообщения: 0
Доброе время суток, господа! Решил вклинится в чужую тему - извините великодушно. Вопрос к "мудрым котам". Есть переделанный В ЛБП компьютерный блок питания. Блок на TL494. Преределка по схеме: обвязка ШИМ стандартная ОС (2-3,15-3) присутствует, регулировки по 2(U) и 15(I) ногам, на 16 ногу сигнал снимается после шунта (0,05 Ом). На выходе один дросель (перемотан ДГС - 23 витка) и кондер на 2200. Максимальные U=22В, I=11А. Проблема вот в чем. Выставляю любое напряжение (для примера 14,8В.) и ограничение тока в средине шкалы (~5,3А), подключаю электронную нагрузку. Нагрузкой повышаю ток. До момента стабилизации по току пульсации на выходе 120мВ, когда начинается стабилизация по току в кулиминационный момент пульсации достигают почти 10-11В(!). Думаю более наглядно суть вопроса на фото.

ДО режима стабилизации тока
https://img.radiokot.ru/files/113250/th ... 1f19dv.png

Самое начало стабилизации тока
https://img.radiokot.ru/files/113250/th ... 1i37ok.png

В режиме стабилизации тока
https://img.radiokot.ru/files/113250/th ... 1g5dox.png
https://img.radiokot.ru/files/113250/th ... 1jxhrc.png
https://img.radiokot.ru/files/113250/th ... 1h7f5u.png

_________________
Люди как свечи - одни на торт, другие в ... ( в медицинских целях).


Вернуться наверх
 
Не в сети
 Заголовок сообщения: Re: Переделка БП на ШИМ TL494 в лабораторный
СообщениеДобавлено: Сб фев 19, 2022 15:18:19 
Друг Кота
Аватар пользователя

Карма: 146
Рейтинг сообщений: 6065
Зарегистрирован: Чт июн 04, 2009 21:06:49
Сообщений: 36292
Откуда: г.Мариинск
Рейтинг сообщения: 0
Медали: 1
Лучший человек Форума 2017 (1)
LiSer писал(а):
ОС (2-3,15-3) присутствует, регулировки по 2(U) и 15(I) ногам, на 16 ногу сигнал снимается после шунта (0,05 Ом).

Вот на эту обвязку хотелось бы посмотреть.

_________________
Тем кого не устаревает наличия ошибок в моем тексте, оставляю права не пользоваться моими советами или просто не читать мои сообщения.


Вернуться наверх
 
Не в сети
 Заголовок сообщения: Re: Переделка БП на ШИМ TL494 в лабораторный
СообщениеДобавлено: Сб фев 19, 2022 16:16:09 
Мучитель микросхем

Зарегистрирован: Пн фев 15, 2016 08:17:34
Сообщений: 494
Рейтинг сообщения: 0
LiSer писал(а):
ОС (2-3,15-3) присутствует, регулировки по 2(U) и 15(I) ногам, на 16 ногу сигнал снимается после шунта (0,05 Ом).

Вот на эту обвязку хотелось бы посмотреть.


Обвязка следующая: 2-R(47k)-C(103)-3, 15-R(22k)-C(104)-3.

Спасибо за ответ, но вопрос пока снимается. По своим же фото увиде, что ток не стабилизируется, а растет.
Что-то накосячил в обвязке. :oops:

Добавлено after 14 minutes 28 seconds:
Такой вопрос. Где-то вычитал рекомендацию - шунтировать регулировочные входы ШИМ (2,15) резисторами (450к-500к) на массу. Дабы подтянуть эти входы к минусу при обрыве минуса на преременниках.
У меня стоит такой резистор с 15 ноги. Может он влиять на работу обратной связи.? И вообще есть смысл в этих резисторах?

_________________
Люди как свечи - одни на торт, другие в ... ( в медицинских целях).


Вернуться наверх
 
Эиком - электронные компоненты и радиодетали
Не в сети
 Заголовок сообщения: Re: Переделка БП на ШИМ TL494 в лабораторный
СообщениеДобавлено: Сб фев 19, 2022 16:52:24 
Друг Кота
Аватар пользователя

Карма: 146
Рейтинг сообщений: 6065
Зарегистрирован: Чт июн 04, 2009 21:06:49
Сообщений: 36292
Откуда: г.Мариинск
Рейтинг сообщения: 0
Медали: 1
Лучший человек Форума 2017 (1)
Резисторы не влияют. меня интересует обвязка 15 ноги.
Желательно схемотично.

_________________
Тем кого не устаревает наличия ошибок в моем тексте, оставляю права не пользоваться моими советами или просто не читать мои сообщения.


Вернуться наверх
 
Не в сети
 Заголовок сообщения: Re: Переделка БП на ШИМ TL494 в лабораторный
СообщениеДобавлено: Сб фев 19, 2022 17:24:07 
Мучитель микросхем

Зарегистрирован: Пн фев 15, 2016 08:17:34
Сообщений: 494
Рейтинг сообщения: 0
Резисторы не влияют. меня интересует обвязка 15 ноги.
Желательно схемотично.


Вот схема.


Вложения:
обвязка.jpg [102.64 KiB]
Скачиваний: 443

_________________
Люди как свечи - одни на торт, другие в ... ( в медицинских целях).
Вернуться наверх
 
Не в сети
 Заголовок сообщения: Re: Переделка БП на ШИМ TL494 в лабораторный
СообщениеДобавлено: Сб фев 19, 2022 17:53:02 
Друг Кота
Аватар пользователя

Карма: 146
Рейтинг сообщений: 6065
Зарегистрирован: Чт июн 04, 2009 21:06:49
Сообщений: 36292
Откуда: г.Мариинск
Рейтинг сообщения: 0
Медали: 1
Лучший человек Форума 2017 (1)
Схема ущербная корректирующая цепочка на 15 ногу в ней не работает, Так как замыкается на массу через малое сопротивление потенциометра.
Поставь в разрыв среднего вывода потенциометра резистор 3-4к.

_________________
Тем кого не устаревает наличия ошибок в моем тексте, оставляю права не пользоваться моими советами или просто не читать мои сообщения.


Вернуться наверх
 
Не в сети
 Заголовок сообщения: Re: Переделка БП на ШИМ TL494 в лабораторный
СообщениеДобавлено: Сб фев 19, 2022 19:24:46 
Друг Кота

Карма: 62
Рейтинг сообщений: 750
Зарегистрирован: Пт авг 04, 2017 19:36:00
Сообщений: 5635
Откуда: постнурсултанат Боратистан
Рейтинг сообщения: 0
По схеме на 15 ноге между двумя узлами врезать резистор до 10 кОм можно. Да еще можно там добавить конденсатор на минус на 10 нанофарад.
22 кОм можно уменьшить до 10 ком.


Вернуться наверх
 
Не в сети
 Заголовок сообщения: Re: Переделка БП на ШИМ TL494 в лабораторный
СообщениеДобавлено: Сб фев 19, 2022 20:16:13 
Мучитель микросхем

Зарегистрирован: Пн фев 15, 2016 08:17:34
Сообщений: 494
Рейтинг сообщения: 0
Схема ущербная корректирующая цепочка на 15 ногу в ней не работает, Так как замыкается на массу через малое сопротивление потенциометра.
Поставь в разрыв среднего вывода потенциометра резистор 3-4к.



Извиняюсь, забыл исправить на схеме. Реально сейчас - переменник 5К и верхний резистор 39к.
Согласен с тем, что с движка на 16 нужен резистор. Но я так понимаю он нужен для стабильного ограничения малых токов (переменник выкручен на массу)
В моем случае не эта проблема. На 5К те же артефакты наблюдаются даже при верхнем положении движка.

Добавлено after 5 minutes 55 seconds:
По схеме на 15 ноге между двумя узлами врезать резистор до 10 кОм можно. Да еще можно там добавить конденсатор на минус на 10 нанофарад.
22 кОм можно уменьшить до 10 ком.



А почему между двумя узлами? А сразу с движка можно? Переменники на отдельной плате. Там же и конденсатор можно поставить или конденсатор должен быть между шлейфом от переменников и ШИМом?

_________________
Люди как свечи - одни на торт, другие в ... ( в медицинских целях).


Последний раз редактировалось LiSer Сб фев 19, 2022 21:27:34, всего редактировалось 1 раз.

Вернуться наверх
 
Не в сети
 Заголовок сообщения: Re: Переделка БП на ШИМ TL494 в лабораторный
СообщениеДобавлено: Сб фев 19, 2022 20:47:56 
Друг Кота
Аватар пользователя

Карма: 123
Рейтинг сообщений: 7959
Зарегистрирован: Сб сен 13, 2014 16:27:32
Сообщений: 39199
Откуда: СпиртоГонск созвездия Омега
Рейтинг сообщения: 0
телекот праф +если резисторы далеко вынесены не экранированым кабелем следует припаять кондеры... с движкой резистороф на Vref(13+14пин )

_________________
ZМудрость(Опыт и выдержка) приходит с годами.
Все Ваши беды и проблемы, от недостатка знаний.
Умный и у дурака научится, а дураку и ..
Алберт Ейнштейн не поможет и ВВП не спасет.и МЧС опаздает


Вернуться наверх
 
Не в сети
 Заголовок сообщения: Re: Переделка БП на ШИМ TL494 в лабораторный
СообщениеДобавлено: Вс фев 20, 2022 09:56:12 
Мучитель микросхем

Зарегистрирован: Пн фев 15, 2016 08:17:34
Сообщений: 494
Рейтинг сообщения: 0
Выполнил выщеназванные рекомендации:
- со среднего вывода потенциометра R=4к7
- со среднего вывода потенциометра С=100н (пробовал 10н - показалось мало)
- резистор RC-цепи токовой ОС заменил на 10к
- проверил еще раз правильность монтажа

По пульсациям сказать ничего не могу- осц-фа нет под руой.
Но вот какая картина. Подключаюсь мультиметром к 15ноге, при ХХ выставляю потенциометром 250мВ (ограничение 5А при моем шунте). При подключении нагрузки напряжение на 15н проседает (0,5А-180мВ, 1А-140мВ,1,2А-138мВ) далее падение останавливается до тока нагрузки~2,5А, далее резкий скачек до 145мВ и начинается падение выходного напряжения. Но при этом ток не остается стабильным, а продолжает расти с увеличением тока нагрузки. Правда рост тока (на индикаторе) значительно медленнее, чем рост тока нагрузки. В момент начала псевдостабилизации тока слышен слабый свист (слышен только без вентилятора) в районе трансформатора и начинается резкий нагрев силовых ключей.

_________________
Люди как свечи - одни на торт, другие в ... ( в медицинских целях).


Вернуться наверх
 
Не в сети
 Заголовок сообщения: Re: Переделка БП на ШИМ TL494 в лабораторный
СообщениеДобавлено: Вс фев 20, 2022 10:55:50 
Сверлит текстолит когтями
Аватар пользователя

Карма: 15
Рейтинг сообщений: 381
Зарегистрирован: Чт янв 12, 2012 19:32:15
Сообщений: 1243
Откуда: Belarus
Рейтинг сообщения: 0
Схему покажите, точно соответствующую фактической конструкции. Нужна полностью силовая выходная часть, начиная с вторичной обмотки трансформатора и заканчивая выходными клеммами. И обязательно точная обвязка микросхемы с переменными резисторами и цепями ОС по току и напряжению.


Вернуться наверх
 
Не в сети
 Заголовок сообщения: Re: Переделка БП на ШИМ TL494 в лабораторный
СообщениеДобавлено: Вс фев 20, 2022 11:41:17 
Мучитель микросхем

Зарегистрирован: Пн фев 15, 2016 08:17:34
Сообщений: 494
Рейтинг сообщения: 0
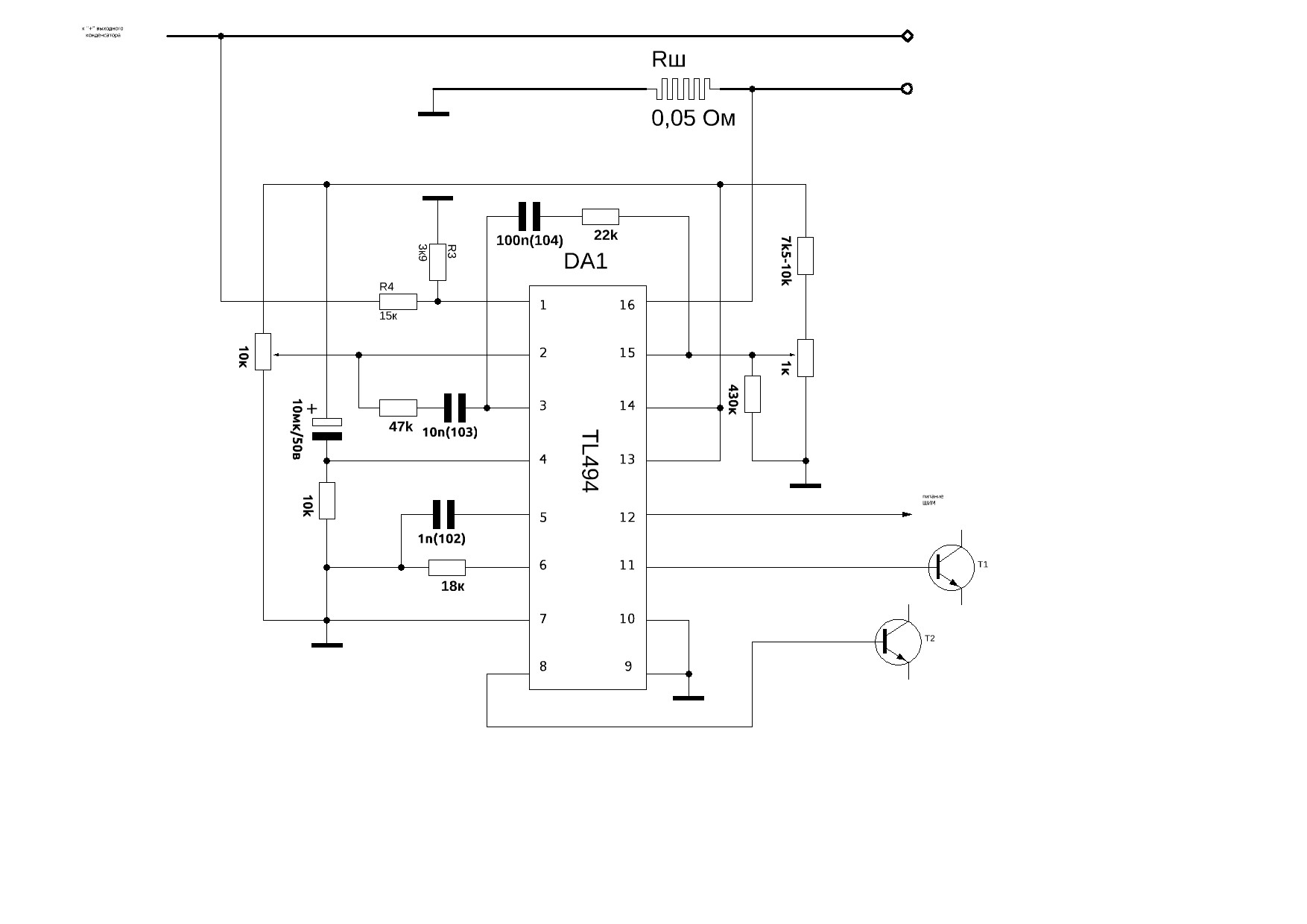
Вот схема на данный момент.


Вложения:
схема.jpg [120.55 KiB]
Скачиваний: 341

_________________
Люди как свечи - одни на торт, другие в ... ( в медицинских целях).
Вернуться наверх
 
Не в сети
 Заголовок сообщения: Re: Переделка БП на ШИМ TL494 в лабораторный
СообщениеДобавлено: Вс фев 20, 2022 11:58:11 
Друг Кота

Карма: 62
Рейтинг сообщений: 750
Зарегистрирован: Пт авг 04, 2017 19:36:00
Сообщений: 5635
Откуда: постнурсултанат Боратистан
Рейтинг сообщения: 0
На провод обратной связи с шунта резистор можно поставить и совсем мелкий кондерчик после него.


Вернуться наверх
 
Не в сети
 Заголовок сообщения: Re: Переделка БП на ШИМ TL494 в лабораторный
СообщениеДобавлено: Вс фев 20, 2022 12:23:48 
Сверлит текстолит когтями
Аватар пользователя

Карма: 15
Рейтинг сообщений: 381
Зарегистрирован: Чт янв 12, 2012 19:32:15
Сообщений: 1243
Откуда: Belarus
Рейтинг сообщения: 0
В цепь среднего вывода регулятора напряжения надо установить резистор, точно так же, как в цепи регулятора тока. Вместо цепочек ОС с вывода 3 на выводы 2 и 15 можно попробовать временно установить конденсаторы 100 нФ. Если поможет, потом подобрать цепочку по факту, чтобы резистор был как можно выше номиналом, но при этом не было возбуда. И не мешало бы увидеть фото конструкции, особенно в плане длины проводов в цепях ОС.


Вернуться наверх
 
Не в сети
 Заголовок сообщения: Re: Переделка БП на ШИМ TL494 в лабораторный
СообщениеДобавлено: Вс фев 20, 2022 15:04:57 
Мучитель микросхем

Зарегистрирован: Пн фев 15, 2016 08:17:34
Сообщений: 494
Рейтинг сообщения: 0
ОС по току состоит из 100нФ+10к. Т.е. я вместо 10к впиваю подстроечник на 50к, выставляю его на 0, пробую. Если все хорошо - кручу подстроечник до появления возбуждения. Ближайшее меньшее сопротивление постоянного резистора - это то, что нужно. Верно?

_________________
Люди как свечи - одни на торт, другие в ... ( в медицинских целях).


Вернуться наверх
 
Не в сети
 Заголовок сообщения: Re: Переделка БП на ШИМ TL494 в лабораторный
СообщениеДобавлено: Вс фев 20, 2022 15:36:56 
Сверлит текстолит когтями
Аватар пользователя

Карма: 15
Рейтинг сообщений: 381
Зарегистрирован: Чт янв 12, 2012 19:32:15
Сообщений: 1243
Откуда: Belarus
Рейтинг сообщения: 2
Примерно так. Я точно не знаю методику подбора цепочки, но в параллельной теме про переделку БП точно есть viewtopic.php?f=11&t=11684 Читайте. И данную тему можно было вообще не открывать. Конденсатор может быть 100нФ, 68нФ, 47нФ или меньше, а резистор тоже подбирается. Но проверять надо во всём диапазоне регулировки как напряжений, так и токов. Низкое сопротивление цепочки надёжно подавляет возбуд, но снижает быстродействие ОС, высокое сопротивление делает эту цепочку бесполезной.


Вернуться наверх
 
Не в сети
 Заголовок сообщения: Re: Переделка БП на ШИМ TL494 в лабораторный
СообщениеДобавлено: Вс фев 20, 2022 16:29:26 
Мучитель микросхем

Зарегистрирован: Пн фев 15, 2016 08:17:34
Сообщений: 494
Рейтинг сообщения: 0
Добится отсутствия возбуждение получилось следующей ОС по току: С=100нФ + R=2к6. ОС по напряжению не трогал. Чем чревато такое значение R? Или стоит ещё "поиграть" конденсатором?

_________________
Люди как свечи - одни на торт, другие в ... ( в медицинских целях).


Вернуться наверх
 
Не в сети
 Заголовок сообщения: Re: Переделка БП на ШИМ TL494 в лабораторный
СообщениеДобавлено: Вс фев 20, 2022 19:10:40 
Друг Кота

Карма: 62
Рейтинг сообщений: 750
Зарегистрирован: Пт авг 04, 2017 19:36:00
Сообщений: 5635
Откуда: постнурсултанат Боратистан
Рейтинг сообщения: 0
Ничего страшного. Работает и ладно.


Вернуться наверх
 
Не в сети
 Заголовок сообщения: Re: Переделка БП на ШИМ TL494 в лабораторный
СообщениеДобавлено: Вс фев 20, 2022 19:21:22 
Друг Кота
Аватар пользователя

Карма: 146
Рейтинг сообщений: 6065
Зарегистрирован: Чт июн 04, 2009 21:06:49
Сообщений: 36292
Откуда: г.Мариинск
Рейтинг сообщения: 0
Медали: 1
Лучший человек Форума 2017 (1)
На ограничении тока не существенно. Если на регулировке напряжения то нежелательно.
Без меня уже сколько написали.

_________________
Тем кого не устаревает наличия ошибок в моем тексте, оставляю права не пользоваться моими советами или просто не читать мои сообщения.


Вернуться наверх
 
Показать сообщения за:  Сортировать по:  Вернуться наверх
Начать новую тему Ответить на тему  [ Сообщений: 175 ]    , , , , 5, , , ,  

Часовой пояс: UTC + 3 часа


Кто сейчас на форуме

Сейчас этот форум просматривают: Google [Bot], olstar66 и гости: 67


Вы не можете начинать темы
Вы не можете отвечать на сообщения
Вы не можете редактировать свои сообщения
Вы не можете удалять свои сообщения
Вы не можете добавлять вложения

Найти:
Перейти:  


Powered by phpBB © 2000, 2002, 2005, 2007 phpBB Group
Русская поддержка phpBB
Extended by Karma MOD © 2007—2012 m157y
Extended by Topic Tags MOD © 2012 m157y