Например TDA7294

Форум РадиоКот • Просмотр темы - RJ Tianye - автомобильное зарядное
Форум РадиоКот
Здесь можно немножко помяукать :)

Текущее время: Чт окт 09, 2025 03:50:25

Часовой пояс: UTC + 3 часа


ПРЯМО СЕЙЧАС:



Начать новую тему Ответить на тему  [ Сообщений: 13 ] 
Автор Сообщение
Не в сети
 Заголовок сообщения: RJ Tianye - автомобильное зарядное
СообщениеДобавлено: Сб мар 18, 2023 10:10:58 
Прорезались зубы
Аватар пользователя

Карма: -2
Рейтинг сообщений: -13
Зарегистрирован: Вт июн 30, 2009 09:17:54
Сообщений: 240
Откуда: г.Сыктывкар
Рейтинг сообщения: 0
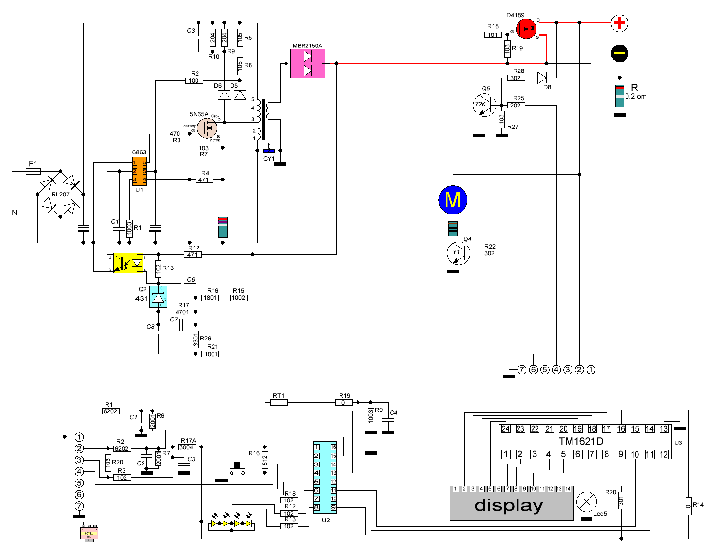
Зарядное устройство c Китая RJ Tianye 6A цена: 1000 рублей

Посмотрите, на предмет ошибок. Пока на столе разобрана исправлю.

Добавлено after 16 minutes 18 seconds:
Вот сама схема:
Вложение:
RJ Tianye_3.GIF [48.36 KiB]
Скачиваний: 2882


Вложения:
RJ Tianye ремонт.rar [313 байт]
Скачиваний: 1338
4.jpg [160.95 KiB]
Скачиваний: 1510
3.jpg [224.82 KiB]
Скачиваний: 1427
2.jpg [124.18 KiB]
Скачиваний: 1217
1.jpg [173.32 KiB]
Скачиваний: 1406
Вернуться наверх
 
Не в сети
 Заголовок сообщения: Re: RJ Tianye - автомобильное зарядное
СообщениеДобавлено: Сб мар 18, 2023 10:41:55 
Родился

Зарегистрирован: Сб мар 18, 2023 10:37:57
Сообщений: 1
Рейтинг сообщения: 0
D1 -MBR20150A


Вернуться наверх
 
Не в сети
 Заголовок сообщения: Re: RJ Tianye - автомобильное зарядное
СообщениеДобавлено: Сб мар 18, 2023 11:14:10 
Опытный кот

Карма: -9
Рейтинг сообщений: 28
Зарегистрирован: Пт янв 27, 2012 20:07:54
Сообщений: 859
Откуда: Томск
Рейтинг сообщения: 0
Очень понравилась шутка про CY1 зависящий от температуры.

По схеме - если вдруг выбьет "первичку", то первым вопросом будет номинал сгоревших деталей - ШИМ, ключ, транзистор и всё что в их окружении.
В частности заинтересует точное значение сопротивления шунта, а также вероятно и значение емкостей.

В районе С8 вероятно "потеряна земля".

Отдельное замечание - что заставляет писать 103 вместо 10К ?


Вернуться наверх
 
Не в сети
 Заголовок сообщения: Re: RJ Tianye - автомобильное зарядное
СообщениеДобавлено: Сб мар 18, 2023 15:58:41 
Опытный кот
Аватар пользователя

Карма: 4
Рейтинг сообщений: 97
Зарегистрирован: Пн фев 26, 2018 00:44:55
Сообщений: 854
Откуда: district 23
Рейтинг сообщения: 0
Отдельное замечание - что заставляет писать 103 вместо 10К ?

это вам замечание. 10К это номинал а 103 всего лиш маркировка номинала.
была любопытная ситуация при сборках любительского осцилографа где присутствовало два резистора 332 ома который многие успешно восприняли как маркировку деталей


Вернуться наверх
 
Не в сети
 Заголовок сообщения: Re: RJ Tianye - автомобильное зарядное
СообщениеДобавлено: Вс мар 19, 2023 15:24:44 
Прорезались зубы
Аватар пользователя

Карма: -2
Рейтинг сообщений: -13
Зарегистрирован: Вт июн 30, 2009 09:17:54
Сообщений: 240
Откуда: г.Сыктывкар
Рейтинг сообщения: 0
Режимы работы и осциллограмма в режиме "Ремонт"

Добавлено after 8 hours 35 minutes 36 seconds:
Схема:
Вложение:
RJ Tianye_4.GIF [48.4 KiB]
Скачиваний: 1298


Вложения:
Осцилограмма.rar [15.14 KiB]
Скачиваний: 684
RJ Tianye_Режимы.GIF [10.86 KiB]
Скачиваний: 825
Вернуться наверх
 
Не в сети
 Заголовок сообщения: Re: RJ Tianye - автомобильное зарядное
СообщениеДобавлено: Вт мар 21, 2023 08:31:07 
Прорезались зубы
Аватар пользователя

Карма: -2
Рейтинг сообщений: -13
Зарегистрирован: Вт июн 30, 2009 09:17:54
Сообщений: 240
Откуда: г.Сыктывкар
Рейтинг сообщения: 0
Это что за процессор ?
Вложение:
Чип.jpg [161.32 KiB]
Скачиваний: 805


Вернуться наверх
 
Не в сети
 Заголовок сообщения: Re: RJ Tianye - автомобильное зарядное
СообщениеДобавлено: Вт мар 21, 2023 10:03:38 
Друг Кота
Аватар пользователя

Карма: 123
Рейтинг сообщений: 7959
Зарегистрирован: Сб сен 13, 2014 16:27:32
Сообщений: 39199
Откуда: СпиртоГонск созвездия Омега
Рейтинг сообщения: 0
Нye кетаец не был бы кутайцем еслиб непошеркал шкуркоркой МК хотя зачем ?
99.9% прошифка лочена а сравнени пинаута даст гответ шо там за МК... толка прошивку придется писать самим это несложно...
ЭТО ОХ??? это плохой тон в схемотехнике мошный БП и зарядоке... допускаю что хотели сдела ПХ но штото пошло не такк и решили сделать ОХ сэкономиф на ди90де и дроселе


а фотка печаьтки силы Е? ах да ..

Добавлено after 9 minutes 10 seconds:
датчик тока вистоке надо отмерить точно!!! это важно
и сфотать дисплей LCD в режимек с подключен АКБ! это важно я та к и не вижу чо дисплей

Добавлено after 4 minutes 32 seconds:
кажет при зарядке напряжения и ток реалные или просто отбалды???
я ии такое встречал например стабилизатор ресанта тупо выводил 220 хотя напррядени выхода гуляло 200-235....
надо собрать сжему из зарядки АКЬ и авразцовых В и А и сравнить...
чето силно сомневаюсь насчет 5а ...

Добавлено after 3 minutes 36 seconds:
анон Q2 431 дожен ситеть на земле -на схеме это нет....-БОЛШОЙ ОШИПКо

_________________
ZМудрость(Опыт и выдержка) приходит с годами.
Все Ваши беды и проблемы, от недостатка знаний.
Умный и у дурака научится, а дураку и ..
Алберт Ейнштейн не поможет и ВВП не спасет.и МЧС опаздает


Вернуться наверх
 
Не в сети
 Заголовок сообщения: Re: RJ Tianye - автомобильное зарядное
СообщениеДобавлено: Пт мар 29, 2024 12:15:01 
Родился

Карма: 1
Рейтинг сообщений: 2
Зарегистрирован: Вт июн 25, 2013 18:28:14
Сообщений: 14
Рейтинг сообщения: 0
Купил себе такое. На авто аккуме все вроде нормально. А вот на маленьком от мота - беда. Он в него 4А шарашит! По инструкции д.б. не больше 1А... Заметил что у меня не запаяно R28 и D8. Может это так влиять? Или еще что-то неисправно?


Вернуться наверх
 
Не в сети
 Заголовок сообщения: Re: RJ Tianye - автомобильное зарядное
СообщениеДобавлено: Вс мар 31, 2024 10:31:25 
Друг Кота
Аватар пользователя

Карма: 20
Рейтинг сообщений: 488
Зарегистрирован: Сб ноя 20, 2010 21:54:31
Сообщений: 3954
Рейтинг сообщения: 0
dreamwait, телепаты в отсутствии, та цепочка - сначала подключить акк а потом в сеть. У вас - может быть более упрощенная схема - либо акк от мота неисправный либо R=0.2 ома чем-то закорочен.
Дополню - параллельно сетевому проводу подпаяйте пару из параллельных элементов - супрессора 1.5КЕ350СА и варистора на 390в, при отсутствии именно с такими параметрами - допустима замена на супрессор 1.5КЕ400СА и варистор на 431в - даннвя цепочка убережет ваше зарядное от перенапряжений сети - допайка производится до предохранителя


Вернуться наверх
 
Не в сети
 Заголовок сообщения: Re: RJ Tianye - автомобильное зарядное
СообщениеДобавлено: Пн фев 03, 2025 11:39:32 
Родился

Зарегистрирован: Пн фев 03, 2025 11:34:05
Сообщений: 1
Рейтинг сообщения: 0
Приветствую, заказал такой же, пришёл нерабочий, при подключение АКБ (пробовал разных ёмкостей и разных по степени зарядки, и 9В и 11В) устройство включается и показывает всё что должно, напряжение, температуру, при подключение в сеть на какие-то миллисекунды включается вентилятор, иногда успевает показать какой либо ток (0.33А) и сразу пишет что АКБ полностью заряжен, вентилятор выкл, устройство просто подаёт пульсациями 14В, никакой силы тока естественно нет. Всё 1 в 1 как на фото, та же плата, те же компоненты, тот же затёртый чип, что первым делом нужно проверить? Режимы переключаются, в режиме Pulse включается вентилятор, подаётся так же напряжение пульсациями, мигает индикатор, т.е. всё ок.


Вернуться наверх
 
Не в сети
 Заголовок сообщения: Re: RJ Tianye - автомобильное зарядное
СообщениеДобавлено: Вт фев 04, 2025 00:22:41 
Друг Кота
Аватар пользователя

Карма: 146
Рейтинг сообщений: 6062
Зарегистрирован: Чт июн 04, 2009 21:06:49
Сообщений: 36292
Откуда: г.Мариинск
Рейтинг сообщения: 0
Медали: 1
Лучший человек Форума 2017 (1)
Попробуй исправную батарею подключить. У исправной батарее за миллисекунды напряжение не вырастет с 9 до 14в.

_________________
Тем кого не устаревает наличия ошибок в моем тексте, оставляю права не пользоваться моими советами или просто не читать мои сообщения.


Вернуться наверх
 
Не в сети
 Заголовок сообщения: Re: RJ Tianye - автомобильное зарядное
СообщениеДобавлено: Вт фев 04, 2025 00:43:29 
Друг Кота
Аватар пользователя

Карма: 59
Рейтинг сообщений: 2214
Зарегистрирован: Чт янв 26, 2012 16:44:29
Сообщений: 19220
Откуда: Таксимо
Рейтинг сообщения: 0
R21 R26 по ходу неправильно на схеме

_________________
Мои поставщики запчастей с отличной репутацией
texnomag.ru
radioremont.com
pl-1.org
4ip.info
elitan.ru


Вернуться наверх
 
Не в сети
 Заголовок сообщения: Re: RJ Tianye - автомобильное зарядное
СообщениеДобавлено: Вт фев 04, 2025 00:59:53 
Друг Кота
Аватар пользователя

Карма: 146
Рейтинг сообщений: 6062
Зарегистрирован: Чт июн 04, 2009 21:06:49
Сообщений: 36292
Откуда: г.Мариинск
Рейтинг сообщения: 0
Медали: 1
Лучший человек Форума 2017 (1)
Схема с этой ошибкой уже давно гуляет .

_________________
Тем кого не устаревает наличия ошибок в моем тексте, оставляю права не пользоваться моими советами или просто не читать мои сообщения.


Вернуться наверх
 
Показать сообщения за:  Сортировать по:  Вернуться наверх
Начать новую тему Ответить на тему  [ Сообщений: 13 ] 

Часовой пояс: UTC + 3 часа


Кто сейчас на форуме

Сейчас этот форум просматривают: нет зарегистрированных пользователей и гости: 37


Вы не можете начинать темы
Вы не можете отвечать на сообщения
Вы не можете редактировать свои сообщения
Вы не можете удалять свои сообщения
Вы не можете добавлять вложения

Найти:
Перейти:  


Powered by phpBB © 2000, 2002, 2005, 2007 phpBB Group
Русская поддержка phpBB
Extended by Karma MOD © 2007—2012 m157y
Extended by Topic Tags MOD © 2012 m157y