Как снять АЧХ параллельного колебательного контура.

Что мерить, чем мерить, как мерить. И, естественно - зачем мерить...

При поддержке компании ПРИСТ


Ответить
Аватара пользователя
Ёрш
Поставщик валерьянки для Кота
Сообщения: 2324
Зарегистрирован: Ср авг 13, 2008 17:25:00
Откуда: Санкт-Петербург

Как снять АЧХ параллельного колебательного контура.

Сообщение Ёрш »

Всем привет, наконецтаки доехал ко мне генератор FY3200S и накинулся я значит на LC контур с надобностью снять АЧХ. Казалось бы где тут могут быть проблемы :tea:

Изображение

Собрал такую схему, осцил подключил к катушке. R взял 1 кОм, резонансная частота LC известна и примерно 10 кГц.
Кондёр 33 нФ, а катушка это гдето 100 витков провода 0,35 на каркасе диаметром 200 мм, по постоянному току её сопротивление гдето 13 Ом, а индуктивность 6 mH.

Всё подключаю. Ставлю на генераторе сразу резонансную частоту в 10 кГц.
Выставляю амплитуда на генераторе так, чтоб на осциле было пик-пик ровно 10 вольт (тупо удобно считать -3 Дб).
Далее я изменяя частоту по 100 Гц наблюдаю за амплитудой и когда вижу 7 вольт, то записываю частоту.
В итоге я получаю граничные частоты и дальше я могу построить график и посчитать добротность.

В итоге получаю довольно убогий график, слишком большой разнос граничных частот и добротность порядка 2.
Потом я начал менять номинал R и понял, что график получается другой. Если вообще его убрать, то вообще амплитуда никак не меняется... что в целом наверное логично.

Каким должен быть вообще R? Может он както считается...
И как тогда правильно снять АЧХ :dont_know:
Если прибор, будет способен видеть сигналы с частотами в пару сотен мегагерц, не превратив их в синус, - я готов настраивать его через ключи в командной строке, или правя текстовый файл... (с) Microtech
Аватара пользователя
vlasovzloy
Друг Кота
Сообщения: 20066
Зарегистрирован: Чт янв 26, 2012 16:44:29
Откуда: Таксимо

Re: Как снять АЧХ параллельного колебательного контура.

Сообщение vlasovzloy »

У осциллографа своя емкость, надо резистор последовательно с щупом

Добавлено after 42 minutes 22 seconds:
А по делителю нужно примерно вычислить реактивное сопротивление контура, потом соответствующий резистор ставить
Мои поставщики запчастей с отличной репутацией
texnomag.ru
radioremont.com
pl-1.org
4ip.info
elitan.ru
Nowell75
Вымогатель припоя
Сообщения: 640
Зарегистрирован: Вс дек 17, 2023 10:19:52

Re: Как снять АЧХ параллельного колебательного контура.

Сообщение Nowell75 »

можно ген через резистор 1К-10К подключить на ёмкостной делитель 33n - 330n, делитель в 10 раз, вносимое в контур сопротивление станет 100К и более...так и нормальная х-ка контура получится...
и все теперь знают, кто чмо
Аватара пользователя
Valentin Gvozdev
Опытный кот
Сообщения: 894
Зарегистрирован: Сб фев 24, 2018 10:11:28
Откуда: Москва
Контактная информация:

Re: Как снять АЧХ параллельного колебательного контура.

Сообщение Valentin Gvozdev »

Вообще то, такого понятия, как ачх контура, не существует. Понятие ачх возникает, когда мы на основе контура хотим сделать простейший полосовой фильтр. Который всегда предполагает шунтирование контура внешними цепями.. Насколько я понял, вы хотите оценить так называемую ненагруженную добротность контура. Для этого нужно, что бы сопротивление резисторы было много больше характеристического сопротивления вашего контура, которое вполне может исчисляться десятками килоом. Так что советую снять характеристику с разными резисторами.. Вы увидите, что чем он будет больше (слабее шунтирование выходом генератора) , тем уже будет резонансный пик и тем ниже уровень сигнала. Начиная с какого то значения, ширина пика станет более-менее постоянной, по ней и нужно считать добротность собственно контура.
"Простые" конструкции - обычно лишь источник разочарований. (c) RU3AEP
Аватара пользователя
Ёрш
Поставщик валерьянки для Кота
Сообщения: 2324
Зарегистрирован: Ср авг 13, 2008 17:25:00
Откуда: Санкт-Петербург

Re: Как снять АЧХ параллельного колебательного контура.

Сообщение Ёрш »

Спасибо за ответы )

В общем воткнул вместо R переменик, дал синус 10 В на частоте резонанса и накрутил чтоб на контуре падало 5 вольт. Тоесть получилось, что реактивное сопротивление порядка 10 кОм. Осцил повесил через 1 кОм. В итоге получил нижнюю границу 10700 Гц, верхнюю 11800 Гц, резонансную 11200 Гц.
Добротность 11200/(11800-10700) = 10,18 а полоса пропускания 1100 Гц.

Ну и график:
Изображение

Не знаю насколько это всё соответствует реальности, но в целом выглядит как АЧХ.
можно ген через резистор 1К-10К подключить на ёмкостной делитель 33n - 330n, делитель в 10 раз, вносимое в контур сопротивление станет 100К и более...так и нормальная х-ка контура получится...

Надо будет тоже попробовать...

Добавлено after 23 minutes 18 seconds:
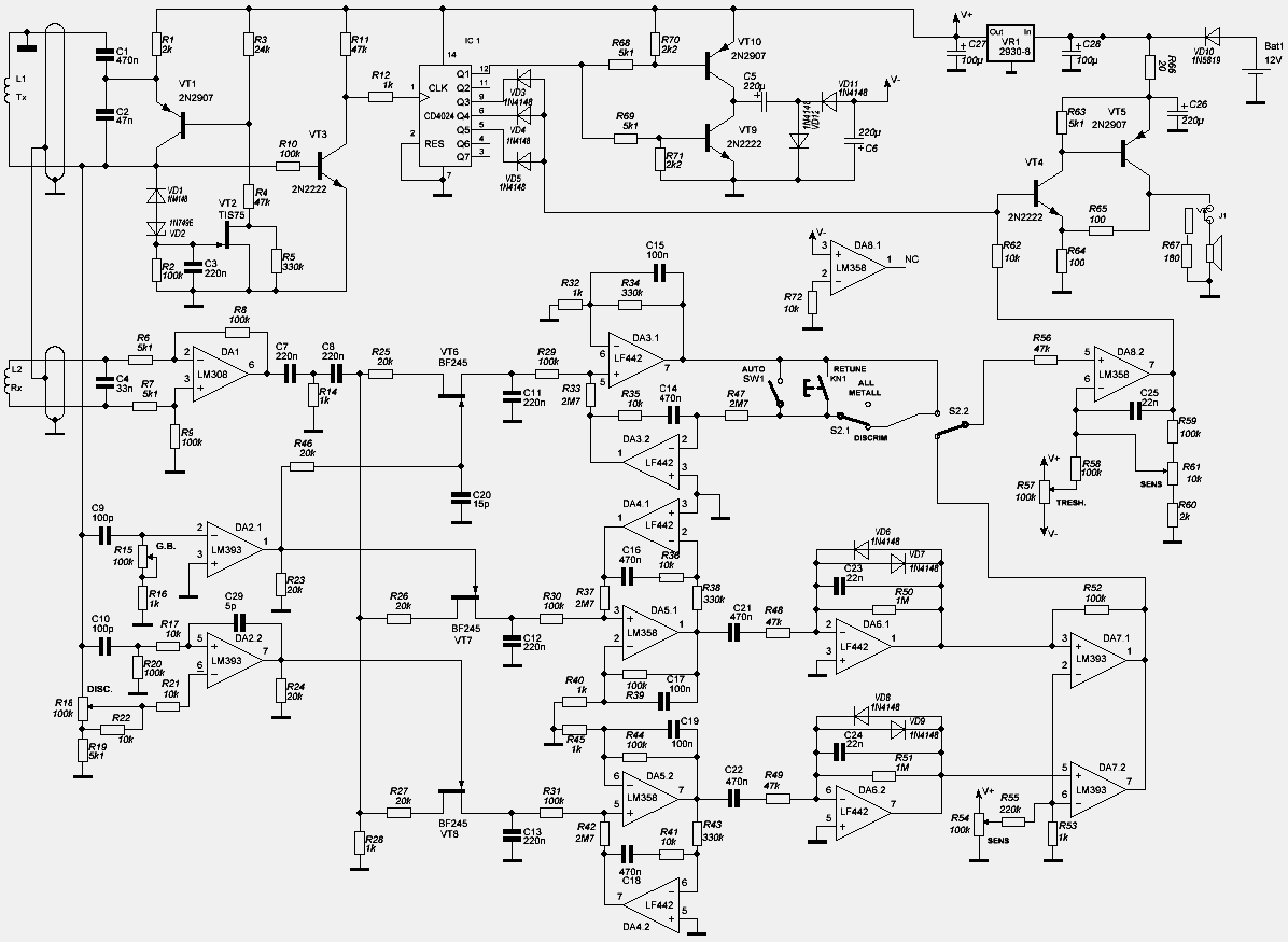
Valentin Gvozdev, есть схема металоискателя и там есть приёмная катушка Rx которая с конденсатором С4 создаёт избирательный контур. Я пытаюсь придумать какойто способ оценки этого избирательного элемента. Кроме создания какогото графика и добротности пока ничего не придумал.

https://avatars.dzeninfra.ru/get-zen_do ... 1937e/orig

Там суть в том, что передающая катушка Tx генерирует сигнал с частотой допустим 10600 Гц, а резонанс L2C4 настраивается на 600 Гц ниже, тоесть 10000 Гц. Почему именно разница 600 Гц и зачем оно вообще всё надо я пытаюсь разобраться. И скорее всего это должно както влиять на чувствительность металлоискателя.
Если прибор, будет способен видеть сигналы с частотами в пару сотен мегагерц, не превратив их в синус, - я готов настраивать его через ключи в командной строке, или правя текстовый файл... (с) Microtech
Аватара пользователя
Eats
Потрогал лапой паяльник
Сообщения: 309
Зарегистрирован: Сб фев 18, 2023 21:51:01
Откуда: Санкт-Петербург

Re: Как снять АЧХ параллельного колебательного контура.

Сообщение Eats »

накинулся я значит на LC контур с надобностью снять АЧХ.
Ну, во-первых, как тут уже правильно заметил Valentin Gvozdev, АЧХ LC-контура есть прямая линия.
В итоге получаю довольно убогий график, слишком большой разнос граничных частот и добротность порядка 2.
А сколько должно быть? У вашего контура характеристическое сопротивление 500 Ом, вы нагружаете его одним килоомом, ну и какая при этом ещё может быть добротность кроме двух?
Каким должен быть вообще R? Может он както считается...
Каким-каким... Какой надо, такой и поставить! А считается он от характеристического сопротивления, то есть сопротивления катушки либо конденсатора (на частоте резонанса они равны).
Всего доброго.
Евгений.
Аватара пользователя
Valentin Gvozdev
Опытный кот
Сообщения: 894
Зарегистрирован: Сб фев 24, 2018 10:11:28
Откуда: Москва
Контактная информация:

Re: Как снять АЧХ параллельного колебательного контура.

Сообщение Valentin Gvozdev »

Все правильно. Но надо учитвать, что если вы добились того, что на частоте резонанса на контуре у вас половина от напряжения генератора, то это значит, что вы цепь резистор+ выход генератора шунтирует ваш контур сопротивлением, равным сопротивлению контура. Что как минимум в два раза понижает его добротность по отношению к ненагруженной. Попробуйте вместо 10 к взфть, скажем, 50 к. И повторить эксперимент. Для наглядности постройте оба графика на одной шкале, отнормировав их по вертикали. Уверен, отличия будут очень наглядны.


Могу предположить, что принцип действия металлоискателя - это смещение резонансной частоты этого контура за счет металлических предметов вблизи катушки. Поскольку частота генератора находится на скате характеристики контура, то даже небольшое смещение его резонансной частоты приводит к существенному повышению или понижению уровня сигнала в нем. Причем чем добротнее контур, тем это более выражено.
"Простые" конструкции - обычно лишь источник разочарований. (c) RU3AEP
Аватара пользователя
Ёрш
Поставщик валерьянки для Кота
Сообщения: 2324
Зарегистрирован: Ср авг 13, 2008 17:25:00
Откуда: Санкт-Петербург

Re: Как снять АЧХ параллельного колебательного контура.

Сообщение Ёрш »

Я тут всётаки решил немного изменить свой эксперимент. Впаял LC в его родную схему, как оно и должно быть. По схеме это Rx-С4.
Напомню что схема вот https://avatars.dzeninfra.ru/get-zen_do ... 1937e/orig

Далее я отпаял катушку Tx и подключил её к генератору синуса. Расположил катушки Rx и Tx друг на друге. Питание на схему не подавал.
Осцил на выводах катушки Rx, с генератора я подаю 1 вольт на катушку Tx.
В результате мы максимально приблизились к тому как работает приёмный контур в реальной схеме.

Так вот я наблюдаю:
1. Частота резонанса 11700 Гц. Это при том, что Rx-C4 100% настроены на частоту 10600 Гц... это показывал и специальный измерительный генератор и мои тесты когда я изучал с генератором Rx-C4 отдельно от схемы.
2. Амплитуда около 5 вольт. Напомню что с генератора на Tx подаётся синус 1 вольт. Тоесть на частоте резонанса амплитуда возрастает в 5 раз.

Если по второму пункту я могу сделать вывод что контур вошёл в резонанс и амплитуда увеличилась... это в целом известный эффект. Но вот по какой причине резонанс уполз на целый 1 кГц выше :dont_know: Ну если только LM308 (DA1) со своей обвязкой внесли свои 5 копеек.

PS: график который я приводил в теме раньше относился к другой катушке... хотя он невероятно похож на то что я описывал сейчас.

Могу предположить, что принцип действия металлоискателя - это смещение резонансной частоты этого контура за счет металлических предметов вблизи катушки.

Там довольно сложный принцип. Две катушки находятся в индукционном балансе и когда металлический предмет находится в поле действия катушек этот баланс нарушается т.к. металлический предмет изменяет структуру магнитного потока, который излучает Tx.
К этому добавляется ещё сдвиг фазы сигналов в зависимости от того какой металл попал в поле зрения катушки. Тем самым можно отличать скажем латунь от железа.

Более подробно рассказывается тут, основной принцип смотерть с 4:00



Я сам давно изучаю как это всё работает и так толком и не знаю :write: В интернете сложно найти описание процессов которые там происходят... по крупицам собираю да и сам изучаю.
Если прибор, будет способен видеть сигналы с частотами в пару сотен мегагерц, не превратив их в синус, - я готов настраивать его через ключи в командной строке, или правя текстовый файл... (с) Microtech
Nowell75
Вымогатель припоя
Сообщения: 640
Зарегистрирован: Вс дек 17, 2023 10:19:52

Re: Как снять АЧХ параллельного колебательного контура.

Сообщение Nowell75 »

Ёрш писал(а): Частота резонанса 11700 Гц. Это при том, что Rx-C4 100% настроены на частоту 10600 Гц

у контура частота остаётся только тогда, когда его не насилуют посторонним металлом (другой кусок меди сверху)...
и все теперь знают, кто чмо
Аватара пользователя
Ёрш
Поставщик валерьянки для Кота
Сообщения: 2324
Зарегистрирован: Ср авг 13, 2008 17:25:00
Откуда: Санкт-Петербург

Re: Как снять АЧХ параллельного колебательного контура.

Сообщение Ёрш »

Я тоже было так подумал... поэтому размещал гайку от штанги и латунную гильзу от авиационной пушки ВЯ-23. Еле заметное изменение.
Для чистоты эксперимента надо опять выпаять Rx вместе с конденсатором, вернуться к схеме из первого поста, но теперь сигнал подавать не через резистор, а также от катушки Tx. Если действительно частота резонанса смещается из за влияния ОУ с обвязкой, то я увижу старую частоту резонанса 10600 Гц. А если я увижу 11700, то значит дело в способе "воздействия"... или нагруженности.
Если прибор, будет способен видеть сигналы с частотами в пару сотен мегагерц, не превратив их в синус, - я готов настраивать его через ключи в командной строке, или правя текстовый файл... (с) Microtech
Аватара пользователя
КРАМ
Друг Кота
Сообщения: 25117
Зарегистрирован: Чт янв 10, 2008 22:01:02
Откуда: Московская область, Фрязино

Re: Как снять АЧХ параллельного колебательного контура.

Сообщение КРАМ »

у контура частота остаётся только тогда, когда его не насилуют посторонним металлом (другой кусок меди сверху)...

Это ошибочное утверждение.
Параллельный колебательный контур расстраивается в ТРЕХ случаях.
1. Изменение емкости
2. Изменение индуктивности
3. Изменение баланса потерь в емкости и индуктивности
В отличии от последовательного контура, у которого потери на частоту резонанса не влияют.
Аватара пользователя
Ёрш
Поставщик валерьянки для Кота
Сообщения: 2324
Зарегистрирован: Ср авг 13, 2008 17:25:00
Откуда: Санкт-Петербург

Re: Как снять АЧХ параллельного колебательного контура.

Сообщение Ёрш »

Всё ясно... действительно, медная катушка сверху меняет частоту резонанса. Я разнёс катушки подальше и частота почти сместилась к норме в 10600 как и было настроено когдато.

Из этого я могу теперь сделать вывод, что все телодвижения по настройке металлоискателя надо делать когда обе катушки находятся рядом... в том числе и выставлять разность частот этих катушек.
Если прибор, будет способен видеть сигналы с частотами в пару сотен мегагерц, не превратив их в синус, - я готов настраивать его через ключи в командной строке, или правя текстовый файл... (с) Microtech
Аватара пользователя
КРАМ
Друг Кота
Сообщения: 25117
Зарегистрирован: Чт янв 10, 2008 22:01:02
Откуда: Московская область, Фрязино

Re: Как снять АЧХ параллельного колебательного контура.

Сообщение КРАМ »

Я разнёс катушки подальше и частота почти сместилась к норме

Есть ЧЕТЫРЕ варианта свести коэффициент связи между двумя катушками к нулю.
1. Разнести катушки бесконечно далеко.
2. Ориентировать плоскости катушек так, чтобы они образовали букву Т.
Изображение
3. Намотать одну катушку "нулем", а вторую "восьмеркой" или "двойной восьмеркой" (с такой же внешней геометрией) м разместить их строго лицом друг к другу, независимо от расстояния между ними.
Изображение
4. Сместить одну катушку относительно другой так, чтобы их пересечение (полная лицевая связь) было компенсировано внешней частью (там связь дает противофазный сигнал).
Изображение
Аватара пользователя
Ёрш
Поставщик валерьянки для Кота
Сообщения: 2324
Зарегистрирован: Ср авг 13, 2008 17:25:00
Откуда: Санкт-Петербург

Re: Как снять АЧХ параллельного колебательного контура.

Сообщение Ёрш »

КРАМ, ну вот как раз 4 тип и используется.

В общем я понял что надо рассматривать C4-Rx-TX вместе. Катушки "свести", на Tx подавать синус с генератора а с Rx снимать осциллограмму. Наверное както так.
Получился такой график...

Изображение

По осям мВ и Гц.

Резонанс сдвинулся с 10600 до 10900 Гц. Но тут скорее всего внесли свои корректировки недочёты при сведении, ёмкость осциллографа (я просто тупо щуп кинул без резистора и пр.). "Сведение" вообще довольно точная работа, надо делать приспособу, которая способна позиционировать катушки с достаточно высокой точностью.

В общем идея которую я рожаю уже второй месяц заключается в том, что мне нужно частотой генератора металлоискателя попасть в определённую зону графика который я только что получил. Если к примеру я выставлю частоту генератора 9 кГц, то Rx-C4 не особо будет интересны мВ которые наводятся от "цели" в зоне катушек, в тоже время на частоте 10500 Гц эти же мВ будут более интересны контуру. Тоесть от этого напрямую зависит чувствительность прибора.

А теперь это всё надо проверять на реальной схеме... есть чем заняться в ближайшую неделю :solder:
Если прибор, будет способен видеть сигналы с частотами в пару сотен мегагерц, не превратив их в синус, - я готов настраивать его через ключи в командной строке, или правя текстовый файл... (с) Microtech
Аватара пользователя
КРАМ
Друг Кота
Сообщения: 25117
Зарегистрирован: Чт янв 10, 2008 22:01:02
Откуда: Московская область, Фрязино

Re: Как снять АЧХ параллельного колебательного контура.

Сообщение КРАМ »

Снимать АЧХ контура по многим точкам бессмысленно. Нужен максимум и полоса по уровню 0,707...
Все остальное неинтересно.
Более удобно измерять резонанс по импульсной характеристике.
Ответить

Вернуться в «Измерения»