Часы на люминесцентных индикаторах.
Re: Часы на люминесцентных индикаторах.
Ясно, завтро буду делать. И уж простите за тупые вопросы, я не очень богат знаниями в электронике. 
Re: Часы на люминесцентных индикаторах.
Смайлика не вижу... А вот возьмите калькулятор и посчитайте. Напряжение 15 вольт и 6 вольт. Минус 0.6 вольт падение на переходе транзистора. Да резистор 62 к. Да помножте на h21э транзистора. Да сложите вместе ВАХ транзистора и лампы. Ток через лампу в обоих случаях будет одинаковый! Что мы и имеем - светит васьмерка.По идее разница должна быть видна: ведь при логическом нуле и при единице ток будет разный.
Тут на форуме был солюшен - между базой и эммитером повесить резистор "который нужно подбирать". горбатый кастыль.
"We need the more permanent solution..." (c) JC Superstar
А люди посмотрят и скажут: "Собаки летят. Вот и осень."
Re: Часы на люминесцентных индикаторах.
uldemir писал(а):Хе у меня такой же. или не такой. но ИВ-27 - точно. 14 разрядов.
Хе у меня обычный ИВ-27. Без "М". все 14 разрядов "8". Пока она лежит в долгом ящике. Плату для нее сделать не могу - Eagle фриварный имеет ограничение на размер 8х10 см.
А люди посмотрят и скажут: "Собаки летят. Вот и осень."
Re: Часы на люминесцентных индикаторах.
maks19 писал(а):Ясно, завтро буду делать. И уж простите за тупые вопросы, я не очень богат знаниями в электронике. :cry:
чтобы плату не переделывать, мой совет - цепь +15 подключите к плюсу питания логики. Уже должно работать. Так же тускло, как и при подключении прямиком к выводам м/схем. А вот чтобы увеличить яркость, на катоды ламп подайте отрицательное напряжение.
А люди посмотрят и скажут: "Собаки летят. Вот и осень."
- Гефестион
- Поставщик валерьянки для Кота
- Сообщения: 2022
- Зарегистрирован: Вт фев 09, 2010 02:04:53
- Откуда: Санкт-Петербург
Re: Часы на люминесцентных индикаторах.
uldemir писал(а):Смайлика не вижу... А вот возьмите калькулятор и посчитайте. Напряжение 15 вольт и 6 вольт. Минус 0.6 вольт падение на переходе транзистора. Да резистор 62 к. Да помножте на h21э транзистора. Да сложите вместе ВАХ транзистора и лампы. Ток через лампу в обоих случаях будет одинаковый! Что мы и имеем - светит васьмерка.По идее разница должна быть видна: ведь при логическом нуле и при единице ток будет разный.
Чё-то я совсем запутался
Схема ведь получается вот такая:
Но тогда напряжение с выхода микросхемы будет прикладываться к переходу Б-К и к индикатору, а нужно-то к переходу Б-Э. Т.е. для того, чтобы применять транзисторы pnp, схема должна быть с общим плюсом, а не с общим минусом, как здесь. Или я чего-то не понимаю? В таком случае сорри за безграмотность, но лучше я сразу уясню всё, что мне непонятно, чем в последствии буду допускать такие ошибки.
Фак, кот грызёт провод! Сейчас его ударит либо током, либо тапком! ))
Re: Часы на люминесцентных индикаторах.
uldemir писал(а):uldemir писал(а):Хе у меня такой же. или не такой. но ИВ-27 - точно. 14 разрядов.
Хе у меня обычный ИВ-27. Без "М". все 14 разрядов "8". Пока она лежит в долгом ящике. Плату для нее сделать не могу - Eagle фриварный имеет ограничение на размер 8х10 см.
А как насчет sprint layout тоже неплохая программа для разводки плат.
А чем отличаются ИВ-27М от ИВ-27, чтото не могу найти конкретного описания?
- MiklSh
- Потрогал лапой паяльник
- Сообщения: 361
- Зарегистрирован: Чт дек 28, 2006 12:46:58
- Откуда: Хлынов
- Контактная информация:
Re: Часы на люминесцентных индикаторах.
Последний раз редактировалось MiklSh Пт дек 17, 2010 12:11:29, всего редактировалось 3 раза.
Re: Часы на люминесцентных индикаторах.
Гефестион писал(а):Схема ведь получается вот такая:
да, именно так. И это работать не будет никогда.
Нет. Транзистору, да и всей остальной схеме абсолютно пофиг, что мы считаем общим проводом. Они рассматривают токи и потенциалы всегда только относительно себя. В данном случае обеспечивается постоянный ток, чуть больший или чуть меньший через эммитерный переход и точка. Если не рассматривать инверсное включение транзистора. Но и это не тот случай - коллекторный переход заперт обратным напряжением.Гефестион писал(а):Но тогда напряжение с выхода микросхемы будет прикладываться к переходу Б-К
Попробую вечером накропать сочинение на тему...Или я чего-то не понимаю? В таком случае сорри за безграмотность, но лучше я сразу уясню всё, что мне непонятно, чем в последствии буду допускать такие ошибки.
А люди посмотрят и скажут: "Собаки летят. Вот и осень."
Re: Часы на люминесцентных индикаторах.
Классно смотрятся.MiklSh писал(а):Рабочий вариант:
А люди посмотрят и скажут: "Собаки летят. Вот и осень."
- suslogon
- Друг Кота
- Сообщения: 10693
- Зарегистрирован: Пн июл 14, 2008 21:28:00
- Откуда: Москва
- Контактная информация:
Re: Часы на люминесцентных индикаторах.
MiklSh молодец!
но смысл ставить внешние часы реального времени,если в меге они и так есть?
но смысл ставить внешние часы реального времени,если в меге они и так есть?
Ищу тиратрон ТХИ1-2000/4, ГРИ ИН-23, ФЭУ-103; 134; 135, 138, 155, 157, лампу ИСШ-7.
Любые ГИС серий 203, 225, 233, 244, 250, 296, 801, 838 в любом состоянии. Компоненты и детали от миниатюрных твердотельных лазеров.
Любые ГИС серий 203, 225, 233, 244, 250, 296, 801, 838 в любом состоянии. Компоненты и детали от миниатюрных твердотельных лазеров.
- MiklSh
- Потрогал лапой паяльник
- Сообщения: 361
- Зарегистрирован: Чт дек 28, 2006 12:46:58
- Откуда: Хлынов
- Контактная информация:
Re: Часы на люминесцентных индикаторах.
Как то упустил этот момент. Сейчас весь мозгх сломал чтобы представить как выглядела бы схема с прошивкой. Да, Вы правы. Если выкинуть 1307, а в мегу добавить контроль питания и завести 32768Гц на прерывание, то немного проиграв в потреблении от штатной батарейки можно получить такую же функциональность. Нет предела совершенству!
- MiklSh
- Потрогал лапой паяльник
- Сообщения: 361
- Зарегистрирован: Чт дек 28, 2006 12:46:58
- Откуда: Хлынов
- Контактная информация:
Re: Часы на люминесцентных индикаторах.
Корпус: с верху - отшлифованая лакированна медь; по бокам деревянные рейки, тоже под лаком. Блок питания вне корпуса. Если интересно могу фотографий накидать как делал, но только завтра, как до дома доберусь.
Re: Часы на люминесцентных индикаторах.
MiklSh писал(а):Корпус: с верху - отшлифованая лакированна медь; по бокам деревянные рейки, тоже под лаком. Блок питания вне корпуса. Если интересно могу фотографий накидать как делал, но только завтра, как до дома доберусь.
Буду признателен, если вы в фотографиях отобразите творческий процесс изготовления корпуса

Re: Часы на люминесцентных индикаторах.
to MiklSh
Классно получилось
Спасибо за схемку, думаю пригодится
Классно получилось
Спасибо за схемку, думаю пригодится
Re: Часы на люминесцентных индикаторах.
Начнём, пожалуй. Тем кого эт не интересует, просьба не беспокоиться. При обнаружении грубых ошибок - поправлять.
Обитая на форуме и вспоминая грабли по которым в своё время сам ходил, немного обобщу. Проблема типична не только в плане подключения люминесцентных индикаторов, но и подключения цепочек светодиодов, газоразрядных индикаторов, реле итп. Проблема звучит так: напряжение зажигания/срабатывания 10, 12, 15, 20, 60, 100, 200 вольт а с выхода микросхемы идёт всего 5. Что делать? Ответ: "Поставь транзистор". И тут начинается. Две схемы под общим названием "Так делать нельзя":

Первая схема на предыдущем листе уже обсосана - из-за того что размах напряжения на выходе микросхемы (ну вы понимаете, что здесь конкретно элемент И-НЕ нарисован просто как пример. На её месте может быть микроконтроллер или что другое) от 0 до 5 вольт, а на эмиттере +15. Соответственно, разность потенциалов база-эммитер колеблется от 15 до 10 вольт, следовательно ток через переход идет всегда и транзистор в обоих случаях открыт. Ток через нагрузку R2 идет всегда - светодиод светит постоянно, реле не отпускает итд.
Схема 2 (справа) - типичный эммитерный повторитель. Главное свойство эммитерного повторителя - напряжение на эммитере повторяет напряжение на базе (на самом деле на 0.6 вольт меньше, но для нас это не принципиально - мы зажигаем лиминесцентные индикаторы, а не милиграммы взвешиваем). Поэтому то, что коллектор подключен к +15 (да хоть к +100) ничего не даст. Напряжение на резисторе R3 как будет меняться от 0 до +5 (или 9, если микросхема питается от 9 вольт), так и будет. Эта схема, в отличии от первой, всё же рабочая, но её применяют для обеспечения увеличения тока через нагрузку, а не напряжения на ней.
to be continued...
Обитая на форуме и вспоминая грабли по которым в своё время сам ходил, немного обобщу. Проблема типична не только в плане подключения люминесцентных индикаторов, но и подключения цепочек светодиодов, газоразрядных индикаторов, реле итп. Проблема звучит так: напряжение зажигания/срабатывания 10, 12, 15, 20, 60, 100, 200 вольт а с выхода микросхемы идёт всего 5. Что делать? Ответ: "Поставь транзистор". И тут начинается. Две схемы под общим названием "Так делать нельзя":
Первая схема на предыдущем листе уже обсосана - из-за того что размах напряжения на выходе микросхемы (ну вы понимаете, что здесь конкретно элемент И-НЕ нарисован просто как пример. На её месте может быть микроконтроллер или что другое) от 0 до 5 вольт, а на эмиттере +15. Соответственно, разность потенциалов база-эммитер колеблется от 15 до 10 вольт, следовательно ток через переход идет всегда и транзистор в обоих случаях открыт. Ток через нагрузку R2 идет всегда - светодиод светит постоянно, реле не отпускает итд.
Схема 2 (справа) - типичный эммитерный повторитель. Главное свойство эммитерного повторителя - напряжение на эммитере повторяет напряжение на базе (на самом деле на 0.6 вольт меньше, но для нас это не принципиально - мы зажигаем лиминесцентные индикаторы, а не милиграммы взвешиваем). Поэтому то, что коллектор подключен к +15 (да хоть к +100) ничего не даст. Напряжение на резисторе R3 как будет меняться от 0 до +5 (или 9, если микросхема питается от 9 вольт), так и будет. Эта схема, в отличии от первой, всё же рабочая, но её применяют для обеспечения увеличения тока через нагрузку, а не напряжения на ней.
to be continued...
- Вложения
-
- dontwork.png
- Don't do it!
- (3.43 КБ) 11658 скачиваний
А люди посмотрят и скажут: "Собаки летят. Вот и осень."
Re: Часы на люминесцентных индикаторах.
Можно ли "починить" первую схему? Некоторый workaround возможен, добавив резистор между базой и эммитером транзистора Т1 - назовём его R1'. Каково должно быть его сопротивление? Оно должно быть таким, чтобы на обазованном им совместно с R1 делителем на нём падало меньше 0.6 вольт, при высоком уровне и больше 0.6 при низком уровне на выходе микросхемы. Т.е. в нашем случае напряжение между выходом меняется от 6 вольт при высоком (+9в) до 15 при низком (0в). Значит делитель должен быть больше чем 1:10. Например, R1 берем 15кОм, R1' - 1кОм. Делитель получается 1:16. При лог.0 на выходе микросхемы этот делитель даст 15в/16=0.9в, при лог.1, соответственно 6в/16=0.3. Может этот фокус прокатит, но решение это плохое. Для светодиодов уж точно. Кто-нибудь может попробовать с люминесцентными индикаторами.
А как "Правильно"?
Правильные варианты делятся на два типа: Если управляющая логика работает на уровне катодных напряжений и если логика работает на уровне анодных напряжений. Самый тоскливый вариант - первый: Катод индикатора сидит на массе.
Типовые схемы включения аналогичны анодным ключам упомянутым в документе который был запощен в теме про газоразрядные индикаторы. Схема нумбер 1:

Работает следующим образом. При лог.0 на выходе микросхемы, транзистор Т2 заперт и на схему не влияет. Анодный ток лампы свободно течет через резистор R1. При лог.1 на выходе микросхемы, транзистор Т2 открывается и шунтирует лампу. Так как напряжение коллектор-эммитер в насыщенном транзисторе очень низкое, меньше вольта - напряжение на аноде падает и сегмент перестает светиться. Резистор R1 надо выбирать, таким, чтобы при закрытом транзисторе через лампу шел достаточный анодный ток (поэтому чем меньше, тем лучше), но при открытом транзисторе не превышал максимально допустимый ток коллектора. Лучше конечно до этого максимума всё же не доходить. А то так и вижу - берем транзистор с макс.коллекторным током 10А, при питании 20 вольт резистор выбираем 2 Ом ;-). Типовые значения от 15кОм и выше. При 15-ти вольтовом питании и R1 15кОм ток КЗ составит 1 мА, значит анодный однозначно будет меньше 1 мА - маловато, но светить уже должно. Недостаток этой схемы в том, что большая часть энергии источника питания уходит на нагрев этого резистора R1 (Причем в схеме их, как правило, несколько - даже для одной лампы их будет 7-8 штук на каждый анод сегмента).
Кстати, Транзистор Т2 может быть частью микросхемы. Такие микросхемы называются "с открытым коллектором". Только не каждая микросхема с открытым коллектором допускает такое включение. Большинство не допускает наличие напряжение больше +5вольт при лог.1. Но есть такие, которые допускают повышенное до +30 вольт напряжение. Например к155лн5 допускает 15 вольт, а 155лн3 - 30 вольт.
Как уменьшить потери энергии? Для такого включения одного транзистора недостаточно. Необходим двухлам... ой! Нужна двухтранзисторная схема.
продолжение следует...
А как "Правильно"?
Правильные варианты делятся на два типа: Если управляющая логика работает на уровне катодных напряжений и если логика работает на уровне анодных напряжений. Самый тоскливый вариант - первый: Катод индикатора сидит на массе.
Типовые схемы включения аналогичны анодным ключам упомянутым в документе который был запощен в теме про газоразрядные индикаторы. Схема нумбер 1:
Работает следующим образом. При лог.0 на выходе микросхемы, транзистор Т2 заперт и на схему не влияет. Анодный ток лампы свободно течет через резистор R1. При лог.1 на выходе микросхемы, транзистор Т2 открывается и шунтирует лампу. Так как напряжение коллектор-эммитер в насыщенном транзисторе очень низкое, меньше вольта - напряжение на аноде падает и сегмент перестает светиться. Резистор R1 надо выбирать, таким, чтобы при закрытом транзисторе через лампу шел достаточный анодный ток (поэтому чем меньше, тем лучше), но при открытом транзисторе не превышал максимально допустимый ток коллектора. Лучше конечно до этого максимума всё же не доходить. А то так и вижу - берем транзистор с макс.коллекторным током 10А, при питании 20 вольт резистор выбираем 2 Ом ;-). Типовые значения от 15кОм и выше. При 15-ти вольтовом питании и R1 15кОм ток КЗ составит 1 мА, значит анодный однозначно будет меньше 1 мА - маловато, но светить уже должно. Недостаток этой схемы в том, что большая часть энергии источника питания уходит на нагрев этого резистора R1 (Причем в схеме их, как правило, несколько - даже для одной лампы их будет 7-8 штук на каждый анод сегмента).
Кстати, Транзистор Т2 может быть частью микросхемы. Такие микросхемы называются "с открытым коллектором". Только не каждая микросхема с открытым коллектором допускает такое включение. Большинство не допускает наличие напряжение больше +5вольт при лог.1. Но есть такие, которые допускают повышенное до +30 вольт напряжение. Например к155лн5 допускает 15 вольт, а 155лн3 - 30 вольт.
Как уменьшить потери энергии? Для такого включения одного транзистора недостаточно. Необходим двухлам... ой! Нужна двухтранзисторная схема.
продолжение следует...
- Вложения
-
- up1.png
- (3.58 КБ) 43803 скачивания
А люди посмотрят и скажут: "Собаки летят. Вот и осень."
Re: Часы на люминесцентных индикаторах.
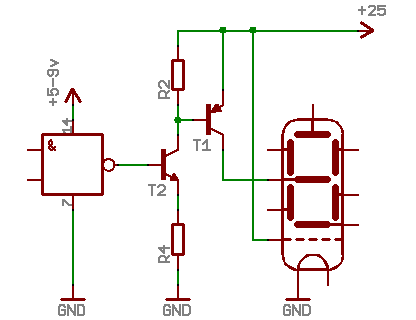
Двухтранзисторная схема:

Несколько напоминает предыдущую... Только дело в том, что резистор R1 в первой схеме надо было выбирать чем меньше тем лучше, здесь же R1 задает базовый ток транзистора T1. Который совсем не должен быть очень большим. Типовой ток анода люминесцентного индикатора 2-3 мА (редко до 10 мА), При таком коллекторном токе транзистора Т1 для того чтобы загнать его в насыщение 100-200мкА более чем достаточно (зависит от коэф.усиления транзистора). Роль резистора R2 - не дать открыться транзистору T1 при закрытом транзисторе T2 за счет всяческих токов утечек транзистора T1. Обычно выбирается порядка 300кОм и выше.
Энергетическое отличие этой схемы от предыдущей в том, что доля тока через резистор R1 по сравнению с током через анод индикатора составляет менее 10% (в отличие от более 100% в предыдущем случае).
Схема слизанная с вышеупомянутого документа:

Интересна тем, что значение R4 задает ток через эммитерный переход транзистора T1 (ну и R2 тоже, но R2 выбирается достаточно большим, что им можно в данном случае пренебречь). Незнаю, почему эта схема не получила широкого распространения.
Вот, пожалуй, всё, что можно придумать при таком подключении индикатора - катод на массу.
Гораздо больше вариантов управления дает когда управляющая схема находится под анодным потенциалом. Т.е. на катод подано отрицательное относительно логики напряжение. Но об этом в другой день. сегодня я иссяк. Если что надо обсудить подробнее, спрашивайте. Может кто лучше сумеет разъяснить.
Несколько напоминает предыдущую... Только дело в том, что резистор R1 в первой схеме надо было выбирать чем меньше тем лучше, здесь же R1 задает базовый ток транзистора T1. Который совсем не должен быть очень большим. Типовой ток анода люминесцентного индикатора 2-3 мА (редко до 10 мА), При таком коллекторном токе транзистора Т1 для того чтобы загнать его в насыщение 100-200мкА более чем достаточно (зависит от коэф.усиления транзистора). Роль резистора R2 - не дать открыться транзистору T1 при закрытом транзисторе T2 за счет всяческих токов утечек транзистора T1. Обычно выбирается порядка 300кОм и выше.
Энергетическое отличие этой схемы от предыдущей в том, что доля тока через резистор R1 по сравнению с током через анод индикатора составляет менее 10% (в отличие от более 100% в предыдущем случае).
Схема слизанная с вышеупомянутого документа:
Интересна тем, что значение R4 задает ток через эммитерный переход транзистора T1 (ну и R2 тоже, но R2 выбирается достаточно большим, что им можно в данном случае пренебречь). Незнаю, почему эта схема не получила широкого распространения.
Вот, пожалуй, всё, что можно придумать при таком подключении индикатора - катод на массу.
Гораздо больше вариантов управления дает когда управляющая схема находится под анодным потенциалом. Т.е. на катод подано отрицательное относительно логики напряжение. Но об этом в другой день. сегодня я иссяк. Если что надо обсудить подробнее, спрашивайте. Может кто лучше сумеет разъяснить.
А люди посмотрят и скажут: "Собаки летят. Вот и осень."
- suslogon
- Друг Кота
- Сообщения: 10693
- Зарегистрирован: Пн июл 14, 2008 21:28:00
- Откуда: Москва
- Контактная информация:
Re: Часы на люминесцентных индикаторах.
первый вариант однозначно хуже?
Ищу тиратрон ТХИ1-2000/4, ГРИ ИН-23, ФЭУ-103; 134; 135, 138, 155, 157, лампу ИСШ-7.
Любые ГИС серий 203, 225, 233, 244, 250, 296, 801, 838 в любом состоянии. Компоненты и детали от миниатюрных твердотельных лазеров.
Любые ГИС серий 203, 225, 233, 244, 250, 296, 801, 838 в любом состоянии. Компоненты и детали от миниатюрных твердотельных лазеров.
Re: Часы на люминесцентных индикаторах.
suslogon писал(а):первый вариант однозначно хуже?
Однозначно утверждать нельзя. Тем более, что мои ночные часы построены именно так. Но, по возможности, я эту схему избегал бы. Тепла от нее больше, чем яркости. Я бы так сказал.
А люди посмотрят и скажут: "Собаки летят. Вот и осень."



