Например TDA7294

Форум РадиоКот • Просмотр темы - БП МФУ Самсунг SCX-4200 прошу помочь
Форум РадиоКот
Здесь можно немножко помяукать :)

Текущее время: Сб дек 06, 2025 04:05:11

Часовой пояс: UTC + 3 часа


ПРЯМО СЕЙЧАС:



Начать новую тему Ответить на тему  [ Сообщений: 7 ] 
Автор Сообщение
Не в сети
 Заголовок сообщения: БП МФУ Самсунг SCX-4200 прошу помочь
СообщениеДобавлено: Вс июн 08, 2025 15:27:52 
Грызет канифоль

Зарегистрирован: Сб мар 19, 2022 09:49:45
Сообщений: 250
Рейтинг сообщения: 0
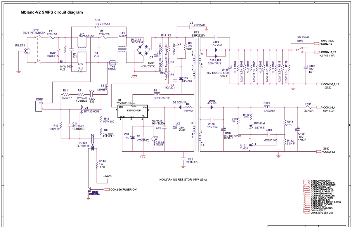
Добыл плату из МФУ(MONTBLANC-V2), БП исправен, выдает 22в при 4А. Хотел обрезать плату по линии. Выпаял РС102 (TLP3061F), все нормально. Выпаял перемычку J15, напряжение на кондере С102 стало скакать 24-28в. Дальше, после перемычки эта дорожка ведет к разъёму, но как то еще влияет. Понять это ума у меня не хватает. Если кто понимает проблему, подскажите, можно ли что то сделать чтоб напряжение не скакало, и можно было бы обрезать плату.
Ссылка на схемы устройства https://monitor.espec.ws/download.php?id=185229


Вложения:
PHOTO-2025-06-08-14-02-43 (1).jpg [121.44 KiB]
Скачиваний: 75
PHOTO-2025-06-08-14-02-43 (2).jpg [234.37 KiB]
Скачиваний: 62
кенго.jpg [186.16 KiB]
Скачиваний: 87
Вернуться наверх
 
Не в сети
 Заголовок сообщения: Re: БП МФУ Самсунг SCX-4200 прошу помочь
СообщениеДобавлено: Вс июн 08, 2025 18:49:44 
Друг Кота
Аватар пользователя

Карма: 59
Рейтинг сообщений: 2217
Зарегистрирован: Чт янв 26, 2012 16:44:29
Сообщений: 19478
Откуда: Таксимо
Рейтинг сообщения: 0
А тебе нужно чтоб 24 стабильно было или 5? Прст стабилизация 5 вольт

Добавлено after 1 hour 32 minutes 32 seconds:
Да и чото думаю 4 ампера многовато. Шимка может бахнуть

_________________
Мои поставщики запчастей с отличной репутацией
texnomag.ru
radioremont.com
pl-1.org
4ip.info
elitan.ru


Вернуться наверх
 
Не в сети
 Заголовок сообщения: Re: БП МФУ Самсунг SCX-4200 прошу помочь
СообщениеДобавлено: Вс июн 08, 2025 18:50:44 
Грызет канифоль

Зарегистрирован: Сб мар 19, 2022 09:49:45
Сообщений: 250
Рейтинг сообщения: 0
хорошо бы 24 стабильных. Но 22-23в, как было с перемычкой, тоже норм. Когда есть 20+, 5 для такого БП не интересно.


Вернуться наверх
 
Не в сети
 Заголовок сообщения: Re: БП МФУ Самсунг SCX-4200 прошу помочь
СообщениеДобавлено: Вс июн 08, 2025 19:03:18 
Друг Кота
Аватар пользователя

Карма: 59
Рейтинг сообщений: 2217
Зарегистрирован: Чт янв 26, 2012 16:44:29
Сообщений: 19478
Откуда: Таксимо
Рейтинг сообщения: 0
Ну так переделай стабилизацию, от 24 сделай

_________________
Мои поставщики запчастей с отличной репутацией
texnomag.ru
radioremont.com
pl-1.org
4ip.info
elitan.ru


Вернуться наверх
 
Эиком - электронные компоненты и радиодетали
Не в сети
 Заголовок сообщения: Re: БП МФУ Самсунг SCX-4200 прошу помочь
СообщениеДобавлено: Вс июн 08, 2025 20:42:43 
Грызет канифоль

Зарегистрирован: Сб мар 19, 2022 09:49:45
Сообщений: 250
Рейтинг сообщения: 0
Если бы я мог это сделать, и темы бы не было. Все что я хотел, это обрезать БП с годными показателями. Если поможешь, я переделаю.


Вернуться наверх
 
Не в сети
 Заголовок сообщения: Re: БП МФУ Самсунг SCX-4200 прошу помочь
СообщениеДобавлено: Пн июн 09, 2025 01:44:59 
Друг Кота
Аватар пользователя

Карма: 59
Рейтинг сообщений: 2217
Зарегистрирован: Чт янв 26, 2012 16:44:29
Сообщений: 19478
Откуда: Таксимо
Рейтинг сообщения: 0
Верхний вывод R111 отпаять от +5 и последовательно с ним по формуле для TL431 расчитать резистор и на +24 его

Добавлено after 1 minute 51 second:
Примерно 20 килоом

Добавлено after 1 minute 18 seconds:
И дроссель тоже наверх перенести, как на 5 вольт так же в схему его внедрить и конденсатор на выходе после дросселя.
Нарисуй как понял, скажу правильно неправильно

_________________
Мои поставщики запчастей с отличной репутацией
texnomag.ru
radioremont.com
pl-1.org
4ip.info
elitan.ru


Вернуться наверх
 
Не в сети
 Заголовок сообщения: Re: БП МФУ Самсунг SCX-4200 прошу помочь
СообщениеДобавлено: Вт июн 10, 2025 19:14:31 
Грызет канифоль

Зарегистрирован: Сб мар 19, 2022 09:49:45
Сообщений: 250
Рейтинг сообщения: 0
Просто перенес TL431 с обвязкой в начало дорожек. До переноса, было стабильно 5.1в и 23.4в, без нагрузки. С нагрузкой 24 линия проседала до 22в при 4А. После переноса, без нагрузки, стали скакать десятки, 5в линия 4.7-4.9в, 24 линия 23.2-23.8в. Под нагрузкой 5в линия стабильна, 5.08в, грузил до 1.5А. Но при нагрузке 5в линии, сразу начало расти напряжение на 24в линии, при 1.5а там было уже 33в. Дальше грузить не стал 5в линию, ибо кондер на 24 линии 35в. Без нагрузки 5в линии, 24-я держала те же 4А, но уже проседала до 21.4в, при этом нагрузив 5 вольтовую лампой 12в 5W(3 Ом) 0.22А, напруга на 24-й поднялась до 22.6в, но при 3.9А БП отрубался.
Не знаю почему БП изменил поведение, обрезанные дорожки ни с чем другим не связаны.
5в линия стабилизируется уже при 20мА нагрузки 5.08в, а 24- становится 25.2-25.4в.
Можно чем то нагрузить на постоянку для стабилизации? И можно ли меняя нагрузку 5в линии, менять напряжение 24в линии?


Вложения:
PHOTO-2025-06-10-18-52-09.jpg [109.41 KiB]
Скачиваний: 53
Вернуться наверх
 
Показать сообщения за:  Сортировать по:  Вернуться наверх
Начать новую тему Ответить на тему  [ Сообщений: 7 ] 

Часовой пояс: UTC + 3 часа


Кто сейчас на форуме

Сейчас этот форум просматривают: нет зарегистрированных пользователей и гости: 24


Вы не можете начинать темы
Вы не можете отвечать на сообщения
Вы не можете редактировать свои сообщения
Вы не можете удалять свои сообщения
Вы не можете добавлять вложения

Найти:
Перейти:  


Powered by phpBB © 2000, 2002, 2005, 2007 phpBB Group
Русская поддержка phpBB
Extended by Karma MOD © 2007—2012 m157y
Extended by Topic Tags MOD © 2012 m157y