Например TDA7294

Форум РадиоКот • Просмотр темы - RVS-71 Миллиомметр-ИОН
Форум РадиоКот
Здесь можно немножко помяукать :)

Текущее время: Ср окт 15, 2025 00:52:44

Часовой пояс: UTC + 3 часа


ПРЯМО СЕЙЧАС:



Начать новую тему Ответить на тему  [ Сообщений: 69 ]    , , , 4
Автор Сообщение
Не в сети
 Заголовок сообщения: Re: RVS-71 Миллиомметр-ИОН
СообщениеДобавлено: Пн сен 29, 2025 22:38:47 
Электрический кот
Аватар пользователя

Карма: 14
Рейтинг сообщений: 357
Зарегистрирован: Пт апр 09, 2010 16:06:38
Сообщений: 1004
Откуда: Тула
Рейтинг сообщения: 0
Итак приехал RPS-65-24. Размеры те же, что и у EPP-120S-24. Классический флайбэк без каких-либо особенностей. Входной фильтр с двумя двухобмоточными дросселями, синфазным и противофазным. Цепочка конденсаторов между первичной и вторичной цепями не одна, а две, суммарной ёмкостью, даже большей, чем у EPP-120S-24. В трансформаторе изоляция между обмотками погуще, но вторичка всё равно размещена между двух обмоток первичной цепи. Нет контакта заземления на крепёжном отверстии, видимо "медицинское" применение обязывает иметь полноценное заземление вторичной цепи.

Измерил ток между первичной и вторичной цепями в обоих ИП, он одинаковый - 50-60мкА скв.

Остановился в итоге на EPP-120S-24. Резонансный преобразователь (на ucc256402) в теории даёт меньше помех, т.к. переключение происходит в момент перехода тока/напряжения через ноль. Активный корректор мощности улучшает фильтрацию низкочастотных составляющих помех и аномалий (провалы, всплески) сети, не привнося при этом собственной помехи, т.к. работает синхронно с основным преобразователем. ИП имеет выходной синхронный выпрямитель, в котором меньше помеха, вызываемая обратным восстановление диодов.

Изображение

Есть ещё такие соображения: не известно, какие будут источники питания у приборов, которые будут подключать к источнику опорного напряжения. У них может вообще не быть какой-либо внятной связи с землёй или сетью, т.е. вторичная цепь будет "подвешена в воздухе". Или наоборот, они могут иметь паразитный ток утечки произвольного частотного свойства. В этом случае конденсатор между первичной и вторичной цепями формально увеличивает проходную емкость, а значит может сильно навредить. Поэтому считаю главной задачей снизить до минимума проходную ёмкость источника питания.

Думаю самый действенный и предсказуемый вариант для этого - экран из тонкой медной фольги между обмотками. Если экран соединить с общим проводом первичной цепи, то паразитная ёмкость вторички будет не с первичной обмоткой (на которой размах переменки 300В), а с землёй (где можно ожидать только ослабленную входным фильтром помеху). Экран по сути - замена проходного конденсатора, обеспечивающего путь для помехи, которая идёт через проходную ёмкость трансформатора. Теперь синфазная помеха из первичной сети проходя через проходную емкость трансформатора, встретит на своем пути экран, создающий для неё на много более низкоомный путь, в обход конечной нагрузки.

Изображение

Не уверен, что смогу выпаять, разобрать, добавить экран и собрать обратно штатный трансформатор, по этому буду пробовать ставить второй дополнительный. Это по простому возможно только с EPP-120S-24, т.к. в нём полумост, симметричный сигнал, не будет проблем с намагничиванием сердечника, в отличии от флайбека в RPS-65-24. Дополнительный трансформатор легко можно подключить, т.к. вторичка основного запаяна не через ноги каркаса, а гибкими выводами напрямую в плату. Эффективная проходная ёмкость всей системы значительно уменьшится и станет равной последовательному соединению проходной ёмкости основного трансформатора и ёмкости экран - вторичная обмотка дополнительного трансформатора.

Трансформатор кстати можно будет сделать даже с двумя экранами. Второй экран вывести на клемму заземления прибора, которую подключать будет не обязательно.

Изображение

ass20, алюминий конечно лучше сможет обеспечить минимальный градиент температуры, большую тепловую инерцию, но думаю тут это лишнее. ПИ-регулятор на МК с аналоговым выходом, цепочка резисторов, размазанная прямо по всей плате и термодатчик в середине, должны обеспечить стабильный температурный режим. Главное хорошо теплоизолировать плату: барьеры-вырезы, вспененный полиэтилен потолще, отсутствие дырок для воздуха.

ALEXANDR.T, характеристик по названию не нашёл. Да и где купить такие трансы тоже не ясно.


Вернуться наверх
 
Не в сети
 Заголовок сообщения: Re: RVS-71 Миллиомметр-ИОН
СообщениеДобавлено: Пн сен 29, 2025 22:56:57 
Поставщик валерьянки для Кота

Карма: 71
Рейтинг сообщений: 3401
Зарегистрирован: Чт сен 09, 2010 07:32:24
Сообщений: 2284
Откуда: г. Рыбинск
Рейтинг сообщения: 3
Больше трансформаторов для бога трансформаторов! :)

Изображение


Вернуться наверх
 
Не в сети
 Заголовок сообщения: Re: RVS-71 Миллиомметр-ИОН
СообщениеДобавлено: Вт сен 30, 2025 00:50:24 
Опытный кот

Карма: 5
Рейтинг сообщений: 135
Зарегистрирован: Пн май 01, 2017 20:01:45
Сообщений: 878
Рейтинг сообщения: 0
LLC PSU никогда не работает на частоте резонанса, это запрещенный для него режим ас_матчасть. И, в LLC преобразователях нет коммутации ни при 0 тока, ни при 0 напряжения.


Вернуться наверх
 
Не в сети
 Заголовок сообщения: Re: RVS-71 Миллиомметр-ИОН
СообщениеДобавлено: Вт сен 30, 2025 11:05:45 
Электрический кот
Аватар пользователя

Карма: 14
Рейтинг сообщений: 357
Зарегистрирован: Пт апр 09, 2010 16:06:38
Сообщений: 1004
Откуда: Тула
Рейтинг сообщения: 0
Mickle, спасибо за уникальную информацию. Изображение
Пока это единственное реальное подтверждение, что такой подход хоть где-то применялся.

u37, отсутствие фиксированной несущей частоты ШИМ в резонансных преобразователях известно, хотя в даташите на EPP-120S-24 указана 85кГц. Скорее всего имеют в виду не частоту резонанса, а то что помехи от преобразователя будут лежать выше этой частоты на спектре.

Что касается переходов через ноль, так пишут в мурзилках, вот первая попавшаяся, прям первый абзац:
"Работа резонансного преобразователя постоянного напряжения (ППН) в режиме прерывистого тока (РПТ) обеспечивает включение и выключение силовых транзисторов инвертора и диодов выходного выпрямителя при переходе тока через нуль. Благодаря этому существенно снижаются потери при включении и выключении транзисторов и диодов, ППН имеет высокий КПД при сравнительно больших частотах переключений, что способствует уменьшению массы и габаритов трансформатора и сглаживающего выходного фильтра."
Изображение
С этой темой знаком поверхностно, возникнет необходимость, буду изучать глубже.


Вернуться наверх
 
Эиком - электронные компоненты и радиодетали
Не в сети
 Заголовок сообщения: Re: RVS-71 Миллиомметр-ИОН
СообщениеДобавлено: Вт сен 30, 2025 13:11:26 
Опытный кот

Карма: 5
Рейтинг сообщений: 135
Зарегистрирован: Пн май 01, 2017 20:01:45
Сообщений: 878
Рейтинг сообщения: 0
))
Вы привели описание "резонансного" преобразователя, работающего ниже частоты резонанса. Заковыка в том, что LLC преобразователь работает строго выше частоты резонанса. Причем, если частота LLC опустится "до" частоты резонанса, то ОС схлопнется и БП мгновенно выключится. Работа LLC на частоте резонанса, точнее чуть-чуть ниже (-1 Гц), приводит к изменению принципа коммутации - его выключение будет будто-бы на 0 тока, но в действительности это приведет к дикому возрастанию импульсных потерь, т.к. в нормальном режиме включение ключа LLC происходит без_коллизий при 0 напряжении, а снижение до ниже_резонанса приведет к включению транзистора на максимальном напряжении. Потому, для LLC опускаться до частоты резонанса (и чуть ниже) крайне вредно. Буквально чуть-чуть по частоте, переход резонансной и сразу, хлопком - и увеличение помех в_несколько_раз и падение КПД. Как-бы, всё это хорошо видно на осциллографе. Специально встраивал в L6599 узел, который отслеживает фазу и толкает ОС для исключения наезда на резонанс. В более современные IC типа L6699 это уже встроено, зовется "Anti-capacitive-mode protection". К сожалению, не поддельную L6699 на али не купить. ((


Вернуться наверх
 
Не в сети
 Заголовок сообщения: Re: RVS-71 Миллиомметр-ИОН
СообщениеДобавлено: Вт сен 30, 2025 16:13:04 
Друг Кота
Аватар пользователя

Карма: 4
Рейтинг сообщений: 333
Зарегистрирован: Ср мар 31, 2010 09:33:22
Сообщений: 4600
Откуда: Владивосток
Рейтинг сообщения: 0
Andrey_B писал(а):
Думаю самый действенный и предсказуемый вариант для этого - экран из тонкой медной фольги между обмотками. Если экран соединить с общим проводом первичной цепи, то паразитная ёмкость вторички будет не с первичной обмоткой (на которой размах переменки 300В), а с землёй (где можно ожидать только ослабленную входным фильтром помеху). Экран по сути - замена проходного конденсатора


Нет никаких экранов у реальных трансформаторов LLC бп . В них работает индуктивность рассеяния и поэтому вторичка и первичка разнесены на каркасе .

На фото все трансформаторы резонансных бп .
Изображение

Особенно удивляет силовой трансформатор от тв Sony 90-х годов резонансного бп питания . В нем 4 сердечника и две перпендикулярных катушек .
Тв были аналоговыми кинескопными , чуствительными к эм помехам эфира .
Изображение


Вложения:
Трансформатор ТВ Sony.jpg [67.88 KiB]
Скачиваний: 222
IMG_9310_1.JPG [124.68 KiB]
Скачиваний: 228

_________________
«Когда у общества нет цветовой дифференциации штанов, то нет цели!»

- Позвольте-с вас спросить, почему от вас так отвратительно пахнет?
- Ну, что ж, пахнет... известно. По специальности. Вчера котов душили, душили. (с)
Вернуться наверх
 
Не в сети
 Заголовок сообщения: Re: RVS-71 Миллиомметр-ИОН
СообщениеДобавлено: Пн окт 06, 2025 22:52:31 
Электрический кот
Аватар пользователя

Карма: 14
Рейтинг сообщений: 357
Зарегистрирован: Пт апр 09, 2010 16:06:38
Сообщений: 1004
Откуда: Тула
Рейтинг сообщения: 4
Идею с добавочным трансформатором реализовал. После долгих экспериментов остановился на варианте без экрана с максимальным разносом обмоток. Они расположены на каркасе так, чтобы точки их наибольшего сближения оказались под потенциалами земель первичной и вторичной цепей (виртуальной и реальной). Экран улучшает ситуацию в случае применения единственного трансформатора, а в этом варианте экран не уменьшает ток между первичной и вторичной цепями, немного увеличивая проходную ёмкость.

Изображение

Сердечник EFD-30, феррит N97, без зазора. Каркас желательно с двумя секциями.

Обмотка I - 18 витков 4 проводами D=0.4мм. L=780uH. Два слоя, начало (и конец) обмотки с края каркаса, середина обмотки (виртуальная средняя точка) ровно посередине каркаса (или в конце секции).

Обмотка II - 9+9 витков 4 проводами D=0.4мм. Lобщ=630uH, Lчасти=160uH. Вывод средней точки должен располагаться в середине каркаса (или с края секции, который находится рядом с I обмоткой.

Каждый слой - это виток к витку парой проводов, затем ещё раз виток к витку второй парой проводов. Если каркас без секций, то после намотки обмотки I, рядом с ней положить диэлектрическую "распорку" (кембрик D=1.5мм), которая не даст обмоткам "съехаться" близко друг к другу.

Проходная ёмкость трансформатора 9пФ.

Изображение

Максимальная мощность уменьшилась в 3 раза, но мне столько и не нужно. Ток между первичной и вторичной цепями упал с 60мкА до 2.7мкА скв без нагрузки (9мкА при нагрузке более 1А), при том, что Y-конденсаторов, которые этот ток замыкали через себя, сейчас нет совсем. Соответственно проходная ёмкость питальника упала с нескольких нФ до 17пФ. Синфазный дроссель на выходе срежет всё синфазное, что пролезет через эту ёмкость до ничего не значащих величин. То, что надо, для "подвешенного" питания.

Нет никаких экранов у реальных трансформаторов LLC бп . В них работает индуктивность рассеяния и поэтому вторичка и первичка разнесены на каркасе .

В 50Гц трансформаторах тоже обычно нет экранов, однако их применяют, когда это требуется. И в моём EPP-120S-24 первичка и вторичка разнесены, но проблема в том, что третья обмотка первичной цепи намотана именно поверх вторички. Тем самым сводя на нет преимущества этого разнесения.


Вернуться наверх
 
Не в сети
 Заголовок сообщения: Re: RVS-71 Миллиомметр-ИОН
СообщениеДобавлено: Вт окт 07, 2025 09:07:29 
Опытный кот
Аватар пользователя

Карма: 10
Рейтинг сообщений: 378
Зарегистрирован: Пт май 01, 2015 14:33:13
Сообщений: 841
Рейтинг сообщения: 0
Удалил


Последний раз редактировалось Yuriy_King Вт окт 07, 2025 15:45:28, всего редактировалось 2 раз(а).

Вернуться наверх
 
Не в сети
 Заголовок сообщения: Re: RVS-71 Миллиомметр-ИОН
СообщениеДобавлено: Вт окт 07, 2025 18:16:30 
Электрический кот
Аватар пользователя

Карма: 14
Рейтинг сообщений: 357
Зарегистрирован: Пт апр 09, 2010 16:06:38
Сообщений: 1004
Откуда: Тула
Рейтинг сообщения: 0
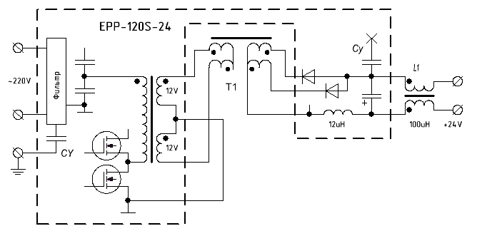
Yuriy_King, а в чём несоответствие? В вашем импульсном трансформаторе к 20пФ ёмкости между силовыми обмотками первичной и вторичной цепями нужно ещё добавить ёмкости остальных обмоток. Получиться чуть больше. Но основной момент не в этом, а в отсутствии Y-конденсаторов (С4 на схеме), которые соединяют первичную и вторичную цепи. Они и составляют основную долю проходной ёмкости всего источника питания.

Изображение
Просто выкинуть их нельзя, т.к. в первичной обмотке присутствует ВЧ переменка размахом 300В, а это одна из обкладок межобмоточной ёмкости (20-30пФ). Эта переменка неизбежно будет проходить во вторичную цепь. Для слива этой переменки и ставят эти Y-конденсаторы. Почти всегда это не составляет проблем, но есть случаи, типа моего, когда надо свести к минимуму проходную ёмкость источника. Вот и приходится городить экраны или дополнительные трансформаторы, чтобы таки выкинуть эти конденсаторы.

Добавлено after 8 hours 4 minutes 43 seconds:
Yuriy_King, зря удалили замеры. На самом деле межобмоточная ёмкость трансформаторов редко когда важна, поэтому информации по ней с сети мало. Соответственно в случае надобности, трудно найти что-то, заслуживающее доверия. А тут всё наглядно и в сравнении.


Вернуться наверх
 
Показать сообщения за:  Сортировать по:  Вернуться наверх
Начать новую тему Ответить на тему  [ Сообщений: 69 ]    , , , 4

Часовой пояс: UTC + 3 часа


Кто сейчас на форуме

Сейчас этот форум просматривают: нет зарегистрированных пользователей и гости: 18


Вы не можете начинать темы
Вы не можете отвечать на сообщения
Вы не можете редактировать свои сообщения
Вы не можете удалять свои сообщения
Вы не можете добавлять вложения

Найти:
Перейти:  


Powered by phpBB © 2000, 2002, 2005, 2007 phpBB Group
Русская поддержка phpBB
Extended by Karma MOD © 2007—2012 m157y
Extended by Topic Tags MOD © 2012 m157y