Например TDA7294

Форум РадиоКот • Просмотр темы - Мелкие вопросы по цифровой технике.
Форум РадиоКот
Здесь можно немножко помяукать :)

Текущее время: Вс янв 25, 2026 14:48:33

Часовой пояс: UTC + 3 часа


ПРЯМО СЕЙЧАС:



Начать новую тему Ответить на тему  [ Сообщений: 4377 ]     ... , , , , 219
Автор Сообщение
Не в сети
 Заголовок сообщения: Re: Мелкие вопросы по цифровой технике.
СообщениеДобавлено: Ср янв 14, 2026 11:00:52 
Сверлит текстолит когтями
Аватар пользователя

Карма: 1
Рейтинг сообщений: 23
Зарегистрирован: Чт авг 21, 2014 11:11:48
Сообщений: 1277
Откуда: краснодарский край
Рейтинг сообщения: 0
А имеется еще аналог 555 на полевых транзисторах, LMC кажется. У него входное сопротивление компаратора на порядки выше.
У меня имеритель емкости сделан на таком. Время заряда меряет. без всякой переменки на испытуемом конденсаторе.
Биполярным его не заменишь.


Вернуться наверх
 
Не в сети
 Заголовок сообщения: Re: Мелкие вопросы по цифровой технике.
СообщениеДобавлено: Ср янв 14, 2026 12:05:03 
Друг Кота
Аватар пользователя

Карма: 31
Рейтинг сообщений: 917
Зарегистрирован: Пт сен 10, 2021 15:19:36
Сообщений: 6290
Откуда: Протвино
Рейтинг сообщения: 0
их множество в cmos исполнении
tlc555 (x)mc555 (x)mc1555 1006ВИ1

да, если с выхода через 1 резистор заряжать/разряжать конденсатор (не используя дисчардж ногу) и выход не перегружен то у cmos должен быть оч точный меандр, определяемый только точностью встроенного опорного источника 1/3,2/3 Vcc, смещением диф усилителей и асимметрией выходного полумоста.


Вернуться наверх
 
Не в сети
 Заголовок сообщения: Re: Мелкие вопросы по цифровой технике.
СообщениеДобавлено: Ср янв 14, 2026 12:22:33 
Друг Кота
Аватар пользователя

Карма: 197
Рейтинг сообщений: 8617
Зарегистрирован: Пн ноя 30, 2009 03:00:01
Сообщений: 43319
Откуда: Нерезиновая
Рейтинг сообщения: 0
AlexS4 писал(а):
да, если с выхода через 1 резистор заряжать/разряжать конденсатор (не используя дисчардж ногу) и выход не перегружен то у cmos должен быть оч точный меандр, определяемый только точностью встроенного опорного источника 1/3,2/3 Vcc и асимметрией выходного полумоста.


СпойлерИзображение
Вложение:
555 66 Гц.PNG [123.43 KiB]
Скачиваний: 272


Изображение
Вложение:
555 121 Гц.PNG [126.71 KiB]
Скачиваний: 271


Изображение
Вложение:
555 719 Гц.PNG [122.68 KiB]
Скачиваний: 272


зы.. В качестве "выхода" можно использовать вывод 7 таймера, "подтянув" его к питанию резистором.


Вернуться наверх
 
Не в сети
 Заголовок сообщения: Re: Мелкие вопросы по цифровой технике.
СообщениеДобавлено: Ср янв 14, 2026 17:56:13 
Первый раз сказал Мяу!
Аватар пользователя

Зарегистрирован: Пн мар 16, 2009 02:09:24
Сообщений: 28
Откуда: Волгоград почти
Рейтинг сообщения: 0
Всем спасибо.
Таймер у меня вроде не КМОП, а так сказать традиционный - маркировка UTC RMAH NE555 L.

Может быть еще на триггере попробую . У меня завалялось неск. штук К176ТМ2 , но там вроде сдвоенный переменный резистор нужен, для изм. частоты при сохранении меандра. Хотя я подробно схемы на ТМ2 не изучал.


Вернуться наверх
 
Эиком - электронные компоненты и радиодетали
Не в сети
 Заголовок сообщения: Re: Мелкие вопросы по цифровой технике.
СообщениеДобавлено: Ср янв 14, 2026 18:10:02 
Друг Кота
Аватар пользователя

Карма: 31
Рейтинг сообщений: 917
Зарегистрирован: Пт сен 10, 2021 15:19:36
Сообщений: 6290
Откуда: Протвино
Рейтинг сообщения: 0
Lahme, если ты про мультивибратор на R-S триггере то непроблема же одним плечем регулировать частоту а во 2м плече резистор сделать минимальным и не менять
(на оч короткий импульс с регулируемой паузой, чим ) а на 2м D-триггере - собрать :2 , и на его выходе уже будет всегда идеальный меандр.

Изображение
R1 переменник 100k..1M (+1k постоянный последовательно) , R2=1k (или наоборот, безразницы)
а идеальные меандры в противофазах - на концах R3,R4


Вернуться наверх
 
Не в сети
 Заголовок сообщения: Re: Мелкие вопросы по цифровой технике.
СообщениеДобавлено: Ср янв 14, 2026 20:56:04 
Первый раз сказал Мяу!
Аватар пользователя

Зарегистрирован: Пн мар 16, 2009 02:09:24
Сообщений: 28
Откуда: Волгоград почти
Рейтинг сообщения: 0
Lahme, если ты про мультивибратор на R-S триггере ....

Ага, понял. Второй элемент именно как счетный триггер, срабатывает по фронту ( вроде бы по заднему), делит на частоту на 2.


Вернуться наверх
 
Не в сети
 Заголовок сообщения: Re: Мелкие вопросы по цифровой технике.
СообщениеДобавлено: Ср янв 14, 2026 21:00:02 
Держит паяльник хвостом

Карма: 2
Рейтинг сообщений: 116
Зарегистрирован: Пт ноя 22, 2024 14:08:43
Сообщений: 935
Рейтинг сообщения: 3
Lahme писал(а):
вроде бы по заднему

....по верхнему....(((.....или смотря с какой стороны смотреть....


Вернуться наверх
 
Не в сети
 Заголовок сообщения: Re: Мелкие вопросы по цифровой технике.
СообщениеДобавлено: Ср янв 14, 2026 23:45:47 
Друг Кота
Аватар пользователя

Карма: 31
Рейтинг сообщений: 917
Зарегистрирован: Пт сен 10, 2021 15:19:36
Сообщений: 6290
Откуда: Протвино
Рейтинг сообщения: 0
Krismi70 кстати полезное замечание сделал про сквозные токи в cmos на заваленых конденсаторами фронтах и про нагрузку конденсаторами выходов. надо признать что это может быть опасно при больших(близко к максимальному) напряжениях питания для некоторых cmos серий.
вобщем лучше запитать 176 от 5..8V и проверить чтоб ток потребления был не более 1mA (или сколько там можно :? . живых 176 и небуферных cd4000 не встречал со школьных времен, сори)


Вернуться наверх
 
Не в сети
 Заголовок сообщения: Re: Мелкие вопросы по цифровой технике.
СообщениеДобавлено: Чт янв 15, 2026 09:20:39 
Друг Кота
Аватар пользователя

Карма: 197
Рейтинг сообщений: 8617
Зарегистрирован: Пн ноя 30, 2009 03:00:01
Сообщений: 43319
Откуда: Нерезиновая
Рейтинг сообщения: 0
Вот в этой схеме:
СпойлерИзображение

для изменения частоты генерации, совершенно не обязательно применять сдвоенный резистор, достаточно менять сопротивление одного резистора-

СпойлерЧастота 4 Гц:
Изображение
Вложение:
RC генератор 561ТМ2- 4 Гц.PNG [156.16 KiB]
Скачиваний: 186


Частота 42 Гц:
Изображение
Вложение:
RC генератор 561ТМ2- 42 Гц.PNG [153.98 KiB]
Скачиваний: 184


Вернуться наверх
 
Не в сети
 Заголовок сообщения: Re: Мелкие вопросы по цифровой технике.
СообщениеДобавлено: Сб янв 17, 2026 17:51:02 
Первый раз сказал Мяу!
Аватар пользователя

Зарегистрирован: Пн мар 16, 2009 02:09:24
Сообщений: 28
Откуда: Волгоград почти
Рейтинг сообщения: 0
Пожалуй сделаю на триггере. К176ТМ2 аж 1982 года выпуска. Защитные диоды есть , 7-14 звонится как диод.
Попробовал с разными C и R , нормально. Поставлю последовательно с 5.1 к переменный на 150к. Емкости по 680 пФ будут. Сильно мелкую емкость не хочу, хотя проверял, и с 270 пФ работало.
PS 4000 пФ - это не номинал, это "4700" измеренные LCR


Вложения:
g_k176tm2.png [32.99 KiB]
Скачиваний: 17
Вернуться наверх
 
В сети
 Заголовок сообщения: Re: Мелкие вопросы по цифровой технике.
СообщениеДобавлено: Вс янв 18, 2026 05:00:54 
Друг Кота

Карма: 66
Рейтинг сообщений: 1023
Зарегистрирован: Пт мар 07, 2008 06:54:43
Сообщений: 4387
Откуда: Ижевск
Рейтинг сообщения: 0
Генератор имеет 'жесткий' режим возбуждения. При медленном нарастании напряжения питания триггер может установиться в состояние с 1-ми на выходах.
Изображение
Поэтому, не нужно стремиться к одинаковым частотозадающим элементам. Лучше перекашивать генератор номиналами элементов, чтобы снизить вероятность отсутствия генерации.


Вложения:
176ТМ2_S_R.PNG [9.81 KiB]
Скачиваний: 124
Вернуться наверх
 
Не в сети
 Заголовок сообщения: Re: Мелкие вопросы по цифровой технике.
СообщениеДобавлено: Чт янв 22, 2026 13:03:35 
Встал на лапы
Аватар пользователя

Зарегистрирован: Ср дек 01, 2021 15:09:09
Сообщений: 148
Рейтинг сообщения: 0
Подскажите пожалуйста, как проверить регистры сдвига 74HC595 на отсутствие повреждений?
А то у меня плата работала, потом я неудачно прошил контроллер, так что он пропал для программатора, заменил его, закачал туда уже работающую программу - и теперь ничего не работает. Питание есть, с землей вроде не звонится. Не может же быть такого, чтобы у меня все регистры сдвига "сдохли", когда я их вообще не трогал...


Вернуться наверх
 
Не в сети
 Заголовок сообщения: Re: Мелкие вопросы по цифровой технике.
СообщениеДобавлено: Чт янв 22, 2026 14:41:19 
Друг Кота
Аватар пользователя

Карма: 31
Рейтинг сообщений: 917
Зарегистрирован: Пт сен 10, 2021 15:19:36
Сообщений: 6290
Откуда: Протвино
Рейтинг сообщения: 0
PenguinChik, задвигать последовательность 10101... или 111111000000... обычно достаточно чтоб обнаружить все возможные неисправности.

проще всего поставить генератор ~ 2..4Hz на CLK и синхронизированный с ним 1..2Hz на вход DI , и выходы просматриваем на от младшего на предмет смены уровня в каждый такт. если регистров несколько в цепочке то на ведущем подаем DI и смотрим выходы на всех.

если нет 2канального генератора то младший выход самого тестируемого регистра через инвертор подаем на его же DI.

ну или с генератора сигнал 3..5Hz а к DI подключаем кнопку(проводок) и запускаем произвольную последовательность и смотрим как она ползет по выходам. нужен будет логический пробник (хотяб светодиоды с резисторами) на все выходы разом,
если индикаторы расположены подряд по номерам выходов то на глаз хорошо видны любые нарушения.
в простейшем случае - заполняем все 0 а затем отпускаем и смотрим как 1-цами заполняется.

зы скорее всего обрыв/замыкание в управлении регистрами образовалось в процессе замены mcu.


Вернуться наверх
 
Не в сети
 Заголовок сообщения: Re: Мелкие вопросы по цифровой технике.
СообщениеДобавлено: Чт янв 22, 2026 15:31:54 
Встал на лапы
Аватар пользователя

Зарегистрирован: Ср дек 01, 2021 15:09:09
Сообщений: 148
Рейтинг сообщения: 0
PenguinChik, задвигать последовательность 10101... или 111111000000... обычно достаточно чтоб обнаружить все возможные неисправности.

зы скорее всего обрыв/замыкание в управлении регистрами образовалось в процессе замены mcu.


Это как? Замыкания между контактами МК нет же.


Вот тактовые импульсы, проталкивающие нули и единицы дальше в цепочку регистров. Похоже на правду?
Раньше же все работало...Поменялся только МП...
А на выходах регистров все нули.


Вложения:
IMG_2370.jpg [102.92 KiB]
Скачиваний: 19
Вернуться наверх
 
Не в сети
 Заголовок сообщения: Re: Мелкие вопросы по цифровой технике.
СообщениеДобавлено: Чт янв 22, 2026 17:11:21 
Друг Кота
Аватар пользователя

Карма: 31
Рейтинг сообщений: 917
Зарегистрирован: Пт сен 10, 2021 15:19:36
Сообщений: 6290
Откуда: Протвино
Рейтинг сообщения: 0
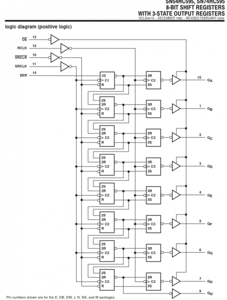
ну если на входе SER (DI) стабильно 0 то так и должно быть. для теста необходимо чтото на вход последовательных данных подать
и еще проверить что:
-OE = L
-SRCLR = H (постоянно и там нет импульсов !)
на оба SRCLK и RCLK приходят импульсы (одни и те же или разные)
импульс(фронт) SRCLK - задвигает данные SER
а импульс(фронт) SRCLK - копирует данные из сдвигового регистра в выходной
для вышеописанного теста их надо соединить и подать импульсы с достаточно низкой частотой.

Изображение


Вернуться наверх
 
Не в сети
 Заголовок сообщения: Re: Мелкие вопросы по цифровой технике.
СообщениеДобавлено: Чт янв 22, 2026 17:20:03 
Встал на лапы
Аватар пользователя

Зарегистрирован: Ср дек 01, 2021 15:09:09
Сообщений: 148
Рейтинг сообщения: 0
А если с выхода МК идет последовательность 0 и 1 на цепочку регистров, то и на этом выходе МК должны быть импульсы, так ведь? Просто я вообще не понимаю, что могло измениться. Может такое быть, что МК бракованный? Но он шьется вроде нормально, программатор его видит.


Вернуться наверх
 
Не в сети
 Заголовок сообщения: Re: Мелкие вопросы по цифровой технике.
СообщениеДобавлено: Чт янв 22, 2026 17:33:54 
Друг Кота
Аватар пользователя

Карма: 31
Рейтинг сообщений: 917
Зарегистрирован: Пт сен 10, 2021 15:19:36
Сообщений: 6290
Откуда: Протвино
Рейтинг сообщения: 0
PenguinChik, да, должен быть както меняющийся сигнал на DI=SER это будет выглядеть как импульсы, хаотичные в общем случае.

проверь все остальные ноги, что в предыдущем я писал. любая из них может сломать всю малину.


Вернуться наверх
 
Показать сообщения за:  Сортировать по:  Вернуться наверх
Начать новую тему Ответить на тему  [ Сообщений: 4377 ]     ... , , , , 219

Часовой пояс: UTC + 3 часа


Кто сейчас на форуме

Сейчас этот форум просматривают: нет зарегистрированных пользователей и гости: 24


Вы не можете начинать темы
Вы не можете отвечать на сообщения
Вы не можете редактировать свои сообщения
Вы не можете удалять свои сообщения
Вы не можете добавлять вложения

Найти:
Перейти:  


Powered by phpBB © 2000, 2002, 2005, 2007 phpBB Group
Русская поддержка phpBB
Extended by Karma MOD © 2007—2012 m157y
Extended by Topic Tags MOD © 2012 m157y