Например TDA7294

Форум РадиоКот • Просмотр темы - Цифровая паяльная станция (от михи-псков)
Форум РадиоКот
Здесь можно немножко помяукать :)

Текущее время: Ср ноя 19, 2025 20:26:30

Часовой пояс: UTC + 3 часа


ПРЯМО СЕЙЧАС:



Начать новую тему Ответить на тему  [ Сообщений: 10601 ]     ... , , , 132, , , ...  
Автор Сообщение
Не в сети
 Заголовок сообщения: Re: Цифровая паяльная станция (от михи-псков)
СообщениеДобавлено: Пн авг 09, 2010 08:05:20 
Собутыльник Кота
Аватар пользователя

Карма: 14
Рейтинг сообщений: 117
Зарегистрирован: Сб фев 20, 2010 14:00:12
Сообщений: 2994
Откуда: Москва
Рейтинг сообщения: 0
Там только внимательней на TL431 посмотрите! Я анод с катодом перепутал, пришлось микруху на 45 градусов разворачивать.


Вернуться наверх
 
Не в сети
 Заголовок сообщения: Re: Цифровая паяльная станция (от михи-псков)
СообщениеДобавлено: Пн авг 09, 2010 23:38:11 
Первый раз сказал Мяу!

Зарегистрирован: Пт окт 02, 2009 19:59:35
Сообщений: 27
Рейтинг сообщения: 0
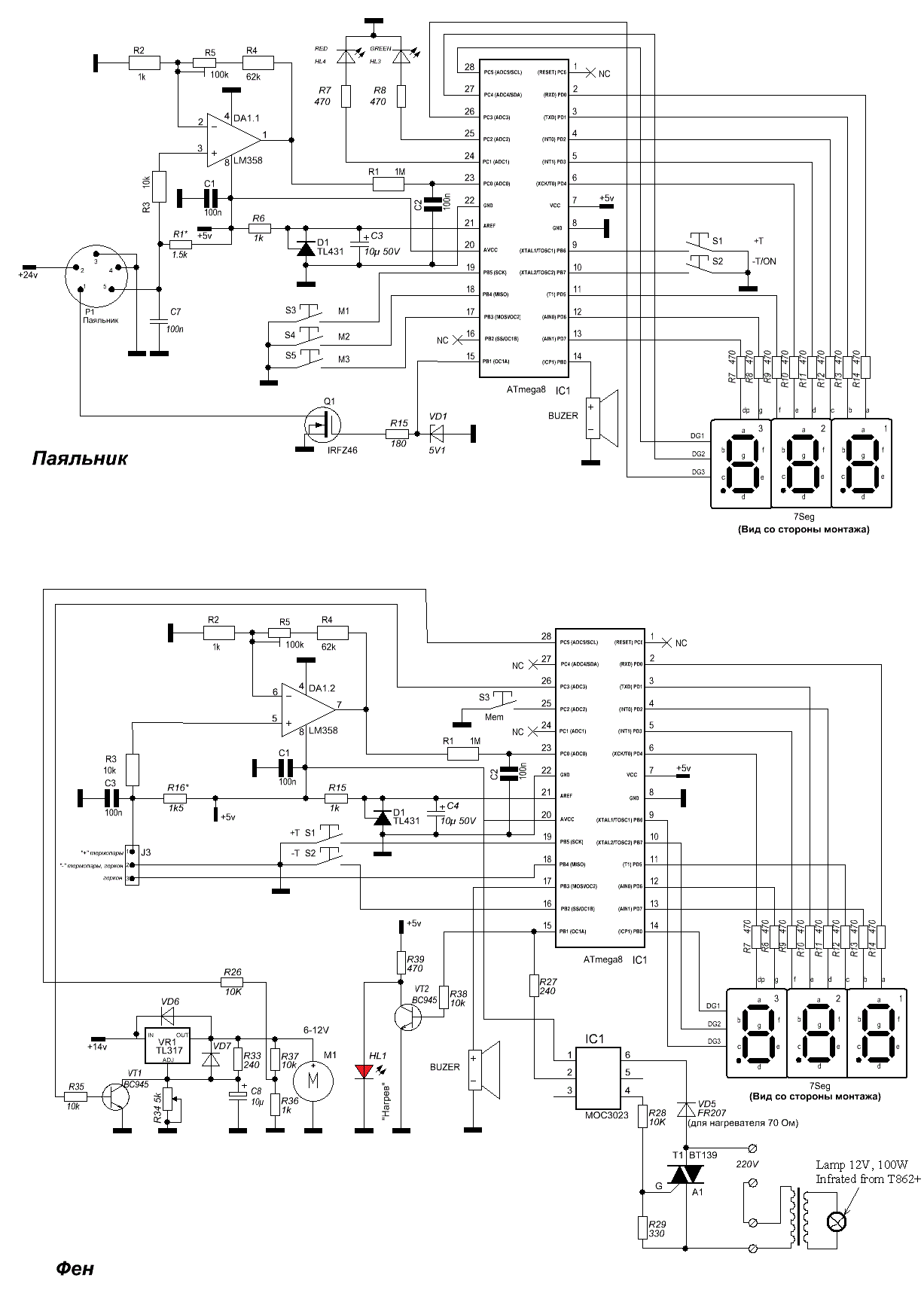
Вот моя версия паяльной станции - печатки под smd, симистор и полевик на отдельной плате, питание от импульсного блока питания, который выдает 5В и 24В
Перед использованием печатки фена и паяльника необходимо просмотреть на наличие ошибок....мог пропустить...
ранее делал термофен:
Изображение
Изображение


Вложения:
Комментарий к файлу: печатка ИБП
2.rar [48.56 KiB]
Скачиваний: 3526
Комментарий к файлу: печатка фена и паяльника
паяльная станция smd.rar [137 KiB]
Скачиваний: 5285
Вернуться наверх
 
Не в сети
 Заголовок сообщения: Re: Цифровая паяльная станция (от михи-псков)
СообщениеДобавлено: Вт авг 10, 2010 09:12:26 
Опытный кот
Аватар пользователя

Карма: 14
Рейтинг сообщений: 434
Зарегистрирован: Ср янв 30, 2008 22:28:09
Сообщений: 884
Откуда: Украина Харьковская обл.
Рейтинг сообщения: 0
:)) вы ошиблись с корпусом меги, у нее корпус PDIP(узкий)


Последний раз редактировалось Nimnul Вт авг 10, 2010 14:20:53, всего редактировалось 1 раз.

Вернуться наверх
 
Не в сети
 Заголовок сообщения: Re: Цифровая паяльная станция (от михи-псков)
СообщениеДобавлено: Вт авг 10, 2010 10:23:00 
Встал на лапы
Аватар пользователя

Зарегистрирован: Пт янв 08, 2010 21:50:59
Сообщений: 103
Рейтинг сообщения: 0
Nikolai4 писал(а):
Вот моя версия паяльной станции - печатки под smd, симистор и полевик на отдельной плате, питание от импульсного блока питания, который выдает 5В и 24В
Перед использованием печатки фена и паяльника необходимо просмотреть на наличие ошибок....мог пропустить...
ранее делал термофен:
Изображение
Изображение

А разве вобще такие меги есть ?

_________________
Изображение


Вернуться наверх
 
Эиком - электронные компоненты и радиодетали
Не в сети
 Заголовок сообщения: Re: Цифровая паяльная станция (от михи-псков)
СообщениеДобавлено: Вт авг 10, 2010 10:40:27 
Родился

Зарегистрирован: Пт дек 04, 2009 11:28:59
Сообщений: 8
Рейтинг сообщения: 0
Привет!

Я купил лампу от t862 инфракрасные станции и хотел бы сделать станций.
Лампа 12V, 100W в качестве основы схему Фена, attach
только вместо нагрузка использовать трансформаторов Выходное напряжение 12V.

потому что на вход трансформатора nepadajut sinusodalni signal, sam transformator tarahtit i nemnoshko grejetsa,

Кто-нибудь может дать правильно схемы включений tako Lapi или адрес, silku gde mozno chtoto podobnaje posmotret,

Спасибо заранее.


Вложения:
Shema_2 traf.GIF [72.75 KiB]
Скачиваний: 1010
Вернуться наверх
 
Не в сети
 Заголовок сообщения: Re: Цифровая паяльная станция (от михи-псков)
СообщениеДобавлено: Вт авг 10, 2010 18:52:14 
Первый раз сказал Мяу!

Зарегистрирован: Пт окт 02, 2009 19:59:35
Сообщений: 27
Рейтинг сообщения: 0
Nimnul писал(а):
:)) вы ошиблись с корпусом меги, у нее корпус PDIP(узкий)


спасибо за замечание , исправим


Вернуться наверх
 
Не в сети
 Заголовок сообщения: Re: Цифровая паяльная станция (от михи-псков)
СообщениеДобавлено: Вт авг 10, 2010 23:26:36 
Встал на лапы
Аватар пользователя

Зарегистрирован: Вт мар 31, 2009 00:27:33
Сообщений: 120
Откуда: Херсон
Рейтинг сообщения: 0
Nikolai4 писал(а):
Вот моя версия паяльной станции - печатки под smd, симистор и полевик на отдельной плате, питание от импульсного блока питания, который выдает 5В и 24В
Перед использованием печатки фена и паяльника необходимо просмотреть на наличие ошибок....мог пропустить...
ранее делал термофен:



Просто если Вы её сделали? то каким образом впихнули туда мегу? http://visualbooster.com/share/20100810232628171.png


Вернуться наверх
 
Не в сети
 Заголовок сообщения: Re: Цифровая паяльная станция (от михи-псков)
СообщениеДобавлено: Вт авг 10, 2010 23:41:16 
Первый раз сказал Мяу!

Зарегистрирован: Пт окт 02, 2009 19:59:35
Сообщений: 27
Рейтинг сообщения: 0
Цитата:

Просто если Вы её сделали? то каким образом впихнули туда мегу? http://visualbooster.com/share/20100810232628171.png


ранее по другой печатке делал


Вернуться наверх
 
Не в сети
 Заголовок сообщения: Re: Цифровая паяльная станция (от михи-псков)
СообщениеДобавлено: Ср авг 11, 2010 11:14:04 
Родился

Зарегистрирован: Вт фев 05, 2008 17:38:01
Сообщений: 6
Рейтинг сообщения: 0
Привет всем! Недавно довелось паять паяльной станцией weller, так вот там сделано так, когда паяльник на подставке находится более 5 минут станция переходит в дежурный режим. Никаких датчиков в паяльнике или на подставке не наблюдается, кроме термопары. Возникла мисль, если сделать в программе контроль за изменением уровня ШИМ и запускать таймер . Когда паяльник на подставке жало остивает оптносительно медленно, для поддержания устаноновленной температуры уровень ШИМ будет изменяться незначительно. Когда мы начинаем паять жало остивает очень быстро, уровень ШИМ изменяется на большую величину.


Вернуться наверх
 
Не в сети
 Заголовок сообщения: Re: Цифровая паяльная станция (от михи-псков)
СообщениеДобавлено: Ср авг 11, 2010 17:33:59 
Поставщик валерьянки для Кота
Аватар пользователя

Карма: 24
Рейтинг сообщений: 596
Зарегистрирован: Сб окт 10, 2009 10:34:07
Сообщений: 2168
Откуда: Україна, Хорол
Рейтинг сообщения: 0
to Volly
хочу собрать фен, в этой связи появились вопросы по прошивкам:
1. прошивки для Термофена Lykey 702 и Lukey 852D+ отличаюся только алгоритмом работы ШИМа и отсутствием контроля по PC5? т.е. если делать самому то можно лить любую, только следить за диодом?

2. если так, то какая на Ваш взляд все-же лучше?

3. если все же лучше для Lukey 852D+, то можна ее подправить для ондикатора с ОК?

4. можно в оба варинта проивок внести доработку, чтоб включалась как паяльник по кнопке "-" и таймеры на отключение тоже не помешали б.

Спасибо.

_________________
Мои паяльные станции: первая, вторая, фен.


Вернуться наверх
 
Не в сети
 Заголовок сообщения: Re: Цифровая паяльная станция (от михи-псков)
СообщениеДобавлено: Ср авг 11, 2010 18:39:45 
Опытный кот
Аватар пользователя

Карма: 4
Рейтинг сообщений: 48
Зарегистрирован: Ср июн 24, 2009 13:07:19
Сообщений: 847
Откуда: Белгород
Рейтинг сообщения: 0
А скажите, для паяльника Соломон SL-icmc- какими жалами от других фирм можно заменять родные.??

_________________
UA3ZAA ex.UA9KBT


Вернуться наверх
 
Не в сети
 Заголовок сообщения: Re: Цифровая паяльная станция (от михи-псков)
СообщениеДобавлено: Ср авг 11, 2010 23:52:14 
Открыл глаза
Аватар пользователя

Зарегистрирован: Вт июл 13, 2010 22:30:53
Сообщений: 42
Рейтинг сообщения: 0
Здравствуйте еще раз
Наконец моя паяльная станция работает прекрасно, в следующий раз вы приложите фотографию.
Мой вопрос заключается в следующем, почему после 15 минут паяльная станция должна стоять стоять, я должен изменить это, я хочу работать по крайней мере час, прежде чем он продолжал стоять by.Jas использовать Firmw.3.6b.CC% 26CA фиксированных
Привет всем, кто помогал мне о своих проблемах


Вернуться наверх
 
Не в сети
 Заголовок сообщения: Re: Цифровая паяльная станция (от михи-псков)
СообщениеДобавлено: Чт авг 12, 2010 00:16:07 
Вымогатель припоя
Аватар пользователя

Карма: 4
Рейтинг сообщений: 102
Зарегистрирован: Чт фев 19, 2009 23:41:27
Сообщений: 615
Откуда: Беларусь, Барановичи
Рейтинг сообщения: 0
macobt писал(а):
Здравствуйте еще раз
Наконец моя паяльная станция работает прекрасно, в следующий раз вы приложите фотографию.
Мой вопрос заключается в следующем, почему после 15 минут паяльная станция должна стоять стоять, я должен изменить это, я хочу работать по крайней мере час, прежде чем он продолжал стоять by.Jas использовать Firmw.3.6b.CC% 26CA фиксированных
Привет всем, кто помогал мне о своих проблемах

посмотри описание таймеров в txt файле что идёт с прошивкой.

_________________
FAQ по паяльной станции "от михи-псков" и доработке Lykey 702/852D+,схемы,платы, прошивки


Вернуться наверх
 
Не в сети
 Заголовок сообщения: Re: Цифровая паяльная станция (от михи-псков)
СообщениеДобавлено: Чт авг 12, 2010 01:56:37 
Открыл глаза
Аватар пользователя

Зарегистрирован: Вт июл 13, 2010 22:30:53
Сообщений: 42
Рейтинг сообщения: 0
Spruts80 писал(а):
macobt писал(а):
Здравствуйте еще раз
Наконец моя паяльная станция работает прекрасно, в следующий раз вы приложите фотографию.
Мой вопрос заключается в следующем, почему после 15 минут паяльная станция должна стоять стоять, я должен изменить это, я хочу работать по крайней мере час, прежде чем он продолжал стоять by.Jas использовать Firmw.3.6b.CC% 26CA фиксированных
Привет всем, кто помогал мне о своих проблемах

посмотри описание таймеров в txt файле что идёт с прошивкой.

Я не могу перевод текстовых файлов, у меня русский шрифт, если у вас есть на английском или не можем перевести для меня.
Приветствия


Вернуться наверх
 
Не в сети
 Заголовок сообщения: Re: Цифровая паяльная станция (от михи-псков)
СообщениеДобавлено: Чт авг 12, 2010 09:02:37 
Вымогатель припоя
Аватар пользователя

Карма: 4
Рейтинг сообщений: 102
Зарегистрирован: Чт фев 19, 2009 23:41:27
Сообщений: 615
Откуда: Беларусь, Барановичи
Рейтинг сообщения: 0
macobt писал(а):
Spruts80 писал(а):
macobt писал(а):
Здравствуйте еще раз
Наконец моя паяльная станция работает прекрасно, в следующий раз вы приложите фотографию.
Мой вопрос заключается в следующем, почему после 15 минут паяльная станция должна стоять стоять, я должен изменить это, я хочу работать по крайней мере час, прежде чем он продолжал стоять by.Jas использовать Firmw.3.6b.CC% 26CA фиксированных
Привет всем, кто помогал мне о своих проблемах

посмотри описание таймеров в txt файле что идёт с прошивкой.

Я не могу перевод текстовых файлов, у меня русский шрифт, если у вас есть на английском или не можем перевести для меня.
Приветствия


Держи
Вложение:
Комментарий к файлу: Readme_macobt
Readme_macobt.txt [1.31 KiB]
Скачиваний: 900
переводил онлайн - переводчиком ( он и файлы может переводить достаточно только ссылку дать на файл)

_________________
FAQ по паяльной станции "от михи-псков" и доработке Lykey 702/852D+,схемы,платы, прошивки


Последний раз редактировалось Spruts80 Чт авг 12, 2010 22:15:09, всего редактировалось 1 раз.

Вернуться наверх
 
Не в сети
 Заголовок сообщения: Re: Цифровая паяльная станция (от михи-псков)
СообщениеДобавлено: Чт авг 12, 2010 17:05:18 
Встал на лапы
Аватар пользователя

Зарегистрирован: Пт янв 08, 2010 21:50:59
Сообщений: 103
Рейтинг сообщения: 0
Зделал фен все норм тока температура прыгает +-40-60 гр что может быть?
Когда только увеличиваю обороты кулера то темп тоже поднимается до 72 гр

_________________
Изображение


Последний раз редактировалось Skipew Чт авг 12, 2010 20:02:15, всего редактировалось 1 раз.

Вернуться наверх
 
Не в сети
 Заголовок сообщения: Re: Цифровая паяльная станция (от михи-псков)
СообщениеДобавлено: Чт авг 12, 2010 17:42:45 
Опытный кот
Аватар пользователя

Карма: 1
Рейтинг сообщений: 2
Зарегистрирован: Пт мар 06, 2009 18:22:23
Сообщений: 702
Рейтинг сообщения: 0
Victor_P., понятия не имею какая лучше. 852D+ в принципе то-же самое, что и для 702, только нет контроля по pc5, и соотв. нет зависимости мощности от воздушного потока.
На общ. катод переделать не получится,- я правил исходник от 702 и изменения не сохранял. И какие там ставил коэфициенты уже и не помню. Если с 702 прошивкой подавать на pc5 фиксированное напряжение 0,5..2,5в (с подстроечника)- то получится продвинутое (настраиваемое) подобие 852D+. Но только между pc5 и источ. напряжения нужно ставить резистор ~330 Ом, а то при выкл. этот вход становится закороченным на массу выходом.
И эта прошивка делалась только для ремонта Lukey, и добавлять туда таймеры и пр. не планируется.


Вернуться наверх
 
Не в сети
 Заголовок сообщения: Re: Цифровая паяльная станция (от михи-псков)
СообщениеДобавлено: Пт авг 13, 2010 01:42:48 
Открыл глаза
Аватар пользователя

Зарегистрирован: Вт июл 13, 2010 22:30:53
Сообщений: 42
Рейтинг сообщения: 0
Для Spruts80
Спасибо вам большое, для его перевода и объяснений.


Вернуться наверх
 
Не в сети
 Заголовок сообщения: Re: Цифровая паяльная станция (от михи-псков)
СообщениеДобавлено: Пт авг 13, 2010 14:22:26 
Поставщик валерьянки для Кота
Аватар пользователя

Карма: 24
Рейтинг сообщений: 596
Зарегистрирован: Сб окт 10, 2009 10:34:07
Сообщений: 2168
Откуда: Україна, Хорол
Рейтинг сообщения: 0
Volly писал(а):
...понятия не имею какая лучше. 852D+ в принципе то-же самое, что и для 702, только нет контроля по pc5, и соотв. нет зависимости мощности от воздушного потока...
На общ. катод переделать не получится...


ОК, спасибо, значит лучше(для меня) все-таки от 702, если там мощность от потока зависит, и с ОК она есть
только в форуме везде написано , что на входе этом должно быть 0.4-0.9, или это в родной, а в твоей до 2.5?


З.Ы. если вдруг будет время и желание, то может изменишь чуток прошивку, чтоб фен можно было как паяльник включать ("-")

_________________
Мои паяльные станции: первая, вторая, фен.


Вернуться наверх
 
Не в сети
 Заголовок сообщения: Re: Цифровая паяльная станция (от михи-псков)
СообщениеДобавлено: Сб авг 14, 2010 09:18:47 
Нашел транзистор. Понюхал.

Зарегистрирован: Ср дек 16, 2009 06:24:25
Сообщений: 189
Откуда: Хабаровск
Рейтинг сообщения: 0
Пара вопросов по питанию...
1) Как относятся керамические нагреватели паяльников к повышенному напряжению? Имеется трансформатор с выхлопом около 32В на холостом ходу (под нагрузкой садится до 29...30В). Нагревателю не поплохеет?
2) Кто УСПЕШНО использовал переделанные электронные трансформаторы - отзовитесь!
Я такой переделал (перемотал вторичку на 24В и добавил обратную связь по напряжению, чтобы запускался без нагрузки). Как сей девайс отнесется к работе без нагрузки? Он всеже импульсник... Может быть, в данном случае лучше поставить маленький 50-герцовый транс на питание управления, а импульсник будет включаться по мере надобности (правда, тут наверно лучше в ключевом режиме, нежели в ШИМ. И подключать импульсник к сети релюшкой, схемы с включением по переходу через ноль тут как-то не очень...)
Короче, интересуют нюансы.
(Кстати, данный электронный транс разогревает жало паяльника до 250 градусов где-то за 20...23 секунды - неплохо так...)


Последний раз редактировалось mr_gard Сб авг 14, 2010 09:37:31, всего редактировалось 1 раз.

Вернуться наверх
 
Показать сообщения за:  Сортировать по:  Вернуться наверх
Начать новую тему Ответить на тему  [ Сообщений: 10601 ]     ... , , , 132, , , ...  

Часовой пояс: UTC + 3 часа


Кто сейчас на форуме

Сейчас этот форум просматривают: нет зарегистрированных пользователей и гости: 38


Вы не можете начинать темы
Вы не можете отвечать на сообщения
Вы не можете редактировать свои сообщения
Вы не можете удалять свои сообщения
Вы не можете добавлять вложения

Найти:
Перейти:  


Powered by phpBB © 2000, 2002, 2005, 2007 phpBB Group
Русская поддержка phpBB
Extended by Karma MOD © 2007—2012 m157y
Extended by Topic Tags MOD © 2012 m157y