Например TDA7294

Форум РадиоКот • Просмотр темы - на 100 % рабочий ИБП на UC3842 или TDA4605
Форум РадиоКот
Здесь можно немножко помяукать :)

Текущее время: Вс ноя 23, 2025 20:30:48

Часовой пояс: UTC + 3 часа


ПРЯМО СЕЙЧАС:



Начать новую тему Ответить на тему  [ Сообщений: 1019 ]  1, , , , ...  
Автор Сообщение
Не в сети
 Заголовок сообщения: на 100 % рабочий ИБП на UC3842 или TDA4605
СообщениеДобавлено: Вт ноя 02, 2010 23:20:10 
Грызет канифоль

Зарегистрирован: Сб авг 21, 2010 20:44:27
Сообщений: 287
Откуда: Ростов
Рейтинг сообщения: 0
У кого есть рабочая на 100 % схема ИБП на UC3842 или TDA4605 ?


Вернуться наверх
 
Не в сети
 Заголовок сообщения: Re: на 100 % рабочий ИБП на UC3842 или TDA4605
СообщениеДобавлено: Вт ноя 02, 2010 23:37:12 
Прорезались зубы
Аватар пользователя

Зарегистрирован: Пт июл 16, 2010 15:10:14
Сообщений: 246
Рейтинг сообщения: 0
http://lmgtfy.com/?q=%D0%B1%D0%BF+%D0%BD%D0%B0+UC3842

_________________
facepalm


Вернуться наверх
 
Не в сети
 Заголовок сообщения: Re: на 100 % рабочий ИБП на UC3842 или TDA4605
СообщениеДобавлено: Вт ноя 02, 2010 23:40:20 
Мучитель микросхем

Зарегистрирован: Вс янв 24, 2010 01:51:44
Сообщений: 402
Рейтинг сообщения: 0
Что есть ИБП- источник бесперебойного питания или импульсный блок питания? Если первое, то некорректно, поскольку ИБП достаточно сложное устройство, чтобы сказать- "на UC3842". Если второе, то правильнее писать ИИП, во избежание путаницы.


Вернуться наверх
 
Не в сети
 Заголовок сообщения: Re: на 100 % рабочий ИБП на UC3842 или TDA4605
СообщениеДобавлено: Ср ноя 03, 2010 01:45:47 
Грызет канифоль

Зарегистрирован: Сб авг 21, 2010 20:44:27
Сообщений: 287
Откуда: Ростов
Рейтинг сообщения: 0
Eklipsio писал(а):
http://lmgtfy.com/?q=%D0%B1%D0%BF+%D0%BD%D0%B0+UC3842

я же спроси на 100 % рабочая, я искать умею .... там много чего есть и 50 % ничего не работает !


Вернуться наверх
 
Эиком - электронные компоненты и радиодетали
Не в сети
 Заголовок сообщения: Re: на 100 % рабочий ИБП на UC3842 или TDA4605
СообщениеДобавлено: Ср ноя 03, 2010 01:47:48 
Грызет канифоль

Зарегистрирован: Сб авг 21, 2010 20:44:27
Сообщений: 287
Откуда: Ростов
Рейтинг сообщения: 0
Juri000 писал(а):
Что есть ИБП- источник бесперебойного питания или импульсный блок питания? Если первое, то некорректно, поскольку ИБП достаточно сложное устройство, чтобы сказать- "на UC3842". Если второе, то правильнее писать ИИП, во избежание путаницы.

ИИП


Вернуться наверх
 
Не в сети
 Заголовок сообщения: Re: на 100 % рабочий ИБП на UC3842 или TDA4605
СообщениеДобавлено: Ср ноя 03, 2010 01:54:03 
Мучитель микросхем

Зарегистрирован: Вс янв 24, 2010 01:51:44
Сообщений: 402
Рейтинг сообщения: 0
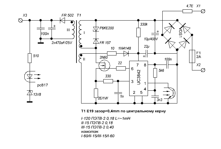
Вот download/file.php?id=40310 Подробности здесь viewtopic.php?f=11&t=34349&hilit=%D0%B5%D0%B519


Вернуться наверх
 
Не в сети
 Заголовок сообщения: Re: на 100 % рабочий ИБП на UC3842 или TDA4605
СообщениеДобавлено: Ср ноя 03, 2010 08:22:14 
Грызет канифоль

Зарегистрирован: Сб авг 21, 2010 20:44:27
Сообщений: 287
Откуда: Ростов
Рейтинг сообщения: 0
Juri000 писал(а):

Спасибо большое ) Я так понял на форуме, что у вас есть плата, можна скинуть ? А то там на файлообменнике уже нет ...


Вернуться наверх
 
Не в сети
 Заголовок сообщения: Re: на 100 % рабочий ИБП на UC3842 или TDA4605
СообщениеДобавлено: Ср ноя 03, 2010 08:26:45 
Мучитель микросхем

Зарегистрирован: Вс янв 24, 2010 01:51:44
Сообщений: 402
Рейтинг сообщения: 0
Вечером приду с работы , выложу


Вернуться наверх
 
Не в сети
 Заголовок сообщения: Re: на 100 % рабочий ИБП на UC3842 или TDA4605
СообщениеДобавлено: Ср ноя 03, 2010 11:31:18 
Прорезались зубы
Аватар пользователя

Зарегистрирован: Пт июл 16, 2010 15:10:14
Сообщений: 246
Рейтинг сообщения: 0
Victor Gordienko писал(а):
Eklipsio писал(а):
http://lmgtfy.com/?q=%D0%B1%D0%BF+%D0%BD%D0%B0+UC3842

я же спроси на 100 % рабочая, я искать умею .... там много чего есть и 50 % ничего не работает !


Схемы везде одинаковые, не нравятся - смотри датащиты и считай свою. Рабочесть схемы обратнопропорциональна кривости рук. Что вас в тех схемах не устроило, и как вы определили их нерабочесть? Собирали?

_________________
facepalm


Вернуться наверх
 
Не в сети
 Заголовок сообщения: Re: на 100 % рабочий ИБП на UC3842 или TDA4605
СообщениеДобавлено: Ср ноя 03, 2010 13:07:00 
Мучитель микросхем

Зарегистрирован: Вс янв 24, 2010 01:51:44
Сообщений: 402
Рейтинг сообщения: 0
Возможно, человек раньше не имел дела с импульсными ИП, ему трудно посчитать да и увидеть огрехи в схеме тоже не всегда удается.
Пример: http://cxem.net/pitanie/5-165.php В схеме полно огрехов, которые для начинающего могут быть не видны.


Вернуться наверх
 
Не в сети
 Заголовок сообщения: Re: на 100 % рабочий ИБП на UC3842 или TDA4605
СообщениеДобавлено: Ср ноя 03, 2010 13:11:01 
Грызет канифоль

Зарегистрирован: Сб авг 21, 2010 20:44:27
Сообщений: 287
Откуда: Ростов
Рейтинг сообщения: 0
Eklipsio писал(а):
Victor Gordienko писал(а):
Eklipsio писал(а):
http://lmgtfy.com/?q=%D0%B1%D0%BF+%D0%BD%D0%B0+UC3842

я же спроси на 100 % рабочая, я искать умею .... там много чего есть и 50 % ничего не работает !


Схемы везде одинаковые, не нравятся - смотри датащиты и считай свою. Рабочесть схемы обратнопропорциональна кривости рук. Что вас в тех схемах не устроило, и как вы определили их нерабочесть? Собирали?



http://radiokot.ru/circuit/power/supply/04/ рабочая схема ?


Вернуться наверх
 
Не в сети
 Заголовок сообщения: Re: на 100 % рабочий ИБП на UC3842 или TDA4605
СообщениеДобавлено: Ср ноя 03, 2010 13:41:01 
Модератор
Аватар пользователя

Карма: 153
Рейтинг сообщений: 2926
Зарегистрирован: Сб авг 14, 2010 15:05:51
Сообщений: 18875
Откуда: г. Озерск, Челябинская обл.
Рейтинг сообщения: 0
Медали: 1
Лучший человек Форума 2017 (1)
Цитата:
http://radiokot.ru/circuit/power/supply/04/ рабочая схема ?

абсолютно рабочая схема. примерно пару месяцев назад один чел ее делал, нормально заработала.

_________________
Мудрость приходит вместе с импотенцией...
Когда на русском форуме переходят на Вы, в реальной жизни начинают бить морду.


Вернуться наверх
 
Не в сети
 Заголовок сообщения: Re: на 100 % рабочий ИБП на UC3842 или TDA4605
СообщениеДобавлено: Ср ноя 03, 2010 14:00:51 
Мучитель микросхем

Зарегистрирован: Вс янв 24, 2010 01:51:44
Сообщений: 402
Рейтинг сообщения: 0
Victor Gordienko писал(а):
http://radiokot.ru/circuit/power/supply/04/ рабочая схема ?

В принципе да. Правда не уверен в корректности указанных данных. В частности, смущает частотозадающая цепочка. Сейчас не вспомню, как там считается частота, если R на 4-й ноге меньше 5К, но это в даташите есть. Ну и данные транса и снабберных цепей надо считать. Это не значит, что данные неправильные, просто сам не пересчитывал, поэтому с уверенностью говорить не могу. А сама схема рабочая.


Вернуться наверх
 
Не в сети
 Заголовок сообщения: Re: на 100 % рабочий ИБП на UC3842 или TDA4605
СообщениеДобавлено: Ср ноя 03, 2010 14:41:42 
Опытный кот

Карма: 4
Рейтинг сообщений: 5
Зарегистрирован: Чт июл 16, 2009 10:18:32
Сообщений: 860
Откуда: р.Башкортостан
Рейтинг сообщения: 0
Starichok51 писал(а):
Цитата:
http://radiokot.ru/circuit/power/supply/04/ рабочая схема ?

абсолютно рабочая схема. примерно пару месяцев назад один чел ее делал, нормально заработала.

А сами ее собирали?Я да.И не рекомендую ее,если нужна стабилизация выходного напряжения.Здесь мелькнула схема на 3843,вот по ее схемотехнике и надо делать,только менять на 3842.


Вернуться наверх
 
Не в сети
 Заголовок сообщения: Re: на 100 % рабочий ИБП на UC3842 или TDA4605
СообщениеДобавлено: Ср ноя 03, 2010 14:53:30 
Прорезались зубы
Аватар пользователя

Зарегистрирован: Пт июл 16, 2010 15:10:14
Сообщений: 246
Рейтинг сообщения: 0
Juri000 писал(а):
Возможно, человек раньше не имел дела с импульсными ИП, ему трудно посчитать да и увидеть огрехи в схеме тоже не всегда удается.
Пример: http://cxem.net/pitanie/5-165.php В схеме полно огрехов, которые для начинающего могут быть не видны.


Начинать со схемы на gdt явно не стоит.
Схемы на UC3842 (обратноход) почти идентичны, отличаются только параметры обвязки и ключи. Автору советую повторить схему, разобравшись в ней, а потом уже задавать вопросы, если что-то не получилось. Ну, или спросить перед сборкой, что непонятно.

Схему http://radiokot.ru/circuit/power/supply/04/ собирал, только были немного другие номиналы обвязки. Если нужно будет - на выходных найду, уточню. Стабилизация вроде в норме, особо точной и не нужно было.

_________________
facepalm


Вернуться наверх
 
Не в сети
 Заголовок сообщения: Re: на 100 % рабочий ИБП на UC3842 или TDA4605
СообщениеДобавлено: Ср ноя 03, 2010 16:40:54 
Мучитель микросхем

Зарегистрирован: Вс янв 24, 2010 01:51:44
Сообщений: 402
Рейтинг сообщения: 0
Grandfa писал(а):
И не рекомендую ее,если нужна стабилизация выходного напряжения.

Немножко не так. Стабилизация там есть. Напряжение с обмотки питания ШИМ заводится через резистивный делитель на вывод 2, который является входом усилителя сигнала ошибки. Напряжение на этом выводе сравнивается с образцовым, которое формируется внутри микросхемы. В результате, при изменении напряжения на обмотке питания ШИМ, изменяется ширина импульсов, что ведет к изменению напряжения и на обмотке питания и на выходной обмотке. Микрушка как бы стабилизирует свое питание и одновременно стабилизируется выходное напряжение. Другое дело, что с оптроном стабилизация получается более жесткой- это да.
Victor Gordienko, вот обещанная платка http://zalil.ru/29913659. Это основа, остальное, обычно, дорисовываю по месту. На плате не установлены терморезистор и предохранитель. Печать рабочая.


Вернуться наверх
 
Не в сети
 Заголовок сообщения: Re: на 100 % рабочий ИБП на UC3842 или TDA4605
СообщениеДобавлено: Ср ноя 03, 2010 18:47:26 
Опытный кот

Карма: 4
Рейтинг сообщений: 5
Зарегистрирован: Чт июл 16, 2009 10:18:32
Сообщений: 860
Откуда: р.Башкортостан
Рейтинг сообщения: 0
Так называемая стабилизация там сделана не по выходной обмотке,а по обмотке связи.И при полной нагрузке напряжение просядет,причем сильно.А стабилизировать она начнет когда напряжение в обмотке связи уменьшится,причем выходное уже будет далеко от заданного.Я не говорю что она не рабочая.Вот в 6 посту правильно сделано.


Вернуться наверх
 
Не в сети
 Заголовок сообщения: Re: на 100 % рабочий ИБП на UC3842 или TDA4605
СообщениеДобавлено: Ср ноя 03, 2010 18:59:39 
Мучитель микросхем

Зарегистрирован: Вс янв 24, 2010 01:51:44
Сообщений: 402
Рейтинг сообщения: 0
Не знаю, почему у вас так получается, но обычно у обратноходов разница напряжений в обмотках с обратной связью и без получается примерно 10%. Эта схема один в один из даташита, только номиналы некоторых деталей другие. Данная схема довольно часто используется в телевизорах и мониторах. Если бы все было так плохо, как вы пишите, телевизоры горели бы только в путь.


Вернуться наверх
 
Не в сети
 Заголовок сообщения: Re: на 100 % рабочий ИБП на UC3842 или TDA4605
СообщениеДобавлено: Ср ноя 03, 2010 21:09:40 
Грызет канифоль

Зарегистрирован: Сб авг 21, 2010 20:44:27
Сообщений: 287
Откуда: Ростов
Рейтинг сообщения: 0
спаял, включаю на нагрузку 4 кОм первичка 110 витков. 2 - 15 витков обратна с. 15 витков. поставил стабилитнон на 15 вольт. меряю на 7 ножке есть 16 В. На вторичке только 7 вольт ????!!!! ставлю нагрузку 20 Ом на вторичке падает до 0 В. Что делать ?


Вернуться наверх
 
Не в сети
 Заголовок сообщения: Re: на 100 % рабочий ИБП на UC3842 или TDA4605
СообщениеДобавлено: Ср ноя 03, 2010 22:06:44 
Прорезались зубы
Аватар пользователя

Зарегистрирован: Пт июл 16, 2010 15:10:14
Сообщений: 246
Рейтинг сообщения: 0
Правильно ли сфазированы обмотки? Или что-то не то с обратной связью. Фото девайса желательно.

_________________
facepalm


Вернуться наверх
 
Показать сообщения за:  Сортировать по:  Вернуться наверх
Начать новую тему Ответить на тему  [ Сообщений: 1019 ]  1, , , , ...  

Часовой пояс: UTC + 3 часа


Кто сейчас на форуме

Сейчас этот форум просматривают: Agaev и гости: 82


Вы не можете начинать темы
Вы не можете отвечать на сообщения
Вы не можете редактировать свои сообщения
Вы не можете удалять свои сообщения
Вы не можете добавлять вложения

Найти:
Перейти:  


Powered by phpBB © 2000, 2002, 2005, 2007 phpBB Group
Русская поддержка phpBB
Extended by Karma MOD © 2007—2012 m157y
Extended by Topic Tags MOD © 2012 m157y