Например TDA7294

Форум РадиоКот • Просмотр темы - Регулятор оборотов микродрели на PIC-контроллере
Форум РадиоКот
Здесь можно немножко помяукать :)

Текущее время: Ср фев 04, 2026 09:48:24

Часовой пояс: UTC + 3 часа


ПРЯМО СЕЙЧАС:



Начать новую тему Ответить на тему  [ Сообщений: 198 ]  1, , , , ...  
Автор Сообщение
Не в сети
 Заголовок сообщения: Регулятор оборотов микродрели на PIC-контроллере
СообщениеДобавлено: Вс янв 09, 2011 06:34:03 
Встал на лапы

Зарегистрирован: Сб июл 24, 2010 00:11:33
Сообщений: 113
Откуда: Москва
Рейтинг сообщения: 0
Здравствуйте всем товарищи прошу помощи собрал вот такое устройство. а оно не хочет работать вообще ни как помогите кто чем может. файл печатки . и прошивки даю. всё это взято из журнала Радио мир 2005г № 4 и 3 Печатку рисовал сам проверьте плиз может я в чём то ошибся ??? просто уже два дня мучаюсь и никакого результата . Может кто сможет смоделировать в протеусе ??? (сам не умею там ещё моделировать.). Всем заранее спасибо.Вот кстати что нашол на VRTP
Цитата:
Автор: sergey_sitnik Mar 17 2010, 12:02 AM
Вообще я использую регулятор на PIC контроллере очень удобная вещь
за основу взята схема из журнала радиоматор или радио не помню одна беда прошивка там не рабочая дана пришлось по новой разрабатывать, а так как сам писать проги для pic не умею пришлось просить программиста,но тем не менее девай получился класный:
1 можно программировать верхний и нижний уровень оборотов под разные движки и блоки питания, плюс все это сохраняется в ЕПРОМ PICа что весьма удобно
2 Два режима плавный разгон и обычный .
тоже бывает нужно при сверлении тонкими свелами Вот......

кто могёт сделать прошивку ??


Вложения:
Комментарий к файлу: прошивка измените просто расширение на HEX
Регулятор оборотов микродрели на PIC-контроллере.txt [773 байт]
Скачиваний: 1616
Regulator oborotov dreli na MK.lay [73.58 KiB]
Скачиваний: 1124

_________________
Скайп Petrov_igor24
Вернуться наверх
 
Не в сети
 Заголовок сообщения: Re: Регулятор оборотов микродрели на PIC-контроллере
СообщениеДобавлено: Вс янв 09, 2011 09:38:59 
Друг Кота

Карма: 33
Рейтинг сообщений: 213
Зарегистрирован: Ср окт 14, 2009 10:37:49
Сообщений: 3956
Откуда: Украина
Рейтинг сообщения: 0
delta24 писал(а):
...сам проверьте плиз может я в чём то ошибся...

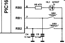
Что сразу бросается в глаза, это то, что ошибся автор статьи.
Изображение
Здесь PORTB,0 определен как кнопка №2, а PORTB,2 вывод светодиода. На схеме наоборот.
Изображение
Может есть и другие ошибки, надо вычитывать листинг программы.


Вложения:
sh.png [5.04 KiB]
Скачиваний: 12178
list.png [11.56 KiB]
Скачиваний: 11670
Вернуться наверх
 
Не в сети
 Заголовок сообщения: Re: Регулятор оборотов микродрели на PIC-контроллере
СообщениеДобавлено: Вс янв 09, 2011 10:23:26 
Друг Кота

Карма: 27
Рейтинг сообщений: 1283
Зарегистрирован: Ср фев 11, 2009 20:35:58
Сообщений: 7853
Рейтинг сообщения: 0
А здесь http://gsm-storozh.com/5.html или здесь http://forum.radiospec.ru/index.php?sho ... entry31028 можно попробовать связаться с автором.


Вернуться наверх
 
Не в сети
 Заголовок сообщения: Re: Регулятор оборотов микродрели на PIC-контроллере
СообщениеДобавлено: Вс янв 09, 2011 16:27:31 
Друг Кота

Карма: 33
Рейтинг сообщений: 213
Зарегистрирован: Ср окт 14, 2009 10:37:49
Сообщений: 3956
Откуда: Украина
Рейтинг сообщения: 0
delta24 писал(а):
...кто могёт сделать прошивку ??

Оживить авторскую прошивку - проще написать свою.
Попробуйте мою. Схема без изменений. При нажатой кнопке START на выходе импульсы ШИМ. Всего 100 ступеней регулировки. Данные записываются в EEPROM и считываются при подаче питания. Светодиод мигает пока не нажата кнопка START, при нажатой гаснет. Для другого у меня не хватило фантазии.
В железе не проверял. Схема в Proteus для демонстрации и отладки.


Вложения:
Speed_Control.zip [13.88 KiB]
Скачиваний: 1265
Вернуться наверх
 
Эиком - электронные компоненты и радиодетали
Не в сети
 Заголовок сообщения: Re: Регулятор оборотов микродрели на PIC-контроллере
СообщениеДобавлено: Вс янв 09, 2011 20:09:43 
Встал на лапы

Зарегистрирован: Сб июл 24, 2010 00:11:33
Сообщений: 113
Откуда: Москва
Рейтинг сообщения: 0
Спасибо всем ответившим сейчас попробую прошивку от Soira респект ему и уважуха всегда помогает прошивками.. причём быстро. от Nikusik тебе привет.

_________________
Скайп Petrov_igor24


Вернуться наверх
 
Не в сети
 Заголовок сообщения: Re: Регулятор оборотов микродрели на PIC-контроллере
СообщениеДобавлено: Вс янв 09, 2011 20:42:36 
Встал на лапы

Зарегистрирован: Сб июл 24, 2010 00:11:33
Сообщений: 113
Откуда: Москва
Рейтинг сообщения: 0
регулятор заработал. но при нажатии клавиши выключения двигателя SB1 двигатель останавливается и больше не стартует пока снова не перезапустиш питание..
????

_________________
Скайп Petrov_igor24


Вернуться наверх
 
Не в сети
 Заголовок сообщения: Re: Регулятор оборотов микродрели на PIC-контроллере
СообщениеДобавлено: Вс янв 09, 2011 21:28:53 
Друг Кота

Карма: 33
Рейтинг сообщений: 213
Зарегистрирован: Ср окт 14, 2009 10:37:49
Сообщений: 3956
Откуда: Украина
Рейтинг сообщения: 0
delta24 писал(а):
регулятор заработал. но при нажатии клавиши выключения двигателя SB1 двигатель останавливается и больше не стартует пока снова не перезапустиш питание..
????

Странно, :dont_know: сейчас проверю на макете.


Вернуться наверх
 
Не в сети
 Заголовок сообщения: Re: Регулятор оборотов микродрели на PIC-контроллере
СообщениеДобавлено: Вс янв 09, 2011 21:32:04 
Встал на лапы

Зарегистрирован: Сб июл 24, 2010 00:11:33
Сообщений: 113
Откуда: Москва
Рейтинг сообщения: 0
Soir писал(а):
delta24 писал(а):
регулятор заработал. но при нажатии клавиши выключения двигателя SB1 двигатель останавливается и больше не стартует пока снова не перезапустиш питание..
????

Странно, :dont_know: сейчас проверю на макете.

Жду Soir а может поболтаем через скайп ?

_________________
Скайп Petrov_igor24


Вернуться наверх
 
Не в сети
 Заголовок сообщения: Re: Регулятор оборотов микродрели на PIC-контроллере
СообщениеДобавлено: Вс янв 09, 2011 22:31:17 
Встал на лапы

Зарегистрирован: Сб июл 24, 2010 00:11:33
Сообщений: 113
Откуда: Москва
Рейтинг сообщения: 0
Во общем поговорили через скайп с ним. Человек прям ну просто велеколепный ещё раз ему респект и уважуха. главное без отказный.
Если кому интересен весь этот проект выкладываю файлы.
Изображение


Вложения:
Комментарий к файлу: ПРошивка от Soira
Speed_Control.zip [13.88 KiB]
Скачиваний: 1233
Комментарий к файлу: печатка исправленная
Regulator oborotov dreli na MK.lay [73.69 KiB]
Скачиваний: 1348

_________________
Скайп Petrov_igor24
Вернуться наверх
 
Не в сети
 Заголовок сообщения: Re: Регулятор оборотов микродрели на PIC-контроллере
СообщениеДобавлено: Пт фев 25, 2011 16:58:10 
Первый раз сказал Мяу!

Зарегистрирован: Ср май 20, 2009 16:50:53
Сообщений: 22
Рейтинг сообщения: 0
Добрый Вечер! Собрал регулятор и не работает. На печатной плате все резисторы на 3.9 кОм, так и должно быть или нет? Я по принципиальной схеме ставил реисторы. Так вот собрал, подаю напряжение 25 вольт, начинает мигать светодиод, потом тумблером переключаю и нажимаю кнопку "Плюс" ничего не происходит. Я использовал транзистор КТ819ВМ вместо КТ819А, микроконтроллер PIC16F628A. А вообще прошивка под какой мк написан? Заранее Благодарен


Вернуться наверх
 
Не в сети
 Заголовок сообщения: Re: Регулятор оборотов микродрели на PIC-контроллере
СообщениеДобавлено: Пт фев 25, 2011 18:55:10 
Друг Кота

Карма: 33
Рейтинг сообщений: 213
Зарегистрирован: Ср окт 14, 2009 10:37:49
Сообщений: 3956
Откуда: Украина
Рейтинг сообщения: 0
segness писал(а):
На печатной плате все резисторы на 3.9 кОм, так и должно быть или нет? Я по принципиальной схеме ставил реисторы.

Должны быть как на принципиальной схеме.
segness писал(а):
Так вот собрал, подаю напряжение 25 вольт, начинает мигать светодиод, потом тумблером переключаю и нажимаю кнопку "Плюс" ничего не происходит.

Тумблера в схеме нет, есть кнопка "Пуск". Проверьте напряжения на выводе 18 МК при нажатой кнопке "Пуск", должно быть около +5V.
segness писал(а):
Я использовал транзистор КТ819ВМ вместо КТ819А, микроконтроллер PIC16F628A. А вообще прошивка под какой мк написан?

Прошивка под PIC16F628A. Использование КТ819 здесь наверно не оправдано. Для его раскачки КТ3102 может не хватить. Попробуйте КТ817, или хотя бы проверьте наличие напряжения на базе VT1.
Но это уже потом, сначала при нажатии кнопки "Пуск" должен погаснуть светодиод.


Вернуться наверх
 
Не в сети
 Заголовок сообщения: Re: Регулятор оборотов микродрели на PIC-контроллере
СообщениеДобавлено: Сб фев 26, 2011 17:25:22 
Первый раз сказал Мяу!

Зарегистрирован: Ср май 20, 2009 16:50:53
Сообщений: 22
Рейтинг сообщения: 0
Напряжение на 18 ножке составило 4,98 Вольт, потом проверил напряжение базы транзистора, составило 6,31 Вольт. Попробую поменять транзистор VT1 на КТ817 как Вы говорили.


Вернуться наверх
 
Не в сети
 Заголовок сообщения: Re: Регулятор оборотов микродрели на PIC-контроллере
СообщениеДобавлено: Сб фев 26, 2011 18:28:43 
Друг Кота

Карма: 33
Рейтинг сообщений: 213
Зарегистрирован: Ср окт 14, 2009 10:37:49
Сообщений: 3956
Откуда: Украина
Рейтинг сообщения: 0
segness писал(а):
Напряжение на 18 ножке составило 4,98 Вольт.

Это хорошо. Светодиод гаснет при этом?
segness писал(а):
потом проверил напряжение базы транзистора, составило 6,31 Вольт.

Это плохо. На базе КТ3102 даже при максимальной скорости напряжение не может быть больше 1,5-2,0V. На базе КТ817 (КТ819) 0,7- 1,0V. Возможные причины: неисправность транзистора; неправильное включение транзистора.
Для проверки работоспособности МК можно между выводом 9 и общим проводом подключить цепочку из резистора 200 Ом и светодиода, включенных последовательно. Катодом светодиода к общему проводу. Резистор R4, идущий на базу транзистора отключить. При нажатии кнопки "Пуск" дополнительный светодиод должен засветиться, а яркость его регулироваться кнопками "Плюс" и "Минус".
segness писал(а):
Попробую поменять транзистор VT1 на КТ817 как Вы говорили.

Транзистор следует подбирать по максимальному току дрели или что там у Вас.


Вернуться наверх
 
Не в сети
 Заголовок сообщения: Re: Регулятор оборотов микродрели на PIC-контроллере
СообщениеДобавлено: Сб фев 26, 2011 21:41:54 
Первый раз сказал Мяу!

Зарегистрирован: Ср май 20, 2009 16:50:53
Сообщений: 22
Рейтинг сообщения: 0
Урааа!!!! Заработало. Большое Спасибо Soir!!! Микроконтроллер в порядке. Я перепутал положение транзистора VT2. На печатной плате транзистор VT2 стоит наоборот.


Вернуться наверх
 
Не в сети
 Заголовок сообщения: Re: Регулятор оборотов микродрели на PIC-контроллере
СообщениеДобавлено: Сб мар 12, 2011 20:04:48 
Первый раз сказал Мяу!

Зарегистрирован: Сб мар 12, 2011 20:01:30
Сообщений: 23
Рейтинг сообщения: 0
..... а прошивки , что бы медленно дрель стартовала нет...? вроде здесь видел..???!!!


Вернуться наверх
 
Не в сети
 Заголовок сообщения: Re: Регулятор оборотов микродрели на PIC-контроллере
СообщениеДобавлено: Сб мар 12, 2011 20:36:26 
Друг Кота

Карма: 33
Рейтинг сообщений: 213
Зарегистрирован: Ср окт 14, 2009 10:37:49
Сообщений: 3956
Откуда: Украина
Рейтинг сообщения: 0
alexwolf писал(а):
..... а прошивки , что бы медленно дрель стартовала нет...? вроде здесь видел..???!!!

Могу свою доработать, только скажите, что значит медленно? 1 сек, 5 сек...?


Вернуться наверх
 
Не в сети
 Заголовок сообщения: Re: Регулятор оборотов микродрели на PIC-контроллере
СообщениеДобавлено: Сб мар 12, 2011 21:43:47 
Мудрый кот
Аватар пользователя

Карма: 9
Рейтинг сообщений: 101
Зарегистрирован: Вс окт 04, 2009 13:23:12
Сообщений: 1833
Откуда: н. новгород
Рейтинг сообщения: 0
Нафига прошивки. От схемы оставляем R2 и R3. R3 заменяем на переменник и отвод подключаем на базу VТ1. Остальное НАФИГ. Без стабилизации оборотов контроллер не нужен.

_________________
Лучше умному тупить, чем тупому умничать


Вернуться наверх
 
Не в сети
 Заголовок сообщения: Re: Регулятор оборотов микродрели на PIC-контроллере
СообщениеДобавлено: Вс мар 13, 2011 07:04:22 
Первый раз сказал Мяу!

Зарегистрирован: Сб мар 12, 2011 20:01:30
Сообщений: 23
Рейтинг сообщения: 0
Soirспасибо что откликнулся !!!мне надо что бы плавно стартовала, чтобы отверстия сверлить не кернив их. я думаю что 1 сек. будет достаточно... или я не прав ?


Вернуться наверх
 
Не в сети
 Заголовок сообщения: Re: Регулятор оборотов микродрели на PIC-контроллере
СообщениеДобавлено: Вс мар 13, 2011 09:18:16 
Друг Кота

Карма: 33
Рейтинг сообщений: 213
Зарегистрирован: Ср окт 14, 2009 10:37:49
Сообщений: 3956
Откуда: Украина
Рейтинг сообщения: 0
alexwolf писал(а):
мне надо что бы плавно стартовала, чтобы отверстия сверлить не кернив их. я думаю что 1 сек. будет достаточно... или я не прав ?

Я не знаю сколько надо. :dont_know:
На всякий случай предусмотрел установку времени разгона при прошивке в памяти EEPROM. По адресу 0х0002. Максимальное время около 2,6 сек будет если записать в ячейку FF, если записать 64 - время будет около 1 сек. То есть записывается время в десятках миллисекунд в шеснадцатиричной системе. (Пример. Если надо время 2 сек: 2сек/10мсек=200, переводим в шеснадцатиричную систему: C8. При прошивке записываем в EEPROM C8).
Во вложении также скриншот, как это выглядит в IC-Prog.
Я думаю, разберетесь. Если понадобится большее время - скажите, я переделаю.
По умолчанию (если в EEPROM ничего не записывать, там будет FF) время максимальное = 2,6 сек.
P.S. И еще один нюанс. Установленное время разгона это время разгона до 100%-ой скорости. Если скорость выставлена, например, 80%, то время разгона будет составлять тоже 80% от выставленного.
P.P.S. Схема не менялась, взята отсюда, там же есть и печатка. Спасибо delta24.


Вложения:
Speed_Control_v1.zip [36.05 KiB]
Скачиваний: 875
Вернуться наверх
 
Не в сети
 Заголовок сообщения: Re: Регулятор оборотов микродрели на PIC-контроллере
СообщениеДобавлено: Вс мар 13, 2011 12:48:56 
Первый раз сказал Мяу!

Зарегистрирован: Сб мар 12, 2011 20:01:30
Сообщений: 23
Рейтинг сообщения: 0
Soir спасибо !!! попробую в железе..


Вернуться наверх
 
Показать сообщения за:  Сортировать по:  Вернуться наверх
Начать новую тему Ответить на тему  [ Сообщений: 198 ]  1, , , , ...  

Часовой пояс: UTC + 3 часа


Кто сейчас на форуме

Сейчас этот форум просматривают: K.Vladimir и гости: 15


Вы не можете начинать темы
Вы не можете отвечать на сообщения
Вы не можете редактировать свои сообщения
Вы не можете удалять свои сообщения
Вы не можете добавлять вложения

Найти:
Перейти:  


Powered by phpBB © 2000, 2002, 2005, 2007 phpBB Group
Русская поддержка phpBB
Extended by Karma MOD © 2007—2012 m157y
Extended by Topic Tags MOD © 2012 m157y