Например TDA7294

Форум РадиоКот • Просмотр темы - Часы (и не только) на светодиодах
Форум РадиоКот
Здесь можно немножко помяукать :)

Текущее время: Вс ноя 23, 2025 20:58:29

Часовой пояс: UTC + 3 часа


ПРЯМО СЕЙЧАС:



Начать новую тему Ответить на тему  [ Сообщений: 417 ]    , , , 4, , , ...  
Автор Сообщение
Не в сети
 Заголовок сообщения: Re: Часы (и не только) на светодиодах
СообщениеДобавлено: Пн фев 21, 2011 21:05:54 
Опытный кот
Аватар пользователя

Карма: 3
Рейтинг сообщений: 13
Зарегистрирован: Сб фев 27, 2010 21:45:37
Сообщений: 785
Откуда: Ростов-на-Дону
Рейтинг сообщения: 0
Исправил питание и собрал часы в корпус. Получилось даже ещё "уютнее", чем я планировал. ИМХО удачно сочетаются красные цифры и теплый свет подсветки. (Яркость и того и другого регулируемая)

Дополнительный преобразователь пришлось навесить поверх основной платы:
Изображение

Часы в сборе и в работе.
Изображение

Изображение

Изображение

Изображение

Изображение

Изображение

Изображение

Изображение

Полдела сделано, осталось довести до ума прошивку и добавить функций. В контроллер забит bootloader через Ethernet, так что даже не придётся с ISP разъёмом бегать :)

_________________
Сделать хотел грозу, а получил КоЗу


Вернуться наверх
 
Не в сети
 Заголовок сообщения: Re: Часы (и не только) на светодиодах
СообщениеДобавлено: Пн фев 21, 2011 21:18:23 
Друг Кота
Аватар пользователя

Карма: 52
Рейтинг сообщений: 846
Зарегистрирован: Вт сен 07, 2010 03:01:06
Сообщений: 16545
Откуда: Moscow-Izmaylovo
Рейтинг сообщения: 0
Часы без секунд, стоят на месте.
Точнее время стоит на месте.
А так оно в живую тикало бы.

ps
На митьке купил часики.
часики большие 3см в высоту 4 цифры.
С платой и индикаторами.
Красиво.

Но вот всё остальное хез где.
Грили иди на сайт производителя, там и схема и прошивка.
И ничего подобного там нету.

В итоге именно тут про эти часики инашёл тему в разработках.
http://radiokot.ru/circuit/digital/home/33/

Просто с сейёй конструкции сами индикаторы были нужны.

_________________
Лечу лечить WWWашу покалеченную технику.


Вернуться наверх
 
Не в сети
 Заголовок сообщения: Re: Часы (и не только) на светодиодах
СообщениеДобавлено: Вт фев 22, 2011 09:17:04 
Друг Кота
Аватар пользователя

Карма: 52
Рейтинг сообщений: 846
Зарегистрирован: Вт сен 07, 2010 03:01:06
Сообщений: 16545
Откуда: Moscow-Izmaylovo
Рейтинг сообщения: 0
Звиняйте шо тут приходится спрашивать
там с регистрацией через ЖО


У меня есть вопрос
Вот по этим часикам
http://www.labkit.ru/html/clock?id=89
Вопрощённые в железе.
Изображение
Прошиты тем что там выложены.

В общем они у меня ни как не работают.

_________________
Лечу лечить WWWашу покалеченную технику.


Вернуться наверх
 
Не в сети
 Заголовок сообщения: Re: Часы (и не только) на светодиодах
СообщениеДобавлено: Вт фев 22, 2011 11:35:14 
Опытный кот
Аватар пользователя

Карма: 3
Рейтинг сообщений: 13
Зарегистрирован: Сб фев 27, 2010 21:45:37
Сообщений: 785
Откуда: Ростов-на-Дону
Рейтинг сообщения: 0
Осциллограф есть? Я бы посмотрел, что там у 595-й на входах, на выходах.
А может индикаторы с общим катодом попались. Или им питания не хватает (если последовательно три светодиода в сегменте, падение около 6 вольт, пяти не хватит).
Что там в пике зашито, работает ли

_________________
Сделать хотел грозу, а получил КоЗу


Вернуться наверх
 
Эиком - электронные компоненты и радиодетали
Не в сети
 Заголовок сообщения: Re: Часы (и не только) на светодиодах
СообщениеДобавлено: Ср фев 23, 2011 10:25:22 
Друг Кота
Аватар пользователя

Карма: 52
Рейтинг сообщений: 846
Зарегистрирован: Вт сен 07, 2010 03:01:06
Сообщений: 16545
Откуда: Moscow-Izmaylovo
Рейтинг сообщения: 0
Coolish писал(а):
Осциллограф с1-101 есть?
сомамо собой
Coolish писал(а):
там у 595-й на входах, на выходах.
Глянем
Coolish писал(а):
может индикаторы с общим катодом попались
Специально подбирал с ОА
Coolish писал(а):
Или им питания не хватает
номальное оно для них, у меня бегущая строка даже при 3х вольтях работает, стандарный 1 светодиод на один сегмент восьмёрки.
Coolish писал(а):
Что там в пике зашито
Не знаю, учитывая что в проте полная билеберда.

Всё исправное.
595 сняты с иного дэвайса ля проверки
PIC тоже проверен на ином устройстве.
на индикаторах ели заметные нули и все мерцают.

_________________
Лечу лечить WWWашу покалеченную технику.


Вернуться наверх
 
Не в сети
 Заголовок сообщения: Re: Часы (и не только) на светодиодах
СообщениеДобавлено: Чт фев 24, 2011 20:39:45 
Опытный кот
Аватар пользователя

Карма: 3
Рейтинг сообщений: 13
Зарегистрирован: Сб фев 27, 2010 21:45:37
Сообщений: 785
Откуда: Ростов-на-Дону
Рейтинг сообщения: 0
m.ix писал(а):
на индикаторах ели заметные нули и все мерцают.


Это что ли получается, частота включения анодных ключей низкая, или открываются не полностью. А если принудительно на базу какого-нибудь ключа подать ещё землю через 1К, чтоб он был всё время открыт, станет ли разряд ярче светить? К сожалению, с Пиками не работал, их стандартных подводных камней не знаю. Странно, если прошивка заведомо рабочая и не пашет, схема то простая совсем.
У меня на протеусе 7.7 их приложенный проект заработал

_________________
Сделать хотел грозу, а получил КоЗу


Вернуться наверх
 
Не в сети
 Заголовок сообщения: Re: Часы (и не только) на светодиодах
СообщениеДобавлено: Пт фев 25, 2011 03:09:38 
Друг Кота
Аватар пользователя

Карма: 52
Рейтинг сообщений: 846
Зарегистрирован: Вт сен 07, 2010 03:01:06
Сообщений: 16545
Откуда: Moscow-Izmaylovo
Рейтинг сообщения: 0
извиняюсь за некоторую не достоверность

Добрался снова до сего дэвайса
Стоит 7.7SP2 9089
отображает билеберду мигающую
типа мерцаеет
2.12.24
5.5.21
5.5.1
5.5.9
0.00.00
именно мерцают а не постоянно отображаются
где то с полусекундной частотой

не показаны в схеме ключи, у меня стоят в железе BC32740

уточню, в железе у меня тоже мерцают но все сегменты восьмёрки с точками.
Изображение
пробовал подключит 1кОм и 270Ом на землю, результат ели заметен, но тоже таков, все сегменты высвечиваются


на pic16f628
выхода
положительные импулься около 5мс 30мс от и до другова импульса 4v
на базе размах 0.6v
на коллекторе 0.6v отриц

на 595
размах 4в

длина всей картинки
Изображение
8 клеток каждая по 5мс

_________________
Лечу лечить WWWашу покалеченную технику.


Вернуться наверх
 
Не в сети
 Заголовок сообщения: Re: Часы (и не только) на светодиодах
СообщениеДобавлено: Вс фев 27, 2011 20:41:54 
Опытный кот
Аватар пользователя

Карма: 3
Рейтинг сообщений: 13
Зарегистрирован: Сб фев 27, 2010 21:45:37
Сообщений: 785
Откуда: Ростов-на-Дону
Рейтинг сообщения: 0
Подозрение на неправильно работающую прошивку. Что на выходах 595 регистра, все нули или меандр? Если все нули, получается это и есть полная яркость? Не присутствующие ключи, я так понял, по катодам как повторители стоят?
С какого входа осциллограмма снята?

В протеусе оно выглядит не ахти как и помаргивает, но показывает нули а не восьмёрки, и реагирует на кнопки.

_________________
Сделать хотел грозу, а получил КоЗу


Вернуться наверх
 
Не в сети
 Заголовок сообщения: Re: Часы (и не только) на светодиодах
СообщениеДобавлено: Вс фев 27, 2011 22:02:42 
Друг Кота
Аватар пользователя

Карма: 52
Рейтинг сообщений: 846
Зарегистрирован: Вт сен 07, 2010 03:01:06
Сообщений: 16545
Откуда: Moscow-Izmaylovo
Рейтинг сообщения: 0
Coolish писал(а):
Подозрение на неправильно работающую прошивку.
Вот и я про то.
Ведь там не нужно ни каких Фьюзов выставлять как в AVR
Может прошивка под протеус а не под реальное железо?
Coolish писал(а):
Что на выходах 595 регистра, все нули или меандр?
На всех то же что и на картинке ранее было приложено.
Coolish писал(а):
Не присутствующие ключи, я так понял,
Да верно, в протеусе их не видно.
Пробовал индикаторы подключать без ключей и с ОК и с ОА, толку ни какого.
Coolish писал(а):
С какого входа осциллограмма снята?
Описанные осцилки были с выходов PIC (словесно) и 595 (в картинках).
Coolish писал(а):
В протеусе оно выглядит не ахти как и помаргивает,
СОвершенно верно помаргивает.
Coolish писал(а):
но показывает нули а не восьмёрки, и реагирует на кнопки.
и это правильно, а так же не индицируются три светодиода.

но вот в железе полное не работающее состояние.

Там в проте к чему то было написано
Цитата:
устанавливаемые значения


Много ли тут в схеме и проте отличий?

_________________
Лечу лечить WWWашу покалеченную технику.


Вернуться наверх
 
Не в сети
 Заголовок сообщения: Re: Часы (и не только) на светодиодах
СообщениеДобавлено: Сб мар 05, 2011 06:43:28 
Друг Кота
Аватар пользователя

Карма: 52
Рейтинг сообщений: 846
Зарегистрирован: Вт сен 07, 2010 03:01:06
Сообщений: 16545
Откуда: Moscow-Izmaylovo
Рейтинг сообщения: 0
У меня пока что горбыли, хотя есть некоторые подвижки читая сцыллы.
Прошивка там что то делает и типа как то видно что что то там тикае.
Пока читаю чаво там автор творит не на программном а в железном уровне



off
Вот такие светодиодные часики :)))
http://nnm.ru/blogs/vovan58/plotoyadnye_chasy/

_________________
Лечу лечить WWWашу покалеченную технику.


Вернуться наверх
 
Не в сети
 Заголовок сообщения: Re: Часы (и не только) на светодиодах
СообщениеДобавлено: Сб мар 19, 2011 03:42:40 
Мудрый кот
Аватар пользователя

Карма: 25
Рейтинг сообщений: 79
Зарегистрирован: Вт окт 05, 2010 01:08:57
Сообщений: 1800
Рейтинг сообщения: 0
Уже хвалился, но хоцца ещё.


Изображение

Изображение

Изображение


Вложения:
4114cdf47e7c.jpg [17.83 KiB]
Скачиваний: 4205
86764cd4a71a.jpg [36.68 KiB]
Скачиваний: 4456
fce8a2a8e796.jpg [33.44 KiB]
Скачиваний: 4311

_________________
KIT
Вернуться наверх
 
Не в сети
 Заголовок сообщения: Re: Часы (и не только) на светодиодах
СообщениеДобавлено: Сб мар 19, 2011 04:00:04 
Друг Кота
Аватар пользователя

Карма: 52
Рейтинг сообщений: 846
Зарегистрирован: Вт сен 07, 2010 03:01:06
Сообщений: 16545
Откуда: Moscow-Izmaylovo
Рейтинг сообщения: 0
Под стать часам и квартиру соответствующую нужно иметь :)))

Как гОваривают
Большое видится на расстоянии.

_________________
Лечу лечить WWWашу покалеченную технику.


Вернуться наверх
 
Не в сети
 Заголовок сообщения: Re: Часы (и не только) на светодиодах
СообщениеДобавлено: Сб мар 19, 2011 08:42:29 
Сверлит текстолит когтями
Аватар пользователя

Карма: 5
Рейтинг сообщений: 10
Зарегистрирован: Сб апр 03, 2010 08:57:35
Сообщений: 1138
Рейтинг сообщения: 0
Круть, наверно дома на тумбочке в спальне стоят ))))
Сколько на светодиоды потратили?

_________________
Изображение
Ты думаешь ты думал как ты думаешь? (с)


Вернуться наверх
 
Не в сети
 Заголовок сообщения: Re: Часы (и не только) на светодиодах
СообщениеДобавлено: Сб мар 19, 2011 09:47:33 
Нашел транзистор. Понюхал.
Аватар пользователя

Зарегистрирован: Чт янв 07, 2010 12:09:50
Сообщений: 184
Откуда: Москва
Рейтинг сообщения: 0
Modest писал(а):
Круть, наверно дома на тумбочке в спальне стоят ))))
Сколько на светодиоды потратили?


по первому снимку мона сосчитать все диоды 8) потом умножить на цену...в Ваших магазах...

_________________
главное при ударе током не промахнуться...
если не знаешь ответа, то лучше промолчи!!!


Вернуться наверх
 
Не в сети
 Заголовок сообщения: Re: Часы (и не только) на светодиодах
СообщениеДобавлено: Сб мар 19, 2011 11:27:02 
Мудрый кот
Аватар пользователя

Карма: 25
Рейтинг сообщений: 79
Зарегистрирован: Вт окт 05, 2010 01:08:57
Сообщений: 1800
Рейтинг сообщения: 0
Это уличные часы.
светодиодов - 900шт. покупались оптом год назад на политексе по 6 центов. Сейчас цены упали и можно купить такие по 4 цента.
Светики в часах стоят - GLN5313UEC-50-TL 4000мкд. Статика. Светят "шо дурные", на прямом солнце отлично видно. Не зря я со статикой заморачивался.

Вот еще фотки

Изображение

Изображение

Изображение

Изображение


Вложения:
1dd835b2080f.jpg [132.92 KiB]
Скачиваний: 4411
img_8929.jpg [38.85 KiB]
Скачиваний: 4199
img_9025.jpg [49.98 KiB]
Скачиваний: 4515
_____________8717539.jpg [71.9 KiB]
Скачиваний: 4054

_________________
KIT
Вернуться наверх
 
Не в сети
 Заголовок сообщения: Re: Часы (и не только) на светодиодах
СообщениеДобавлено: Сб мар 19, 2011 13:37:40 
Опытный кот
Аватар пользователя

Карма: 3
Рейтинг сообщений: 13
Зарегистрирован: Сб фев 27, 2010 21:45:37
Сообщений: 785
Откуда: Ростов-на-Дону
Рейтинг сообщения: 0
O-LED, круто! схему управления можно увидеть? 10 диодов соединяются последовательно и подключаются к питанию ~+24В через резистор, а коммутируются транзисторными сборками?

А ночью/вечером как оно, регулятор яркости имеется? Или для улицы сделано просто всегда по максимуму?

_________________
Сделать хотел грозу, а получил КоЗу


Вернуться наверх
 
Не в сети
 Заголовок сообщения: Re: Часы (и не только) на светодиодах
СообщениеДобавлено: Сб мар 19, 2011 19:03:04 
Мудрый кот
Аватар пользователя

Карма: 25
Рейтинг сообщений: 79
Зарегистрирован: Вт окт 05, 2010 01:08:57
Сообщений: 1800
Рейтинг сообщения: 0
Coolish писал(а):
O-LED, круто! схему управления можно увидеть? 10 диодов соединяются последовательно и подключаются к питанию ~+24В через резистор, а коммутируются транзисторными сборками?

А ночью/вечером как оно, регулятор яркости имеется? Или для улицы сделано просто всегда по максимуму?


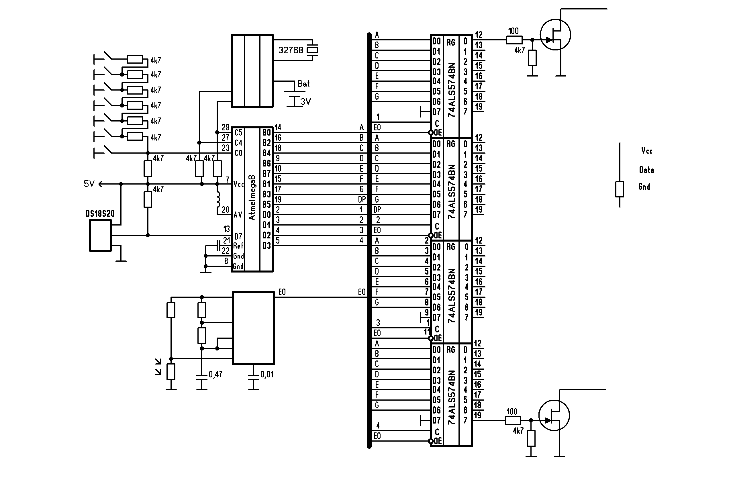
светодиоды соеденены по 5 шт, и подключены к +12вольт. питаются часы от "маленького" компьютерного БП.
Регулятор яркости имеется. Датчик - фоторезистор.

схема основана на часах форумчанина DANKO viewtopic.php?f=20&t=21235 и доработана для статического управления большими индикаторами. статика из динамики получена с помощью регистров 74als574

схема(недорисована) download/file.php?id=61001


Вложения:
принцпиальная схема.GIF [59.38 KiB]
Скачиваний: 1227

_________________
KIT
Вернуться наверх
 
Не в сети
 Заголовок сообщения: Re: Часы (и не только) на светодиодах
СообщениеДобавлено: Вс мар 20, 2011 01:12:22 
Друг Кота
Аватар пользователя

Карма: 52
Рейтинг сообщений: 846
Зарегистрирован: Вт сен 07, 2010 03:01:06
Сообщений: 16545
Откуда: Moscow-Izmaylovo
Рейтинг сообщения: 0
И кто же дал станок с ЧПУ?

_________________
Лечу лечить WWWашу покалеченную технику.


Вернуться наверх
 
Не в сети
 Заголовок сообщения: Re: Часы (и не только) на светодиодах
СообщениеДобавлено: Вс мар 20, 2011 01:53:49 
Друг Кота
Аватар пользователя

Карма: 52
Рейтинг сообщений: 846
Зарегистрирован: Вт сен 07, 2010 03:01:06
Сообщений: 16545
Откуда: Moscow-Izmaylovo
Рейтинг сообщения: 0
Ещё один проект нашёл
http://s-o.webnode.cz/budik/
Часы будильник
возможно и таймер на обратный отсчёт - басурманский не понимаю.
отображают ЧЧ.ММ.СС
по схеме видно что есть
1 батарейка на случай отключения электричества - не отображается индикация
2 включение внешних устройств
3 своего рода регулятор индикации

http://files.s-o.webnode.cz/200000301-2 ... udik17.jpg внешний разобранный вид

_________________
Лечу лечить WWWашу покалеченную технику.


Вернуться наверх
 
Не в сети
 Заголовок сообщения: Re: Часы (и не только) на светодиодах
СообщениеДобавлено: Пн мар 21, 2011 11:46:50 
Мудрый кот
Аватар пользователя

Карма: 25
Рейтинг сообщений: 79
Зарегистрирован: Вт окт 05, 2010 01:08:57
Сообщений: 1800
Рейтинг сообщения: 0
Цитата:
И кто же дал станок с ЧПУ?
зачем ЧПУ? Берем мозг, автокад, и лазерную резку, и у вас куча идеально ровных отверстий :)

_________________
KIT


Вернуться наверх
 
Показать сообщения за:  Сортировать по:  Вернуться наверх
Начать новую тему Ответить на тему  [ Сообщений: 417 ]    , , , 4, , , ...  

Часовой пояс: UTC + 3 часа


Кто сейчас на форуме

Сейчас этот форум просматривают: нет зарегистрированных пользователей и гости: 34


Вы не можете начинать темы
Вы не можете отвечать на сообщения
Вы не можете редактировать свои сообщения
Вы не можете удалять свои сообщения
Вы не можете добавлять вложения

Найти:
Перейти:  


Powered by phpBB © 2000, 2002, 2005, 2007 phpBB Group
Русская поддержка phpBB
Extended by Karma MOD © 2007—2012 m157y
Extended by Topic Tags MOD © 2012 m157y