Например TDA7294

Форум РадиоКот • Просмотр темы - Эмулятор ключей домофонов "Цифрал" и "Метаком".
Форум РадиоКот
Здесь можно немножко помяукать :)

Текущее время: Пн янв 05, 2026 06:21:27

Часовой пояс: UTC + 3 часа


ПРЯМО СЕЙЧАС:



Начать новую тему Ответить на тему  [ Сообщений: 471 ]     ... , , , 8, , , ...  
Автор Сообщение
Не в сети
 Заголовок сообщения: Re: Эмулятор ключей домофонов "Цифрал" и "Метаком".
СообщениеДобавлено: Пн май 30, 2011 19:21:28 
Грызет канифоль
Аватар пользователя

Карма: 11
Рейтинг сообщений: 36
Зарегистрирован: Пн дек 15, 2008 19:28:38
Сообщений: 262
Откуда: Омск
Рейтинг сообщения: 0
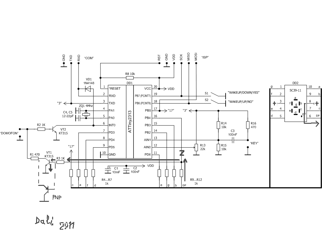
Да, действительно горит точка. В спящем режиме. В полнакала. Причина в следующем. Для экономии электричества в стране, в спящем режиме, бит 4 порта B переводится в Z-состояние. Предполагалось, что транзистор VT1 будет закрыт и, также, не будет гореть сегмент DP. Но, ток знает, куда ему течь. Пояснение на рисунке. В итоге. Транзистор надо заменить на PNP. Прошивка прилагается.


Вложения:
Эмулятор.png [25.71 KiB]
Скачиваний: 1414
emulator_anod.rar [2.69 KiB]
Скачиваний: 606


Последний раз редактировалось iplogger Вт май 31, 2011 04:35:26, всего редактировалось 2 раз(а).
Вернуться наверх
 
Не в сети
 Заголовок сообщения: Re: Эмулятор ключей домофонов "Цифрал" и "Метаком".
СообщениеДобавлено: Пн май 30, 2011 19:34:38 
Первый раз сказал Мяу!
Аватар пользователя

Зарегистрирован: Пн мар 14, 2011 10:20:53
Сообщений: 34
Рейтинг сообщения: 0
хорошо, переделаю и проверю работу.
а еще вопрос- я так понимаю, что ЕЕРROM заполнена ключами? или я ошибаюсь?


Вернуться наверх
 
Не в сети
 Заголовок сообщения: Re: Эмулятор ключей домофонов "Цифрал" и "Метаком".
СообщениеДобавлено: Пн май 30, 2011 19:38:18 
Грызет канифоль
Аватар пользователя

Карма: 11
Рейтинг сообщений: 36
Зарегистрирован: Пн дек 15, 2008 19:28:38
Сообщений: 262
Откуда: Омск
Рейтинг сообщения: 0
EEPROM заполняется ключами пользователем по мере добавления


Вернуться наверх
 
Не в сети
 Заголовок сообщения: Re: Эмулятор ключей домофонов "Цифрал" и "Метаком".
СообщениеДобавлено: Пн май 30, 2011 19:48:57 
Первый раз сказал Мяу!
Аватар пользователя

Зарегистрирован: Пн мар 14, 2011 10:20:53
Сообщений: 34
Рейтинг сообщения: 0
iplogger писал(а):
EEPROM заполняется ключами пользователем по мере добавления


я два раза прошивал. начало работать во второй раз. и во второй раз ввел два раза ключ под 1 и 5 номером. коды разные. дверь открылась от пятого номера. странно. коды должны быть одинаковые. ключ то один. а чего так ?


Вернуться наверх
 
Эиком - электронные компоненты и радиодетали
Не в сети
 Заголовок сообщения: Re: Эмулятор ключей домофонов "Цифрал" и "Метаком".
СообщениеДобавлено: Пн май 30, 2011 21:15:54 
Первый раз сказал Мяу!
Аватар пользователя

Зарегистрирован: Пн мар 14, 2011 10:20:53
Сообщений: 34
Рейтинг сообщения: 0
ВСЁ РАБОТАЕТ. СПАСИБО.
новая прошивка и новый транзисторVT1. кт502 поставил.
настройкой практически не занимался. просто перед пайкой R13 выставил среднее его значение и потом впаял.
еще раз большое спасибо.


фузы мои


Вложения:
фузы ключа.JPG [39.14 KiB]
Скачиваний: 1226
Вернуться наверх
 
Не в сети
 Заголовок сообщения: Re: Эмулятор ключей домофонов "Цифрал" и "Метаком".
СообщениеДобавлено: Вт май 31, 2011 04:23:39 
Грызет канифоль
Аватар пользователя

Карма: 11
Рейтинг сообщений: 36
Зарегистрирован: Пн дек 15, 2008 19:28:38
Сообщений: 262
Откуда: Омск
Рейтинг сообщения: 0
Пожалуйста. Насчет ключей 1 - 5. Можно прочесть EEPROM программатором или через COM-порт, чтобы проверить, действительно-ли код ключа одинаково прочитался и сохранился (в разных номерах). А настройка так и задумывалась, чтобы это мог сделать любой, даже начинающий.


Вернуться наверх
 
Не в сети
 Заголовок сообщения: Re: Эмулятор ключей домофонов "Цифрал" и "Метаком".
СообщениеДобавлено: Вт май 31, 2011 08:57:56 
Первый раз сказал Мяу!
Аватар пользователя

Зарегистрирован: Пн мар 14, 2011 10:20:53
Сообщений: 34
Рейтинг сообщения: 0
iplogger писал(а):
Пожалуйста.



а еще вопрос. как этот девайс усовершенствовать, чтобы он мог клонировать ключи на болванки? ведь такая крутая штучка большинству не нужна. или может как-то упростить до безобразия, чтобы был на один ключ, без кнопок, разъема на СОМ, считывателя и индикатора. и по цене деталей наименьше? какая нибудь мелкокалиберная тинька и батарейка 3 вольтовая плюс минимум обвязки. незабывайте пожалуйста, что мы в основном люди в машинном коде "0"


Вернуться наверх
 
Не в сети
 Заголовок сообщения: Re: Эмулятор ключей домофонов "Цифрал" и "Метаком".
СообщениеДобавлено: Вт май 31, 2011 18:27:13 
Грызет канифоль
Аватар пользователя

Карма: 11
Рейтинг сообщений: 36
Зарегистрирован: Пн дек 15, 2008 19:28:38
Сообщений: 262
Откуда: Омск
Рейтинг сообщения: 0
kombat писал(а):
а еще вопрос. как этот девайс усовершенствовать..."
О-о-о, это большая отдельная тема... Копирование ключей на так называемые "болванки" - большой вопрос. Протоколы записи закрыты наглухо, хотя и есть попытки раскрыть протокол. Здесь затронут бизнес по копированию ключей. А где бизнес - там простым людям делать нечего ... Упростить до "безобразия" можно. Но себестоимость устройстваа все равно будет выше, нежели сделать дубликат в ближайшем ларьке по копированию ключей. Овчинка выделки не стоит. Данный проект - для людей, интересующихся электроникой. Точка. Делаем девайс, полезный себе и своим близким. Не более.


Вернуться наверх
 
Не в сети
 Заголовок сообщения: Re: Эмулятор ключей домофонов "Цифрал" и "Метаком".
СообщениеДобавлено: Вт май 31, 2011 18:36:08 
Первый раз сказал Мяу!
Аватар пользователя

Зарегистрирован: Пн мар 14, 2011 10:20:53
Сообщений: 34
Рейтинг сообщения: 0
iplogger писал(а):
kombat писал(а):
а еще вопрос. как этот девайс усовершенствовать..."
... Упростить до "безобразия" можно. Но себестоимость устройстваа все равно будет выше. Делаем девайс, полезный себе и своим близким. Не более.



ну и ладно.


Вернуться наверх
 
Не в сети
 Заголовок сообщения: Re: Эмулятор ключей домофонов "Цифрал" и "Метаком".
СообщениеДобавлено: Вт июн 07, 2011 02:34:48 
Родился

Зарегистрирован: Пт апр 01, 2011 00:00:32
Сообщений: 4
Рейтинг сообщения: 0
Автору спасибо , завёлся с пол-пинка, но через 2 месяца сдох один елемент батареи (по моей неосторожности) , и задалбало что просывается от любой статики, разобрал - поставил последовательно конденсатор R2 и домофон перестал реагировать на брелок. Делал подтяжку колектора VT1 на корпус/питание эфекта 0 (Задолбался бегать к домофону))). Хоть автор и писал в статье что VT2 не нужен , но ведать в прошивке заложена верификация даных которые идут на контакты домофона. Привожу схему которая просыпается только от домофона/подачи питания на контакты, ну и от паяльника , никакая статика его уже не будет(допустим когда ложишь ключи в джинсы).

Изображение


Вложения:
Комментарий к файлу: Доработка схемы
01.gif [25.06 KiB]
Скачиваний: 12760


Последний раз редактировалось MotoVlad Вт июн 07, 2011 19:44:12, всего редактировалось 1 раз.
Вернуться наверх
 
Не в сети
 Заголовок сообщения: Re: Эмулятор ключей домофонов "Цифрал" и "Метаком".
СообщениеДобавлено: Вт июн 07, 2011 18:02:24 
Грызет канифоль
Аватар пользователя

Карма: 11
Рейтинг сообщений: 36
Зарегистрирован: Пн дек 15, 2008 19:28:38
Сообщений: 262
Откуда: Омск
Рейтинг сообщения: 0
Верификации там никакой нет, ибо она не требуется. Ключ просто непрерывно выдает свой код - и ничего более. При наличии питания домофона транзистор VT2 открывается, на коллекторе появляется низкий уровень. В результате контроллер просыпается по прерыванию INT0. После чего прерывание запрещается до следующей спячки. Если срабатывает от статики, то нужно притянуть базу VT2 к земле через резистор 1 - 5 кОм (на оригинальной схеме).


Вернуться наверх
 
Не в сети
 Заголовок сообщения: Re: Эмулятор ключей домофонов "Цифрал" и "Метаком".
СообщениеДобавлено: Вт июн 14, 2011 18:27:05 
Первый раз сказал Мяу!

Зарегистрирован: Ср мар 23, 2011 13:22:35
Сообщений: 24
Откуда: Kiev
Рейтинг сообщения: 0
Спасибо автору за девайс. Никто не нашел универсальный ключ для открытия цифралов?


Вернуться наверх
 
Не в сети
 Заголовок сообщения: Re: Эмулятор ключей домофонов "Цифрал" и "Метаком".
СообщениеДобавлено: Ср июн 15, 2011 18:00:32 
Первый раз сказал Мяу!

Зарегистрирован: Ср мар 23, 2011 13:22:35
Сообщений: 24
Откуда: Kiev
Рейтинг сообщения: 0
Можно ли вписать ключ через eprom? считал один ключ, и вот что получилось при чтении мк программатором, как понять где тут значения ключа? Подключить к компу не удалось, перерепробовал 2 переходника, без результата, схему собрал с кварцом, посмотрите, фьюзы стоят правильные(uniprof)?
Изображение

И не понятно как внести например ключ 9B0000FFFFFFFF01 , если на скринах программы показан ключ из восьми знаков ?
наконец-то эта железка заработала с компьтером(с дугой атини), но только через гипер терминал, теперь возник вопрос, как эти(9B0000FFFFFFFF01 и пр.) ключи записать, туда же влазит только 8 значений, а эти ключи состоят из 16 знаков


Вложения:
2ee.JPG [52.04 KiB]
Скачиваний: 3606
Вернуться наверх
 
Не в сети
 Заголовок сообщения: Re: Эмулятор ключей домофонов "Цифрал" и "Метаком".
СообщениеДобавлено: Чт июн 16, 2011 05:06:36 
Грызет канифоль
Аватар пользователя

Карма: 11
Рейтинг сообщений: 36
Зарегистрирован: Пн дек 15, 2008 19:28:38
Сообщений: 262
Откуда: Омск
Рейтинг сообщения: 0
Вписать можно. Ячейки EEPROM с адресами 0,1,2,3 - служебные, 4,5,6,7 - ключ №0, 8,9,10,11 - ключ №1 и т.д. Вы записали ключ с №2 с кодом DB7D7E7D (CYFRAL). Связи с компьютером нет скорее всего из-за неправильно выставленных фьюзов. Ключ 9B0000FFFFFFFF01 в формате DALLAS и данным эмулятором не поддерживается. Почитайте этот форум внимательнее.


Вернуться наверх
 
Не в сети
 Заголовок сообщения: Re: Эмулятор ключей домофонов "Цифрал" и "Метаком".
СообщениеДобавлено: Чт июн 16, 2011 18:11:53 
Это не хвост, это антенна
Аватар пользователя

Карма: 23
Рейтинг сообщений: 417
Зарегистрирован: Пт фев 05, 2010 03:48:21
Сообщений: 1453
Откуда: 056.RU
Рейтинг сообщения: 0
iplogger Обьясните пожалуйста чайнику, имеются в наличии:
ATTINY2313-20PU
ATTINY2313-20SU
ATTINY2313V-10PU
ATTINY2313V-10SI
ATTINY2313V-10SU
Какие лучше применить в данном эмуляторе?
С ATtiny никогда не занимался поэтому эти вопросы.
Можно их перепрошивать если были уже прошиты?
И по просьбе трудящихся, многие у меня на работе хотят повторить эмулятор
выложите пожалуйста как в исходнике в комплексе:
1. Схему с внешним кварцем и с индикатором с общим анодом (с общим катодом у нас городе найти невозможно
нашлись только FUS-3912, с общим анодом такого размера и цоколевкой).
2. Прошивку под эту схему.
3. Как выставить фьюзы (PONY PROG) под эту схему.

А то в теме всё разбросано, народ боится ошибиться.!

_________________
Кошка случайно подсказала!


Последний раз редактировалось reviver Чт июн 16, 2011 22:34:16, всего редактировалось 1 раз.

Вернуться наверх
 
Не в сети
 Заголовок сообщения: Re: Эмулятор ключей домофонов "Цифрал" и "Метаком".
СообщениеДобавлено: Чт июн 16, 2011 22:33:17 
Первый раз сказал Мяу!
Аватар пользователя

Зарегистрирован: Пн мар 14, 2011 10:20:53
Сообщений: 34
Рейтинг сообщения: 0
reviver писал(а):
iplogger Обьясните пожалуйста чайнику, имеются в наличии:
ATTINY2313-20PU


выложите пожалуйста в комплексе:...
Извините пожалуйста за бестолковость!


Да позволит мне уважаемый iplogger , как повторившему в железе эмулятор с индикатором с общим анодом, наставить на путь истинный заблудших в океане непонятностей.
ИТАК, НАЧНЕМ :P
ATTINY2313-20PU или аналог ATTINY2313А-PU можно применить. Перепрошивать пробуй.
Схема download/file.php?id=68474
Прошивка download/file.php?id=68471
Фузы download/file.php?id=68491 для PONY PROG
Моя плата с общим катодом download/file.php?id=67882 . Для общего анода нужно на плате перерезать дорожку в одном месте (там где 3 и 8 ноги индикатора соединяются с землей) и поставил перемычку от этих ног до плюса батарейки.
Общий вид download/file.php?id=68306

И еще, на рисунке нарисовано движение тока от плюса(3 и 8 ноги индикатора), через сегмент точки индикатора, через резистор R12, потом через резистор R3, базу-эмиттер VT1 и на минус . Только и всего.


Вернуться наверх
 
Не в сети
 Заголовок сообщения: Re: Эмулятор ключей домофонов "Цифрал" и "Метаком".
СообщениеДобавлено: Чт июн 16, 2011 22:47:31 
Это не хвост, это антенна
Аватар пользователя

Карма: 23
Рейтинг сообщений: 417
Зарегистрирован: Пт фев 05, 2010 03:48:21
Сообщений: 1453
Откуда: 056.RU
Рейтинг сообщения: 0
kombat БОЛЬШОЕ СПАСИБО!!! Сбили с толку стрелки направления тока, сейчас всё понятно.
Спасибо за фьюзы. Буду пробовать, о результатах отпишусь как испытаю.
Ещё раз Спасибо!

_________________
Кошка случайно подсказала!


Вернуться наверх
 
Не в сети
 Заголовок сообщения: Re: Эмулятор ключей домофонов "Цифрал" и "Метаком".
СообщениеДобавлено: Чт июн 16, 2011 22:56:52 
Первый раз сказал Мяу!
Аватар пользователя

Зарегистрирован: Пн мар 14, 2011 10:20:53
Сообщений: 34
Рейтинг сообщения: 0
reviver писал(а):
kombat БОЛЬШОЕ СПАСИБО!!! ...
Ещё раз Спасибо!


Дерзай, на то и радиоЛЮБИТЕЛЬСТВО. Делаем с любовью для души в свое удовольствие.


Вернуться наверх
 
Не в сети
 Заголовок сообщения: Re: Эмулятор ключей домофонов "Цифрал" и "Метаком".
СообщениеДобавлено: Пт июн 17, 2011 19:45:30 
Это не хвост, это антенна
Аватар пользователя

Карма: 23
Рейтинг сообщений: 417
Зарегистрирован: Пт фев 05, 2010 03:48:21
Сообщений: 1453
Откуда: 056.RU
Рейтинг сообщения: 0
Переделал печатную плату предложенную kombat под индикатор с общим анодом, но с другим расположением выводов.
Индикатор типа HDSP-F201 общие аноды - выводы 1 и 6.
Платы обычно делаю утюгово-лазерным способом, а перемычки рисую (фломастером для печатных плат) со стороны деталей.

_________________
Кошка случайно подсказала!


Последний раз редактировалось reviver Сб июн 18, 2011 19:15:54, всего редактировалось 1 раз.

Вернуться наверх
 
Не в сети
 Заголовок сообщения: Re: Эмулятор ключей домофонов "Цифрал" и "Метаком".
СообщениеДобавлено: Пт июн 17, 2011 21:15:32 
Это не хвост, это антенна
Аватар пользователя

Карма: 23
Рейтинг сообщений: 417
Зарегистрирован: Пт фев 05, 2010 03:48:21
Сообщений: 1453
Откуда: 056.RU
Рейтинг сообщения: 0
iplogger
ATTINY2313-20PU или аналог ATTINY2313А-PU можно применить.
А остальные? Интересует ATTINY2313-20SU.

_________________
Кошка случайно подсказала!


Вернуться наверх
 
Показать сообщения за:  Сортировать по:  Вернуться наверх
Начать новую тему Ответить на тему  [ Сообщений: 471 ]     ... , , , 8, , , ...  

Часовой пояс: UTC + 3 часа


Кто сейчас на форуме

Сейчас этот форум просматривают: нет зарегистрированных пользователей и гости: 28


Вы не можете начинать темы
Вы не можете отвечать на сообщения
Вы не можете редактировать свои сообщения
Вы не можете удалять свои сообщения
Вы не можете добавлять вложения

Найти:
Перейти:  
cron


Powered by phpBB © 2000, 2002, 2005, 2007 phpBB Group
Русская поддержка phpBB
Extended by Karma MOD © 2007—2012 m157y
Extended by Topic Tags MOD © 2012 m157y