Регулятор мощности магнетрона
Регулятор мощности магнетрона
Здравствуйте! Меня не устраивает схема управления мощностью магнетрона.
Есть анодная линия (наверху) и есть линия питания соленоида (внизу).
Увеличение анодного тока магнетрона осуществляется путем уменьшения магнитного поля соленоида ( существует обратная зависимость). Так как в сети напряжение не стабильно то и сильно гуляет мощность магнетрона. Напряжение анодной цепи постоянно 13 кВ ток анода регулируется от 0 до 5 А, напряжение в цепи соленоида меняется от 220В до 120В ток соответственно от 5А до 2,8 А
В форуме читал тему http://www.radiokot.ru/start/analog/device/01/.
Нельзя ли по аналогии стабилизировать ток магнетрона. В качестве датчика обратной связи использовать шунт показанной на рисунке.
Есть анодная линия (наверху) и есть линия питания соленоида (внизу).
Увеличение анодного тока магнетрона осуществляется путем уменьшения магнитного поля соленоида ( существует обратная зависимость). Так как в сети напряжение не стабильно то и сильно гуляет мощность магнетрона. Напряжение анодной цепи постоянно 13 кВ ток анода регулируется от 0 до 5 А, напряжение в цепи соленоида меняется от 220В до 120В ток соответственно от 5А до 2,8 А
В форуме читал тему http://www.radiokot.ru/start/analog/device/01/.
Нельзя ли по аналогии стабилизировать ток магнетрона. В качестве датчика обратной связи использовать шунт показанной на рисунке.
- Вложения
-
- magnetron.gif
- (8.26 КБ) 764 скачивания
- Реклама
-
JusTalionis
- Родился
- Сообщения: 10
- Зарегистрирован: Вс янв 20, 2008 11:31:56
- Откуда: Россия
В смысле - завести обратную связь с шунта на управление БУСТ? Можно, конечно.
НО.
1. Коэффициент усиления активного элемента (ОУ наверное возьмешь?) должен быть сравнительно небольшим, иначе система может оказаться слишком неустойчивой.
2. Не забывай, что БУСТ управляет тиристором, а после стоит еще выпрямитель с накопительными конденсаторами, и всё это вносит большую задержку реакции, что также добавит неустойчивости. Короче, придется попотеть, чтобы схема поддерживала стабильный уровень, не "дергаясь".
НО.
1. Коэффициент усиления активного элемента (ОУ наверное возьмешь?) должен быть сравнительно небольшим, иначе система может оказаться слишком неустойчивой.
2. Не забывай, что БУСТ управляет тиристором, а после стоит еще выпрямитель с накопительными конденсаторами, и всё это вносит большую задержку реакции, что также добавит неустойчивости. Короче, придется попотеть, чтобы схема поддерживала стабильный уровень, не "дергаясь".
-
JusTalionis
- Родился
- Сообщения: 10
- Зарегистрирован: Вс янв 20, 2008 11:31:56
- Откуда: Россия
220x5А - это киловатт мощности, между прочим. Из которой половина может выделиться на управляющем элементе. Так что простое аналоговое управление, я полагаю, отпадает - иначе придется ставить транзисторы на радиатор с водяным охлаждением
Значит - управление в ключевом режиме, и это вообще-то неслабый огород.
Может быть БУСТ все-таки оставить?
Значит - управление в ключевом режиме, и это вообще-то неслабый огород.
Может быть БУСТ все-таки оставить?
- Реклама
-
JusTalionis
- Родился
- Сообщения: 10
- Зарегистрирован: Вс янв 20, 2008 11:31:56
- Откуда: Россия
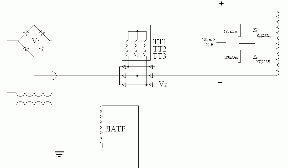
Есть вот такая схема. По этой схеме ток более менее держится. Но иногда уходит приходится корректировать. ТТ1-ТТ3 ториадальные трансформаторы перед силовым трансформатором.
Есть еще схема Таллиннского завода ESTEL 1990 года разработки. Это схема идеально держит все параметры, но оно очень громоздкая с трансформаторами тока.
Уже 18 лет прошло думал может более современные простые устройства.
Есть еще схема Таллиннского завода ESTEL 1990 года разработки. Это схема идеально держит все параметры, но оно очень громоздкая с трансформаторами тока.
Уже 18 лет прошло думал может более современные простые устройства.
- Вложения
-
- 001.gif
- (7.55 КБ) 774 скачивания
- Дмитрий М
- Друг Кота
- Сообщения: 6622
- Зарегистрирован: Чт дек 29, 2005 00:18:30
- Откуда: Москва
- Контактная информация:
Что-то в таком духе для науки делал много лет назад. Для лампы ГУ-10, тоже на 15 КВ. Тут проще снять с шунта напряжение, усилить и через оптронную резистивную оптопару управлять резистором-задатчиком БУСТа. Управление трёхфазным выпрямителем дело непростое из-за необходимости фазирования, трёх датчиков перехода через "0" и тому подобного...
Ничто так не укрепляет взаимное доверие, как 100% предоплата! Дмитрий, ex-RK3AOR.
-
JusTalionis
- Родился
- Сообщения: 10
- Зарегистрирован: Вс янв 20, 2008 11:31:56
- Откуда: Россия


