![]() |
![]() |
|||||||||||||||
Паяльник-ручка на картриджах T12
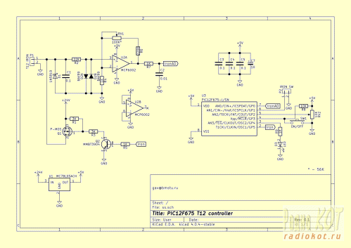
Автор: alex_grach, gav@bmstu.ru Приветствую всех любителей молока и валерьянки! Достаточно давно посещала меня мысль сделать максимально простой цифровой контроллер для паяльника. Что-то из разряда кнопка+крутилка. Правда, поскольку все порядочные коты изрядно ленивы, купленный в далеком 2008 году второй паяльник Solomon SL-NI, так и не обрел пристанища в домашней паяльной станции, в отличие от своего коллеги, который верой и правдой служит по сей день на работе. Надо отметить, что инструменты для припаивания всякой-разной электронной невидали стали разнообразны и очень интересны. Особую популярность у радиокотов заслужили станции на жалах-картриджах Hakko T12. Поработав хоть раз, лапы сами так и тянутся к данному произведению инженерной мысли! Безусловно, можно просто купить нечто подобное, но будет не совсем то, что хотелось... Или совсем не то... Так что, как говорится, глаза боятся, а лапы делают! Схема максимально проста, насколько это было возможно. В качестве контроллера выбран pic12f675. Предусмотрена замена на более новый pic12f1822. Силовая часть собрана на P-канальном транзисторе, измерительная на ОУ mcp6002. Изначально планировалось поставить mcp6001, но они еще не приехали. Для подстройки коэффициента усиления служит RV1. В тестовом экземпляре устройства он был заменен резистором 56 кОм. Для задания температуры используется RV2. Включение/выключения производится кнопкой SW1 (ON/OFF). Так же можно задействовать геркон, подключив его к P2 (IRON SW). Стабилизатор напряжения линейный 78L05, как показала практика, при номинале резистора R9 в 1 кОм, температура его остается в районе комнатной. Индикация работы выполнена посредством светодиода D3:
В прошивке предусмотрен плавный разогрев холодного паяльника. Для предотвращения случайного зависания задействован сторожевой таймер. Прошивка очень простая, возможно в будущем будут добавлены дополнительные функции, типа 3-4 профилей температуры или управления двумя кнопками... Так же планируется портирование на attiny13 и stm8s001, как появится. Пожалуй, первая часть работы над проектом была самой простой. Схема и прошивка появились всего за день. Самое сложно было впереди! Надо было уместить все это безобразие в корпус ручки паяльника! В качестве основы были выбраны готовые решения от наших китайский товарищей. Выпускаются в трех цветах, довольно качественны и дешевы. Решение данной задачи в свои лапы взял кудесник 3D-моделирования, покоритель графических редакторов, гуру визуализации, blackwolf2000, за что ему выражается огромная благодарность! Разводкой и изготовлением печатной платы занимался именно он. В итоге всех манипуляций был собран первый и пока единственный рабочий прототип устройства, на котором проводились всяческие опыты и бесчеловечные эксперименты. В результате были доработаны схема, прошивка и печатные платы, ну и утилизирован один контроллер, куда ж без этого... Первое включение после сборки следует производить без картриджа, RV1 выкрутить в максимум, на RV2 установить в среднее положение. После подачи питания, светодиод не светится, проверяем, что на контактах подключения Т12 напряжение отсутствует. Далее, зажимаем кнопку включения. Светодиод должен загореться. Если все правильно, отключаем паяльник, устанавливаем нагреватель, подаем питание. Проверяем, что все выключено, нагреватель холодный. Зажимает кнопку включения, светодиод должен замигать, что свидетельствует о начале нагрева жала. По достижению заданной температуры светодиод будет просто светиться. Если этого не произошло в течение 10-15 секунд, следует незамедлительно отключить питание и все перепроверить. В случае корректной работы устройства, по внешней термопаре выставить температуру на жале 200-230 градусов подстраивая RV1 (в принципе, можно этого и не делать). Паяльник позволяет комфортно работать при напряжении питания от 12 до 24 вольт, так что вполне можно воспользоваться для запитывания блоком питания от ноутбука, или попаять в аккумулятора автомобиля. Платы двухсторонние, клеммы для подключения Т12 от разъема серии PHU. В заключение немного картинок:
Файлы: Все вопросы в Форум.
Эти статьи вам тоже могут пригодиться: |
|
|||||||||||||||
![]() |
![]() |


![]() |
||||
|
|
||||
















