Например TDA7294

Форум РадиоКот • Просмотр темы - Широтно-импульсная модуляция
Форум РадиоКот
Здесь можно немножко помяукать :)

Текущее время: Вт мар 17, 2026 12:28:28

Часовой пояс: UTC + 3 часа


ПРЯМО СЕЙЧАС:



Начать новую тему Ответить на тему  [ Сообщений: 19 ] 
Автор Сообщение
 Заголовок сообщения: Широтно-импульсная модуляция
СообщениеДобавлено: Пт мар 04, 2022 17:53:49 
Родился

Зарегистрирован: Чт июл 01, 2021 17:53:21
Сообщений: 7
Рейтинг сообщения: 0
Здравствуйте. Не могли бы Вы помочь советом? Мне нужно из сигнала типа Меандр сформировать Пилу для ШИМ (рис 1). Сложность состоит в том, что частота Меандра может изменяться от 66кГц до 120кГц, поэтому классическая схема ШИМ на RC-цепочке мне не подходит (рис 2)). Так как амплитуда Пилы должна быть равной 5В и не зависящей от частоты Меандра. Не подскажите, как решить эту проблему?

У меня была идея преобразовать Пилу в напряжение через «Преобразователь Частота-Напряжение» и с помощью него шунтировать токозадающий резистор микросхемы ШИМ (UC3825 рис 3), но в этом случае форма пилы будет иметь все «зубья», а мне нужно чтобы они шли через один. Спасибо.
Вложение:
1pic.png [184.08 KiB]
Скачиваний: 261

Вложение:
2p.png [63.38 KiB]
Скачиваний: 230

Вложение:
3p.png [81.55 KiB]
Скачиваний: 225


Вернуться наверх
 
 Заголовок сообщения: Re: Широтно-импульсная модуляция
СообщениеДобавлено: Пт мар 04, 2022 18:45:10 
Открыл глаза

Зарегистрирован: Чт окт 28, 2021 13:34:45
Сообщений: 41
Рейтинг сообщения: 0
Т.е. это будут просто треугольные импульсы, имеющие ту же частоту, что и меандр, но треугольные? Т.е. нужно менять постоянную времени разрядной цепи в зависимости от частоты входного меандра?
Предлагаю цифровую схему. Генератор с частотой в 16-256 раз больше, чем у меандра, синхронизируется с ним. А затем с помощью делителей и ЦАП формируется нужная пила.


Вернуться наверх
 
 Заголовок сообщения: Re: Широтно-импульсная модуляция
СообщениеДобавлено: Пт мар 04, 2022 19:26:13 
Друг Кота
Аватар пользователя

Карма: 32
Рейтинг сообщений: 969
Зарегистрирован: Пт сен 10, 2021 15:19:36
Сообщений: 6548
Откуда: Протвино
Рейтинг сообщения: 0
как я понял основная задача - замодулировать pwm некие прямоугольные импульсы переменной частоты, так?

я думаю что оптимальо было бы не городить аналоговый колхоз работающий только в определенных условиях.

можно посто измерять(напр по количеству отсчетов достаточно быстрого таймера-счетчика) длительность текущего импульса (или периода, смотря что является базовым) и отсчитывать выходной импульс как Tbasе*PWMfactor.
Tbasе можно вычислять по предыдущему периоду, тогда начала входных и выходных импульсов можно сделать почти синхронными (если это важно).

это задачка для attiny4 ;)


Вернуться наверх
 
 Заголовок сообщения: Re: Широтно-импульсная модуляция
СообщениеДобавлено: Сб мар 05, 2022 04:12:07 
Друг Кота
Аватар пользователя

Карма: 59
Рейтинг сообщений: 2255
Зарегистрирован: Чт янв 26, 2012 16:44:29
Сообщений: 20066
Откуда: Таксимо
Рейтинг сообщения: 0
Ну если допускаеися большое время отклика то можно преобразователь частота напряжение и им кус рулить преобразователя. Настроить характеристику и норм

_________________
Мои поставщики запчастей с отличной репутацией
texnomag.ru
radioremont.com
pl-1.org
4ip.info
elitan.ru


Вернуться наверх
 
Эиком - электронные компоненты и радиодетали
 Заголовок сообщения: Re: Широтно-импульсная модуляция
СообщениеДобавлено: Сб мар 05, 2022 09:19:02 
Родился

Зарегистрирован: Чт июл 01, 2021 17:53:21
Сообщений: 7
Рейтинг сообщения: 0
Спасибо за советы. Буду смотреть в сторону микроконтроллера


Вернуться наверх
 
 Заголовок сообщения: Re: Широтно-импульсная модуляция
СообщениеДобавлено: Сб мар 05, 2022 11:52:28 
Модератор
Аватар пользователя

Карма: 159
Рейтинг сообщений: 4081
Зарегистрирован: Пт янв 23, 2009 19:20:05
Сообщений: 45807
Рейтинг сообщения: 0
Медали: 1
Получил миской по аватаре (1)
...Если вернуться к аналоговым методам, можно покопаться в старых подшивках "Радио", там были схемы октан-корректоров, содержащих узел с нужным функционалом... Но вот номер не вспомню - давно это было, в доинжекторную эпоху...


Вернуться наверх
 
 Заголовок сообщения: Re: Широтно-импульсная модуляция
СообщениеДобавлено: Сб мар 05, 2022 13:29:53 
Друг Кота
Аватар пользователя

Карма: 59
Рейтинг сообщений: 2255
Зарегистрирован: Чт янв 26, 2012 16:44:29
Сообщений: 20066
Откуда: Таксимо
Рейтинг сообщения: 0
Диф цепочка в зависимости частоты выпрямляется и правит затвором кп103 кп303 тот в ос оу

_________________
Мои поставщики запчастей с отличной репутацией
texnomag.ru
radioremont.com
pl-1.org
4ip.info
elitan.ru


Вернуться наверх
 
 Заголовок сообщения: Re: Широтно-импульсная модуляция
СообщениеДобавлено: Сб мар 05, 2022 14:31:05 
Друг Кота
Аватар пользователя

Карма: 116
Рейтинг сообщений: 4532
Зарегистрирован: Пт мар 30, 2012 05:17:29
Сообщений: 16342
Откуда: Екатеринбург
Рейтинг сообщения: 0
Можно соорудить функциональный генератор и соорудить ФАПЧ на входном сигнале. При резком изменении частоты, конечно, будет отрабатывать её не сразу.
А сразу никто не будет, ну разве что нанять Нострадамуса, заранее знающего период следующего импульса.

_________________
И хрюкотали зелюки,
Как мюмзики в мове.
_________________
На каждый РКН
Найдётся VPN.


Вернуться наверх
 
 Заголовок сообщения: Re: Широтно-импульсная модуляция
СообщениеДобавлено: Сб мар 05, 2022 17:01:22 
Друг Кота
Аватар пользователя

Карма: 59
Рейтинг сообщений: 705
Зарегистрирован: Вт сен 25, 2012 23:13:41
Сообщений: 5946
Откуда: г.Дзержинск Нижегородской обл.
Рейтинг сообщения: 0
Мне нужно из сигнала типа Меандр сформировать Пилу для ШИМ (рис 1). Сложность состоит в том, что частота Меандра может изменяться от 66кГц до 120кГц...

Это что же за ШИМ такой, у которого меняется не только скважность, но и частота?
Может расскажете для чего всё это нужно? Тогда и советы будут более дельными.

_________________
Спасение утопающих дело рук самих утопающих.


Вернуться наверх
 
 Заголовок сообщения: Re: Широтно-импульсная модуляция
СообщениеДобавлено: Сб мар 05, 2022 19:32:54 
Друг Кота
Аватар пользователя

Карма: 116
Рейтинг сообщений: 4532
Зарегистрирован: Пт мар 30, 2012 05:17:29
Сообщений: 16342
Откуда: Екатеринбург
Рейтинг сообщения: 0
Кстати, у сигнала типа меандр ШИМа не может быть по определению: у меандра по определению скважность равна 2.

_________________
И хрюкотали зелюки,
Как мюмзики в мове.
_________________
На каждый РКН
Найдётся VPN.


Вернуться наверх
 
 Заголовок сообщения: Re: Широтно-импульсная модуляция
СообщениеДобавлено: Сб мар 05, 2022 20:35:32 
Друг Кота

Карма: 20
Рейтинг сообщений: 826
Зарегистрирован: Пт ноя 02, 2018 16:14:36
Сообщений: 3187
Рейтинг сообщения: 0
As писал(а):
можно покопаться в старых подшивках "Радио", там были схемы октан-корректоров, содержащих узел с нужным функционалом...
Я помню фамилию автора, она редкая - Вычугжанин. Ещё до октан-корректора была статья с названием вроде "формирование фазового сдвига ..." дальше не помню, искать лень.

_________________
Нет ничего практичнее хорошей теории


Вернуться наверх
 
 Заголовок сообщения: Re: Широтно-импульсная модуляция
СообщениеДобавлено: Сб мар 05, 2022 20:58:25 
Друг Кота
Аватар пользователя

Карма: 59
Рейтинг сообщений: 2255
Зарегистрирован: Чт янв 26, 2012 16:44:29
Сообщений: 20066
Откуда: Таксимо
Рейтинг сообщения: 0
Меандр это и есть шим. 50% шима

_________________
Мои поставщики запчастей с отличной репутацией
texnomag.ru
radioremont.com
pl-1.org
4ip.info
elitan.ru


Вернуться наверх
 
 Заголовок сообщения: Re: Широтно-импульсная модуляция
СообщениеДобавлено: Сб мар 05, 2022 22:30:52 
Друг Кота
Аватар пользователя

Карма: 116
Рейтинг сообщений: 4532
Зарегистрирован: Пт мар 30, 2012 05:17:29
Сообщений: 16342
Откуда: Екатеринбург
Рейтинг сообщения: 0
50% - это ага, но где там модуляция?

_________________
И хрюкотали зелюки,
Как мюмзики в мове.
_________________
На каждый РКН
Найдётся VPN.


Вернуться наверх
 
 Заголовок сообщения: Re: Широтно-импульсная модуляция
СообщениеДобавлено: Сб мар 05, 2022 22:57:06 
Друг Кота
Аватар пользователя

Карма: 32
Рейтинг сообщений: 969
Зарегистрирован: Пт сен 10, 2021 15:19:36
Сообщений: 6548
Откуда: Протвино
Рейтинг сообщения: 0
модуляция константой, просто частный случай :))

остановившиеся часы 2жды в сутки показывают точное время...


Вернуться наверх
 
 Заголовок сообщения: Re: Широтно-импульсная модуляция
СообщениеДобавлено: Сб мар 05, 2022 23:26:16 
Друг Кота
Аватар пользователя

Карма: 59
Рейтинг сообщений: 2255
Зарегистрирован: Чт янв 26, 2012 16:44:29
Сообщений: 20066
Откуда: Таксимо
Рейтинг сообщения: 0
Не факт. У меня недалеко мост через витим. И там часовые пояса меняются. Так что часы могут и 4 раза правильное время показать)))
А если самолет быстрый пребыстрый то можно и больше раз)))

_________________
Мои поставщики запчастей с отличной репутацией
texnomag.ru
radioremont.com
pl-1.org
4ip.info
elitan.ru


Вернуться наверх
 
 Заголовок сообщения: Re: Широтно-импульсная модуляция
СообщениеДобавлено: Вс мар 06, 2022 21:05:35 
Родился

Зарегистрирован: Чт июл 01, 2021 17:53:21
Сообщений: 7
Рейтинг сообщения: 0
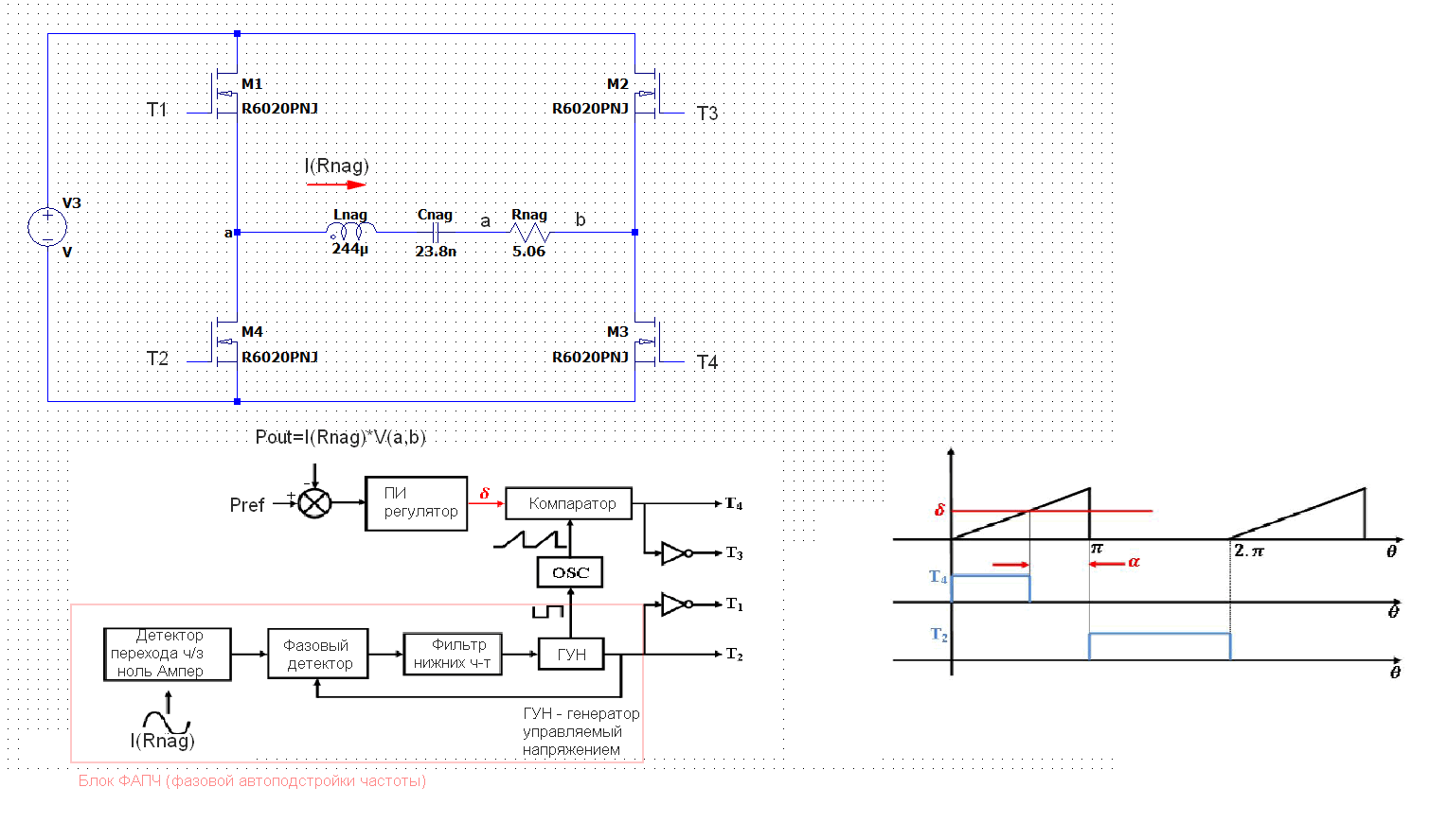
Спасибо за обсуждение. Чтобы внести больше ясности, добавил схему к своему вопросу. В ней блок ФАПЧ подстраивается под частоту резонанса и управляет двумя транзисторами инвертора напряжения. В тоже время, блок ГУН формирует пилообразное напряжение, с помощью которого можно регулировать длительность импульсов управления транзисторов Т3 и Т4.
Оригинал статьи прикрепил.
Вложение:
010u.png [24.2 KiB]
Скачиваний: 219

Вложение:
Комментарий к файлу: Статья
chudjuarjeen2011.pdf [663.38 KiB]
Скачиваний: 352


Вернуться наверх
 
 Заголовок сообщения: Re: Широтно-импульсная модуляция
СообщениеДобавлено: Вс мар 06, 2022 21:27:58 
Друг Кота
Аватар пользователя

Карма: 116
Рейтинг сообщений: 4532
Зарегистрирован: Пт мар 30, 2012 05:17:29
Сообщений: 16342
Откуда: Екатеринбург
Рейтинг сообщения: 0
Ну если ФАПЧ уже и так есть, то сам аллах велел сделать ГУН с пилообразным выходом, амплитуда которого постоянная, что обеспечивается смехотехникой самого ГУНа. Второй выход - для замыкания петли ФАПЧ - меандр.

_________________
И хрюкотали зелюки,
Как мюмзики в мове.
_________________
На каждый РКН
Найдётся VPN.


Вернуться наверх
 
 Заголовок сообщения: Re: Широтно-импульсная модуляция
СообщениеДобавлено: Вс мар 06, 2022 22:06:42 
Открыл глаза

Зарегистрирован: Чт окт 28, 2021 13:34:45
Сообщений: 41
Рейтинг сообщения: 0
Ага. Здесь частота сильно не плавает. Все равно возле резонанса ходит. Да и обратные связи подстроят. Можете обойтись обычной RC цепочкой. Или формировать импульсы для ШИМ каким-нибудь одновибратором.


Вернуться наверх
 
 Заголовок сообщения: Re: Широтно-импульсная модуляция
СообщениеДобавлено: Вс мар 06, 2022 23:55:22 
Друг Кота
Аватар пользователя

Карма: 32
Рейтинг сообщений: 969
Зарегистрирован: Пт сен 10, 2021 15:19:36
Сообщений: 6548
Откуда: Протвино
Рейтинг сообщения: 0
Antel45, а я правильно понял что конечная задача состоит в том чтоб управлять током через нагрузку подключенную к мосту из 4fet. и допускается формирование этого тока одним прямоугольным импульсом синхронизированным по фазе с неким внешним сигналом квантованным по 1 уровню и более ничего?

а вся эта замечательная пилорама это просто некий вариант решения вышеозначенной задачи?
или я чегото не понимаю?

зы я нисколько не против аналоговой техники, когда она упрощает задачу но на первый взгляд это совсем не тот случай...

если задача, как написано в топике именно в формировании пилы то и она отлично решается цифровым способом: из базовой длительности вычисляется нужный наклон пилы и она формируется в DAC c нужным наклоном ступеньками по отсчетам или, если мы хотим идеальную аналоговую пилу то DAC задает напряжение=ток=наклон один раз на весь зуб пилы. полученным с DAC током заряжается интегратор на операционнике. (ps интегратор можно заряжать и PWM вместо DAC, тогда линейность пилы будет определяться частотой и разрешением pwm) 8)


Вернуться наверх
 
Показать сообщения за:  Сортировать по:  Вернуться наверх
Начать новую тему Ответить на тему  [ Сообщений: 19 ] 

Часовой пояс: UTC + 3 часа


Вы не можете начинать темы
Вы не можете отвечать на сообщения
Вы не можете редактировать свои сообщения
Вы не можете удалять свои сообщения
Вы не можете добавлять вложения

Найти:
Перейти:  


Powered by phpBB © 2000, 2002, 2005, 2007 phpBB Group
Русская поддержка phpBB
Extended by Karma MOD © 2007—2012 m157y
Extended by Topic Tags MOD © 2012 m157y