Например TDA7294

Форум РадиоКот • Просмотр темы - Измерение и измерители ESR
Форум РадиоКот
Здесь можно немножко помяукать :)

Текущее время: Вт янв 27, 2026 16:37:22

Часовой пояс: UTC + 3 часа


ПРЯМО СЕЙЧАС:



Начать новую тему Ответить на тему  [ Сообщений: 3908 ]     ... , , , 9, , , ...  
Автор Сообщение
Не в сети
 Заголовок сообщения: Re: Измерители ESR
СообщениеДобавлено: Пн июн 28, 2010 10:40:36 
Прорезались зубы

Карма: 7
Рейтинг сообщений: 151
Зарегистрирован: Вт фев 09, 2010 20:12:29
Сообщений: 214
Откуда: Винница
Рейтинг сообщения: 0
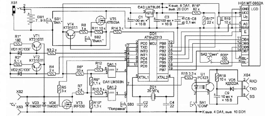
Выкладываю схему, рисунок печатной платы и прошивка. Полная информация в журнале «Радио» №1-№2 2006г.
В свое время делал вот такой прибор, рисунок печатной платы разрабатывал в двух вариантах зачем, уже не помню, было давно.
Могу под заказ изготовить прибор, описанный http://pro-radio.ru/measure/3288/, интересно посмотреть, что он может.


Вложения:
LED.rar [77.85 KiB]
Скачиваний: 954
Новая папка.rar [133.19 KiB]
Скачиваний: 788
Вернуться наверх
 
Не в сети
 Заголовок сообщения: Re: Измерители ESR
СообщениеДобавлено: Чт июл 15, 2010 22:50:59 
Потрогал лапой паяльник

Зарегистрирован: Сб май 22, 2010 02:16:47
Сообщений: 307
Рейтинг сообщения: 0
А где найти читабельную схему?


Последний раз редактировалось coverdale Вс янв 15, 2012 05:12:55, всего редактировалось 1 раз.

Вернуться наверх
 
Не в сети
 Заголовок сообщения: Re: Измерители ESR
СообщениеДобавлено: Пт июл 23, 2010 09:58:33 
Модератор
Аватар пользователя

Карма: 120
Рейтинг сообщений: 1088
Зарегистрирован: Пн дек 08, 2008 19:28:04
Сообщений: 22873
Откуда: 10км от Москвы на Север
Рейтинг сообщения: 0
Читабельная схема и прога из Радио 5\6\2010

Изображение

http://forum.cxem.net/index.php?app=cor ... h_id=74430


Вложения:
схема.gif [160.11 KiB]
Скачиваний: 1469
Вернуться наверх
 
Не в сети
 Заголовок сообщения: Re: Измерители ESR
СообщениеДобавлено: Пт июл 23, 2010 11:18:21 
Потрогал лапой паяльник

Зарегистрирован: Сб май 22, 2010 02:16:47
Сообщений: 307
Рейтинг сообщения: 0
спасибо


Последний раз редактировалось coverdale Вс янв 15, 2012 05:13:25, всего редактировалось 1 раз.

Вернуться наверх
 
Эиком - электронные компоненты и радиодетали
Не в сети
 Заголовок сообщения: Re: Измерители ESR
СообщениеДобавлено: Пт июл 23, 2010 12:29:24 
Модератор
Аватар пользователя

Карма: 120
Рейтинг сообщений: 1088
Зарегистрирован: Пн дек 08, 2008 19:28:04
Сообщений: 22873
Откуда: 10км от Москвы на Север
Рейтинг сообщения: 0
Там и про ошибочку подмечено... . :)

"Borisv писал(а):
Здравствуйте!
Тем, кто будет повторять: на принципиальной схеме неверное подключение генераторов тока, а именно - PD0 должен управлять VT1, PD4 - VT2. Выяснилось, когда разводил свою печатку. Поменял местами R1 и R2 - схема пошла.
Удачи!"


Вернуться наверх
 
Не в сети
 Заголовок сообщения: Re: Измерители ESR
СообщениеДобавлено: Пт июл 23, 2010 14:41:02 
Модератор
Аватар пользователя

Карма: 120
Рейтинг сообщений: 1088
Зарегистрирован: Пн дек 08, 2008 19:28:04
Сообщений: 22873
Откуда: 10км от Москвы на Север
Рейтинг сообщения: 0
Интересная конструкция с "монитора"... . :)

Собрал приборчик (помима еще 2 другихх ESR metrov ) из журнала Радио (кое че "убрал",-кои-че +..) только на Li-Ion акк.,-теперь моно его "перезаряжать"..
Присобачил гнездо для зарядника,регулятор уст. нуля,выключатель,переключатель диапазонов чувствительности ( 2 диап.:0.5 -30 ом / 0.22-5 ом),перключатель 2 режимов работы генератора,контактные зацепы щупов-серебрянные с вставлением в них сЪемных игловых концов для изм. впаянных конд., пробник моно прицеплять на леву руку во времю работы посредством ремешка с черной крышечкай ( на 3 фото кришачка ),... & + подсветка голубым свечением светодиода китайскаго сверЬхяркаго системы :-"Ambilight-Ambience" (от Филипса скоммунидил)
Все запихал в Иранский переключатель для люстры, индикатор от манитафона HITACHI (80-х годов) ,Li-Ion акк. -любой...
-Подзаряжаю (пара часов) от зарядки ,-пашеть пол-году (ато и с год) патом,..-ток пробником потреблямый: около 5 ма... Можеть работать такжи и во время заряда...
-Получился перезаряжаемый Mini-Pocket Li-Ion ESR metr


Изображение

Изображение

Изображение

--http://monitor.net.ru/forum/topic974-96.html
-


Вернуться наверх
 
Не в сети
 Заголовок сообщения: Re: Измерители ESR
СообщениеДобавлено: Пт июл 23, 2010 14:41:52 
Модератор
Аватар пользователя

Карма: 120
Рейтинг сообщений: 1088
Зарегистрирован: Пн дек 08, 2008 19:28:04
Сообщений: 22873
Откуда: 10км от Москвы на Север
Рейтинг сообщения: 0
:)


Вложения:
Sborka Mini pocket Rechargeable ESR-7.jpg [60 KiB]
Скачиваний: 1812
Sborka Mini pocket Rechargeable ESR-6.jpg [47.65 KiB]
Скачиваний: 1454
Sborka Mini pocket Rechargeable ESR-1.jpg [46.89 KiB]
Скачиваний: 1107
ESR recharge -4.jpg [47.18 KiB]
Скачиваний: 1717
Вернуться наверх
 
Не в сети
 Заголовок сообщения: Re: Измерители ESR
СообщениеДобавлено: Пт июл 23, 2010 16:05:54 
Потрогал лапой паяльник

Зарегистрирован: Сб май 22, 2010 02:16:47
Сообщений: 307
Рейтинг сообщения: 0
Для этой схемы нужна хорошая 7555


Последний раз редактировалось coverdale Вс янв 15, 2012 05:14:28, всего редактировалось 2 раз(а).

Вернуться наверх
 
Не в сети
 Заголовок сообщения: Re: Измерители ESR
СообщениеДобавлено: Пт июл 23, 2010 16:11:17 
Модератор
Аватар пользователя

Карма: 120
Рейтинг сообщений: 1088
Зарегистрирован: Пн дек 08, 2008 19:28:04
Сообщений: 22873
Откуда: 10км от Москвы на Север
Рейтинг сообщения: 0
А чем "хорошая 7555" от "нехорошей" отличается...? :)
И печатку свою делал?


Вернуться наверх
 
Не в сети
 Заголовок сообщения: Re: Измерители ESR
СообщениеДобавлено: Пт июл 23, 2010 19:52:38 
Потрогал лапой паяльник

Зарегистрирован: Сб май 22, 2010 02:16:47
Сообщений: 307
Рейтинг сообщения: 0
Бывает не работают.


Последний раз редактировалось coverdale Вс янв 15, 2012 14:29:19, всего редактировалось 1 раз.

Вернуться наверх
 
Не в сети
 Заголовок сообщения: Re: Измерители ESR
СообщениеДобавлено: Пн июл 26, 2010 23:31:13 
Потрогал лапой паяльник

Зарегистрирован: Сб май 22, 2010 02:16:47
Сообщений: 307
Рейтинг сообщения: 0
согласен на все 100%-это лучшая схема из аналоговых измерителей esr,которые я делал(естественно-после доработки и тщательной настройки).у меня тянет до 0,01om,чего и добивался


Последний раз редактировалось coverdale Вс янв 15, 2012 05:03:51, всего редактировалось 1 раз.

Вернуться наверх
 
Не в сети
 Заголовок сообщения: Re: Измерители ESR
СообщениеДобавлено: Пн июл 26, 2010 23:58:09 
Это не хвост, это антенна
Аватар пользователя

Карма: 20
Рейтинг сообщений: 188
Зарегистрирован: Вс мар 28, 2010 12:52:22
Сообщений: 1368
Откуда: Беларусь
Рейтинг сообщения: 0
coverdale писал:
согласен на все 100%-это лучшая схема из аналоговых измерителей esr,которые я делал(естественно-после доработки и тщательной настройки).у меня тянет до 0,01om,чего и добивался

Реактивное сопротивление конденсатора в 10 мкФ на частоте 100 кГц - около 0,3 Ом. Усиление операционника, используемого Вами, на такой частоте - около 5. Заданный Вами Кус - 39 (40) (не помню схему).
Где логика?
P.S. Сам с таким столкнулся, локти покусал и выкинул операционник.

_________________
«Еще я хотел бы, чтобы наши ученые изобрели какой-то новый источник энергии, чтобы мы на коленях не ползали даже перед нашими братьями, умоляя их и выпрашивая тонну нефти или кубометр газа», — рассказал белорусский президент.


Вернуться наверх
 
Не в сети
 Заголовок сообщения: Re: Измерители ESR
СообщениеДобавлено: Вт июл 27, 2010 03:25:26 
Потрогал лапой паяльник

Зарегистрирован: Сб май 22, 2010 02:16:47
Сообщений: 307
Рейтинг сообщения: 0
:)))


Последний раз редактировалось coverdale Вс янв 15, 2012 05:04:30, всего редактировалось 1 раз.

Вернуться наверх
 
Не в сети
 Заголовок сообщения: Re: Измерители ESR
СообщениеДобавлено: Вт июл 27, 2010 06:58:04 
Это не хвост, это антенна
Аватар пользователя

Карма: 20
Рейтинг сообщений: 188
Зарегистрирован: Вс мар 28, 2010 12:52:22
Сообщений: 1368
Откуда: Беларусь
Рейтинг сообщения: 0
Xc = 1/2*пи*F*C - формула расчета реактивного конденсатора. А у меня просто операционник в усилителе "плавал" от температуры (?). Перепроверили - а он, ск-на, усиливакт всего в 4 раза и на выходе у него пила вместо меандра. Налицо (на лице) ограниченное быстродействие усилителя. Поэтому, если не верите моим словам - замерьте измерительную частоту Вашего прибора и посчитайте реактивное сопротивление, например конденсатора емкостью в 10 мкФ.
PS В сказки верить легко. Их тяжело доказывать.

_________________
«Еще я хотел бы, чтобы наши ученые изобрели какой-то новый источник энергии, чтобы мы на коленях не ползали даже перед нашими братьями, умоляя их и выпрашивая тонну нефти или кубометр газа», — рассказал белорусский президент.


Вернуться наверх
 
Не в сети
 Заголовок сообщения: Re: Измерители ESR
СообщениеДобавлено: Вт июл 27, 2010 19:35:41 
Это не хвост, это антенна
Аватар пользователя

Карма: 20
Рейтинг сообщений: 188
Зарегистрирован: Вс мар 28, 2010 12:52:22
Сообщений: 1368
Откуда: Беларусь
Рейтинг сообщения: 0
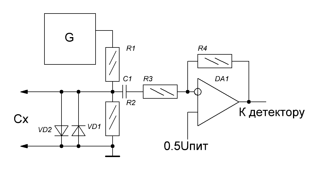
Вот набросок схемы, на которой я "попал" с операционником. Измерительная частота - около 70 кГц. Реальное усиление ОУ было около 12, а расчетное, по соотношению резисторов - 50.
В схеме, которую Вы нахваливаете как одну из лучших аналоговых усилитель собран на одном ОУ! В то же время выкладываете схему с использованием АЦП ПВ5, которая представляет собой самый обыкновенный вольтметр. Разве что разрешающая способность у него повыше будет... Так вот: в схеме с ПВ5-ой использован усилитель с Кус ~ 125, но собран он на 3-х каскадах. Коэффициент усиления каждого из которых примерно составляет 5.
У трансформатора, которых Вы подобрали "штук 30" одна - единственная задача - обеспечить уровень сигнала в 0,05 - 0,25 В, причем последнее открывает p-n переход диодов Шоттки. Если напряжение на измеряемом конденсаторе составляет 0,1 В, то и усиливать его нужно раз в 40 - 100. В противном случае получается шкала, как у некоторых измерительных приборов - минимальное значение 5 - 10 Ом (у приборов В, А).


Вложения:
Схема.GIF [10.61 KiB]
Скачиваний: 1461

_________________
«Еще я хотел бы, чтобы наши ученые изобрели какой-то новый источник энергии, чтобы мы на коленях не ползали даже перед нашими братьями, умоляя их и выпрашивая тонну нефти или кубометр газа», — рассказал белорусский президент.
Вернуться наверх
 
Не в сети
 Заголовок сообщения: Re: Измерители ESR
СообщениеДобавлено: Ср июл 28, 2010 10:26:48 
Модератор
Аватар пользователя

Карма: 120
Рейтинг сообщений: 1088
Зарегистрирован: Пн дек 08, 2008 19:28:04
Сообщений: 22873
Откуда: 10км от Москвы на Север
Рейтинг сообщения: 0
dr.doc писал(а):
Вот набросок схемы, на которой я "попал" с операционником. Измерительная частота - около 70 кГц. Реальное усиление ОУ было около 12, а расчетное, по соотношению резисторов - 50.
В схеме, которую Вы нахваливаете как одну из лучших аналоговых усилитель собран на одном ОУ! В то же время выкладываете схему с использованием АЦП ПВ5, которая представляет собой самый обыкновенный вольтметр. Разве что разрешающая способность у него повыше будет... Так вот: в схеме с ПВ5-ой использован усилитель с Кус ~ 125, но собран он на 3-х каскадах. Коэффициент усиления каждого из которых примерно составляет 5.
У трансформатора, которых Вы подобрали "штук 30" одна - единственная задача - обеспечить уровень сигнала в 0,05 - 0,25 В, причем последнее открывает p-n переход диодов Шоттки. Если напряжение на измеряемом конденсаторе составляет 0,1 В, то и усиливать его нужно раз в 40 - 100. В противном случае получается шкала, как у некоторых измерительных приборов - минимальное значение 5 - 10 Ом (у приборов В, А).


Вложения:
7757466.png [130.03 KiB]
Скачиваний: 1655
Вернуться наверх
 
Не в сети
 Заголовок сообщения: Re:
СообщениеДобавлено: Вт авг 03, 2010 03:01:43 
Потрогал лапой паяльник

Зарегистрирован: Сб май 22, 2010 02:16:47
Сообщений: 307
Рейтинг сообщения: 0
шо это за,, монстр"? :)))


Последний раз редактировалось coverdale Вс янв 15, 2012 05:07:23, всего редактировалось 3 раз(а).

Вернуться наверх
 
Не в сети
 Заголовок сообщения: Re: Измерители ESR
СообщениеДобавлено: Вт авг 03, 2010 08:29:44 
Модератор
Аватар пользователя

Карма: 120
Рейтинг сообщений: 1088
Зарегистрирован: Пн дек 08, 2008 19:28:04
Сообщений: 22873
Откуда: 10км от Москвы на Север
Рейтинг сообщения: 0
coverdale писал(а):
шо это за,, монстр"? :)))


Это не "монстр", это схема по которой человек делал "набросок"... . :)
Если изменить частоту задающего генератора до 50-100 кГц и отградуировать шкалу в значениях ЕПС, то получится измеритель ESR... . :)


Вернуться наверх
 
Не в сети
 Заголовок сообщения: Re: Измерители ESR
СообщениеДобавлено: Ср авг 04, 2010 22:34:33 
Это не хвост, это антенна
Аватар пользователя

Карма: 20
Рейтинг сообщений: 188
Зарегистрирован: Вс мар 28, 2010 12:52:22
Сообщений: 1368
Откуда: Беларусь
Рейтинг сообщения: 0
Цитата:
Это не "монстр", это схема по которой человек делал "набросок"... .
Если изменить частоту задающего генератора до 50-100 кГц и отградуировать шкалу в значениях ЕПС, то получится измеритель ESR... .

Опять же... Коэффициент усиления в 270 на частоте 50 кГц с ОУ К140УД7 невозможно получить! Максимальный Кус на частоте - есть отношение граничной частоты усиления ОУ (1 МГц) к частоте усиливаемой (50 кГц). Калькулятор показывает значение 20. В 13,5 раз меньше...
PS. Сопротивление в десятые, а тем более в сотые доли Ома измеряются, как правило, с применением четырехпроводной схемой включения.

_________________
«Еще я хотел бы, чтобы наши ученые изобрели какой-то новый источник энергии, чтобы мы на коленях не ползали даже перед нашими братьями, умоляя их и выпрашивая тонну нефти или кубометр газа», — рассказал белорусский президент.


Вернуться наверх
 
Не в сети
 Заголовок сообщения: Re: Измерители ESR
СообщениеДобавлено: Пт авг 20, 2010 17:36:00 
Потрогал лапой паяльник

Зарегистрирован: Сб май 22, 2010 02:16:47
Сообщений: 307
Рейтинг сообщения: 0
поляки тоже ,,засветились"-это уже тянет на,, измеритель"-
0,001om-ошиблись запятой?
если нет-интересно,чем калибровали
http://autodiagnostyka.otwarte24.pl/34, ... litycznych


Последний раз редактировалось coverdale Вс янв 15, 2012 05:09:28, всего редактировалось 1 раз.

Вернуться наверх
 
Показать сообщения за:  Сортировать по:  Вернуться наверх
Начать новую тему Ответить на тему  [ Сообщений: 3908 ]     ... , , , 9, , , ...  

Часовой пояс: UTC + 3 часа


Кто сейчас на форуме

Сейчас этот форум просматривают: sa-ta и гости: 32


Вы не можете начинать темы
Вы не можете отвечать на сообщения
Вы не можете редактировать свои сообщения
Вы не можете удалять свои сообщения
Вы не можете добавлять вложения

Найти:
Перейти:  


Powered by phpBB © 2000, 2002, 2005, 2007 phpBB Group
Русская поддержка phpBB
Extended by Karma MOD © 2007—2012 m157y
Extended by Topic Tags MOD © 2012 m157y