Например TDA7294

Форум РадиоКот • Просмотр темы - Мультиметр M890G
Форум РадиоКот
Здесь можно немножко помяукать :)

Текущее время: Ср фев 25, 2026 06:09:00

Часовой пояс: UTC + 3 часа


ПРЯМО СЕЙЧАС:



Начать новую тему Ответить на тему  [ Сообщений: 239 ]     ... , , , , 12
Автор Сообщение
 Заголовок сообщения: Re: Мультиметр M890G
СообщениеДобавлено: Вс авг 04, 2024 20:39:51 
Поставщик валерьянки для Кота

Карма: 34
Рейтинг сообщений: 316
Зарегистрирован: Вс ноя 15, 2009 23:13:59
Сообщений: 2156
Откуда: Харьков
Рейтинг сообщения: 0
Ставим 1.5 кОм и проверяем корректность диодной прозвонки.

_________________
Иногда мой питомец уходит в такую спячку, что разбудить его можно только щелчком по первой ноге...


Вернуться наверх
 
 Заголовок сообщения: Re: Мультиметр M890G
СообщениеДобавлено: Вс авг 04, 2024 20:57:53 
Родился

Зарегистрирован: Вс авг 04, 2024 16:17:38
Сообщений: 4
Рейтинг сообщения: 0
99% токоограничивающий на 1.5 кОм. В режиме омметра тоже не работает?

Из остаточных символов, то вроде как трёх значный резистор


Вернуться наверх
 
 Заголовок сообщения: Re: Мультиметр M890G
СообщениеДобавлено: Вс авг 04, 2024 21:09:40 
Поставщик валерьянки для Кота

Карма: 34
Рейтинг сообщений: 316
Зарегистрирован: Вс ноя 15, 2009 23:13:59
Сообщений: 2156
Откуда: Харьков
Рейтинг сообщения: 0
Получится прочитать эти символы или там всё сгорело?

_________________
Иногда мой питомец уходит в такую спячку, что разбудить его можно только щелчком по первой ноге...


Вернуться наверх
 
 Заголовок сообщения: Re: Мультиметр M890G
СообщениеДобавлено: Вс авг 04, 2024 21:54:55 
Родился

Зарегистрирован: Вс авг 04, 2024 16:17:38
Сообщений: 4
Рейтинг сообщения: 0
Получится прочитать эти символы или там всё сгорело?

Последняя цифра точно 1. Остальные не понятно. Как по том что осталось, то по мне там 561 резистор.

Добавлено after 20 minutes 37 seconds:
В общем установил резистор на 560 Ом. Сопротивление показывает точно. И диодная прозвонка тоже заработала. Всем спасибо кто уделил внимания.


Вернуться наверх
 
Эиком - электронные компоненты и радиодетали
 Заголовок сообщения: Re: Мультиметр M890G
СообщениеДобавлено: Вс авг 04, 2024 22:46:29 
Поставщик валерьянки для Кота

Карма: 34
Рейтинг сообщений: 316
Зарегистрирован: Вс ноя 15, 2009 23:13:59
Сообщений: 2156
Откуда: Харьков
Рейтинг сообщения: 0
Ток диодной прозвонки какой? Если это сопротивление правильное, он должен быть около 1 мА.

_________________
Иногда мой питомец уходит в такую спячку, что разбудить его можно только щелчком по первой ноге...


Вернуться наверх
 
 Заголовок сообщения: Re: Мультиметр M890G
СообщениеДобавлено: Вт янв 14, 2025 17:49:15 
Родился

Карма: 1
Рейтинг сообщений: 0
Зарегистрирован: Вт янв 14, 2025 17:04:47
Сообщений: 8
Рейтинг сообщения: 0
Здравствуйте.
Мой Mastech M890G ни с того ни с сего начал занижать показания постоянного и переменного напряжений, а также тока.
Подскажите пожалуйста, куда копать? Схема прилагается. В самом мультиметре стоит "капля". Причём, вокруг капли нет посадочных контактов для обычной микросхемы.


Вложения:
8459_b.jpg [30.09 KiB]
Скачиваний: 100
m890g_shema_1.gif [116.08 KiB]
Скачиваний: 106
Вернуться наверх
 
 Заголовок сообщения: Re: Мультиметр M890G
СообщениеДобавлено: Ср янв 15, 2025 18:11:23 
Сверлит текстолит когтями
Аватар пользователя

Карма: 6
Рейтинг сообщений: 231
Зарегистрирован: Пн ноя 08, 2021 13:12:57
Сообщений: 1214
Откуда: 58С 58В
Рейтинг сообщения: 0
Ol_Mich, На движке VR1 и на С6 должно быть 0,1В относительно СОМ.
НА V+ д.б. +3В относительно СОМ.
Ток потребления от кроны 3-5ма. :dont_know:

_________________
Свежий взгляд из прошлого тысячелетия.


Вернуться наверх
 
 Заголовок сообщения: Re: Мультиметр M890G
СообщениеДобавлено: Ср янв 15, 2025 21:38:25 
Родился

Карма: 1
Рейтинг сообщений: 0
Зарегистрирован: Вт янв 14, 2025 17:04:47
Сообщений: 8
Рейтинг сообщения: 0
Ol_Mich, На движке VR1 и на С6 должно быть 0,1В относительно СОМ.
НА V+ д.б. +3В относительно СОМ.
Ток потребления от кроны 3-5ма. :dont_know:


Спасибо.

На VR1 около 185 мВ. Выкручивал до конца, но ниже 160 мВ (точно не вспомню) не опускалось. Только немного приподнималось значение напряжения. Например, при замере аккумулятора 18650 вместо 4.12V показывает 2.7V. При выкрученном VR1 до конца показывает около 3.2V. VR1 менял на новый - не помогло.

"НА V+ д.б. +3В относительно СОМ" - это Вы имеете ввиду 1-ую ножку микросхемы?

"Ток потребления от кроны 3-5ма" - это при просто включенном мультиметре? Положение крутилки какое должно быть?


Вернуться наверх
 
 Заголовок сообщения: Re: Мультиметр M890G
СообщениеДобавлено: Чт янв 16, 2025 00:18:30 
Поставщик валерьянки для Кота

Карма: 34
Рейтинг сообщений: 316
Зарегистрирован: Вс ноя 15, 2009 23:13:59
Сообщений: 2156
Откуда: Харьков
Рейтинг сообщения: 0
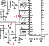
Между выводами 35 и 36 чипа (VREF- и VREF+) должно быть 100 мВ +/- 1%. Это напряжение формируется из напряжения на COMMON (32) относительно плюса питания (1), оно должно быть -3 В +/- 5%. Если существенно ниже или выше - менять чип. Если нормально - ищем делитель напряжений, который состоит из VR1 и двух (реже трёх) резисторов последовательно, одним концом на COMMON, другим на плюс питания. Типичные номиналы - 30 кОм, 900 Ом и подстроечник на 200 Ом (хотя могут быть и другие). Проверяем, нет ли там обрывов или замыканий (и проверяем номиналы резисторов). Если и там всё нормально - это пробой одного из входов VREF на плюс или минус питания, менять чип.
Изображение

_________________
Иногда мой питомец уходит в такую спячку, что разбудить его можно только щелчком по первой ноге...


Вернуться наверх
 
 Заголовок сообщения: Re: Мультиметр M890G
СообщениеДобавлено: Пн янв 20, 2025 17:56:16 
Родился

Карма: 1
Рейтинг сообщений: 0
Зарегистрирован: Вт янв 14, 2025 17:04:47
Сообщений: 8
Рейтинг сообщения: 0
Между выводами 35 и 36 чипа (VREF- и VREF+) должно быть 100 мВ +/- 1%. Это напряжение формируется из напряжения на COMMON (32) относительно плюса питания (1), оно должно быть -3 В +/- 5%. Если существенно ниже или выше - менять чип. Если нормально - ищем делитель напряжений, который состоит из VR1 и двух (реже трёх) резисторов последовательно, одним концом на COMMON, другим на плюс питания. Типичные номиналы - 30 кОм, 900 Ом и подстроечник на 200 Ом (хотя могут быть и другие). Проверяем, нет ли там обрывов или замыканий (и проверяем номиналы резисторов). Если и там всё нормально - это пробой одного из входов VREF на плюс или минус питания, менять чип.
Изображение


По ходу, напряжение на V+ -4.2 V. Получается, всё-таки, кердык процессору?

P.S. Вот такая подлянка от производителя вместо обычной микросхемы :( Вернее, отсутствия посадочных контактов.

Изображение Изображение


Вернуться наверх
 
 Заголовок сообщения: Re: Мультиметр M890G
СообщениеДобавлено: Вт янв 21, 2025 17:29:14 
Родился

Карма: 1
Рейтинг сообщений: 0
Зарегистрирован: Вт янв 14, 2025 17:04:47
Сообщений: 8
Рейтинг сообщения: 0
Ток потребления от кроны 3-5ма.

Замерил - 4mA.


Вернуться наверх
 
 Заголовок сообщения: Re: Мультиметр M890G
СообщениеДобавлено: Вт янв 21, 2025 17:48:16 
Сверлит текстолит когтями
Аватар пользователя

Карма: 6
Рейтинг сообщений: 231
Зарегистрирован: Пн ноя 08, 2021 13:12:57
Сообщений: 1214
Откуда: 58С 58В
Рейтинг сообщения: 0
Ol_Mich, ---напряжение на V+ -4.2 V---
На плюсе минус относительно чего??
Рекомендации от watchmaker, стоит выполнить (щетельнее надо). :wink:

_________________
Свежий взгляд из прошлого тысячелетия.


Вернуться наверх
 
 Заголовок сообщения: Re: Мультиметр M890G
СообщениеДобавлено: Вт янв 21, 2025 20:11:34 
Родился

Карма: 1
Рейтинг сообщений: 0
Зарегистрирован: Вт янв 14, 2025 17:04:47
Сообщений: 8
Рейтинг сообщения: 0
Ol_Mich, ---напряжение на V+ -4.2 V---
На плюсе минус относительно чего??
Рекомендации от watchmaker, стоит выполнить (щетельнее надо). :wink:


Относительно COM.


Вернуться наверх
 
 Заголовок сообщения: Re: Мультиметр M890G
СообщениеДобавлено: Ср янв 22, 2025 19:09:55 
Сверлит текстолит когтями
Аватар пользователя

Карма: 6
Рейтинг сообщений: 231
Зарегистрирован: Пн ноя 08, 2021 13:12:57
Сообщений: 1214
Откуда: 58С 58В
Рейтинг сообщения: 0
Относительно COM.
COM=0, -4.2 V похоже на V- (минус кроны), а надо V+ (плюс кроны).
Напряжение кроны 3+4,2=7,2 В . Пора менять. 8)

_________________
Свежий взгляд из прошлого тысячелетия.


Вернуться наверх
 
 Заголовок сообщения: Re: Мультиметр M890G
СообщениеДобавлено: Вс янв 26, 2025 14:41:26 
Родился

Карма: 1
Рейтинг сообщений: 0
Зарегистрирован: Вт янв 14, 2025 17:04:47
Сообщений: 8
Рейтинг сообщения: 0
Относительно COM.
COM=0, -4.2 V похоже на V- (минус кроны), а надо V+ (плюс кроны).
Напряжение кроны 3+4,2=7,2 В . Пора менять. 8)


В том то и дело, что с питанием всё нормально. Попробую ещё поковыряться по плате.


Вернуться наверх
 
 Заголовок сообщения: Re: Мультиметр M890G
СообщениеДобавлено: Вс янв 26, 2025 18:38:01 
Сверлит текстолит когтями
Аватар пользователя

Карма: 6
Рейтинг сообщений: 231
Зарегистрирован: Пн ноя 08, 2021 13:12:57
Сообщений: 1214
Откуда: 58С 58В
Рейтинг сообщения: 0
Ol_Mich, Если на + кроны относительно СОМ более +3 В (+4,2 В ?), то можно выпаять все (по очереди) ОУ.
Дефектный ОУ может перегружать внутренний стабилизатор капли большим током, втекающим с минуса кроны.
НЕ только ОУ ,но и другая утечка с минуса кроны на СОМ.
Если не поможет , то ОУ в запчасти уже выпаяны. :solder: :)

_________________
Свежий взгляд из прошлого тысячелетия.


Вернуться наверх
 
 Заголовок сообщения: Re: Мультиметр M890G
СообщениеДобавлено: Вс янв 26, 2025 20:55:21 
Родился

Карма: 1
Рейтинг сообщений: 0
Зарегистрирован: Вт янв 14, 2025 17:04:47
Сообщений: 8
Рейтинг сообщения: 0
Динозавр

Спасибо, попробую.


Вернуться наверх
 
 Заголовок сообщения: Re: Мультиметр M890G
СообщениеДобавлено: Вс янв 26, 2025 23:47:28 
Поставщик валерьянки для Кота

Карма: 34
Рейтинг сообщений: 316
Зарегистрирован: Вс ноя 15, 2009 23:13:59
Сообщений: 2156
Откуда: Харьков
Рейтинг сообщения: 0
Цитата:
Ol_Mich, Если на + кроны относительно СОМ более +3 В (+4,2 В ?), то можно выпаять все (по очереди) ОУ.

Я делаю не так. Обрезаю дорогу COM вблизи чипа и смотрю, с какой стороны прилетает слишком высокое (или слишком низкое) напряжение.

_________________
Иногда мой питомец уходит в такую спячку, что разбудить его можно только щелчком по первой ноге...


Вернуться наверх
 
 Заголовок сообщения: Re: Мультиметр M890G
СообщениеДобавлено: Пн янв 12, 2026 18:41:45 
Родился

Карма: 1
Рейтинг сообщений: 0
Зарегистрирован: Вт янв 14, 2025 17:04:47
Сообщений: 8
Рейтинг сообщения: 0
К сожалению, оживить мой 890G так и не удалось :( Жалко, привык за эти годы к нему. Взял два новых на распродаже - GVDA 128Plus и ZOYI ZT-102L. Пока доволен :) Да и 890G пригодится. Ведь остальные параметры (кроме тока и напряжения) измеряет нормально. P.S. Добавляю фото расположения ламелей на переключателе. Может кому пригодится...
Изображение
Изображение


Вернуться наверх
 
Показать сообщения за:  Сортировать по:  Вернуться наверх
Начать новую тему Ответить на тему  [ Сообщений: 239 ]     ... , , , , 12

Часовой пояс: UTC + 3 часа


Вы не можете начинать темы
Вы не можете отвечать на сообщения
Вы не можете редактировать свои сообщения
Вы не можете удалять свои сообщения
Вы не можете добавлять вложения

Найти:
Перейти:  


Powered by phpBB © 2000, 2002, 2005, 2007 phpBB Group
Русская поддержка phpBB
Extended by Karma MOD © 2007—2012 m157y
Extended by Topic Tags MOD © 2012 m157y