Например TDA7294

Форум РадиоКот • Просмотр темы - Схема инвертерной электростанции
Форум РадиоКот
Здесь можно немножко помяукать :)

Текущее время: Ср фев 18, 2026 14:45:35

Часовой пояс: UTC + 3 часа


ПРЯМО СЕЙЧАС:



Начать новую тему Ответить на тему  [ Сообщений: 2622 ]     ... , , , 120, , , ...  
Автор Сообщение
Не в сети
 Заголовок сообщения: Re: Схема инвертерной электростанции
СообщениеДобавлено: Пн сен 23, 2024 19:10:39 
Это не хвост, это антенна
Аватар пользователя

Карма: 6
Рейтинг сообщений: 83
Зарегистрирован: Ср сен 03, 2008 21:42:17
Сообщений: 1351
Откуда: Ленинградская область,пос.Красный Остров
Рейтинг сообщения: 0
WatchCat писал(а):
Доберусь до них - спрошу что они про отправку железок думают
Узнать надо. А то точно могут сказать железяка тяжелая да еще бензином/пропаном воняет. Доставлять не будем.

Сегодня добрался до почтовых тёток. Говорят - доставить могут. По европейской части России будет стоит 2-4 тыс зависимо от того куда именно. Так что можно присылать мне в личную почту адрес.
Кстати, двигателей от Кипоров у меня несколько,так что другие желающие их получить могут тоже писать. И лучше на email,который можно найти в "профиле". Почту я читаю намного чаще чем тут.

Цитата:
Сначала идет выпрямитель регулируемый на тиристорах

А есть откуда "слизать" схему такого выпрямителя? И надо ли делать именно на тиристорах? Может быть на высоковольтных мосфетах? Управлять ими удобнее,сопротивление в открытом состоянии у них меньше.

Цитата:
Главная моя задача сейчас проверить как силовая часть будет работать через LC фильтр, на резком старте компрессора холодильника.

Берем первую ступень от китайского инвертора 12->220, ту которая делает высокое постоянное напряжение +310 вольт. И подключаем
к конденсатору который после управляемого выпрямителя. Настраиваем соотношение напряжений так чтобы в норме от батарейного преобразователя ничего не потреблялось,а холостой ход у него около 0.5а. Зато если напряжение с управляемого выпрямителя просядет то батарейный преобразователь добавит мощности как раз для запуска холодильника. Придумал это не я,а один знакомый автономщик из Прибалтики. И он даже проводил эксперименты с таким сложением мощности. Говорит - получилось.

Diver52 писал(а):
В детстве прикалывался над мопедом. В воздухан дул парами бензина тот пёр как на бензине

Именно так устроен "испарительный карбюратор" старых мотоциклов. Там воздух "пробулькивался" через бензин.


Вернуться наверх
 
Не в сети
 Заголовок сообщения: Re: Схема инвертерной электростанции
СообщениеДобавлено: Вт сен 24, 2024 14:23:01 
Электрический кот

Карма: 1
Рейтинг сообщений: 215
Зарегистрирован: Сб сен 12, 2009 15:43:19
Сообщений: 1013
Рейтинг сообщения: 0
Хочу переделать инвертор под автозапуск. Знающие люди намекнули, что для автозапуска при низкой температуре обязательно менять карбюратор на карбюратор с автоматом воздушной заслонки ( не дроссельной, а именно воздушной). Вроде инверторные агрегаты таким карбюратором не комплектовались- у всех привод воздушной заслонки ручной. Кто-нибудь приделывал шаговый моторчик дросселя к таким карбюраторам?.


Вернуться наверх
 
Не в сети
 Заголовок сообщения: Re: Схема инвертерной электростанции
СообщениеДобавлено: Ср сен 25, 2024 20:20:23 
Мучитель микросхем

Карма: 4
Рейтинг сообщений: 42
Зарегистрирован: Вс авг 16, 2015 13:08:53
Сообщений: 419
Рейтинг сообщения: 0
WatchCat писал(а):
А есть откуда "слизать" схему такого выпрямителя?

Пока мыслю так. Силу собираю по вот этой схеме
Изображение
А управу либо на мокасинах либо через тгр. И регулировать по фазоимпульсному управлению.
WatchCat писал(а):
И надо ли делать именно на тиристорах? Может быть на высоковольтных мосфетах?

Мосфеты тут не катят. Тиристорами мы сразу выпрямляем и регулируем.
WatchCat писал(а):
Зато если напряжение с управляемого выпрямителя просядет то батарейный преобразователь добавит мощности как раз для запуска холодильника

Об этом я тоже думал. Но по началу посмотрю сможет ли движок кратковременно удержать пусковой ток холодильника. Если не получиться то есть мысль, подключать инвертор 12->220 в момент просадки напряжения на банках 310 вольт. Для того чтобы с аккума в дежурном режиме не брать питание вообще. А пока пришел нежданчик с китайца ввиде тиристоров херовых. Надо попробовать заказать за нормальную цену.

Добавлено after 2 hours 8 minutes 46 seconds:
Буду лепить через мокасины. Проверил в железе работает как надо.


Вернуться наверх
 
Не в сети
 Заголовок сообщения: Re: Схема инвертерной электростанции
СообщениеДобавлено: Чт сен 26, 2024 10:22:24 
Это не хвост, это антенна
Аватар пользователя

Карма: 6
Рейтинг сообщений: 83
Зарегистрирован: Ср сен 03, 2008 21:42:17
Сообщений: 1351
Откуда: Ленинградская область,пос.Красный Остров
Рейтинг сообщения: 0
WatchCat писал(а):
А есть откуда "слизать" схему такого выпрямителя?

Пока мыслю так. Силу собираю по вот этой схеме.

Я её и имел в виду. И интересовался откуда "слизать" именно схему управления.
И желательно без необходимости изготовления импульсных трансформаторов.

Цитата:
Мосфеты тут не катят.

Почему? Выпрямители на мосфетах вполне себе существуют. Теоретически существует даже специальная
микросхема для управления,правда она недоставаемая.
https://ic.pics.livejournal.com/leoniv/ ... iginal.gif


Вернуться наверх
 
Эиком - электронные компоненты и радиодетали
Не в сети
 Заголовок сообщения: Re: Схема инвертерной электростанции
СообщениеДобавлено: Чт сен 26, 2024 10:52:05 
Друг Кота
Аватар пользователя

Карма: 146
Рейтинг сообщений: 6067
Зарегистрирован: Чт июн 04, 2009 21:06:49
Сообщений: 36290
Откуда: г.Мариинск
Рейтинг сообщения: 0
Медали: 1
Лучший человек Форума 2017 (1)
WatchCat писал(а):
Выпрямители на мосфетах вполне себе существуют.

Существуют, но они не умеют регулировать напряжение. :))

_________________
Тем кого не устаревает наличия ошибок в моем тексте, оставляю права не пользоваться моими советами или просто не читать мои сообщения.


Вернуться наверх
 
Не в сети
 Заголовок сообщения: Re: Схема инвертерной электростанции
СообщениеДобавлено: Чт сен 26, 2024 12:10:23 
Электрический кот

Карма: 1
Рейтинг сообщений: 215
Зарегистрирован: Сб сен 12, 2009 15:43:19
Сообщений: 1013
Рейтинг сообщения: 0
WatchCat писал(а):
Выпрямители на мосфетах вполне себе существуют.

Существуют, но они не умеют регулировать напряжение. :))

Идея была пересоединить обмотки на треугольник и собрать выпрямитель по схеме повышающего трехфазного ККМ. Как на фото. Само по себе такое устройство малополезно, но хочу попробовать эти же транзисторы использовать в качестве драйвера стартера для запуска движка. Дросселя ККМ в этом случае мешать не будут, т к частоты будут намного ниже.
Изображение


Вложения:
acdc_pfc_3ph_bgls_400v.gif [10.47 KiB]
Скачиваний: 807
Вернуться наверх
 
Не в сети
 Заголовок сообщения: Re: Схема инвертерной электростанции
СообщениеДобавлено: Пт сен 27, 2024 14:35:16 
Друг Кота
Аватар пользователя

Карма: 4
Рейтинг сообщений: 341
Зарегистрирован: Ср мар 31, 2010 09:33:22
Сообщений: 4876
Откуда: Владивосток
Рейтинг сообщения: 0
Дросселя ККМ в этом случае мешать не будут, т к частоты будут намного ниже.

В таком режиме эти дросселя не нужны или с минимальной индуктивностю .
Так работают движки с рекуперацией , вот схема управления построена на мк .

_________________
«Когда у общества нет цветовой дифференциации штанов, то нет цели!»

- Позвольте-с вас спросить, почему от вас так отвратительно пахнет?
- Ну, что ж, пахнет... известно. По специальности. Вчера котов душили, душили. (с)


Вернуться наверх
 
Не в сети
 Заголовок сообщения: Re: Схема инвертерной электростанции
СообщениеДобавлено: Пт сен 27, 2024 15:38:06 
Электрический кот

Карма: 1
Рейтинг сообщений: 215
Зарегистрирован: Сб сен 12, 2009 15:43:19
Сообщений: 1013
Рейтинг сообщения: 0
Дросселя нужны для повышающего ККМ. Там же на рисунке явно видно- 170-400В на входе, до киловольта на выходе. Нам столько не надо, поэтому на входе 100-200в, в зависимости от оборотов движка, на выходе 310- амплитудное для инвертора на переменку 220. Совсем без дросселей не получится- набор железа сердечника генератора таких частот не потянет. Там еще 3 конденсатора между обмотками и дросселями нужны- ВЧ фильтровать.
А в режиме запуска на шину постоянного тока подается 48 вольт от батареи безперебойника- это вполне достаточно чтобы запустить мотор.
Пока есть только проблема с софтом контроллера, потому что все примеры управления трехфазным ККМ предполагали постоянную частоту сети, а у нас частота переменная с оборотами двигателя, и высокая весьма. Поэтому пока эта часть макета не работает как надо.


Вернуться наверх
 
Не в сети
 Заголовок сообщения: Re: Схема инвертерной электростанции
СообщениеДобавлено: Пт сен 27, 2024 16:04:00 
Друг Кота
Аватар пользователя

Карма: 4
Рейтинг сообщений: 341
Зарегистрирован: Ср мар 31, 2010 09:33:22
Сообщений: 4876
Откуда: Владивосток
Рейтинг сообщения: 0
Хочу переделать инвертор под автозапуск.

Дросселя нужны для повышающего ККМ.

Хотелки меняются на ходу :)
А зачем вам 1 кв ? :facepalm:

И к тому-же для инверсии альтернатора в двигатель нужно добавить 3 датчика холла .

_________________
«Когда у общества нет цветовой дифференциации штанов, то нет цели!»

- Позвольте-с вас спросить, почему от вас так отвратительно пахнет?
- Ну, что ж, пахнет... известно. По специальности. Вчера котов душили, душили. (с)


Вернуться наверх
 
Не в сети
 Заголовок сообщения: Re: Схема инвертерной электростанции
СообщениеДобавлено: Пт сен 27, 2024 18:09:24 
Электрический кот

Карма: 1
Рейтинг сообщений: 215
Зарегистрирован: Сб сен 12, 2009 15:43:19
Сообщений: 1013
Рейтинг сообщения: 0
Не надо мне 1 кв- это картинка такая попалась в инете со схемой. Я же сказал- достаточно буста до 310В, но если будет больше на высоких оборотах- то не страшно, выходной мост перейдет в режим ШИМ с понижением напряжения. Главное, чтобы не выше 500В было, иначе транзисторы 600В лететь начнут, а более высоковольтные дороги и потери в них больше.
Датчики Холла да очень желательно, без них у меня получилось провернуть вал только с декомпрессором ( отжатыми клапанами движка).


Вернуться наверх
 
Не в сети
 Заголовок сообщения: Re: Схема инвертерной электростанции
СообщениеДобавлено: Пт сен 27, 2024 19:18:04 
Друг Кота
Аватар пользователя

Карма: 4
Рейтинг сообщений: 341
Зарегистрирован: Ср мар 31, 2010 09:33:22
Сообщений: 4876
Откуда: Владивосток
Рейтинг сообщения: 0
Я же сказал- достаточно буста до 310В

А оборотами не судьба ?
Ты хоть запуск сначала сделай инверсией в электродвигатель .
И тогда буст как собаке пятая лапа .

_________________
«Когда у общества нет цветовой дифференциации штанов, то нет цели!»

- Позвольте-с вас спросить, почему от вас так отвратительно пахнет?
- Ну, что ж, пахнет... известно. По специальности. Вчера котов душили, душили. (с)


Вернуться наверх
 
Не в сети
 Заголовок сообщения: Re: Схема инвертерной электростанции
СообщениеДобавлено: Сб сен 28, 2024 12:06:38 
Электрический кот

Карма: 1
Рейтинг сообщений: 215
Зарегистрирован: Сб сен 12, 2009 15:43:19
Сообщений: 1013
Рейтинг сообщения: 0
Так запуск не получается, если обмотки на низкое напряжение (треугольник) не перкоммутировать. Не хватает 48 вольт крутить генератора в режиме стартера с компрессией в цилиндрах. А 72 вольт батарея - редкость. Поэтому и буст появился- низковольтный генератор надо поднимать или обороты, что влияет на экономичность всей системы, или буст электронный делать. Понятно, что это более на мазохизм похоже, но другого варианта запустить новомодные инверторные блоки, где генератор со стороны маховика и второй конец вала мотора не выведен наружу дивигателя, как то не видно. А насадить венец стартера на магнитное колесо маховика надежно не получается. Можно купить готовое у китайцев, но они их только для дизелей делают, а там другой посадочный размер вала.


Вернуться наверх
 
Не в сети
 Заголовок сообщения: Re: Схема инвертерной электростанции
СообщениеДобавлено: Пн окт 14, 2024 16:01:33 
Родился

Зарегистрирован: Пн июл 22, 2024 07:16:32
Сообщений: 8
Рейтинг сообщения: 0
Фотки разобранного DU50 есть,(насчёт где взять 390вольт)

Можете поделиться фото разобранного DU50? Тоже предстоит отчищать компаунд.


Вернуться наверх
 
Не в сети
 Заголовок сообщения: Re: Схема инвертерной электростанции
СообщениеДобавлено: Пн окт 14, 2024 21:22:25 
Родился

Зарегистрирован: Пн окт 14, 2024 20:33:40
Сообщений: 2
Рейтинг сообщения: 0
Всем здравствуйте. Прочел почти всю ветку, много узнал.
Теперь к делу: являюсь счастливым обладателем генератора Endress 700ESE. ( Немецкий Kipor). 18 лет отработал и вот электронный блок вышел из строя. Мотор заводится и работает на минимальных оборотах, индикаторы не горят. Сгоревший блок VFS-07-22T. Как я понял, никакой это не инвертор, а трёхфазный частотный преобразователь с непосредственной связью. Все мои поиски этого блока никчему не привели. И вот в одной компании появился в продаже DUO07. Похож на мой, но не он. Вопрос к What Cat : возможно ли приладить неродной блок (электрически разумеется) чтобы на выходе была переменка 220 вольт и правильно работал привод заслонки карбюратора? Может у кого есть уже удачная практика с такими аппаратами?


Вернуться наверх
 
Не в сети
 Заголовок сообщения: Re: Схема инвертерной электростанции
СообщениеДобавлено: Вт окт 15, 2024 21:31:14 
Мучитель микросхем

Карма: 4
Рейтинг сообщений: 42
Зарегистрирован: Вс авг 16, 2015 13:08:53
Сообщений: 419
Рейтинг сообщения: 0
Маленький отчет о проделаной работе выходной части. Собрал, "чистый" синус. Холодильник мощностью 165 ватт, пускает в легкую. Необходимая емкость электролитов около 800 мкФ. На 400 мкф плохо пускается, практически не пускается. Что заметил. При напряжении 310 вольт на электролите, на выходе амплитудное 250 Вольт переменки. Я так понимаю часть напряжения съедает дроссель. Если питать с гены то надо держать напругу на электролитах около 350-380 вольт. Что касается защиты по току. Бывает отрабатывает когда втыкается с искрами импульсный блок питания ватт этак 12. (эту ситуацию брать в расчет пока не буду) Что касается "чистого" синуса на выходе, почему не пошел меандром. Есть подозрение что защита по току будет отрабатывать чаще (когда запускается холодильник) из-за искрения контактов. В синусе на выходе стоит кондер который должен гасить эти помехи. Есть вопрос гуру. Свистит дроссель частота шим 20 КГц. Почему?

Добавлено after 33 minutes 23 seconds:
По поводу "чистого" синуса. Щуп х10 Нагрузка 65 ватт лампа накаливания. Транзисторы чуть теплые без радиатора

Изображение


Вернуться наверх
 
Не в сети
 Заголовок сообщения: Re: Схема инвертерной электростанции
СообщениеДобавлено: Вт окт 22, 2024 04:42:10 
Это не хвост, это антенна
Аватар пользователя

Карма: 6
Рейтинг сообщений: 83
Зарегистрирован: Ср сен 03, 2008 21:42:17
Сообщений: 1351
Откуда: Ленинградская область,пос.Красный Остров
Рейтинг сообщения: 0
возможно ли приладить неродной блок


У меня были случаи успешного прикошачивания электронных блоков YangKee к Кипорам.
Но каждый случай требует очень тщательного исследования.
Например недавняя попытка поставить электронный блок от двухкиловаттного Бриггса с сдохшим мотором
на киловаттный Huter привела к тому что из блока пошел дымок,а двигатель оказался сильно нагружен,что
указывает на пробой какого-то из силовых ключей. Хотя подключено было правильно.
Подозреваю что у Huter электромашина выдала более высокое напряжение которое не съел блок от Бриггса.
Увы - удалить компаунд без поверждения деталей у меня ни разу не получалось,пробовал трижды за прошедшие
годы,больше даже пытаться не буду.

Добавлено after 2 minutes 28 seconds:
Что касается защиты по току. Бывает отрабатывает когда втыкается с искрами импульсный блок питания ватт этак 12.


У меня был китайский usb-зарядник от какого-то телефона,который гарантированно вырубал токовую защиту Кипора IG1000.
Был гневно разобран на запчасти.


Вернуться наверх
 
Не в сети
 Заголовок сообщения: Re: Схема инвертерной электростанции
СообщениеДобавлено: Вт окт 22, 2024 18:15:56 
Родился

Зарегистрирован: Пн окт 14, 2024 20:33:40
Сообщений: 2
Рейтинг сообщения: 0
Спасибо WatchCat. Может у вас есть распиновка блока DU07 220v 50 Hz? У меня вышел в отказ блок VFS-07-22T..Это 3-х фазный преобразователь частоты с непосредственной связью. Он выполнен в пластмассовом корпусе, залит компаундом. А придет DU07 на металлической основе, (он идёт в Фубаге). Разъемы очень похожи, но есть нюансы. С генератора на блок идёт 4 контакта (3фазы и ноль), на фото DU07 разъем 5 контактов(на картинке). И ещё где-то читал, надо менять полярность для светодиода на блоке управления двигателем.


Вернуться наверх
 
Не в сети
 Заголовок сообщения: Re: Схема инвертерной электростанции
СообщениеДобавлено: Вт окт 22, 2024 20:21:59 
Родился

Зарегистрирован: Пн июл 22, 2024 07:16:32
Сообщений: 8
Рейтинг сообщения: 0
Достался мне неисправный генератор fubag ti6000 с платой du50. Часть разъемов не была подключена, при запуске горит красный диод перегрузка. Начал потихоньку вникать, как он должен работать, но остались некоторые вопросы.
Как я понял, данный генератор имеет 2 независимых 3фазные обмотки, (на малых оборотах выдают в районе 160в переменки) которые идут каждая на свою «половинку» платы. Выходы половинок соединяются последовательно. Т.е каждая половина из первичных 160в делает 110в.
На одной из половин по входу КЗ по одной фазе.
Управление на шаговом двигателе заслонки карбюратора присутствует, заслонку двигает.
На данный момент есть несколько неясных для меня вопросов:
- 6 пин разъем блока индикации. Их 2 шт, проводка была подключена в разъем 1, разъем 2 в пыли и грязи, словно в него ничего не подключалось за все время работы;
- разъем с проводом, к чему он мог подключаться - я так и не смог найти. Предположу, что к переключателю экономичного режима.
Буду признателен за любые подсказки.
На выходных планирую начать ковырять компаунд.
Изображение


Вернуться наверх
 
Не в сети
 Заголовок сообщения: Re: Схема инвертерной электростанции
СообщениеДобавлено: Ср окт 23, 2024 19:20:15 
Мучитель микросхем

Карма: 4
Рейтинг сообщений: 42
Зарегистрирован: Вс авг 16, 2015 13:08:53
Сообщений: 419
Рейтинг сообщения: 0
Тема с отправкой генератора заглохла. По лазал по инету я так понял на заслонке обычный шаговик стоит, с родне ардуиновскому. Только выводов 4. Вот тут возникает вопрос его можно крутить через uln2003 или надо лепить биполярное питание? Пока инфы ноль.

Добавлено after 9 minutes 27 seconds:
Опыта ради собирал драйвер шаговика для биполярки получилось что то вот такое.
https://disk.yandex.ru/i/IuUBCBQCnTWy9w


Вернуться наверх
 
Не в сети
 Заголовок сообщения: Re: Схема инвертерной электростанции
СообщениеДобавлено: Ср окт 23, 2024 19:34:59 
Друг Кота
Аватар пользователя

Карма: 4
Рейтинг сообщений: 341
Зарегистрирован: Ср мар 31, 2010 09:33:22
Сообщений: 4876
Откуда: Владивосток
Рейтинг сообщения: 0
надо лепить биполярное питание? Пока инфы ноль.



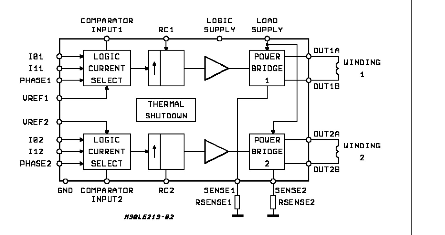
Так есть куча драйверов для биполярников , там два моста и логика .
Вот даташит на L6219 открыл -

DRV8825 недорогой и простой драйвер биполярных шаговиков .

Изображение


Вложения:
L6219.jpg [120.17 KiB]
Скачиваний: 91

_________________
«Когда у общества нет цветовой дифференциации штанов, то нет цели!»

- Позвольте-с вас спросить, почему от вас так отвратительно пахнет?
- Ну, что ж, пахнет... известно. По специальности. Вчера котов душили, душили. (с)
Вернуться наверх
 
Показать сообщения за:  Сортировать по:  Вернуться наверх
Начать новую тему Ответить на тему  [ Сообщений: 2622 ]     ... , , , 120, , , ...  

Часовой пояс: UTC + 3 часа


Кто сейчас на форуме

Сейчас этот форум просматривают: Croma и гости: 70


Вы не можете начинать темы
Вы не можете отвечать на сообщения
Вы не можете редактировать свои сообщения
Вы не можете удалять свои сообщения
Вы не можете добавлять вложения

Найти:
Перейти:  


Powered by phpBB © 2000, 2002, 2005, 2007 phpBB Group
Русская поддержка phpBB
Extended by Karma MOD © 2007—2012 m157y
Extended by Topic Tags MOD © 2012 m157y