Например TDA7294

Форум РадиоКот • Просмотр темы - Лабораторный БП PSL-3604
Форум РадиоКот
Здесь можно немножко помяукать :)

Текущее время: Чт янв 08, 2026 18:56:42

Часовой пояс: UTC + 3 часа


ПРЯМО СЕЙЧАС:



Начать новую тему Ответить на тему  [ Сообщений: 3934 ]     ... , , , 50, , , ...  
Автор Сообщение
Не в сети
 Заголовок сообщения: Re: Лабораторный БП PSL-3604
СообщениеДобавлено: Ср апр 10, 2013 17:56:39 
Друг Кота
Аватар пользователя

Карма: 82
Рейтинг сообщений: 1030
Зарегистрирован: Сб апр 02, 2011 12:40:46
Сообщений: 4779
Откуда: Минск
Рейтинг сообщения: 0
У меня есть STM32F100C4. Но его применение сильно затянет срок выхода БП. А вот внешнего 12-разрядного АЦП, который можно пристегнуть к ATmega8 - нет, и взять его негде. Да и применять его не очень хочется - будут трудности с повторением БП.


Вернуться наверх
 
Не в сети
 Заголовок сообщения: Re: Лабораторный БП PSL-3604
СообщениеДобавлено: Ср апр 10, 2013 17:59:15 
Встал на лапы

Карма: 1
Рейтинг сообщений: 11
Зарегистрирован: Пт июл 06, 2012 14:28:17
Сообщений: 108
Откуда: Россия. г.Смоленск
Рейтинг сообщения: 0
И спасибо вам за это.


Вернуться наверх
 
Не в сети
 Заголовок сообщения: Re: Лабораторный БП PSL-3604
СообщениеДобавлено: Ср апр 10, 2013 20:02:58 
Друг Кота
Аватар пользователя

Карма: 82
Рейтинг сообщений: 1030
Зарегистрирован: Сб апр 02, 2011 12:40:46
Сообщений: 4779
Откуда: Минск
Рейтинг сообщения: 1
- Стоит ли делать вход внешней модуляции, чтобы можно было добавить к выходному напряжению пульсации? Если да, то каким значением ограничить полосу и какой сделать чувствительность? По идее, можно и программно генерить добавку в виде пилы до сотен герц. Но нужно ли?

- Нужно ли заботиться о нижнем крае диапазона? АЦП и ЦАП однополярные, точно от нуля не работают. В китайском клоне Agilent U8002A приняты специальные меры (выделено розовым). Но нужно ли? Для ЦАП ATxmega пишут, что Vout < 30 mV, это значит, на выходе БП может быть до 450 mV. Наверное, это много?


Вложения:
Комментарий к файлу: китайский клон Agilent U8002A
ch8002.gif [51.06 KiB]
Скачиваний: 1181
Комментарий к файлу: художественный набросок компоновки БП :)
trash.jpg [215.44 KiB]
Скачиваний: 877
Вернуться наверх
 
Не в сети
 Заголовок сообщения: Re: Лабораторный БП PSL-3604
СообщениеДобавлено: Ср апр 10, 2013 20:12:23 
Опытный кот
Аватар пользователя

Карма: 10
Рейтинг сообщений: 29
Зарегистрирован: Пн май 17, 2010 22:21:01
Сообщений: 832
Откуда: Madagaskar
Рейтинг сообщения: 0
Леонид Иванович писал(а):
А вот внешнего 12-разрядного АЦП, который можно пристегнуть к ATmega8 - нет, и взять его негде. Да и применять его не очень хочется - будут трудности с повторением БП.

Не у всех будут трудности, потому как у нас к примеру его можно пойти и купить,
правда сейчас вижу только в дип корпусе, а цену перестали писать на сайте....
Завтра позвоню узнаю сколько он стоит.
Леонид Иванович, а какой можно применить АЦП от AD ?
Есть у нас в городе представитель этой фирмы, можно будет заказать.


Вернуться наверх
 
Эиком - электронные компоненты и радиодетали
Не в сети
 Заголовок сообщения: Re: Лабораторный БП PSL-3604
СообщениеДобавлено: Ср апр 10, 2013 21:22:07 
Это не хвост, это антенна

Карма: 45
Рейтинг сообщений: 277
Зарегистрирован: Ср мар 02, 2011 20:05:39
Сообщений: 1451
Откуда: Карельский перешеек
Рейтинг сообщения: 0
Медали: 1
Получил миской по аватаре (1)
Леонид Иванович писал(а):
У меня есть STM32F100C4. Но его применение сильно затянет срок выхода БП. А вот внешнего 12-разрядного АЦП, который можно пристегнуть к ATmega8 - нет, и взять его негде. Да и применять его не очень хочется - будут трудности с повторением БП.


Кроме трудностей с добыванием, видится еще и трудность с любым 12-разрядным АЦП (хоть внешним, хоть в составе МК). Кто-нибудь думал о том, чем и по какой методике калибровать, после того, как сделаешь? Это же нужен эталонный источник или измеритель, классом как минимум на порядок выше. Где взять такой для всего диапазона? А ИОНы с точностью до 5-го знака после запятой тогда должны быть что ли, чтобы быть увереным, что последний знак на дисплее - это не декоративное оформление передней панели? Или как?

Я позвонил сегодня двум знакомым завлабам нашего (питерского) ФизТеха с просьбой приехать и померить у них 3,452А с точностью до 1ma. Учёные 70-летние мужи в ответ предложили мне раз уж дурью маяться, то по-полной, и еще и растояние от Питера до Москвы указывать везде в миллиметрах :).

Или это всё же не такая и большая проблема, как я себе придумал?


Вернуться наверх
 
Не в сети
 Заголовок сообщения: Re: Лабораторный БП PSL-3604
СообщениеДобавлено: Ср апр 10, 2013 21:59:32 
Собутыльник Кота
Аватар пользователя

Карма: 40
Рейтинг сообщений: 372
Зарегистрирован: Вс июл 17, 2011 11:51:52
Сообщений: 2623
Рейтинг сообщения: 0
Поскольку лабораторный БП эксплуатируется в легких температурных условиях (+10..+40С окружающий воздух, пусть за счёт саморазогрева до +60С), то больших трудностей с температурным дрейфом компонентов быть не должно.
Если речь об абсолютной точности, то да, приборы лучше чем 0,1% достаточно дороги и их не так много на руках, к тому же их нужно периодически поверять. Но часто достаточно относительной точности, т.е. самый лучший имеющийся прибор считаем эталоном и по нему калибруем остальные.
Измерять 3,425А с абсолютной точностью 1мА не часто нужно, а вот наблюдать изменение этого тока на единицы мА бывает полезно, даже если само абсолютное значение при этом имеет погрешность существенно больше 1мА
Для калибровки измерителя с 12-разрядным АЦП нужен даже не 4 1/2 разрядный мультиметр, а 3 3/4, но можете откалибровать и по 3 1/2 разрядному. По всему диапазону калибровать не нужно, достаточно в двух точках


Вернуться наверх
 
Не в сети
 Заголовок сообщения: Re: Лабораторный БП PSL-3604
СообщениеДобавлено: Ср апр 10, 2013 22:14:04 
Друг Кота
Аватар пользователя

Карма: 82
Рейтинг сообщений: 1030
Зарегистрирован: Сб апр 02, 2011 12:40:46
Сообщений: 4779
Откуда: Минск
Рейтинг сообщения: 0
И все-таки, какие будут мнения по вопросам: viewtopic.php?p=1644977#p1644977


Вернуться наверх
 
Не в сети
 Заголовок сообщения: Re: Лабораторный БП PSL-3604
СообщениеДобавлено: Ср апр 10, 2013 22:31:13 
Встал на лапы
Аватар пользователя

Карма: 4
Рейтинг сообщений: 22
Зарегистрирован: Сб апр 19, 2008 12:26:13
Сообщений: 88
Откуда: Херсон
Рейтинг сообщения: 0
Леонид Иванович писал(а):
мнения по вопросам

хотелось бы иметь нижний предел как можно ближе к 0. но если это потянет за собой усложнение схемы, то можно смириться и с 450mV.

_________________
До начала работы над проектом следует тщательно продумать все возможные ошибки и связи между ними.
Это значительно упростит работу над ошибками в самом проекте. (с)


Вернуться наверх
 
Не в сети
 Заголовок сообщения: Re: Лабораторный БП PSL-3604
СообщениеДобавлено: Ср апр 10, 2013 22:47:21 
Друг Кота
Аватар пользователя

Карма: 82
Рейтинг сообщений: 1030
Зарегистрирован: Сб апр 02, 2011 12:40:46
Сообщений: 4779
Откуда: Минск
Рейтинг сообщения: 0
По идее, если использовать STM32, то можно включить режим работы ЦАП без буфера, тогда на выходе БП в минимуме будет менее 10 мВ.


Вернуться наверх
 
Не в сети
 Заголовок сообщения: Re: Лабораторный БП PSL-3604
СообщениеДобавлено: Ср апр 10, 2013 22:58:07 
Встал на лапы
Аватар пользователя

Карма: 4
Рейтинг сообщений: 22
Зарегистрирован: Сб апр 19, 2008 12:26:13
Сообщений: 88
Откуда: Херсон
Рейтинг сообщения: 1
с одной стороны
Леонид Иванович писал(а):
У меня есть STM32F100C4. Но его применение сильно затянет срок выхода БП.

а с другой, Леонид Иванович, Вы когда-то сказали, что этот блок питания - шанс освоить STM32.
я в данной ситуации на стороне получения новых знаний. тем более, ув. koyodza не отказывается помочь в освоении.

_________________
До начала работы над проектом следует тщательно продумать все возможные ошибки и связи между ними.
Это значительно упростит работу над ошибками в самом проекте. (с)


Вернуться наверх
 
Не в сети
 Заголовок сообщения: Re: Лабораторный БП PSL-3604
СообщениеДобавлено: Чт апр 11, 2013 09:12:16 
Друг Кота
Аватар пользователя

Карма: 82
Рейтинг сообщений: 1030
Зарегистрирован: Сб апр 02, 2011 12:40:46
Сообщений: 4779
Откуда: Минск
Рейтинг сообщения: 1
Lazy-Cat писал(а):
а какой можно применить АЦП от AD ? Есть у нас в городе представитель этой фирмы, можно будет заказать.


Не думаю, что радиолюбители обрадуются такому решению.

kot-69 писал(а):
хотелось бы иметь нижний предел как можно ближе к 0. но если это потянет за собой усложнение схемы


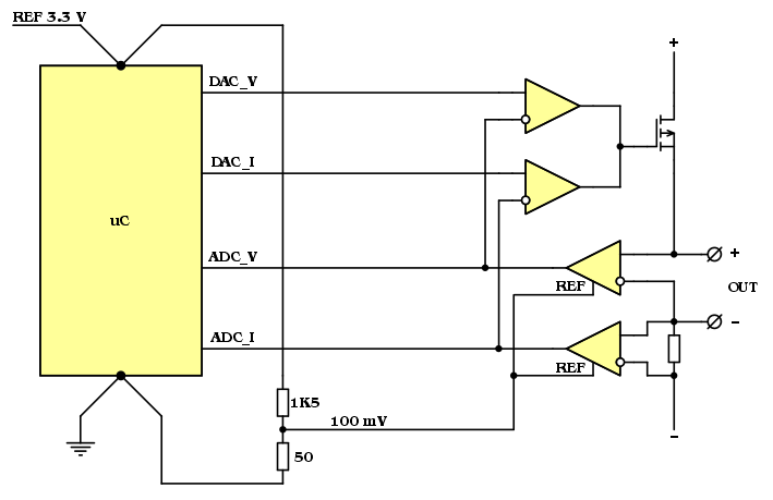
Конечно хотелось бы. Однополярная система не может быть скалибрована в принципе. Поэтому в клоне U8002A приняли специальные меры - искусственно добавили смещение. Это смещение пропорционально опорному напряжению ЦАП/АЦП и добавляется отдельно в тракт каждого канала ЦАП и АЦП, что вызывает усложнение схемы. К тому же, в тракте нужно еще найти точку, куда это смещение можно корректно добавить, хорошо, если есть инвертирующие каскады на ОУ. Как мне кажется, в PSL-3604 эту задачу можно решить проще, всего одним резисторным делителем:

Изображение

Напряжение на выходе делителя выбирается чуть больше, чем нужно для компенсации неидеальности ЦАП и АЦП вблизи нуля и возможного напряжения смещения ОУ. Делитель можно буферизовать повторителем на ОУ, хотя ток входов REF дифференциальных усилителей не превышает 5 мкА, что при достаточно низкоомном делителе даст погрешность меньше кванта ЦАП/АЦП. При наличии смещения тракт может быть скалиброван и будет работать точно от нуля. Естественно, введение смещения требует обязательной калибровки по двум точкам. Кроме всего прочего, такое решение дает возможность применить дешевые ОУ, например, TL082. У них смещение довольно велико, а вот температурный дрейф вполне устраивает: 18 мкВ/°C даст ошибку не более 1-го кванта 12-разрядного ЦАП в диапазоне температур до 40°C. Где моя ошибка?


Вложения:
shift.gif [13.63 KiB]
Скачиваний: 3063
Вернуться наверх
 
Не в сети
 Заголовок сообщения: Re: Лабораторный БП PSL-3604
СообщениеДобавлено: Чт апр 11, 2013 09:19:36 
Собутыльник Кота
Аватар пользователя

Карма: 40
Рейтинг сообщений: 372
Зарегистрирован: Вс июл 17, 2011 11:51:52
Сообщений: 2623
Рейтинг сообщения: 0
Нигде, я думаю. Вы сейчас повторили мой путь рассуждений. Немного отличается реализация, но принцип тот же


Вернуться наверх
 
Не в сети
 Заголовок сообщения: Re: Лабораторный БП PSL-3604
СообщениеДобавлено: Чт апр 11, 2013 11:34:42 
Мучитель микросхем
Аватар пользователя

Карма: 6
Рейтинг сообщений: 79
Зарегистрирован: Вт дек 07, 2010 15:34:19
Сообщений: 475
Откуда: UA
Рейтинг сообщения: 0
Леонид Иванович, вижу плату выходного усилителя уже развели. Изменения в схеме были?


Вернуться наверх
 
Не в сети
 Заголовок сообщения: Re: Лабораторный БП PSL-3604
СообщениеДобавлено: Чт апр 11, 2013 12:16:03 
Друг Кота
Аватар пользователя

Карма: 82
Рейтинг сообщений: 1030
Зарегистрирован: Сб апр 02, 2011 12:40:46
Сообщений: 4779
Откуда: Минск
Рейтинг сообщения: 1
Да, были. Вот схема того, что сейчас разведено. Скорее всего, какие-нибудь мелкие изменения еще будут.


Вложения:
PSL-3604_out_sch.pdf [57.41 KiB]
Скачиваний: 1156
Вернуться наверх
 
Не в сети
 Заголовок сообщения: Re: Лабораторный БП PSL-3604
СообщениеДобавлено: Чт апр 11, 2013 14:16:51 
Собутыльник Кота
Аватар пользователя

Карма: 40
Рейтинг сообщений: 372
Зарегистрирован: Вс июл 17, 2011 11:51:52
Сообщений: 2623
Рейтинг сообщения: 0
А где токовый шунт? Если он это R25-R28, то где съём напряжения с него? И не будет ли мешать DownProgrammer?
Какой смысл диода VD1, если отрицательное напряжение на эмиттере можно легко компенсировать делителем в базе? Только чтобы избежать отрицательного втекающего тока в МК?
DownProgrammer макетировали? Есть сомнения, что ему хватит управляющего напряжения для открывания


Вернуться наверх
 
Не в сети
 Заголовок сообщения: Re: Лабораторный БП PSL-3604
СообщениеДобавлено: Чт апр 11, 2013 14:51:35 
Друг Кота
Аватар пользователя

Карма: 82
Рейтинг сообщений: 1030
Зарегистрирован: Сб апр 02, 2011 12:40:46
Сообщений: 4779
Откуда: Минск
Рейтинг сообщения: 1
koyodza писал(а):
А где токовый шунт? Если он это R25-R28, то где съём напряжения с него?


Нет, это не шунт, это датчик тока быстрой защиты. Шунт расположен на плате усилителей ошибки.

koyodza писал(а):
Какой смысл диода VD1, если отрицательное напряжение на эмиттере можно легко компенсировать делителем в базе?


Да, можно и делителем. Сигнал ON идет прямо на ножку процессора, решил заодно защититься от случайного попадания туда высокого положительного напряжения при замыкании на выходной плате. В общем согласен, диод не обязательный.

koyodza писал(а):
DownProgrammer макетировали? Есть сомнения, что ему хватит управляющего напряжения для открывания


Не макетировал, только моделировал. Вроде, открывается нормально. VN у меня будет порядка -10 В.
На графике скачок 24 В -> 0 В на нагрузке 10 Ом с емкостью на выходе 10 мкФ:
- зеленый: напряжение на нагрузке
- синий: коллектор VT8
- желтый: разность напряжений затвор-исток транзистора DownProgrammer VT15
- розовый: ток DownProgrammer, где на желтом графике полка, ток стабилизирован на уровне примерно 250 мА.


Вложения:
dp.gif [10.2 KiB]
Скачиваний: 858
Вернуться наверх
 
Не в сети
 Заголовок сообщения: Re: Лабораторный БП PSL-3604
СообщениеДобавлено: Чт апр 11, 2013 15:41:46 
Собутыльник Кота
Аватар пользователя

Карма: 40
Рейтинг сообщений: 372
Зарегистрирован: Вс июл 17, 2011 11:51:52
Сообщений: 2623
Рейтинг сообщения: 0
Получается, у Вас DownProgrammer не работает в установившемся режиме стабилизации напряжения до момента 2.600 мсек
При малом токе нагрузки может получиться очень плохая динамика. Или выход чем-то подгружен на другой плате?


Вернуться наверх
 
Не в сети
 Заголовок сообщения: Re: Лабораторный БП PSL-3604
СообщениеДобавлено: Чт апр 11, 2013 16:48:19 
Друг Кота
Аватар пользователя

Карма: 82
Рейтинг сообщений: 1030
Зарегистрирован: Сб апр 02, 2011 12:40:46
Сообщений: 4779
Откуда: Минск
Рейтинг сообщения: 0
Выход нагружен только на делитель местной обратной связи (примерно 10 кОм). Вы имеете в виду отсутствие тока покоя выходного каскада? Пробовал делать, особого выигрыша не дало. На данный момент отказался. Вот график переходов 12 <-> 24 В для источника без нагрузки:


Вложения:
no_load.gif [15.28 KiB]
Скачиваний: 677
Вернуться наверх
 
Не в сети
 Заголовок сообщения: Re: Лабораторный БП PSL-3604
СообщениеДобавлено: Чт апр 11, 2013 16:52:18 
Собутыльник Кота
Аватар пользователя

Карма: 40
Рейтинг сообщений: 372
Зарегистрирован: Вс июл 17, 2011 11:51:52
Сообщений: 2623
Рейтинг сообщения: 0
Ну раз Вы так безоговорочно верите симулятору... Как хотите


Вернуться наверх
 
Не в сети
 Заголовок сообщения: Re: Лабораторный БП PSL-3604
СообщениеДобавлено: Чт апр 11, 2013 18:08:03 
Друг Кота
Аватар пользователя

Карма: 82
Рейтинг сообщений: 1030
Зарегистрирован: Сб апр 02, 2011 12:40:46
Сообщений: 4779
Откуда: Минск
Рейтинг сообщения: 0
Вы так говорите, как будто я Вам возражаю. Просто до макетирования еще не дошло, пока есть только результаты симуляции. Всё еще впереди.


Вернуться наверх
 
Показать сообщения за:  Сортировать по:  Вернуться наверх
Начать новую тему Ответить на тему  [ Сообщений: 3934 ]     ... , , , 50, , , ...  

Часовой пояс: UTC + 3 часа


Кто сейчас на форуме

Сейчас этот форум просматривают: нет зарегистрированных пользователей и гости: 68


Вы не можете начинать темы
Вы не можете отвечать на сообщения
Вы не можете редактировать свои сообщения
Вы не можете удалять свои сообщения
Вы не можете добавлять вложения

Найти:
Перейти:  


Powered by phpBB © 2000, 2002, 2005, 2007 phpBB Group
Русская поддержка phpBB
Extended by Karma MOD © 2007—2012 m157y
Extended by Topic Tags MOD © 2012 m157y