Например TDA7294

Форум РадиоКот • Просмотр темы - Блок питания Velleman 7200
Форум РадиоКот
Здесь можно немножко помяукать :)

Текущее время: Вт фев 17, 2026 05:08:54

Часовой пояс: UTC + 3 часа


ПРЯМО СЕЙЧАС:



Начать новую тему Ответить на тему  [ Сообщений: 22 ]  1,  
Автор Сообщение
Не в сети
 Заголовок сообщения: Блок питания Velleman 7200
СообщениеДобавлено: Сб ноя 06, 2021 15:36:03 
Открыл глаза

Карма: -3
Рейтинг сообщений: -4
Зарегистрирован: Вс янв 03, 2016 09:58:37
Сообщений: 70
Рейтинг сообщения: 0
Всем привет. Практически подошел к завершению мой проект с этим блоком питания. Большую часть времени потратил на корпусные работы. Вчера включил в первый раз, обнаружились проблемки. Вот, кто может, помогите разобраться.
Проблема 1 - силовые транзисторы (6 штук TIP3055) у меня разделены на две платы, они между собой соединены. При работе под нагрузкой (лампочка 12 вольт) нагревается только первая часть транзисторов. Вторая часть холодная.
Проблема 2. Не совсем понятно с установкой максимального и минимального тока. Для этого в схеме предназначены RV1 и RV2. Установил по написанному. Потом с помощью RV3 я выкручиваю ток совсем немного, процентов 10, лампочка потребляет 1,8 ампера при 4 вольтах. По идее ток должен отсечься, но не отсекается. Только если выкрутить на максимум (как я и настроил с помощью RV1 и RV2) светодиод загорается и ток отсекается. Если RV3 вообще выкрутить на минимум, все работает как и работало, никаких изменений. Может неправильно подключены выводы RV3? Хотя, вроде правильно.
Проблема 3. Не понимаю, куда автор оригинальной статьи планировал подключать амперметр. По идее, параллельно нагрузочным резисторам, ну как я понимаю. Вот я так попробовал, ничего не показывает. Попробовал отключить вообще эти нагрузочные сопротивления (вместо проволоки в оригинальной статье я использовал два сопротивления 100 ватт 0,1 Ом в параллель) - сразу загорелся светодиод отсечки тока. Ну тогда подключил амперметр через шунт в минусовой вывод - нормально показывает. Хочется понять роль нагрузочных сопротивлений и как в оригинале должен был подключаться амперметр у автора?
Вместо оригинальных схем вольтметра и амперметра я использовал китайские раздельные вольтметр и амперметр с 0,56 дюйма. Питаются от отдельного источника.
Прикрепил свою плату (файл БП),
оригинальную схемуИзображение,
статью
Изображениеоригинальную печатную плату автора статьи. Буду рад любой помощи!!!


Вложения:
БП.lay6 [278.56 KiB]
Скачиваний: 403
Вернуться наверх
 
Не в сети
 Заголовок сообщения: Re: Блок питания Velleman 7200
СообщениеДобавлено: Сб ноя 06, 2021 16:38:31 
Друг Кота
Аватар пользователя

Карма: 146
Рейтинг сообщений: 6067
Зарегистрирован: Чт июн 04, 2009 21:06:49
Сообщений: 36290
Откуда: г.Мариинск
Рейтинг сообщения: 1
Медали: 1
Лучший человек Форума 2017 (1)
1. 2 варианта. Первый где то ошибка или неисправный элемент. Второй разная длинна соединительных проводов.
2. Устанавливаешь переменник в максимум подключаешь максимальную нагрузку, подстроечником МАХ добиваешся отсечки. Устанавливаешь переменник в минимум в режиме ХХ построечником МIN устанавливаешь на гране отсечки. Но надо помнить что регулировки взаимосвязаны и их нужно повторять несколько раз, схема не фонтан.
3. В качестве амперметра там используется миливольтметр подключенный к контакту +CS.

_________________
Тем кого не устаревает наличия ошибок в моем тексте, оставляю права не пользоваться моими советами или просто не читать мои сообщения.


Вернуться наверх
 
Не в сети
 Заголовок сообщения: Re: Блок питания Velleman 7200
СообщениеДобавлено: Сб ноя 06, 2021 18:18:32 
Открыл глаза

Карма: -3
Рейтинг сообщений: -4
Зарегистрирован: Вс янв 03, 2016 09:58:37
Сообщений: 70
Рейтинг сообщения: 0
Спасибо что ответили. Насчет подстройки понял, сделаю. Да, я вижу на схеме +CS. В моей ПП предусмотрены два вывода для подключения амперметра. Один - к нагрузочным сопротивлениям, другой - к минусовому выходу. Вроде ж правильно. Но в этих точках ничего нет.


Вернуться наверх
 
Не в сети
 Заголовок сообщения: Re: Блок питания Velleman 7200
СообщениеДобавлено: Сб ноя 06, 2021 19:42:40 
Друг Кота
Аватар пользователя

Карма: 146
Рейтинг сообщений: 6067
Зарегистрирован: Чт июн 04, 2009 21:06:49
Сообщений: 36290
Откуда: г.Мариинск
Рейтинг сообщения: 1
Медали: 1
Лучший человек Форума 2017 (1)
Туда не амперметр подключают, а миливолтметр который будет работать как амперметр. Он измеряет падение напряжения напряжение на резисторах. Если хочешь подключить амперметр то его шунт нужно включить вместо резисторов шунта R37-R40. Но возможно придётся подбирать резисторы обвязки IC3.

_________________
Тем кого не устаревает наличия ошибок в моем тексте, оставляю права не пользоваться моими советами или просто не читать мои сообщения.


Вернуться наверх
 
Эиком - электронные компоненты и радиодетали
Не в сети
 Заголовок сообщения: Re: Блок питания Velleman 7200
СообщениеДобавлено: Сб ноя 06, 2021 19:55:01 
Открыл глаза

Карма: -3
Рейтинг сообщений: -4
Зарегистрирован: Вс янв 03, 2016 09:58:37
Сообщений: 70
Рейтинг сообщения: 0
Да, это вольтметр, измеряющий падение напряжения. Я раньше видел где-то на просторах уже готовый блок по этой схеме, и там вместо нагрузочных сопротивлений был использован мощный резистор. Я сделал по этому примеру - поставил два сопротивления 0,1 ом по 100 ватт каждый параллельно. А использовать эти сопротивления в качестве шунта амперметра нельзя?

Добавлено after 2 minutes 12 seconds:
1. 2 варианта. Первый где то ошибка или неисправный элемент. Второй разная длинна соединительных проводов.

Скажите, разница в 1-2 см существенна? В качестве соединения использован провод сечением 2,5 мм 2.


Вернуться наверх
 
Не в сети
 Заголовок сообщения: Re: Блок питания Velleman 7200
СообщениеДобавлено: Сб ноя 06, 2021 19:59:15 
Друг Кота
Аватар пользователя

Карма: 146
Рейтинг сообщений: 6067
Зарегистрирован: Чт июн 04, 2009 21:06:49
Сообщений: 36290
Откуда: г.Мариинск
Рейтинг сообщения: 1
Медали: 1
Лучший человек Форума 2017 (1)
tom77 писал(а):
А использовать эти сопротивления в качестве шунта амперметра нельзя?
Лучше использовать шунт амперметра в качестве этих резисторов.
tom77 писал(а):
Скажите, разница в 1-2 см существенна?
Нарисуй как разведены провода блоков транзисторов.

_________________
Тем кого не устаревает наличия ошибок в моем тексте, оставляю права не пользоваться моими советами или просто не читать мои сообщения.


Вернуться наверх
 
Не в сети
 Заголовок сообщения: Re: Блок питания Velleman 7200
СообщениеДобавлено: Сб ноя 06, 2021 20:04:27 
Друг Кота

Карма: 62
Рейтинг сообщений: 750
Зарегистрирован: Пт авг 04, 2017 19:36:00
Сообщений: 5635
Откуда: постнурсултанат Боратистан
Рейтинг сообщения: 0
Одной измерительной головкой можно измерять и напряжение и ток - по очереди. Двусторонним тумблером переключать головку, то к добавочному резистору вольтметра, то к шунту амперметра. Одной секции хватает при оптимальной схеме.


Вернуться наверх
 
Не в сети
 Заголовок сообщения: Re: Блок питания Velleman 7200
СообщениеДобавлено: Сб ноя 06, 2021 20:15:28 
Открыл глаза

Карма: -3
Рейтинг сообщений: -4
Зарегистрирован: Вс янв 03, 2016 09:58:37
Сообщений: 70
Рейтинг сообщения: 0
tom77 писал(а):
А использовать эти сопротивления в качестве шунта амперметра нельзя?
Лучше использовать шунт амперметра в качестве этих резисторов.
tom77 писал(а):
Скажите, разница в 1-2 см существенна?
Нарисуй как разведены провода блоков транзисторов.


Да, конечно. Вот две идентичные платки, стрелки - это провода подключения к основной схеме. Соединения отмечены снизу. Прошу прощения, рисовал в пейнте.
Изображение


Вернуться наверх
 
Не в сети
 Заголовок сообщения: Re: Блок питания Velleman 7200
СообщениеДобавлено: Сб ноя 06, 2021 20:25:59 
Друг Кота
Аватар пользователя

Карма: 146
Рейтинг сообщений: 6067
Зарегистрирован: Чт июн 04, 2009 21:06:49
Сообщений: 36290
Откуда: г.Мариинск
Рейтинг сообщения: 0
Медали: 1
Лучший человек Форума 2017 (1)
Я так подозреваю что левая меньше греется?

_________________
Тем кого не устаревает наличия ошибок в моем тексте, оставляю права не пользоваться моими советами или просто не читать мои сообщения.


Вернуться наверх
 
Не в сети
 Заголовок сообщения: Re: Блок питания Velleman 7200
СообщениеДобавлено: Сб ноя 06, 2021 20:27:50 
Открыл глаза

Карма: -3
Рейтинг сообщений: -4
Зарегистрирован: Вс янв 03, 2016 09:58:37
Сообщений: 70
Рейтинг сообщения: 0
Да, левая. ГДЕ я накосячил?


Вернуться наверх
 
Не в сети
 Заголовок сообщения: Re: Блок питания Velleman 7200
СообщениеДобавлено: Сб ноя 06, 2021 20:41:15 
Сверлит текстолит когтями
Аватар пользователя

Карма: 15
Рейтинг сообщений: 384
Зарегистрирован: Чт янв 12, 2012 19:32:15
Сообщений: 1249
Откуда: Belarus
Рейтинг сообщения: 1
может, лучше так? Силовые дорожки лучше усилить напайкой голого медного провода по всему пути тока. В фирменных комповых БП такое часто встречается. Соединительные провода должны быть максимально толстыми и короткими.
P.S. Заменил картинку на более адекватную.


Вложения:
2nzh6x34.jpg [42.06 KiB]
Скачиваний: 315


Последний раз редактировалось Agaev Сб ноя 06, 2021 20:51:44, всего редактировалось 1 раз.
Вернуться наверх
 
Не в сети
 Заголовок сообщения: Re: Блок питания Velleman 7200
СообщениеДобавлено: Сб ноя 06, 2021 20:49:50 
Открыл глаза

Карма: -3
Рейтинг сообщений: -4
Зарегистрирован: Вс янв 03, 2016 09:58:37
Сообщений: 70
Рейтинг сообщения: 0
Логика понятна. Я дорожки просто залудил большим количеством припоя. А вот с длиной проводов - в оригинальном блоке питания транзисторы тоже разнесены на два боковых радиатора, и расстояние между ними - около 15 см. У меня тоже около 15 см. Но насчет голого медного провода я согласен. Исправлюсь.


Вернуться наверх
 
Не в сети
 Заголовок сообщения: Re: Блок питания Velleman 7200
СообщениеДобавлено: Сб ноя 06, 2021 20:53:49 
Сверлит текстолит когтями
Аватар пользователя

Карма: 15
Рейтинг сообщений: 384
Зарегистрирован: Чт янв 12, 2012 19:32:15
Сообщений: 1249
Откуда: Belarus
Рейтинг сообщения: 1
Исправил картинку. Если транзисторы разнесены, то желательно сделать одинаковую длину силовых проводов от каждой планки.


Вернуться наверх
 
Не в сети
 Заголовок сообщения: Re: Блок питания Velleman 7200
СообщениеДобавлено: Сб ноя 06, 2021 20:59:45 
Открыл глаза

Карма: -3
Рейтинг сообщений: -4
Зарегистрирован: Вс янв 03, 2016 09:58:37
Сообщений: 70
Рейтинг сообщения: 0
Максимум на 1 см могут отличаться. Так, в целом ровные. Но я понял.
А вот какой момент я не понимаю - если левую планку вверху тоже подключить?


Вернуться наверх
 
Не в сети
 Заголовок сообщения: Re: Блок питания Velleman 7200
СообщениеДобавлено: Сб ноя 06, 2021 21:07:39 
Друг Кота
Аватар пользователя

Карма: 146
Рейтинг сообщений: 6067
Зарегистрирован: Чт июн 04, 2009 21:06:49
Сообщений: 36290
Откуда: г.Мариинск
Рейтинг сообщения: 0
Медали: 1
Лучший человек Форума 2017 (1)
Убрать провод эмиттера с низу. Добавить провод эмиттера сверху левой платы и соеденить этот провод с платой управления. На плату управления должны идти 2 провода эмиттера с 2х плат одинаковой длинны.
Изображение

_________________
Тем кого не устаревает наличия ошибок в моем тексте, оставляю права не пользоваться моими советами или просто не читать мои сообщения.


Последний раз редактировалось Телекот Сб ноя 06, 2021 21:11:54, всего редактировалось 1 раз.

Вернуться наверх
 
Не в сети
 Заголовок сообщения: Re: Блок питания Velleman 7200
СообщениеДобавлено: Сб ноя 06, 2021 21:11:37 
Открыл глаза

Карма: -3
Рейтинг сообщений: -4
Зарегистрирован: Вс янв 03, 2016 09:58:37
Сообщений: 70
Рейтинг сообщения: 0
Вот это я думаю и должно помочь!!! Спасибо, уважаемый Телекот!
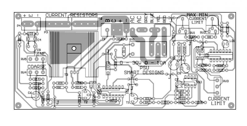
Вот прошу еще посмотреть такой момент: на моей ПП правильно ли подключены нагрузочные резисторы (вместо них я подключу шунт амперметра) - отмечены на изображении желтыми птичками. Что-то меня сомнения берут. То есть не противоречит ли такое включение оригинальной схеме?

Изображение

Продолжаю эксперименты. Выявил такую проблему: нагрузка - лампочка 12 вольт. Заранее измерил потребление на другом ЛБП - на 3 вольтах съела 1,5 ампера. Ставлю эту лампу в нагрузку к этому БП. Выставляю на нем 3 вольта.
1. Замеряю потребление на нагрузочных сопротивлениях без подключения шунта - показывает 0,15 ампера. Если увеличивать напряжение - изменяется ток, то есть движение есть, только сильно занижены показания.
2. Вместо нагрузочных сопротивлений подключаю шунт аперметра (на 50 ампер) и замеряю на нем - показывает итого меньше - 0,002. И движения тока при изменении напряжения нет.
3. Возвращаю нагрузочные сопротивления на место, подключаю в минусовую цепь шунт, меряю на нем - 0,001 ампера.
4. Убираю нагрузочные сопротивления вообще, в минусовой цепи установлен шунт, включаю БП - сразу загорается диод отсечки тока. Показаний нет естественно.

То есть нигде мне не показало нагрузку 1,5 ампера. Буду признателен за высказанные мнения. Вариант "выбросить его" не рассматриваю). Хочется же добить до толку.


Вернуться наверх
 
Не в сети
 Заголовок сообщения: Re: Блок питания Velleman 7200
СообщениеДобавлено: Пн ноя 08, 2021 07:35:17 
Открыл глаза

Карма: -3
Рейтинг сообщений: -4
Зарегистрирован: Вс янв 03, 2016 09:58:37
Сообщений: 70
Рейтинг сообщения: 0
Видно, я сильно накосячил, пытаясь уменьшить оригинальную плату...
Братья, подскажите, хотя бы проверенную схему линейного ЛБП 0-30 вольт 10 ампер с регулировкой напряжения и тока, желательно на реле. Просто если я сейчас все-таки сделаю оригинальную ПП из статьи, она уже не влезет в мой корпус...


Вернуться наверх
 
Не в сети
 Заголовок сообщения: Re: Блок питания Velleman 7200
СообщениеДобавлено: Чт ноя 11, 2021 03:42:18 
Друг Кота
Аватар пользователя

Карма: 100
Рейтинг сообщений: 431
Зарегистрирован: Вс фев 07, 2010 00:44:56
Сообщений: 11543
Рейтинг сообщения: 1
Ну вон же люди ПИДБП собирают...
https://www.radiokot.ru/forum/viewtopic ... 11&t=41109
https://forum.cxem.net/index.php?/topic ... 050%D0%B2/

Наверное есть и те, кто и до 10-ки его раскочегарил... А там же в теме или "рядом" гуляет схема и кажется не одна, по переключению обмоток...

Я конечно не знаю, зачем вам столько "вёдер тока" - я себе для ремонта(от ноутбука до автоусилителя) к примеру спокойно обхожусь и 3-мя - 4-мя амперами по этой, уже классической схеме... https://radiokot.ru/forum/viewtopic.php?f=11&t=97550 (во многих видео ремонтников, к примеру гуляет блок 30в 5 ампер на трансформаторе, и реже очень реже на 10-ть... будь-то на трансформаторе, либо импульсный)
к примеру - что в названии у таких блоков - YaXun PS305d, Yizhan PS-305D, Dazheng PS-305D, Element 305D и прочии...
http://vprl.ru/publ/istochniki_pitanija ... 22-1-0-148
насколько я понимаю эти блоки, клоны(как 900 серия "хакко" клонированная всем кому не лень) вот этих HY3005, HY3005D http://cxema.my1.ru/publ/istochniki_pit ... 6-1-0-4328

В моём скромном понимании, городить более 5 ампер на линейных схемах - не надо... Есть куча вариантов импульсников, от самодельных до готовых китайских модулей... :dont_know:




С импульсниками основное что в глаза попадается это(от дешевого до дороже)
1. плата для лбп на xl4015, и плата кажется на lm2576
2. https://www.drive2.ru/b/530510788062872391/ и https://pikabu.ru/story/laboratornyiy_b ... ov_4755633
3. DPS серия https://youtu.be/UCa82abcJZI?list=PL8R6 ... m6fodKNvam
4. когда-то популярная линейка GOPHERT, к примеру https://mysku.ru/blog/china-stores/50063.html
5. самое популярное на данный момент в 5 амперной и 10 амперной версии - https://youtu.be/vuqVMpYtjZI
6. Ну и куча самодельных от воплощений из atx, до самодельных "миранд", lm2576 https://vrtp.ru/index.php?showtopic=25750
и прочих прочих

_________________
человек замученный парами Нарзана


Вернуться наверх
 
Не в сети
 Заголовок сообщения: Re: Блок питания Velleman 7200
СообщениеДобавлено: Чт ноя 11, 2021 17:03:10 
Открыл глаза

Карма: -3
Рейтинг сообщений: -4
Зарегистрирован: Вс янв 03, 2016 09:58:37
Сообщений: 70
Рейтинг сообщения: 0
Спасибо за такой развернутый комментарий. Именно так я и поступлю в своем следующем проекте) А пока буду лбом через стенку доделывать этот. Я, кстати, разобрался с некоторыми моментами. Спасибо этому форуму и всем котам!


Вернуться наверх
 
Не в сети
 Заголовок сообщения: Re: Блок питания Velleman 7200
СообщениеДобавлено: Пн ноя 15, 2021 01:55:38 
Друг Кота
Аватар пользователя

Карма: 47
Рейтинг сообщений: 87
Зарегистрирован: Чт апр 29, 2010 01:54:10
Сообщений: 5438
Откуда: Сочи
Рейтинг сообщения: 0
Просто если я сейчас все-таки сделаю оригинальную ПП из статьи, она уже не влезет в мой корпус...


А что за корпус у вас такой?
Эта схема БП классика линейных стабилизаторов.
Две ИМС LM723, почти аналог наших ЕН каких то.
Микросхемы работают отлично, до сих пор я на старом запасе по просьбам
любителей разных "малин" делаю им стабилизаторы линейные на +5в
Если соберёте правильно то всё сходу работает.
Одна ИМС это регулятор напряжения а вторая тока. И защита на ней же.
Вместо 2N3055 я ставлю оставшиеся у меня много транзисторы от строчной развёртки
кинескопных ТВ, типа BUххх каких то. Они на 25А и больше. Можно сократить ко-во
корпусов транзисторов и радиаторы по меньше сделать.
Дома у меня набор валяется этот самый Velleman 7200 с заводской платой.
Один я уже лет 15 назад собрал, сходу заработал и до сих пор на столе стоит!
нашел файлик lay
Два варианта БП, один на СМД LM723 (были и такие корпуса у них) и под корпус китайского БП типа такого
https://avatars.mds.yandex.net/i?id=0d4 ... humbs&n=13
Вертикально становится. Я уже все свои такие по переделал.
На большой плате добавлен узел питания ИМС ампервольтметров и отрицательный источник -5в для них.
Конденсаторы не один большой а много параллельно, у меня 680мкф на 80в стоят. Тоже экономия места.


Вложения:
00001.lay6 [437.04 KiB]
Скачиваний: 370
P1010001.JPG [235.07 KiB]
Скачиваний: 434
Вернуться наверх
 
Показать сообщения за:  Сортировать по:  Вернуться наверх
Начать новую тему Ответить на тему  [ Сообщений: 22 ]  1,  

Часовой пояс: UTC + 3 часа


Кто сейчас на форуме

Сейчас этот форум просматривают: Bing [Bot] и гости: 30


Вы не можете начинать темы
Вы не можете отвечать на сообщения
Вы не можете редактировать свои сообщения
Вы не можете удалять свои сообщения
Вы не можете добавлять вложения

Найти:
Перейти:  


Powered by phpBB © 2000, 2002, 2005, 2007 phpBB Group
Русская поддержка phpBB
Extended by Karma MOD © 2007—2012 m157y
Extended by Topic Tags MOD © 2012 m157y