Например TDA7294

Форум РадиоКот • Просмотр темы - Зарядное устройстов из БП ATX на UC3845(43)
Форум РадиоКот
Здесь можно немножко помяукать :)

Текущее время: Вт сен 30, 2025 04:27:46

Часовой пояс: UTC + 3 часа


ПРЯМО СЕЙЧАС:



Начать новую тему Ответить на тему  [ Сообщений: 120 ]  1, , , , ,  
Автор Сообщение
Не в сети
 Заголовок сообщения: Зарядное устройстов из БП ATX на UC3845(43)
СообщениеДобавлено: Чт апр 24, 2025 16:44:24 
Мучитель микросхем

Зарегистрирован: Пн фев 15, 2016 08:17:34
Сообщений: 491
Рейтинг сообщения: 0
Доброе время суток!
Создал новую тему, т.к. поиском ничего подходящего не нашел.

Решил заняться переделкой однотактного АТХ БП в ЗУ.
Схему не нашел, т.к. в наличии плата без корпуса и идентифицировать её не удалось. Но в принципе они все одинаковые (с тремя оптопарами).
Схема управления ШИМ тоже весьма распространенная.
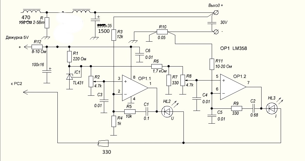
СпойлерИзображение

Загвоздка в следующем. Напряжение регулируется от 17,5В до 23В. Ниже 17,5 не падает, хотя потенциометр делает еще полооборота и на 3 ноге LM358 снижается дальше до 0. Светодиод напряжения (красный) горит постоянно.
Случайно замкнул выход (через страховочную естественно) включился синий светодиод. Из чего я сделал вывод, что ограничение тока работает. Коротнул выход еще раз через амперметр и покрутил регулятор тока - регулирует от 6,ххА до 13А. Ниже 6А не падает. Но это понятно, т.к. ШИМ не снижает напряжение.

В общем, что посоветуете?

_________________
Люди как свечи - одни на торт, другие в ... ( в медицинских целях).


Вернуться наверх
 
Не в сети
 Заголовок сообщения: Re: Зарядное устройстов из БП ATX на UC3845(43)
СообщениеДобавлено: Чт апр 24, 2025 17:45:51 
Друг Кота
Аватар пользователя

Карма: 146
Рейтинг сообщений: 6062
Зарегистрирован: Чт июн 04, 2009 21:06:49
Сообщений: 36292
Откуда: г.Мариинск
Рейтинг сообщения: 0
Медали: 1
Лучший человек Форума 2017 (1)
измерить напряжение на 1 ноге и сообщить сюда.

_________________
Тем кого не устаревает наличия ошибок в моем тексте, оставляю права не пользоваться моими советами или просто не читать мои сообщения.


Вернуться наверх
 
Не в сети
 Заголовок сообщения: Re: Зарядное устройстов из БП ATX на UC3845(43)
СообщениеДобавлено: Чт апр 24, 2025 18:12:51 
Модератор
Аватар пользователя

Карма: 153
Рейтинг сообщений: 2925
Зарегистрирован: Сб авг 14, 2010 15:05:51
Сообщений: 18833
Откуда: г. Озерск, Челябинская обл.
Рейтинг сообщения: 0
Медали: 1
Лучший человек Форума 2017 (1)
нужен кусочек схемы с РС2.
резистор 330, нарисованный внизу, убрать.
светодиоды заменить обычными диодами - падение на светодиодов слишком велико в этой схеме, и не хватает тока через РС2, чтобы уменьшить ширину импульса и снижать выходное напряжение.
резистор 330 тоже мешает полному открытию РС2.

_________________
Мудрость приходит вместе с импотенцией...
Когда на русском форуме переходят на Вы, в реальной жизни начинают бить морду.


Вернуться наверх
 
Не в сети
 Заголовок сообщения: Re: Зарядное устройстов из БП ATX на UC3845(43)
СообщениеДобавлено: Чт апр 24, 2025 18:22:49 
Мучитель микросхем

Зарегистрирован: Пн фев 15, 2016 08:17:34
Сообщений: 491
Рейтинг сообщения: 0
Starichok51, Светодиоды попробую убрать, но с ними нагляднее для начинающего. 330 Ом токовый резистор для светодиода оптопары. Она напрямую подключена, так удобнее было, поэтому резистор вынес на плату управления. Ещё забыл написать - дежурку поднял до 6,2в, резистор посчитал на ток 20мА

_________________
Люди как свечи - одни на торт, другие в ... ( в медицинских целях).


Вернуться наверх
 
Не в сети
 Заголовок сообщения: Re: Зарядное устройстов из БП ATX на UC3845(43)
СообщениеДобавлено: Чт апр 24, 2025 18:24:25 
Друг Кота
Аватар пользователя

Карма: 146
Рейтинг сообщений: 6062
Зарегистрирован: Чт июн 04, 2009 21:06:49
Сообщений: 36292
Откуда: г.Мариинск
Рейтинг сообщения: 0
Медали: 1
Лучший человек Форума 2017 (1)
Это если РС2 питается от 5в. Можно просто РС2 переключить на 12 можно не чего не убирать. Да схему включения нужно полностью.
Напряжение на 1 ноге сколько.

_________________
Тем кого не устаревает наличия ошибок в моем тексте, оставляю права не пользоваться моими советами или просто не читать мои сообщения.


Вернуться наверх
 
Не в сети
 Заголовок сообщения: Re: Зарядное устройстов из БП ATX на UC3845(43)
СообщениеДобавлено: Чт апр 24, 2025 18:35:04 
Мучитель микросхем

Зарегистрирован: Пн фев 15, 2016 08:17:34
Сообщений: 491
Рейтинг сообщения: 0
Телекот, 12 взять из горячей части? Не хотелось бы. На 1 ноге посмотрю только завтра, но вроде помнится там чуть больше 1в. Я писал, что светодиод горит постоянно- значит там постоянно логический 0

_________________
Люди как свечи - одни на торт, другие в ... ( в медицинских целях).


Вернуться наверх
 
Не в сети
 Заголовок сообщения: Re: Зарядное устройстов из БП ATX на UC3845(43)
СообщениеДобавлено: Чт апр 24, 2025 19:04:51 
Друг Кота
Аватар пользователя

Карма: 146
Рейтинг сообщений: 6062
Зарегистрирован: Чт июн 04, 2009 21:06:49
Сообщений: 36292
Откуда: г.Мариинск
Рейтинг сообщения: 0
Медали: 1
Лучший человек Форума 2017 (1)
1в на ОУ, 2,2в на светике, 1,5 на оптопаре, остаётся 1,5в на резисторе. Маловато будет.
Резистор убрать, попытаться дежурку поднять до 7в.

_________________
Тем кого не устаревает наличия ошибок в моем тексте, оставляю права не пользоваться моими советами или просто не читать мои сообщения.


Вернуться наверх
 
Не в сети
 Заголовок сообщения: Re: Зарядное устройстов из БП ATX на UC3845(43)
СообщениеДобавлено: Чт апр 24, 2025 19:06:32 
Мучитель микросхем

Зарегистрирован: Пн фев 15, 2016 08:17:34
Сообщений: 491
Рейтинг сообщения: 0
Понял. Спасибо!

_________________
Люди как свечи - одни на торт, другие в ... ( в медицинских целях).


Вернуться наверх
 
Не в сети
 Заголовок сообщения: Re: Зарядное устройстов из БП ATX на UC3845(43)
СообщениеДобавлено: Чт апр 24, 2025 19:50:19 
Модератор
Аватар пользователя

Карма: 153
Рейтинг сообщений: 2925
Зарегистрирован: Сб авг 14, 2010 15:05:51
Сообщений: 18833
Откуда: г. Озерск, Челябинская обл.
Рейтинг сообщения: 0
Медали: 1
Лучший человек Форума 2017 (1)
резистор совсем убирать нельзя - нужно ограничить ток оптрона.

_________________
Мудрость приходит вместе с импотенцией...
Когда на русском форуме переходят на Вы, в реальной жизни начинают бить морду.


Вернуться наверх
 
Не в сети
 Заголовок сообщения: Re: Зарядное устройстов из БП ATX на UC3845(43)
СообщениеДобавлено: Чт апр 24, 2025 20:00:45 
Друг Кота
Аватар пользователя

Карма: 146
Рейтинг сообщений: 6062
Зарегистрирован: Чт июн 04, 2009 21:06:49
Сообщений: 36292
Откуда: г.Мариинск
Рейтинг сообщения: 0
Медали: 1
Лучший человек Форума 2017 (1)
Можно поставить 50-100 Ом. Да и по моему само ОУ ограничит ток на уровне 20мА.

_________________
Тем кого не устаревает наличия ошибок в моем тексте, оставляю права не пользоваться моими советами или просто не читать мои сообщения.


Вернуться наверх
 
Не в сети
 Заголовок сообщения: Re: Зарядное устройстов из БП ATX на UC3845(43)
СообщениеДобавлено: Пт апр 25, 2025 10:54:44 
Мучитель микросхем

Зарегистрирован: Пн фев 15, 2016 08:17:34
Сообщений: 491
Рейтинг сообщения: 0
Подобрал сопротивление под ток в цепи оптопары 20мА. 43 Ом оказалось тютелька в тютельку.
Результата ноль :cry:

_________________
Люди как свечи - одни на торт, другие в ... ( в медицинских целях).


Вернуться наверх
 
Не в сети
 Заголовок сообщения: Re: Зарядное устройстов из БП ATX на UC3845(43)
СообщениеДобавлено: Пт апр 25, 2025 11:01:05 
Друг Кота
Аватар пользователя

Карма: 146
Рейтинг сообщений: 6062
Зарегистрирован: Чт июн 04, 2009 21:06:49
Сообщений: 36292
Откуда: г.Мариинск
Рейтинг сообщения: 0
Медали: 1
Лучший человек Форума 2017 (1)
Тогда нужна схема подключения к оптопаре и схема подключения оптопары к Шимке.

_________________
Тем кого не устаревает наличия ошибок в моем тексте, оставляю права не пользоваться моими советами или просто не читать мои сообщения.


Вернуться наверх
 
Не в сети
 Заголовок сообщения: Re: Зарядное устройстов из БП ATX на UC3845(43)
СообщениеДобавлено: Пт апр 25, 2025 11:34:43 
Мучитель микросхем

Зарегистрирован: Пн фев 15, 2016 08:17:34
Сообщений: 491
Рейтинг сообщения: 0
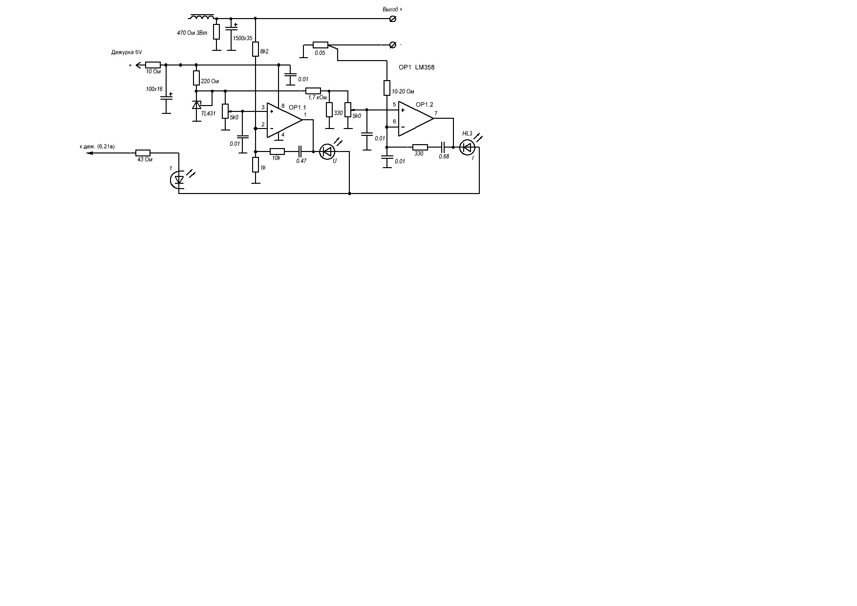
Подключение к оптопаре - пожалуйста!
СпойлерИзображение

И подключение оптопары к ШИМке. Схема не родная, но этот узел полностью соответствует.
СпойлерИзображение


P.S. Замеры на LM358: 1н-2.78 2н-1.92 3н-0.00. Не много ли на 1-й? При выравнивании напряжения на 2 и 3, на 1-й скачком становится 3,85. При этом светодиод гаснет на половину яркости. Вообще это нормальная работа компаратора?

_________________
Люди как свечи - одни на торт, другие в ... ( в медицинских целях).


Вернуться наверх
 
Не в сети
 Заголовок сообщения: Re: Зарядное устройстов из БП ATX на UC3845(43)
СообщениеДобавлено: Сб апр 26, 2025 10:37:30 
Модератор
Аватар пользователя

Карма: 153
Рейтинг сообщений: 2925
Зарегистрирован: Сб авг 14, 2010 15:05:51
Сообщений: 18833
Откуда: г. Озерск, Челябинская обл.
Рейтинг сообщения: 0
Медали: 1
Лучший человек Форума 2017 (1)
LiSer писал(а):
Результата ноль
я тебе сказал - для получения результата убери светодиоды и поставь обычные диоды.

_________________
Мудрость приходит вместе с импотенцией...
Когда на русском форуме переходят на Вы, в реальной жизни начинают бить морду.


Вернуться наверх
 
Не в сети
 Заголовок сообщения: Re: Зарядное устройстов из БП ATX на UC3845(43)
СообщениеДобавлено: Сб апр 26, 2025 11:12:47 
Друг Кота
Аватар пользователя

Карма: 146
Рейтинг сообщений: 6062
Зарегистрирован: Чт июн 04, 2009 21:06:49
Сообщений: 36292
Откуда: г.Мариинск
Рейтинг сообщения: 0
Медали: 1
Лучший человек Форума 2017 (1)
Очень странно, при токе через оптопару 20мА выходное напряжение не падает? Нужно искать причину, здесь не какие диоды не помогут, ШИМка должна блокироваться при токе через оптопару уже 5-10мА. Какое напряжение между 1 и 5 ногой ШИМки? Может оптопара неисправна.

Добавлено after 7 minutes 25 seconds:
LiSer писал(а):
Не много ли на 1-й?
Это ОУ начинает ограничивать ток.

_________________
Тем кого не устаревает наличия ошибок в моем тексте, оставляю права не пользоваться моими советами или просто не читать мои сообщения.


Вернуться наверх
 
Не в сети
 Заголовок сообщения: Re: Зарядное устройстов из БП ATX на UC3845(43)
СообщениеДобавлено: Сб апр 26, 2025 14:05:04 
Мучитель микросхем

Зарегистрирован: Пн фев 15, 2016 08:17:34
Сообщений: 491
Рейтинг сообщения: 0
Пробовал ставить 4148 вместо светодиодов - без результата. Вернул светодиоды. Пробовал запитать от отдельного источника 12в. Ток поднять выше 23мА не получилось - видимо ограничивают светодиоды. От безысходности поменял оптопару. Даже "поигрался" делителем на выходе оптопары.
Самое интересное, что есть видео нормальной работы этой схемы (со светодиодами).
В общем решил переделать еще один блок и поставить существующую плату управления, дабы исключить её из возможной причины. Ну а потом буду копать зтот злощастный блок.
Самое противное, что этот БП или FSP, или какой-то из их группы (помоему PowerMan). Они применяют тугоплавкий припой и очень сложно работать.

_________________
Люди как свечи - одни на торт, другие в ... ( в медицинских целях).


Вернуться наверх
 
Не в сети
 Заголовок сообщения: Re: Зарядное устройстов из БП ATX на UC3845(43)
СообщениеДобавлено: Сб апр 26, 2025 14:53:54 
Друг Кота
Аватар пользователя

Карма: 146
Рейтинг сообщений: 6062
Зарегистрирован: Чт июн 04, 2009 21:06:49
Сообщений: 36292
Откуда: г.Мариинск
Рейтинг сообщения: 0
Медали: 1
Лучший человек Форума 2017 (1)
Понятно, докапаться до истины нет настроения.

_________________
Тем кого не устаревает наличия ошибок в моем тексте, оставляю права не пользоваться моими советами или просто не читать мои сообщения.


Вернуться наверх
 
Не в сети
 Заголовок сообщения: Re: Зарядное устройстов из БП ATX на UC3845(43)
СообщениеДобавлено: Сб апр 26, 2025 15:28:35 
Мучитель микросхем

Зарегистрирован: Пн фев 15, 2016 08:17:34
Сообщений: 491
Рейтинг сообщения: 0
Телекот, ну настроение чувство переменчивое - сегодня нет, завтра есть. Буду изыскивать возможность.

В общем собрал новый блок. Плата управления работает на ура! Регулируется от 0 до 23в. Правда нужно новую травить -пообрывал все.
Теперь на практике посмотрю все режимы.

_________________
Люди как свечи - одни на торт, другие в ... ( в медицинских целях).


Вернуться наверх
 
Не в сети
 Заголовок сообщения: Re: Зарядное устройстов из БП ATX на UC3845(43)
СообщениеДобавлено: Сб апр 26, 2025 17:25:23 
Друг Кота
Аватар пользователя

Карма: 4
Рейтинг сообщений: 333
Зарегистрирован: Ср мар 31, 2010 09:33:22
Сообщений: 4566
Откуда: Владивосток
Рейтинг сообщения: 0
LiSer писал(а):
Схему не нашел


Вложения:
2025-04-27_001806.jpg [246.75 KiB]
Скачиваний: 124

_________________
«Когда у общества нет цветовой дифференциации штанов, то нет цели!»

- Позвольте-с вас спросить, почему от вас так отвратительно пахнет?
- Ну, что ж, пахнет... известно. По специальности. Вчера котов душили, душили. (с)
Вернуться наверх
 
Не в сети
 Заголовок сообщения: Re: Зарядное устройстов из БП ATX на UC3845(43)
СообщениеДобавлено: Сб апр 26, 2025 18:13:36 
Мучитель микросхем

Зарегистрирован: Пн фев 15, 2016 08:17:34
Сообщений: 491
Рейтинг сообщения: 0
jonpim, не она. У меня на 3845 и один полевик

Добавлено after 27 minutes 41 second:
Телекот, новый блок отлично регулируется при токе с цепи съоптопары (!) 2,5мА. Это при резисторе 100 Ом. Ток не изменен на всем диапазоне регулировки. Только когда потенциометр упирается в вывод массы - ток скачком возрастает до 18мА и увеличивается яркость светодиода. Не сообразил, нужно было увеличить ток до 20мА и посмотреть. Но уже разобрал.
На "старом" блоке попробовал уменьшать ток. При 5 мА напряжение на выходе резко становится 40В. Я так понимаю оптопара отключается.
В общем "старый" блок ведёт себя абсолютно по-другому. У меня никаких соображений нет, разве , что поменять ШИМку.

_________________
Люди как свечи - одни на торт, другие в ... ( в медицинских целях).


Вернуться наверх
 
Показать сообщения за:  Сортировать по:  Вернуться наверх
Начать новую тему Ответить на тему  [ Сообщений: 120 ]  1, , , , ,  

Часовой пояс: UTC + 3 часа


Кто сейчас на форуме

Сейчас этот форум просматривают: нет зарегистрированных пользователей и гости: 39


Вы не можете начинать темы
Вы не можете отвечать на сообщения
Вы не можете редактировать свои сообщения
Вы не можете удалять свои сообщения
Вы не можете добавлять вложения

Найти:
Перейти:  


Powered by phpBB © 2000, 2002, 2005, 2007 phpBB Group
Русская поддержка phpBB
Extended by Karma MOD © 2007—2012 m157y
Extended by Topic Tags MOD © 2012 m157y