Например TDA7294

Форум РадиоКот • Просмотр темы - Часы на К176ИЕ18-ИВ-22
Форум РадиоКот
Здесь можно немножко помяукать :)

Текущее время: Пт окт 03, 2025 21:44:59

Часовой пояс: UTC + 3 часа


ПРЯМО СЕЙЧАС:



Начать новую тему Ответить на тему  [ Сообщений: 74 ]    , 2, ,  
Автор Сообщение
Не в сети
 Заголовок сообщения: Re: Часы на К176ИЕ18-ИВ-22
СообщениеДобавлено: Ср мар 25, 2020 14:26:15 
Друг Кота
Аватар пользователя

Карма: 195
Рейтинг сообщений: 8549
Зарегистрирован: Пн ноя 30, 2009 03:00:01
Сообщений: 42633
Откуда: Нерезиновая
Рейтинг сообщения: 0
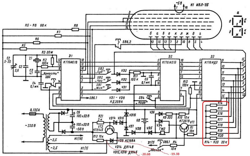
Померил напряжения, отметил синим на схеме
СпойлерИзображение


Трансформатор взят от старых таких же часов, только в виде настольной лампы

А на выводах конденсатора какое напряжение?
Измерять прямо на выводах!!! Не от "земли", или от чего- то другого!! А прямо - один щуп к одному выводу, а второй- к другому выводу конденсатора!!

зы.. Не факт, что трансформатор от часов вам прямо вот на 100% подходит, он может на конденсаторе после выпрямителя выдавать всего 30 вольт, например, что, обычно, достаточно для работы часов, но недостаточно для правильной работы этой схемы..


Вернуться наверх
 
Не в сети
 Заголовок сообщения: Re: Часы на К176ИЕ18-ИВ-22
СообщениеДобавлено: Ср мар 25, 2020 15:09:41 
Первый раз сказал Мяу!
Аватар пользователя

Зарегистрирован: Сб май 18, 2013 18:21:00
Сообщений: 36
Откуда: г. Волгодонск
Рейтинг сообщения: 0
Напряжение на конденсаторе С6 измерено на его выводах, оно равно 29.3В.

Добавлено after 1 minute 24 seconds:
Попробую поставить конденсатор большей ёмкости, может быть дело в нём.

Добавлено after 9 minutes 10 seconds:
Измерил переменные напряжения на обмотке трансформатора со средней точкой:
Между средней точкой и 1 крайним выводом: ~2.52В
Между средней точкой и 2 крайним выводом: ~1.33В
Между крайними выводами, накал ламп: ~1.18В

Добавлено after 1 minute 14 seconds:
Общая обмотка выдаёт ~23В


Вернуться наверх
 
Не в сети
 Заголовок сообщения: Re: Часы на К176ИЕ18-ИВ-22
СообщениеДобавлено: Ср мар 25, 2020 15:51:47 
Друг Кота
Аватар пользователя

Карма: 142
Рейтинг сообщений: 5959
Зарегистрирован: Чт авг 09, 2012 01:09:39
Сообщений: 6642
Откуда: Ливны
Рейтинг сообщения: 0
gear3d писал(а):
Напряжение на конденсаторе С6 измерено на его выводах, оно равно 29.3В....
...Общая обмотка выдаёт ~23В.
Мало. :(
Либо доматывайте вторичную обмотку трансформатора до 27В., либо понижайте анодное заменой стабилитрона VD14 на КС147А. Яркость при этом немного упадёт, но паразитная засветка должна уйти. :)

_________________
Большой опыт, порой, не даёт находить/видеть нам простые и очевидные решения. :(
Всегда с уважением, Александр.


Вернуться наверх
 
Не в сети
 Заголовок сообщения: Re: Часы на К176ИЕ18-ИВ-22
СообщениеДобавлено: Ср мар 25, 2020 16:14:22 
Друг Кота
Аватар пользователя

Карма: 123
Рейтинг сообщений: 7959
Зарегистрирован: Сб сен 13, 2014 16:27:32
Сообщений: 39199
Откуда: СпиртоГонск созвездия Омега
Рейтинг сообщения: 0
Напряжение на конденсаторе С6 измерено на его выводах, оно равно 29.3В.


Измерил переменные напряжения на обмотке трансформатора со средней точкой:
Между средней точкой и 1 крайним выводом: ~2.52В
Между средней точкой и 2 крайним выводом: ~1.33В
Между крайними выводами, накал ламп: ~1.18В
на кондере в притирку но хватит а вот с накалом у вас чето не так....
и tit учтите наклные обмтки пром часофрасчитан на ивл1-7-5 или ивл2-75 или ив 27 выход там разный а скока надо вашим индюкам смотритн датшит
и подгоняйте накал точно резисторами впослед крайним выводам обмотки

_________________
ZМудрость(Опыт и выдержка) приходит с годами.
Все Ваши беды и проблемы, от недостатка знаний.
Умный и у дурака научится, а дураку и ..
Алберт Ейнштейн не поможет и ВВП не спасет.и МЧС опаздает


Вернуться наверх
 
Не в сети
 Заголовок сообщения: Re: Часы на К176ИЕ18-ИВ-22
СообщениеДобавлено: Ср мар 25, 2020 16:21:08 
Друг Кота
Аватар пользователя

Карма: 142
Рейтинг сообщений: 5959
Зарегистрирован: Чт авг 09, 2012 01:09:39
Сообщений: 6642
Откуда: Ливны
Рейтинг сообщения: 0
Да всё нормально с накальной обмоткой, за исключением ошибочно предполагаемой средней точки (конечно не по Фэн-шуй, но для ИВ-22 перепутанная средняя точка не так критична как например для ИВЛ1-7/5).

_________________
Большой опыт, порой, не даёт находить/видеть нам простые и очевидные решения. :(
Всегда с уважением, Александр.


Вернуться наверх
 
Не в сети
 Заголовок сообщения: Re: Часы на К176ИЕ18-ИВ-22
СообщениеДобавлено: Ср мар 25, 2020 17:55:40 
Друг Кота
Аватар пользователя

Карма: 195
Рейтинг сообщений: 8549
Зарегистрирован: Пн ноя 30, 2009 03:00:01
Сообщений: 42633
Откуда: Нерезиновая
Рейтинг сообщения: 0
Напряжение на конденсаторе С6 измерено на его выводах, оно равно 29.3В.

Общая обмотка выдаёт ~23В

Вот и причина..
"домотать" у вас вряд ли получится, можно попробовать заменить стабилитроны VD14 и VD15 на Д814А, или на любые другие с напряжением стабилизации около 7 вольт, а КС168 заменить на КС133, КС139 - в общем, так, чтобы суммарное напряжение стабилизации всех стабилитронов было хотя бы на 1 вольт меньше, чем напряжение на конденсаторе С6, но VD16 должен быть не менее, чем на 9 вольт!!

Измерил переменные напряжения на обмотке трансформатора со средней точкой:
Между средней точкой и 1 крайним выводом: ~2.52В
Между средней точкой и 2 крайним выводом: ~1.33В
Между крайними выводами, накал ламп: ~1.18В

У вас тот вывод, который вы назвали "средней точкой", на самом деле, средней точкой не является.. :))) :))) У вас "2 крайний вывод" и есть- "средняя точка" :)))


Вернуться наверх
 
Не в сети
 Заголовок сообщения: Re: Часы на К176ИЕ18-ИВ-22
СообщениеДобавлено: Чт мар 26, 2020 00:13:06 
Друг Кота
Аватар пользователя

Карма: 123
Рейтинг сообщений: 7959
Зарегистрирован: Сб сен 13, 2014 16:27:32
Сообщений: 39199
Откуда: СпиртоГонск созвездия Омега
Рейтинг сообщения: 0
ток там мал и мост можно переделать в схему латура это если100% уверены что присчина в том чо нехватает питала
проверить легго времено подать туда болше от отделного трана или зпапитав часы от латра повышеным сетевым(накал правда тоже вырастет но недолго несьтрашно)
обычно питани анодоф-сеток там 24-27в так что 29в впитык хватает надо тока резик подобрапть баласчтный чтоб через зенгеры шел достатьочный ток
перематывать такие траны конечно можно но несовкетую провод тонки а тиран склен и стянут хомутом с усилием боле 30кгс вам так не стянуть а значит будет гудеть и создавать вибраци индикатору что сократит его жизн во мнго раз

_________________
ZМудрость(Опыт и выдержка) приходит с годами.
Все Ваши беды и проблемы, от недостатка знаний.
Умный и у дурака научится, а дураку и ..
Алберт Ейнштейн не поможет и ВВП не спасет.и МЧС опаздает


Вернуться наверх
 
Не в сети
 Заголовок сообщения: Re: Часы на К176ИЕ18-ИВ-22
СообщениеДобавлено: Чт мар 26, 2020 22:17:15 
Первый раз сказал Мяу!
Аватар пользователя

Зарегистрирован: Сб май 18, 2013 18:21:00
Сообщений: 36
Откуда: г. Волгодонск
Рейтинг сообщения: 0
Итак сделал следующее:
Стабилитрон VD14 заменил на КС515А (напряжение стабилизации 15.8В), стабилитрон VD15 убрал и поставил перемычку.
Подключил для проверки, стало немного лучше, но паразитная засветка полностью не пропала

Изображение Изображение
На фото индикаторы в режиме пониженной яркости.

Потом заменил стабилитрон VD9-КС168А на 1N5333B, всё вернулось в зад. Даже поменял транзистор КТ814Г на B892, лучше не стало.
Немного снизилась яркость, но это даже лучше, ночью индикаторы не так ярко светят.

Добавлено after 3 minutes 33 seconds:
Наверное стабилитрон VD9 надо поставить на большее напряжение стабилизации 7...9В. Когда стоял КС168А, при режиме пониженной яркости на нём было 5В. В обычном режиме свечения - 2.2В.


Вернуться наверх
 
Не в сети
 Заголовок сообщения: Re: Часы на К176ИЕ18-ИВ-22
СообщениеДобавлено: Чт мар 26, 2020 22:21:12 
Друг Кота
Аватар пользователя

Карма: 142
Рейтинг сообщений: 5959
Зарегистрирован: Чт авг 09, 2012 01:09:39
Сообщений: 6642
Откуда: Ливны
Рейтинг сообщения: 0
gear3d писал(а):
Наверное стабилитрон VD9 надо поставить на большее напряжение стабилизации 7...9В.
Нет, VD9 оставить в покое (КС168А), нужно уменьшать суммарное напряжение стабилизации стабилитронов VD14 и VD15. Ну а если по Фэн-шуй - увеличивать напряжение на вторичной обмотке до 27В. :)

_________________
Большой опыт, порой, не даёт находить/видеть нам простые и очевидные решения. :(
Всегда с уважением, Александр.


Последний раз редактировалось korob Чт мар 26, 2020 22:22:07, всего редактировалось 1 раз.

Вернуться наверх
 
Не в сети
 Заголовок сообщения: Re: Часы на К176ИЕ18-ИВ-22
СообщениеДобавлено: Чт мар 26, 2020 22:23:24 
Первый раз сказал Мяу!
Аватар пользователя

Зарегистрирован: Сб май 18, 2013 18:21:00
Сообщений: 36
Откуда: г. Волгодонск
Рейтинг сообщения: 0
Точность часов получилась нормальная, за два дня работы ни на секунду не убежали, понятно что этого времени мало, но сначала буду пытаться исправить недостаток с засветкой выключенных сегментов.

Добавлено after 1 minute 20 seconds:
То есть постоянного напряжения должно получиться примерно 35...40В


Вернуться наверх
 
Не в сети
 Заголовок сообщения: Re: Часы на К176ИЕ18-ИВ-22
СообщениеДобавлено: Чт мар 26, 2020 22:24:52 
Друг Кота
Аватар пользователя

Карма: 142
Рейтинг сообщений: 5959
Зарегистрирован: Чт авг 09, 2012 01:09:39
Сообщений: 6642
Откуда: Ливны
Рейтинг сообщения: 0
Угу, для штатного режима на C6 должно быть не менее 35В.

_________________
Большой опыт, порой, не даёт находить/видеть нам простые и очевидные решения. :(
Всегда с уважением, Александр.


Вернуться наверх
 
Не в сети
 Заголовок сообщения: Re: Часы на К176ИЕ18-ИВ-22
СообщениеДобавлено: Чт мар 26, 2020 22:30:03 
Первый раз сказал Мяу!
Аватар пользователя

Зарегистрирован: Сб май 18, 2013 18:21:00
Сообщений: 36
Откуда: г. Волгодонск
Рейтинг сообщения: 0
Угу, для штатного режима на C6 должно быть не менее 35В.


Понятно, придётся перематывать какой-нибудь трансформатор. У меня даже лабораторный блок больше 30 не выдаёт

А если для эксперимента подкинуть основное питание от другого трансформатора, а накал оставить от старого, гдето у меня завалялся трансформатор от нагревателя дя завивки волос, надо только померить что у него на выходе.


Вернуться наверх
 
Не в сети
 Заголовок сообщения: Re: Часы на К176ИЕ18-ИВ-22
СообщениеДобавлено: Чт мар 26, 2020 23:07:28 
Друг Кота
Аватар пользователя

Карма: 195
Рейтинг сообщений: 8549
Зарегистрирован: Пн ноя 30, 2009 03:00:01
Сообщений: 42633
Откуда: Нерезиновая
Рейтинг сообщения: 0
, но сначала буду пытаться исправить недостаток с засветкой выключенных сегментов.

Попробуйте переключить место соединения резисторов R14~R20 с эмиттера транзистора VT2 на точку соединения анода VD9 и резистора R13 (там подключены сеточные резисторы R5~R8)

Вам же выкладывали описание от индикаторов- там рекомендуют на аноды и сетки подавать небольшое (~2V) запирающее напряжение, а на деле- у вас на сетки подаётся это "запирающее напряжение", а на сегменты НЕТ!!!
Сегментные резисторы (R14~R20) подключены непосредственно к средней точке накала!!

А вообще- по моему мнению- транзистор VT2 и резистор R21 там просто лишние.. Вся схема часов потребляет меньше 10-ти миллиампер, там простая цепочка стабилитронов справится..


Вернуться наверх
 
Не в сети
 Заголовок сообщения: Re: Часы на К176ИЕ18-ИВ-22
СообщениеДобавлено: Чт мар 26, 2020 23:15:48 
Первый раз сказал Мяу!
Аватар пользователя

Зарегистрирован: Сб май 18, 2013 18:21:00
Сообщений: 36
Откуда: г. Волгодонск
Рейтинг сообщения: 0
Изображение Изображение

Обмотка со средней точкой 14.6 - 16.2 - 1.6 В

Добавлено after 3 minutes 27 seconds:
Даже если последовательно соединить обмотки 24+14.6 = 38.6 В, много! Поищу 9 вольтовый.


Вернуться наверх
 
Не в сети
 Заголовок сообщения: Re: Часы на К176ИЕ18-ИВ-22
СообщениеДобавлено: Чт мар 26, 2020 23:18:13 
Друг Кота
Аватар пользователя

Карма: 142
Рейтинг сообщений: 5959
Зарегистрирован: Чт авг 09, 2012 01:09:39
Сообщений: 6642
Откуда: Ливны
Рейтинг сообщения: 0
АлександрЛ писал(а):
Вам же выкладывали описание от индикаторов- там рекомендуют на аноды и сетки подавать небольшое (~2V) запирающее напряжение, а на деле- у вас на сетки подаётся это "запирающее напряжение", а на сегменты НЕТ!!!
Не надо дезинформировать, никто и никогда такого не рекомендовал, запирают исключительно по сеткам. Так что у ТС индикатор подключен по Фэн-шуй, только вот запирающее не формируется должным образом, отсюда и засветка.

_________________
Большой опыт, порой, не даёт находить/видеть нам простые и очевидные решения. :(
Всегда с уважением, Александр.


Вернуться наверх
 
Не в сети
 Заголовок сообщения: Re: Часы на К176ИЕ18-ИВ-22
СообщениеДобавлено: Чт мар 26, 2020 23:25:30 
Друг Кота
Аватар пользователя

Карма: 195
Рейтинг сообщений: 8549
Зарегистрирован: Пн ноя 30, 2009 03:00:01
Сообщений: 42633
Откуда: Нерезиновая
Рейтинг сообщения: 0
Ну..
СпойлерИзображение

Действительно, сказано только про сетки..
Но попробовать- то МОЖНО!!
Я как- то "гасил" сегменты, но у меня резисторы сеток и анодов были "в одной куче"- хватило падения напряжения на открытом диоде- ~0,6~0,7 вольта..


Вернуться наверх
 
Не в сети
 Заголовок сообщения: Re: Часы на К176ИЕ18-ИВ-22
СообщениеДобавлено: Пт мар 27, 2020 00:45:18 
Первый раз сказал Мяу!
Аватар пользователя

Зарегистрирован: Сб май 18, 2013 18:21:00
Сообщений: 36
Откуда: г. Волгодонск
Рейтинг сообщения: 0
Вот нашёл трансформатор от старого модема, написано ~9В, а выдаёт ~11В

Изображение

Подключил, вернул на место КС168А, и всё заработало как надо.
На вход приходит ~34В, на конденсаторе 42В. На КС168А: 6.98В.

Изображение

Спасибо огромное всем за полезные советы !!!

Осталось теперь найти нормальный трансформатор.


Вернуться наверх
 
Не в сети
 Заголовок сообщения: Re: Часы на К176ИЕ18-ИВ-22
СообщениеДобавлено: Пт мар 27, 2020 01:02:24 
Друг Кота
Аватар пользователя

Карма: 123
Рейтинг сообщений: 7959
Зарегистрирован: Сб сен 13, 2014 16:27:32
Сообщений: 39199
Откуда: СпиртоГонск созвездия Омега
Рейтинг сообщения: 0
переделай схему на латура вместо моста 2 диода и и 2 банки получишь 60в тока банки бри 63волтовые резик чут придется увеличить баластный чтоб не перегревался зато запас будет немеряныйи транс останется тотже ток там мизерный и латуры выше крыши
если не вьехал о чем я читай книжку про эти

_________________
ZМудрость(Опыт и выдержка) приходит с годами.
Все Ваши беды и проблемы, от недостатка знаний.
Умный и у дурака научится, а дураку и ..
Алберт Ейнштейн не поможет и ВВП не спасет.и МЧС опаздает


Вернуться наверх
 
Не в сети
 Заголовок сообщения: Re: Часы на К176ИЕ18-ИВ-22
СообщениеДобавлено: Пт мар 27, 2020 01:27:37 
Друг Кота
Аватар пользователя

Карма: 195
Рейтинг сообщений: 8549
Зарегистрирован: Пн ноя 30, 2009 03:00:01
Сообщений: 42633
Откуда: Нерезиновая
Рейтинг сообщения: 0
переделай схему на латура вместо моста 2 диода и и 2 банки получишь 60в

Перевожу- :))) :))) :))) схему можно переделать вот так:
Изображение


Вернуться наверх
 
Не в сети
 Заголовок сообщения: Re: Часы на К176ИЕ18-ИВ-22
СообщениеДобавлено: Пт мар 27, 2020 01:45:17 
Первый раз сказал Мяу!
Аватар пользователя

Зарегистрирован: Сб май 18, 2013 18:21:00
Сообщений: 36
Откуда: г. Волгодонск
Рейтинг сообщения: 0
переделай схему на латура вместо моста 2 диода и и 2 банки получишь 60в ...


Надо попробовать ...


Вернуться наверх
 
Показать сообщения за:  Сортировать по:  Вернуться наверх
Начать новую тему Ответить на тему  [ Сообщений: 74 ]    , 2, ,  

Часовой пояс: UTC + 3 часа


Кто сейчас на форуме

Сейчас этот форум просматривают: piarman, Николай_С и гости: 42


Вы не можете начинать темы
Вы не можете отвечать на сообщения
Вы не можете редактировать свои сообщения
Вы не можете удалять свои сообщения
Вы не можете добавлять вложения

Найти:
Перейти:  


Powered by phpBB © 2000, 2002, 2005, 2007 phpBB Group
Русская поддержка phpBB
Extended by Karma MOD © 2007—2012 m157y
Extended by Topic Tags MOD © 2012 m157y