Например TDA7294

Форум РадиоКот • Просмотр темы - Мелкие вопросы по теории
Форум РадиоКот
Здесь можно немножко помяукать :)

Текущее время: Пт дек 12, 2025 04:03:00

Часовой пояс: UTC + 3 часа


ПРЯМО СЕЙЧАС:



Начать новую тему Ответить на тему  [ Сообщений: 41871 ]     ... , , , 2088, , , ...  
Автор Сообщение
Не в сети
 Заголовок сообщения: Re: Мелкие вопросы по теории
СообщениеДобавлено: Вс сен 28, 2025 11:07:17 
Сверлит текстолит когтями
Аватар пользователя

Карма: 1
Рейтинг сообщений: 23
Зарегистрирован: Чт авг 21, 2014 11:11:48
Сообщений: 1264
Откуда: краснодарский край
Рейтинг сообщения: 0
Coyote2025 писал(а):
Их полно в продаже готовых

Та есть один, переделать надо. Я конечно справлюсь,но может кто чё дельное подскажет.
Лампа 21.5в. 150вт.


Вернуться наверх
 
Не в сети
 Заголовок сообщения: Re: Мелкие вопросы по теории
СообщениеДобавлено: Вс сен 28, 2025 11:09:43 
Друг Кота
Аватар пользователя

Карма: 139
Рейтинг сообщений: 2918
Зарегистрирован: Чт янв 10, 2008 22:01:02
Сообщений: 24606
Откуда: Московская область, Фрязино
Рейтинг сообщения: 1
Нижний подогрев полюбасу нужен с регулятором.
Вот в регуляторе и нужно делать задержку разогрева.


Вернуться наверх
 
Не в сети
 Заголовок сообщения: Re: Мелкие вопросы по теории
СообщениеДобавлено: Вс сен 28, 2025 12:06:52 
Собутыльник Кота
Аватар пользователя

Карма: -19
Рейтинг сообщений: -141
Зарегистрирован: Пт янв 03, 2025 16:26:44
Сообщений: 2506
Рейтинг сообщения: 0
Ятакие некогда приобретал, к лампе кодоскопа подключал, без него быстро перегорали а стоили собаки дорого.

_________________
Нет смысла перечислять игнорируемых, пускай догадываются сами по отсутствию ответов. Да и не по фэнь-шую называть их недоброжелателями, это просто глупые люди, число которых, увы, растет.


Вернуться наверх
 
Не в сети
 Заголовок сообщения: Re: Мелкие вопросы по теории
СообщениеДобавлено: Вс сен 28, 2025 16:09:52 
Говорящий с текстолитом
Аватар пользователя

Карма: 12
Рейтинг сообщений: 57
Зарегистрирован: Вт апр 28, 2015 08:19:17
Сообщений: 1555
Откуда: С краешку. Северо-Запад. Калининград
Рейтинг сообщения: 0
Всем доброго времени. Собрали светодиодное освещение. То есть выключатели включают блоки. А блоки в свою очередь включают ленту диодную. В некоторых местах стоят блоки по 200вт. И при смыкании проводов проходит искра. Там скоятконденсаторы большой емкости в горячей части блока.
Предполагаю, что при установке выключателя на его пятаках будет сильная искра в некоторых моментах при включении.
Вопрос, что дно этот эффект как то снизить ?


Вернуться наверх
 
Эиком - электронные компоненты и радиодетали
Не в сети
 Заголовок сообщения: Re: Мелкие вопросы по теории
СообщениеДобавлено: Вс сен 28, 2025 16:52:12 
Друг Кота
Аватар пользователя

Карма: 116
Рейтинг сообщений: 4502
Зарегистрирован: Пт мар 30, 2012 05:17:29
Сообщений: 16040
Откуда: Екатеринбург
Рейтинг сообщения: 0
Последовательный резистор небольшого сопротивления. Номинал подобрать.

_________________
И хрюкотали зелюки,
Как мюмзики в мове.


Вернуться наверх
 
Не в сети
 Заголовок сообщения: Re: Мелкие вопросы по теории
СообщениеДобавлено: Вс сен 28, 2025 19:42:44 
Говорящий с текстолитом
Аватар пользователя

Карма: 12
Рейтинг сообщений: 57
Зарегистрирован: Вт апр 28, 2015 08:19:17
Сообщений: 1555
Откуда: С краешку. Северо-Запад. Калининград
Рейтинг сообщения: 0
Ок. Принял. Там примерно ток 1а будет в цепи. На 2 вт хватит резистора?


Вернуться наверх
 
Не в сети
 Заголовок сообщения: Re: Мелкие вопросы по теории
СообщениеДобавлено: Вс сен 28, 2025 20:50:12 
Друг Кота
Аватар пользователя

Карма: 67
Рейтинг сообщений: 1066
Зарегистрирован: Чт сен 18, 2008 12:27:21
Сообщений: 19959
Откуда: Столица Мира Санкт-Петербург
Рейтинг сообщения: 0
Медали: 1
Получил миской по аватаре (1)
Смотря какое у него будет сопротивление

_________________
[ Всё дело не столько в вашей глупости, сколько в моей гениальности ] [ Правильно заданный вопрос содержит в себе половину ответа ]
Измерить нннада?


Вернуться наверх
 
Не в сети
 Заголовок сообщения: Re: Мелкие вопросы по теории
СообщениеДобавлено: Вс сен 28, 2025 20:51:50 
Друг Кота
Аватар пользователя

Карма: 116
Рейтинг сообщений: 4502
Зарегистрирован: Пт мар 30, 2012 05:17:29
Сообщений: 16040
Откуда: Екатеринбург
Рейтинг сообщения: 0
На 2 вт хватит резистора?
Зависит от номинала. С запасом по мощности падение должно быть вольт, ну или чуть больше. То есть номинал - один ом, максимум полтора. Маловато смысла получается, но попробовать можно.

_________________
И хрюкотали зелюки,
Как мюмзики в мове.


Вернуться наверх
 
Не в сети
 Заголовок сообщения: Re: Мелкие вопросы по теории
СообщениеДобавлено: Пн сен 29, 2025 09:53:55 
Собутыльник Кота
Аватар пользователя

Карма: -19
Рейтинг сообщений: -141
Зарегистрирован: Пт янв 03, 2025 16:26:44
Сообщений: 2506
Рейтинг сообщения: 0
Извлечь из блока компьютерного питания (их полно бездельных валяется) термистор входной и включить последовательно с защищаемым устройством
назначение термистора именно такое - он холодный в начале с большим сопротивлением и ограничивает ток через диоды моста с большой емкостью фильтра, а потом разогревается и перестает ограничивать за счет обнуления сопротивления
но эффективен при мощности блока 200 Вт, на него и рассчитан

Добавлено after 9 hours 1 minute 38 seconds:
Извлечь из блока компьютерного питания (их полно бездельных валяется) термистор входной и включить последовательно с защищаемым устройством
назначение термистора именно такое - он холодный в начале с большим сопротивлением и ограничивает ток через диоды моста с большой емкостью фильтра, а потом разогревается и перестает ограничивать за счет обнуления сопротивления
но эффективен при мощности блока 200 Вт, на него и рассчитан

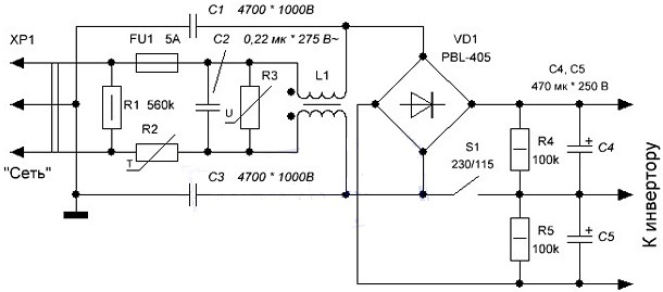
Вложение:
82.jpg [39.78 KiB]
Скачиваний: 29

Диоды выпрямительного моста VD1 от броска тока при первоначальном заряде конденсаторов фильтра С4/С5 защищены терморезистором R2. Терморезистор R2 с отрицательным температурным коэффициентом ограничивает амплитуду броска тока зарядки конденсаторов С4, С5 в момент включения блока. Затем в результате саморазогрева его сопротивление падает, и он практически не влияет на работу выпрямителя. Варистор R3 с классификационным напряжением больше максимальной амплитуды сетевого напряжения защищает от выбросов напряжения. Сопротивление варистора очень велико и достигает десятков мегом. Но при достижении напряжения между выводами варистора определенного значения (как правило, около 470 вольт) сопротивление скачкообразно падает до незначительных величин (единицы ом), тем самым пропуская высоковольтные всплески через себя, и защищая БП от их негативного воздействия.

_________________
Нет смысла перечислять игнорируемых, пускай догадываются сами по отсутствию ответов. Да и не по фэнь-шую называть их недоброжелателями, это просто глупые люди, число которых, увы, растет.


Вернуться наверх
 
Не в сети
 Заголовок сообщения: Re: Мелкие вопросы по теории
СообщениеДобавлено: Ср окт 01, 2025 09:35:55 
Говорящий с текстолитом
Аватар пользователя

Карма: 12
Рейтинг сообщений: 57
Зарегистрирован: Вт апр 28, 2015 08:19:17
Сообщений: 1555
Откуда: С краешку. Северо-Запад. Калининград
Рейтинг сообщения: 0
Спасибо. Буду пробовать


Вернуться наверх
 
Не в сети
 Заголовок сообщения: Re: Мелкие вопросы по теории
СообщениеДобавлено: Ср окт 01, 2025 12:20:34 
Собутыльник Кота
Аватар пользователя

Карма: 38
Рейтинг сообщений: 268
Зарегистрирован: Пт сен 07, 2018 20:20:02
Сообщений: 2723
Откуда: деревня в Тульской губернии
Рейтинг сообщения: 0
Медали: 1
Получил миской по аватаре (1)
Нижний подогрев полюбасу нужен с регулятором.
Вот в регуляторе и нужно делать задержку разогрева.

Мне нижний подогрев бывает нужен, от силы, раз в квартал. Поэтому вместо него использую блин от электроплиты и KSD301 на нужную в данном случае температуру. Задержку на нем сложновато сделать )


Вернуться наверх
 
Не в сети
 Заголовок сообщения: Re: Мелкие вопросы по теории
СообщениеДобавлено: Ср окт 01, 2025 12:51:22 
Друг Кота
Аватар пользователя

Карма: 31
Рейтинг сообщений: 880
Зарегистрирован: Пт сен 10, 2021 15:19:36
Сообщений: 6109
Откуда: Протвино
Рейтинг сообщения: 0
речь была о плавном старте.
разумно же использовать и для регулировки и для старта 1 мощный регулятор (напр triac) и модулировать его управление при включении некой стартовой кривой.


Вернуться наверх
 
Не в сети
 Заголовок сообщения: Re: Мелкие вопросы по теории
СообщениеДобавлено: Ср окт 01, 2025 22:02:47 
Сверлит текстолит когтями
Аватар пользователя

Карма: 1
Рейтинг сообщений: 23
Зарегистрирован: Чт авг 21, 2014 11:11:48
Сообщений: 1264
Откуда: краснодарский край
Рейтинг сообщения: 0
Не, не нижний подогрев. Светить сверху,до плавления припоя.
Даже лампочкой от украины, 50 свечей, снимаю даже средние микросхемы.
Одно плохо, сварочное стекло надо цеплять на увеличительную маску.
Но для нижнего тоже годится.


Вернуться наверх
 
Не в сети
 Заголовок сообщения: Re: Мелкие вопросы по теории
СообщениеДобавлено: Чт окт 02, 2025 05:25:00 
Собутыльник Кота
Аватар пользователя

Карма: -19
Рейтинг сообщений: -141
Зарегистрирован: Пт янв 03, 2025 16:26:44
Сообщений: 2506
Рейтинг сообщения: 0
Не, не нижний подогрев. Светить сверху,до плавления припоя.
Даже лампочкой от украины, 50 свечей, снимаю даже средние микросхемы.
Одно плохо, сварочное стекло надо цеплять на увеличительную маску.
Но для нижнего тоже годится.

проектор Украина от кинопередвижки? Там 30 В 300 Вт, причем перекаленная, для чего на блоке питания регулятор крутить надо, срок службы мал, т.е. свечей там точно 400

_________________
Нет смысла перечислять игнорируемых, пускай догадываются сами по отсутствию ответов. Да и не по фэнь-шую называть их недоброжелателями, это просто глупые люди, число которых, увы, растет.


Вернуться наверх
 
Не в сети
 Заголовок сообщения: Re: Мелкие вопросы по теории
СообщениеДобавлено: Чт окт 02, 2025 09:24:12 
Сверлит текстолит когтями
Аватар пользователя

Карма: 1
Рейтинг сообщений: 23
Зарегистрирован: Чт авг 21, 2014 11:11:48
Сообщений: 1264
Откуда: краснодарский край
Рейтинг сообщения: 0
Изображение
Нет. Вот такая. Тут народ пишет что это волна. ошибался.
А в украине 400 свечей,длинные такие? Такие тоже есть.


Последний раз редактировалось главный колбасист Чт окт 02, 2025 09:43:22, всего редактировалось 1 раз.

Вернуться наверх
 
Не в сети
 Заголовок сообщения: Re: Мелкие вопросы по теории
СообщениеДобавлено: Чт окт 02, 2025 09:40:57 
Собутыльник Кота
Аватар пользователя

Карма: -19
Рейтинг сообщений: -141
Зарегистрирован: Пт янв 03, 2025 16:26:44
Сообщений: 2506
Рейтинг сообщения: 0
так это фотолампа для звука

_________________
Нет смысла перечислять игнорируемых, пускай догадываются сами по отсутствию ответов. Да и не по фэнь-шую называть их недоброжелателями, это просто глупые люди, число которых, увы, растет.


Вернуться наверх
 
Не в сети
 Заголовок сообщения: Re: Мелкие вопросы по теории
СообщениеДобавлено: Чт окт 02, 2025 09:45:15 
Сверлит текстолит когтями
Аватар пользователя

Карма: 1
Рейтинг сообщений: 23
Зарегистрирован: Чт авг 21, 2014 11:11:48
Сообщений: 1264
Откуда: краснодарский край
Рейтинг сообщения: 0
Вряд ли. Для звука 50 свечей это дофига.


Вернуться наверх
 
Не в сети
 Заголовок сообщения: Re: Мелкие вопросы по теории
СообщениеДобавлено: Чт окт 02, 2025 12:09:16 
Собутыльник Кота
Аватар пользователя

Карма: -19
Рейтинг сообщений: -141
Зарегистрирован: Пт янв 03, 2025 16:26:44
Сообщений: 2506
Рейтинг сообщения: 0
Вряд ли. Для звука 50 свечей это дофига.

а для проекции ничто.
разве что детский фильмоскоп

_________________
Нет смысла перечислять игнорируемых, пускай догадываются сами по отсутствию ответов. Да и не по фэнь-шую называть их недоброжелателями, это просто глупые люди, число которых, увы, растет.


Вернуться наверх
 
Не в сети
 Заголовок сообщения: Re: Мелкие вопросы по теории
СообщениеДобавлено: Чт окт 02, 2025 13:19:00 
Друг Кота
Аватар пользователя

Карма: 139
Рейтинг сообщений: 2918
Зарегистрирован: Чт янв 10, 2008 22:01:02
Сообщений: 24606
Откуда: Московская область, Фрязино
Рейтинг сообщения: 0
Там 30 В 300 Вт, причем перекаленная, для чего на блоке питания регулятор крутить надо, срок службы мал, т.е. свечей там точно 400

Трепло. Эта лампа имеет номинальную МОЩНОСТЬ 400 Ватт.
https://splamp.ru/upload/iblock/e71/e71 ... ea8c8b.jpg


Вернуться наверх
 
Не в сети
 Заголовок сообщения: Re: Мелкие вопросы по теории
СообщениеДобавлено: Вс окт 05, 2025 14:10:40 
Опытный кот
Аватар пользователя

Карма: 1
Рейтинг сообщений: 14
Зарегистрирован: Вт сен 09, 2014 20:39:46
Сообщений: 835
Откуда: Приютово/Белебей
Рейтинг сообщения: 0
ребяты! подскажите. не совсем в тему. на авто перестал включаться вентилятор радиатора. предохранитель целый. грешу на реле. почему то сопротивление обмотки 950 ом. хотя вроде читал что должно быть 80-100. может из-за этого не включаться?

_________________
нельзя ВСЕМ дать ВСЁ. потому что ВСЕХ много, а ВСЕГО мало!
❝ А сейчас надо обязательно дунуть. Если не дунуть — никакого чуда не произойдет! ❞ ©


Вернуться наверх
 
Показать сообщения за:  Сортировать по:  Вернуться наверх
Начать новую тему Ответить на тему  [ Сообщений: 41871 ]     ... , , , 2088, , , ...  

Часовой пояс: UTC + 3 часа


Кто сейчас на форуме

Сейчас этот форум просматривают: нет зарегистрированных пользователей и гости: 34


Вы не можете начинать темы
Вы не можете отвечать на сообщения
Вы не можете редактировать свои сообщения
Вы не можете удалять свои сообщения
Вы не можете добавлять вложения

Найти:
Перейти:  


Powered by phpBB © 2000, 2002, 2005, 2007 phpBB Group
Русская поддержка phpBB
Extended by Karma MOD © 2007—2012 m157y
Extended by Topic Tags MOD © 2012 m157y