Например TDA7294

Форум РадиоКот • Просмотр темы - Цифровая паяльная станция (от михи-псков)
Форум РадиоКот
Здесь можно немножко помяукать :)

Текущее время: Чт янв 29, 2026 17:11:07

Часовой пояс: UTC + 3 часа


ПРЯМО СЕЙЧАС:



Начать новую тему Ответить на тему  [ Сообщений: 10601 ]     ... , , , 505, , , ...  
Автор Сообщение
Не в сети
 Заголовок сообщения: Re: Цифровая паяльная станция (от михи-псков)
СообщениеДобавлено: Ср авг 29, 2018 08:29:05 
Открыл глаза

Карма: 1
Рейтинг сообщений: 1
Зарегистрирован: Пн авг 27, 2018 19:16:42
Сообщений: 40
Откуда: Малин,Украина
Рейтинг сообщения: 0
Еще вопрос-почему в одной прошивке показывает максимальную температуру 511 а в другой 543?


Вернуться наверх
 
Не в сети
 Заголовок сообщения: Re: Цифровая паяльная станция (от михи-псков)
СообщениеДобавлено: Ср авг 29, 2018 08:47:29 
Встал на лапы

Карма: 1
Рейтинг сообщений: 19
Зарегистрирован: Чт сен 10, 2015 07:46:20
Сообщений: 130
Откуда: Приднестровье
Рейтинг сообщения: 0
Здравствуйте,viktor2011 вот что написано в Faq от Spruts80
Ошибки выдаваемые паяльником на индикатор:
- 511 или Err - максимальная температура (на выходе операционника больше 2.5 вольт), паяльник не подключен, обрыв цепи термопары;
- Err – в случае, если не растет в течении 2-3 сек температура в сторону заданной (в последних прошивках Volly установлена такая защита).
Ошибки выдаваемые термофеном на индикатор: 543 - Обрыв / не подключена термопара.

А прошивки лучше скачать здесь https://cloud.mail.ru/public/9bdq/ecGJSkBdq


Вернуться наверх
 
Не в сети
 Заголовок сообщения: Re: Цифровая паяльная станция (от михи-псков)
СообщениеДобавлено: Ср авг 29, 2018 09:42:25 
Открыл глаза

Карма: 1
Рейтинг сообщений: 1
Зарегистрирован: Пн авг 27, 2018 19:16:42
Сообщений: 40
Откуда: Малин,Украина
Рейтинг сообщения: 0
Это понятно она действительно не подключена. При подключеной показывает 0 градусов,а фен включается только при 80.Ниже 80 работает только вентилятор и идет сброс температуры.Чтобы нагнать температуру 80 нужно подержать кнопку +. Ссылка на прошивки не открывается.


Вернуться наверх
 
Не в сети
 Заголовок сообщения: Re: Цифровая паяльная станция (от михи-псков)
СообщениеДобавлено: Ср авг 29, 2018 12:02:45 
Вымогатель припоя
Аватар пользователя

Карма: 4
Рейтинг сообщений: 99
Зарегистрирован: Пн дек 26, 2011 07:39:55
Сообщений: 548
Откуда: Санкт-Петербург,Лисий Нос
Рейтинг сообщения: 0
термо пару перекинь концы если при нагреве идёт спад

_________________
С Уважением Дмитрий


Вернуться наверх
 
Эиком - электронные компоненты и радиодетали
Не в сети
 Заголовок сообщения: Re: Цифровая паяльная станция (от михи-псков)
СообщениеДобавлено: Ср авг 29, 2018 12:17:27 
Открыл глаза

Карма: 1
Рейтинг сообщений: 1
Зарегистрирован: Пн авг 27, 2018 19:16:42
Сообщений: 40
Откуда: Малин,Украина
Рейтинг сообщения: 0
Вы не поняли-все работает правильно но чтобы включилась спираль нужно прогреть фен до 80 градусов (например другим феном).


Вернуться наверх
 
Не в сети
 Заголовок сообщения: Re: Цифровая паяльная станция (от михи-псков)
СообщениеДобавлено: Ср авг 29, 2018 13:20:20 
Вымогатель припоя
Аватар пользователя

Карма: 4
Рейтинг сообщений: 99
Зарегистрирован: Пн дек 26, 2011 07:39:55
Сообщений: 548
Откуда: Санкт-Петербург,Лисий Нос
Рейтинг сообщения: 0
тогда что то с регулировкой наверное скорее всего та часть которая подтягивает термопару до комнатной температуры

у вас при отключёно нагреватели сколько на табло температура ?

_________________
С Уважением Дмитрий


Вернуться наверх
 
Не в сети
 Заголовок сообщения: Re: Цифровая паяльная станция (от михи-псков)
СообщениеДобавлено: Ср авг 29, 2018 14:51:36 
Открыл глаза

Карма: 1
Рейтинг сообщений: 1
Зарегистрирован: Пн авг 27, 2018 19:16:42
Сообщений: 40
Откуда: Малин,Украина
Рейтинг сообщения: 0
0 градусов.Но она же работала на родимой прошивке.Подтянул термопару к + через 1.7к сейчас показывает 25 градусов но чтобы включился нагреватель нужно 80.


Последний раз редактировалось viktor2011 Ср авг 29, 2018 15:15:10, всего редактировалось 1 раз.

Вернуться наверх
 
Не в сети
 Заголовок сообщения: Re: Цифровая паяльная станция (от михи-псков)
СообщениеДобавлено: Ср авг 29, 2018 15:06:51 
Вымогатель припоя
Аватар пользователя

Карма: 4
Рейтинг сообщений: 99
Зарегистрирован: Пн дек 26, 2011 07:39:55
Сообщений: 548
Откуда: Санкт-Петербург,Лисий Нос
Рейтинг сообщения: 0
ха вот в этом и дело ))должна быть комнатная температура 20 где то
изменяйте настраивайте обвязку lm 358 как в этих схемах от которых прошивка и всё норм будет!!
там даже есть такой потенциометер которым надо выставить комнатную температуры при отключёном нагревателе ...

да на родимой она работала но она безвозвратно утрачена :?
прошивка и схемы должны быть схожими :beer:
прошивку пишут под определённую схему :write:

_________________
С Уважением Дмитрий


Вернуться наверх
 
Не в сети
 Заголовок сообщения: Re: Цифровая паяльная станция (от михи-псков)
СообщениеДобавлено: Ср авг 29, 2018 15:20:00 
Открыл глаза

Карма: 1
Рейтинг сообщений: 1
Зарегистрирован: Пн авг 27, 2018 19:16:42
Сообщений: 40
Откуда: Малин,Украина
Рейтинг сообщения: 0
Это понятно что под определенную схему .У меня на ОР07,да какая разница какой операционник это же не усилитель для меломанов. Паяльник же работает без проблем без каких либо изменений.


Вернуться наверх
 
Не в сети
 Заголовок сообщения: Re: Цифровая паяльная станция (от михи-псков)
СообщениеДобавлено: Ср авг 29, 2018 15:42:04 
Вымогатель припоя
Аватар пользователя

Карма: 4
Рейтинг сообщений: 99
Зарегистрирован: Пн дек 26, 2011 07:39:55
Сообщений: 548
Откуда: Санкт-Петербург,Лисий Нос
Рейтинг сообщения: 0
паяльник подошла прошивка но градусы 100 процентов не те будут это точно ((((
а фен вам надо калибровать настройки и всё норм будет ))
там в прошивки температура идёт по вольтам микро вольтам даже на порте меги и при одной прошивке 1 в это 200 градусов (пример ) то при другой может быть уже хоть 500( это от автора прошивки зависит )и при смене всё меняется кардинально...
так что надо плотно повозиться с обвязкой усилителя термопары что бы добиться показаний нужных и работы правильной под вашу прошивку ...
а так у автора в прошивке заложено нагрев от 10 (пример) градусов а у вас 0 и что делать контролеру ??
:facepalm: 0 это зима уже :))) вот он и в непонятках я что на полюсе :)))

_________________
С Уважением Дмитрий


Вернуться наверх
 
Не в сети
 Заголовок сообщения: Re: Цифровая паяльная станция (от михи-псков)
СообщениеДобавлено: Ср авг 29, 2018 15:51:34 
Открыл глаза

Карма: 1
Рейтинг сообщений: 1
Зарегистрирован: Пн авг 27, 2018 19:16:42
Сообщений: 40
Откуда: Малин,Украина
Рейтинг сообщения: 0
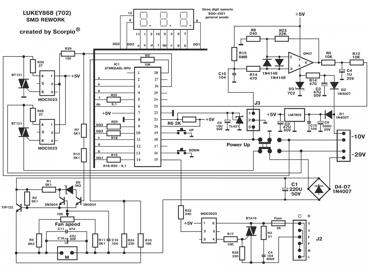
Паяльник проверял температура нормально, с феном тоже нормально единственное что менше 80 не хочет запускатся нагреватель (в некоторых прошивках запуск после 60)Но всеравно спасиба за подсказки.В меня на смд выпаивать и впаивать резисторы 40ватным паяльником не очень удобно.


Вложения:
702 new smd1.jpg [114.39 KiB]
Скачиваний: 825


Последний раз редактировалось viktor2011 Ср авг 29, 2018 15:55:36, всего редактировалось 1 раз.
Вернуться наверх
 
Не в сети
 Заголовок сообщения: Re: Цифровая паяльная станция (от михи-псков)
СообщениеДобавлено: Ср авг 29, 2018 15:53:43 
Вымогатель припоя
Аватар пользователя

Карма: 4
Рейтинг сообщений: 99
Зарегистрирован: Пн дек 26, 2011 07:39:55
Сообщений: 548
Откуда: Санкт-Петербург,Лисий Нос
Рейтинг сообщения: 0
хотя может и прошивка такая тут вроде ешё кто то говорил что греет от 80 начинает ))

_________________
С Уважением Дмитрий


Вернуться наверх
 
Не в сети
 Заголовок сообщения: Re: Цифровая паяльная станция (от михи-псков)
СообщениеДобавлено: Ср авг 29, 2018 16:06:54 
Открыл глаза

Карма: 1
Рейтинг сообщений: 1
Зарегистрирован: Пн авг 27, 2018 19:16:42
Сообщений: 40
Откуда: Малин,Украина
Рейтинг сообщения: 0
Что никто не перепрошивал паяльную станцию? Если выставить комнатную 80 тогда при выключении температура падает до 80 и не отключается автоматом


Вернуться наверх
 
Не в сети
 Заголовок сообщения: Re: Цифровая паяльная станция (от михи-псков)
СообщениеДобавлено: Ср авг 29, 2018 17:30:05 
Встал на лапы

Карма: 1
Рейтинг сообщений: 19
Зарегистрирован: Чт сен 10, 2015 07:46:20
Сообщений: 130
Откуда: Приднестровье
Рейтинг сообщения: 2
viktor2011 и elektro.kot проверьте, чтоб пошёл нагрев фена- нужно выполнить два условия:
1) Лог. "1" на входе PB4 (сигнал "фен снят с подставки")
2) Напряжение >0.4В на входе ADC5 (сигнал "турбина вращается")
или прошейте этой прошивкой,в ней отсутствует контроль по выв. 28


Вложения:
FW-Volly-078-Lukey852d-Firmw.rar [4.3 KiB]
Скачиваний: 339
Вернуться наверх
 
Не в сети
 Заголовок сообщения: Re: Цифровая паяльная станция (от михи-псков)
СообщениеДобавлено: Ср авг 29, 2018 20:40:59 
Открыл глаза

Карма: 1
Рейтинг сообщений: 1
Зарегистрирован: Пн авг 27, 2018 19:16:42
Сообщений: 40
Откуда: Малин,Украина
Рейтинг сообщения: 0
Ок попробую прошить.Вс работает но если прогреть фен до 80 (60)градусов или подержать кнопки + или - или выставить комнатную температуру 80 градусов (тогда не отключается - не может охладить до 50)..Этой прошивкой еще не прошивал попробую.

Добавлено after 19 minutes 24 seconds:
Всем спасибо кто откликнулся особенно большое спасибо petrf c его прошивкой все заработало.Я уже думал придется мегу менять- кончатся цыклы запись-стирание

Добавлено after 1 hour 1 minute 53 seconds:
Что самое интересное что у меня по схеме есть контроль вентилятора.


Последний раз редактировалось viktor2011 Чт авг 30, 2018 14:40:29, всего редактировалось 1 раз.

Вернуться наверх
 
Не в сети
 Заголовок сообщения: Re: Цифровая паяльная станция (от михи-псков)
СообщениеДобавлено: Чт авг 30, 2018 04:03:41 
Встал на лапы

Карма: 1
Рейтинг сообщений: 19
Зарегистрирован: Чт сен 10, 2015 07:46:20
Сообщений: 130
Откуда: Приднестровье
Рейтинг сообщения: 0
Здравствуйте,значит у вас не выполняется 2 условие,вот что написано в Faq от Spruts80
Внимание! при использовании прошивок на термофен (Luk702_fan_SE-2.rar, Luk_fan_CC.rar) обращайте внимание что данные прошивки контролируют наличие напряжения на пине PC5(ADC5/SCL) - 28 нога (DIP корпус) оно должно находиться в пределах 0.4V- минимальные обороты двигателя, 0,9V-максимальные обороты двигателя.


Вернуться наверх
 
Не в сети
 Заголовок сообщения: Re: Цифровая паяльная станция (от михи-псков)
СообщениеДобавлено: Чт авг 30, 2018 09:43:25 
Открыл глаза

Карма: 1
Рейтинг сообщений: 1
Зарегистрирован: Пн авг 27, 2018 19:16:42
Сообщений: 40
Откуда: Малин,Украина
Рейтинг сообщения: 0
Возможно.Хотя навряд ли.При прогреве фена все работало. Думаю дело во входе термопары. На одной прошивке запуск шел при 60 а на другой при 80.На самодельных другие номиналы в обвязке операционника.

Добавлено after 1 hour 54 minutes 27 seconds:
Просмотрел внимательно схемы -различия в подключении 28 ноги к вентилятору .(в схеме оригинальной контроль через делитель к вентилятору а самодельной к + и - питания.Да и питание реализовано по другому). Соответственно разные напряжения поступают на 28 ногу.Нада было попробовать включать на разных скоростях вентилятора.Желания перепрошивать и проверять нету .Может кому пригодится на будущее.


Вложения:
Схема1.GIF [194.8 KiB]
Скачиваний: 721
post-165257-0-50865500-1402132229.jpg [132.88 KiB]
Скачиваний: 531
Вернуться наверх
 
Не в сети
 Заголовок сообщения: Re: Цифровая паяльная станция (от михи-псков)
СообщениеДобавлено: Чт авг 30, 2018 12:34:26 
Поставщик валерьянки для Кота
Аватар пользователя

Карма: 24
Рейтинг сообщений: 596
Зарегистрирован: Сб окт 10, 2009 10:34:07
Сообщений: 2168
Откуда: Україна, Хорол
Рейтинг сообщения: 0
...думал придется мегу менять- кончатся цыклы запись-стирание...
Что, прям все 10000? :))

_________________
Мои паяльные станции: первая, вторая, фен.


Вернуться наверх
 
Не в сети
 Заголовок сообщения: Re: Цифровая паяльная станция (от михи-псков)
СообщениеДобавлено: Чт авг 30, 2018 13:14:23 
Открыл глаза

Карма: 1
Рейтинг сообщений: 1
Зарегистрирован: Пн авг 27, 2018 19:16:42
Сообщений: 40
Откуда: Малин,Украина
Рейтинг сообщения: 0
Почти (шутка) раз 50 точно.


Вернуться наверх
 
Не в сети
 Заголовок сообщения: Re: Цифровая паяльная станция (от михи-псков)
СообщениеДобавлено: Чт авг 30, 2018 15:46:32 
Электрический кот
Аватар пользователя

Карма: 2
Рейтинг сообщений: 34
Зарегистрирован: Сб фев 04, 2017 12:16:42
Сообщений: 1020
Откуда: Украина
Рейтинг сообщения: 0
В каких еще прошивках
отсутствует контроль по выв. 28
?

_________________
... ардубино и наебиэкспресс убивают творчество в зародыше.


Вернуться наверх
 
Показать сообщения за:  Сортировать по:  Вернуться наверх
Начать новую тему Ответить на тему  [ Сообщений: 10601 ]     ... , , , 505, , , ...  

Часовой пояс: UTC + 3 часа


Кто сейчас на форуме

Сейчас этот форум просматривают: imon220, ks0 и гости: 22


Вы не можете начинать темы
Вы не можете отвечать на сообщения
Вы не можете редактировать свои сообщения
Вы не можете удалять свои сообщения
Вы не можете добавлять вложения

Найти:
Перейти:  


Powered by phpBB © 2000, 2002, 2005, 2007 phpBB Group
Русская поддержка phpBB
Extended by Karma MOD © 2007—2012 m157y
Extended by Topic Tags MOD © 2012 m157y