Например TDA7294

Форум РадиоКот • Просмотр темы - Почти детекторный приемник.
Форум РадиоКот
Здесь можно немножко помяукать :)

Текущее время: Вс ноя 30, 2025 10:00:50

Часовой пояс: UTC + 3 часа


ПРЯМО СЕЙЧАС:



Начать новую тему Ответить на тему  [ Сообщений: 383 ]     ... , , , 8, , , ...  
Автор Сообщение
Не в сети
 Заголовок сообщения: Re: Почти детекторный приемник.
СообщениеДобавлено: Чт авг 02, 2012 07:23:03 
Грызет канифоль

Карма: 2
Рейтинг сообщений: 3
Зарегистрирован: Чт мар 15, 2012 21:05:25
Сообщений: 271
Рейтинг сообщения: 0
Снова прошу помощи :)

Развёл и вытравил свою первую печатную плату. Напомню, что до этого собрал приёмник на контактной макетной плате по этой схеме: http://radiokot.ru/forum/download/file.php?mode=view&id=111215

На вид плата получилась более-менее, кое-где дорожки подразъело (я чертил дорожки с помощью маркера, лазерно-утюжная технология немного подождёт), но в целом рисунок соответствует задуманному, а после залудки дорожки стали выглядеть непрерывными, т.е. припой скомпенсировал перетравленность меди. Лишняя медь точно удалилась вся.

Но устройство, увы, не заработало. При подключении питания щелчок в наушниках слышен, а сигнал приёмник не ловит. Я понимаю, что виной тому может быть любая мелочь, например, одна закоротившая дорожка, поэтому не отчаиваюсь.

Прошу проверить разводку: мало ли, вдруг косяк уже в ней? Хотя я раза три перепроверил и мне кажется, что всё верно разведено. Картинку прикрепил. "Землю" выделил синим цветом, плюсовую шину - красным. Динамик обозначен как BF. В целом разводил без сильного акцента на экономию места и без акцента на удобство подключения наушников (соединял всё просто пайкой, без гнёзд), просто старался не перепутать выводы, так как для начала хотел потренироваться в печатном монтаже. "Удобную" плату с аудиогнездом сделаю позже, хотя учитывая, что приёмник в целом учебный, это всё тоже в рамках тренировки.

И ещё сразу скажу: транзисторы у меня не КТ, а зарубежные аналоги, отсюда и цоколевка Э-Б-К. Полевой транзистор КП303.


Вложения:
1113.jpg [119.14 KiB]
Скачиваний: 856

_________________
When in deadly danger, when beset by doubt, run in little circles, wave your arms and shout.
Вернуться наверх
 
Не в сети
 Заголовок сообщения: Re: Почти детекторный приемник.
СообщениеДобавлено: Чт авг 02, 2012 11:02:43 
Открыл глаза
Аватар пользователя

Зарегистрирован: Вт июн 26, 2012 11:24:05
Сообщений: 58
Откуда: Украина
Рейтинг сообщения: 0
Помню в детстве делал приёмник на трёх транзисторах.2штуки КТ315 и Кт361 он простой был но приём у него был очень хороший )) Схемы не у кого нету ?

_________________
«без КТ – ни туды и ни сюды». ))))


Вернуться наверх
 
Не в сети
 Заголовок сообщения: Re: Почти детекторный приемник.
СообщениеДобавлено: Чт авг 02, 2012 11:29:48 
Грызет канифоль
Аватар пользователя

Карма: 1
Рейтинг сообщений: 29
Зарегистрирован: Чт июл 12, 2012 20:09:16
Сообщений: 251
Рейтинг сообщения: 0
Erling, вроде всё гуд по печатной плате. Обратите внимание на правильность включения полевика. Дотроньтесь отвёрткой до входа УНЧ - звук фона 50Гц появляется в наушниках? Вообще, номиналы транзисторов в этой схеме подогнаны под наши КТ315/361, так что проще ставить их и не мучатся. Саму плату можете "щёлкнуть" со стороны деталей и со стороны дорожек?

Электро кот, что-то типа такого? Это приёмник разработки проф. Полякова В.Т. Тоже делал когда-то, в далёком 1994ом. Работает с первого включения, без наладки и прочих хождений по мукам.


Вложения:
post-115756-1270560475,93_thumb.png [59.22 KiB]
Скачиваний: 724

_________________
Если государство обворовывает свой народ, взрывает дома, а несогласных - ликвидирует и сажает, значит оно - диктатор
Если государство незаконно поставляет наемников и оружие в другие страны, значит оно - международный террорист
Вернуться наверх
 
Не в сети
 Заголовок сообщения: Re: Почти детекторный приемник.
СообщениеДобавлено: Чт авг 02, 2012 12:37:54 
Грызет канифоль

Карма: 2
Рейтинг сообщений: 3
Зарегистрирован: Чт мар 15, 2012 21:05:25
Сообщений: 271
Рейтинг сообщения: 0
Цитата:
Вообще, номиналы транзисторов в этой схеме подогнаны под наши КТ315/361, так что проще ставить их и не мучатся.
Так на макетной плате-то всё работало :) Правда, один из транзисторов "новый", на макетной плате его не было. PNP-шник. Может быть, попробую его заменить на КТ361 в порядке поиска ошибки.

Цитата:
Саму плату можете "щёлкнуть" со стороны деталей и со стороны дорожек?
Вот:
http://s019.radikal.ru/i636/1208/4f/ac96506a3220.jpg
http://i064.radikal.ru/1208/f2/8f22721decef.jpg
Резисторов с нужными номиналами не было, так что растут деревья :oops:

Цитата:
Дотроньтесь отвёрткой до входа УНЧ - звук фона 50Гц появляется в наушниках?
До базы VT2 то есть? Дотронулся, нет фона.

_________________
When in deadly danger, when beset by doubt, run in little circles, wave your arms and shout.


Вернуться наверх
 
Эиком - электронные компоненты и радиодетали
Не в сети
 Заголовок сообщения: Re: Почти детекторный приемник.
СообщениеДобавлено: Чт авг 02, 2012 13:22:48 
Друг Кота
Аватар пользователя

Карма: 64
Рейтинг сообщений: 1102
Зарегистрирован: Ср ноя 17, 2010 23:10:55
Сообщений: 5837
Откуда: Ижевск LO66NU
Рейтинг сообщения: 0
В таких случаях берется тестер и меряются напряжения на ногах транзисторов.

_________________
В начале жизнь мучает вопросами, в конце - ответами...


Вернуться наверх
 
Не в сети
 Заголовок сообщения: Re: Почти детекторный приемник.
СообщениеДобавлено: Чт авг 02, 2012 13:31:22 
Грызет канифоль
Аватар пользователя

Карма: 1
Рейтинг сообщений: 29
Зарегистрирован: Чт июл 12, 2012 20:09:16
Сообщений: 251
Рейтинг сообщения: 0
Хреново. Значит УНЧ не работает, как Вы уже догадались. И если раньше всё работало, а теперь - нет, то значит где-то в монтаже допустили ошибку при перепайке.
Деревья из сопротивлений тоже не есть гуд. Сделайте уже лучше тогда гармошкой, а не "прутьями". В старых советских телевизорах-магнитофонах полным-полно всяких разных сопротивлений и не только. Разберите что-нибудь. С мусорки не стесняйтесь чё-нить подобрать на распайку, хотя бы платы повыдёргивайте. Любому радиолюбителю это не чуждо, чтоб Вы знали. Независимо от возраста и соц. статуса. :beer:

_________________
Если государство обворовывает свой народ, взрывает дома, а несогласных - ликвидирует и сажает, значит оно - диктатор
Если государство незаконно поставляет наемников и оружие в другие страны, значит оно - международный террорист


Вернуться наверх
 
Не в сети
 Заголовок сообщения: Re: Почти детекторный приемник.
СообщениеДобавлено: Чт авг 02, 2012 13:41:09 
Нашел транзистор. Понюхал.

Зарегистрирован: Пн фев 15, 2010 16:16:07
Сообщений: 150
Откуда: Украина
Рейтинг сообщения: 0
Erling, а у тебя что, в городе нет магазинов?


Вернуться наверх
 
Не в сети
 Заголовок сообщения: Re: Почти детекторный приемник.
СообщениеДобавлено: Чт авг 02, 2012 13:43:51 
Грызет канифоль

Карма: 2
Рейтинг сообщений: 3
Зарегистрирован: Чт мар 15, 2012 21:05:25
Сообщений: 271
Рейтинг сообщения: 0
El_GatoДа уж раздобуду с нужными номиналами :) Всё-таки в Москве живу. Разобрать что-нибудь на запчасти я совсем не прочь, просто ввиду дешевизны и доступности деталей проще купить. Просто в конкретном магазине нужных номиналов не было, а руки чесались.

Цитата:
В таких случаях берется тестер и меряются напряжения на ногах транзисторов.
Как именно? Относительно земли? И что следует выяснить, проводя такие измерения?

_________________
When in deadly danger, when beset by doubt, run in little circles, wave your arms and shout.


Вернуться наверх
 
Не в сети
 Заголовок сообщения: Re: Почти детекторный приемник.
СообщениеДобавлено: Чт авг 02, 2012 14:32:43 
Модератор
Аватар пользователя

Карма: 158
Рейтинг сообщений: 1600
Зарегистрирован: Пт апр 28, 2006 15:26:07
Сообщений: 11940
Откуда: Россия.
Рейтинг сообщения: 0
Медали: 2
Мявтор 3-й степени (1) Лучший человек Форума 2017 (1)
Да в принципе тип транзисторов там не критичен. В качестве полевого можно поставить любой из КП303 или КП307 с малым напряжением отсечки. Можно и другие типы посмотреть по справочнику.
Биполярные транзисторы любые малой мощности.
Резисторы можно ставить с разбросом -20%, +50%
Единственно, что подобрать, как уже раньше говорил, то это резистор R7

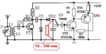
Изображение

Сделать так, что бы на наушнике падало порядка одного вольта и тогда ток получится 1 вольт разделить на сопротивление наушника. У меня наушники были 32 ома. Ток получился порядка 30 ма, но это плата за низкоомные наушники. :cry:
Вот там я красным нарисовал, что при питании 4,5 вольта, на эмиттере последнего транзистора 3,5 вольта, т.е. на наушнике 1 вольт.
Можно и больше напряжение на наушнике сделать. Неискаженная громкость возрастет, но упадет экономичность.

Насчет печатки, то какой смысл её делать, если нет нужных деталей, а вообще рисунок должен быть похож на саму схему и лучше уж в некоторых местах сделать перемычки, чем шину питания, а особенно земляную делать наподобие новогодней елки.
Например конденсатор С3 должен стоять непосредственно между стоком транзистора и нижним концом резистора R2 и соединяться без всяких длинных дорожек.
Електро Кот писал(а):
Aen , я сделал на полевом транзисторе всё равно что-то все станции зараз :cry:
Все уже писал.
aen писал(а):
Это говорит о маленькой нагруженной добротности колебательного контура.
Она может быть маленькой из за того, что сама по себе добротность колебательного контура низкая
aen писал(а):
Намотал вместо него на ферритовый стержень 70 витков провода 0,45. Приемник с такой катушкой стал работать очень плохо, т.к. добротность такой катушки получилась слишком низкой.
А у Вас какая катушка?


Вернуться наверх
 
Не в сети
 Заголовок сообщения: Re: Почти детекторный приемник.
СообщениеДобавлено: Чт авг 02, 2012 22:57:31 
Грызет канифоль
Аватар пользователя

Карма: 1
Рейтинг сообщений: 29
Зарегистрирован: Чт июл 12, 2012 20:09:16
Сообщений: 251
Рейтинг сообщения: 0
Народ, кто делал эту схему - попробуйте воткнуть небольшую керамику между КК и R1. Смысл в R1, если он КЗ через КК? Во многих схемах стоит керамика.

_________________
Если государство обворовывает свой народ, взрывает дома, а несогласных - ликвидирует и сажает, значит оно - диктатор
Если государство незаконно поставляет наемников и оружие в другие страны, значит оно - международный террорист


Вернуться наверх
 
Не в сети
 Заголовок сообщения: Re: Почти детекторный приемник.
СообщениеДобавлено: Пт авг 03, 2012 09:36:44 
Открыл глаза
Аватар пользователя

Зарегистрирован: Вт июн 26, 2012 11:24:05
Сообщений: 58
Откуда: Украина
Рейтинг сообщения: 0
У меня диаметр 100мм намотана проводом 0.8 или0.9 мм

_________________
«без КТ – ни туды и ни сюды». ))))


Вернуться наверх
 
Не в сети
 Заголовок сообщения: Re: Почти детекторный приемник.
СообщениеДобавлено: Пт авг 03, 2012 09:51:14 
Грызет канифоль
Аватар пользователя

Карма: 1
Рейтинг сообщений: 29
Зарегистрирован: Чт июл 12, 2012 20:09:16
Сообщений: 251
Рейтинг сообщения: 0
А что за провод, обычный ПЭЛ/ПЭВ? Если да, то такой желательно мотать с шагом, равным диаметру провода. Либо в толстой изоляции - тогда шаг получается автоматически. Идеальный провод для СВДВ - литцендрат, что подтвердил в своих экспериментах Aen

PS Я для своего ДП мотал проводом 1мм в изоляции. Внешний диаметр 2.4мм, т.е. получился шаг 1.4мм. Количество витков катушки - 100, длина намотки - 24см, диаметр каркаса - 7.5см. Работает на нижнем КВ, без КПЁ - через каждые 5 витков имеются оголённые участки провода для подключения "крокодилом".

_________________
Если государство обворовывает свой народ, взрывает дома, а несогласных - ликвидирует и сажает, значит оно - диктатор
Если государство незаконно поставляет наемников и оружие в другие страны, значит оно - международный террорист


Вернуться наверх
 
Не в сети
 Заголовок сообщения: Re: Почти детекторный приемник.
СообщениеДобавлено: Пт авг 03, 2012 12:00:26 
Друг Кота
Аватар пользователя

Карма: 64
Рейтинг сообщений: 1102
Зарегистрирован: Ср ноя 17, 2010 23:10:55
Сообщений: 5837
Откуда: Ижевск LO66NU
Рейтинг сообщения: 0
El_Gato писал(а):
Смысл в R1, если он КЗ через КК? Во многих схемах стоит керамика.
Нагрузка КК (КК вроде генератора, R1 - нагрузка, IMHO...).
Кондер вставить - по НЧ наводки на затвор могут объявиться, а без него всё закорочено через катушку, кроме резонански.

_________________
В начале жизнь мучает вопросами, в конце - ответами...


Вернуться наверх
 
Не в сети
 Заголовок сообщения: Re: Почти детекторный приемник.
СообщениеДобавлено: Пт авг 03, 2012 14:59:51 
Открыл глаза
Аватар пользователя

Зарегистрирован: Вт июн 26, 2012 11:24:05
Сообщений: 58
Откуда: Украина
Рейтинг сообщения: 0
Провод с трансформатора а литцендрат тип много жильний или одно жильный ?

_________________
«без КТ – ни туды и ни сюды». ))))


Вернуться наверх
 
Не в сети
 Заголовок сообщения: Re: Почти детекторный приемник.
СообщениеДобавлено: Пт авг 03, 2012 15:33:50 
Грызет канифоль
Аватар пользователя

Карма: 1
Рейтинг сообщений: 29
Зарегистрирован: Чт июл 12, 2012 20:09:16
Сообщений: 251
Рейтинг сообщения: 0
Литцендрат=многожильный, НО! каждая жила - лакированная. В силу того, что на ВЧ ток распространяется исключительно по поверхности проводника (скин-эффект), использование литцендрата даёт выигрыш в проводимости, а значит уменьшение потерь и рост добротности. Толстый, а особенно посеребрённый провод желателен именно по этой причине. Аминь.

_________________
Если государство обворовывает свой народ, взрывает дома, а несогласных - ликвидирует и сажает, значит оно - диктатор
Если государство незаконно поставляет наемников и оружие в другие страны, значит оно - международный террорист


Вернуться наверх
 
Не в сети
 Заголовок сообщения: Re: Почти детекторный приемник.
СообщениеДобавлено: Пт авг 03, 2012 19:49:55 
Прорезались зубы
Аватар пользователя

Карма: 12
Рейтинг сообщений: 16
Зарегистрирован: Пн авг 22, 2011 07:12:06
Сообщений: 247
Откуда: Ставрополь
Рейтинг сообщения: 0
Полевичок в aen-овском приемнике можно поменять на КП302 ? И реально ли этот приемник использовать на низкочастотных КВ диапазонах ( 3-7 МГц) при изменении параметров КК?


Вернуться наверх
 
Не в сети
 Заголовок сообщения: Re: Почти детекторный приемник.
СообщениеДобавлено: Пт авг 03, 2012 20:35:18 
Нашел транзистор. Понюхал.

Зарегистрирован: Пн фев 15, 2010 16:16:07
Сообщений: 150
Откуда: Украина
Рейтинг сообщения: 0
Полевик можно, а на кв лучше спаять приемник прямого преобразования


Вернуться наверх
 
Не в сети
 Заголовок сообщения: Re: Почти детекторный приемник.
СообщениеДобавлено: Сб авг 04, 2012 09:47:34 
Открыл глаза
Аватар пользователя

Зарегистрирован: Вт июн 26, 2012 11:24:05
Сообщений: 58
Откуда: Украина
Рейтинг сообщения: 0
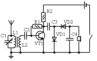
Открыл свою тетрадь с схемами и увидел там вот этот приёмник
Вложение:
beginner5-1.gif [3.24 KiB]
Скачиваний: 731
Я когда то делал его но с еммитерным повторителем потому что телефона у меня не было :cry: но сейчас той схемы еммитерного повторителя у меня нет ,и я использовал этот
Вложение:
beginner5-1.gif [7.28 KiB]
Скачиваний: 740
достаточно неплохо принимает станции даже с катушкой намотаной на ферритовом стержне проводом 0.2мм

_________________
«без КТ – ни туды и ни сюды». ))))


Вернуться наверх
 
Не в сети
 Заголовок сообщения: Re: Почти детекторный приемник.
СообщениеДобавлено: Сб авг 04, 2012 09:57:04 
Модератор
Аватар пользователя

Карма: 158
Рейтинг сообщений: 1600
Зарегистрирован: Пт апр 28, 2006 15:26:07
Сообщений: 11940
Откуда: Россия.
Рейтинг сообщения: 0
Медали: 2
Мявтор 3-й степени (1) Лучший человек Форума 2017 (1)
Для правильной работы детектора в схему нужно добавить резистор.
Величина его в данном случае не критична.

Изображение


Вложения:
1.JPG [14.64 KiB]
Скачиваний: 3330
Вернуться наверх
 
Не в сети
 Заголовок сообщения: Re: Почти детекторный приемник.
СообщениеДобавлено: Сб авг 04, 2012 11:32:29 
Открыл глаза
Аватар пользователя

Зарегистрирован: Вт июн 26, 2012 11:24:05
Сообщений: 58
Откуда: Украина
Рейтинг сообщения: 0
Ой :roll: я и забил о нём нужно поставить :solder:

_________________
«без КТ – ни туды и ни сюды». ))))


Вернуться наверх
 
Показать сообщения за:  Сортировать по:  Вернуться наверх
Начать новую тему Ответить на тему  [ Сообщений: 383 ]     ... , , , 8, , , ...  

Часовой пояс: UTC + 3 часа


Кто сейчас на форуме

Сейчас этот форум просматривают: нет зарегистрированных пользователей и гости: 14


Вы не можете начинать темы
Вы не можете отвечать на сообщения
Вы не можете редактировать свои сообщения
Вы не можете удалять свои сообщения
Вы не можете добавлять вложения

Найти:
Перейти:  


Powered by phpBB © 2000, 2002, 2005, 2007 phpBB Group
Русская поддержка phpBB
Extended by Karma MOD © 2007—2012 m157y
Extended by Topic Tags MOD © 2012 m157y