Например TDA7294

Форум РадиоКот • Просмотр темы - КВ приемник регенератор.
Форум РадиоКот
Здесь можно немножко помяукать :)

Текущее время: Вс янв 04, 2026 07:37:45

Часовой пояс: UTC + 3 часа


ПРЯМО СЕЙЧАС:



Начать новую тему Ответить на тему  [ Сообщений: 1600 ]     ... , , , 15, , , ...  
Автор Сообщение
Не в сети
 Заголовок сообщения: Re: Любительские КВ приемники
СообщениеДобавлено: Вт июл 05, 2011 11:57:49 
Это не хвост, это антенна

Карма: 9
Рейтинг сообщений: 5
Зарегистрирован: Вс июл 25, 2010 17:30:25
Сообщений: 1371
Откуда: с севера
Рейтинг сообщения: 0
6н2п вроде для нч предусилителей


Вернуться наверх
 
Не в сети
 Заголовок сообщения: Re: Любительские КВ приемники
СообщениеДобавлено: Вт июл 05, 2011 12:23:58 
Мудрый кот

Карма: 6
Рейтинг сообщений: 1
Зарегистрирован: Ср июн 30, 2010 22:45:49
Сообщений: 1817
Рейтинг сообщения: 0
Так и 6Н1П тоже для НЧ.
Только почему в некоторых приемниках их применяют я тоже не понимаю. :)))
Например. http://ua4aeu.ucoz.ru/_pu/7/33921113.gif


Вернуться наверх
 
Не в сети
 Заголовок сообщения: Re: Любительские КВ приемники
СообщениеДобавлено: Вт июл 05, 2011 12:53:14 
Грызет канифоль
Аватар пользователя

Зарегистрирован: Ср фев 16, 2011 16:51:41
Сообщений: 296
Откуда: Новосибирская область
Рейтинг сообщения: 0
дело идет лампу нашел :) только вот теперь вопрос с трансформаторами можно ли такой использовать предварительно перемотав его или нет?
Вложение:
Фото001.jpg [51.56 KiB]
Скачиваний: 750


Вернуться наверх
 
Не в сети
 Заголовок сообщения: Re: Любительские КВ приемники
СообщениеДобавлено: Вт июл 05, 2011 12:56:53 
Мудрый кот

Карма: 6
Рейтинг сообщений: 1
Зарегистрирован: Ср июн 30, 2010 22:45:49
Сообщений: 1817
Рейтинг сообщения: 0
Подойдет,только нужен еще один такой же для накала.
Кстати мой приемник оказался работоспособным даже от 120 вольт на вторичке(160вольт после выпрямителя с фильтром)


Вернуться наверх
 
Эиком - электронные компоненты и радиодетали
Не в сети
 Заголовок сообщения: Re: Любительские КВ приемники
СообщениеДобавлено: Вт июл 05, 2011 13:04:33 
Грызет канифоль
Аватар пользователя

Зарегистрирован: Ср фев 16, 2011 16:51:41
Сообщений: 296
Откуда: Новосибирская область
Рейтинг сообщения: 0
есть компьютерный БП может оттуда взять там есть 6 вольт :idea: э этот трансформатор для анода каким проводом и сколько мотать не подскажете?


Вернуться наверх
 
Не в сети
 Заголовок сообщения: Re: Любительские КВ приемники
СообщениеДобавлено: Вт июл 05, 2011 13:14:14 
Мудрый кот

Карма: 6
Рейтинг сообщений: 1
Зарегистрирован: Ср июн 30, 2010 22:45:49
Сообщений: 1817
Рейтинг сообщения: 0
Проводом 0.1-0.15мм.Кол-во витков надо расчитать.Замеряй напряжение на вторичке и запиши,потом смотай вторичку(только посчитай витки).Потом кол-во витков разделишь на напряжение которое замерил и получишь сколько витков надо мотать что бы получить 1 вольт.Умножаешь это число на напряжение которое нужно.Вот столько витков и нужно намотать.
Или можно проще мотаешь до заполнения и получишь примерно то что надо. :wink:
Только я вижу там вместе с трансом есть диодный мост,его убери.Поставь из телевизора(продолговатая такая платка с кучей диодов д226).


Вернуться наверх
 
Не в сети
 Заголовок сообщения: Re: Любительские КВ приемники
СообщениеДобавлено: Вт июл 05, 2011 13:20:54 
Грызет канифоль
Аватар пользователя

Зарегистрирован: Ср фев 16, 2011 16:51:41
Сообщений: 296
Откуда: Новосибирская область
Рейтинг сообщения: 0
платки такой нет :( есть только диоды д226б


Вернуться наверх
 
Не в сети
 Заголовок сообщения: Re: Любительские КВ приемники
СообщениеДобавлено: Вт июл 05, 2011 13:22:08 
Это не хвост, это антенна

Карма: 9
Рейтинг сообщений: 5
Зарегистрирован: Вс июл 25, 2010 17:30:25
Сообщений: 1371
Откуда: с севера
Рейтинг сообщения: 0
После конденсатора лучше добавить дроссель для фильтрации помех


Вернуться наверх
 
Не в сети
 Заголовок сообщения: Re: Любительские КВ приемники
СообщениеДобавлено: Вт июл 05, 2011 13:23:10 
Мудрый кот

Карма: 6
Рейтинг сообщений: 1
Зарегистрирован: Ср июн 30, 2010 22:45:49
Сообщений: 1817
Рейтинг сообщения: 0
Это хорошо что есть.Их же можно спаять по мостовой схеме.
Изображение


Вернуться наверх
 
Не в сети
 Заголовок сообщения: Re: Любительские КВ приемники
СообщениеДобавлено: Вт июл 05, 2011 13:23:33 
Это не хвост, это антенна

Карма: 9
Рейтинг сообщений: 5
Зарегистрирован: Вс июл 25, 2010 17:30:25
Сообщений: 1371
Откуда: с севера
Рейтинг сообщения: 0
Какие проблемы? Паяй диодный мост.


Вернуться наверх
 
Не в сети
 Заголовок сообщения: Re: Любительские КВ приемники
СообщениеДобавлено: Вт июл 05, 2011 13:53:16 
Вымогатель припоя
Аватар пользователя

Карма: 12
Рейтинг сообщений: 174
Зарегистрирован: Ср мар 31, 2010 05:59:14
Сообщений: 680
Рейтинг сообщения: 0
Mikhasolodovnik писал(а):
только вот теперь вопрос с трансформаторами
Здесь на третьей странице видел как можно обойтись без перемотки. Только нужно тогда два одинаковых трансформатора.

viewtopic.php?p=831754#p831754


Вернуться наверх
 
Не в сети
 Заголовок сообщения: Re: Любительские КВ приемники
СообщениеДобавлено: Вт июл 05, 2011 14:12:37 
Мудрый кот

Карма: 6
Рейтинг сообщений: 1
Зарегистрирован: Ср июн 30, 2010 22:45:49
Сообщений: 1817
Рейтинг сообщения: 0
Можно и так.У меня какое то время так и было.


Вернуться наверх
 
Не в сети
 Заголовок сообщения: Re: Любительские КВ приемники
СообщениеДобавлено: Вт июл 05, 2011 14:43:06 
Вымогатель припоя

Зарегистрирован: Вс сен 10, 2006 00:04:03
Сообщений: 544
Рейтинг сообщения: 0
Можно еще изготовить на индикаторе)) Интересно получится.Вот забугорная схема.
Желательно добавить еще унч и увч)


Вложения:
cyclops2.jpg [250.71 KiB]
Скачиваний: 891
cyclops1.jpg [252.18 KiB]
Скачиваний: 783
Вернуться наверх
 
Не в сети
 Заголовок сообщения: Re: Любительские КВ приемники
СообщениеДобавлено: Вт июл 05, 2011 14:47:52 
Вымогатель припоя

Зарегистрирован: Вс сен 10, 2006 00:04:03
Сообщений: 544
Рейтинг сообщения: 0
а вот такой я делал на 12ж1л.Потребление мизерное.Работать будет и от 4 крон в аноде), лампы не дефицитные
накал - 3 плоских батарейки.Сожно вообще 4 -мя плоскими батарейками обойтись) только забыл нарисовать кондер с движка регулятора на землю - керамика 0,1


Вложения:
121_122.gif [6.41 KiB]
Скачиваний: 831
Вернуться наверх
 
Не в сети
 Заголовок сообщения: Re: Любительские КВ приемники
СообщениеДобавлено: Вт июл 05, 2011 14:56:53 
Вымогатель припоя

Зарегистрирован: Вс сен 10, 2006 00:04:03
Сообщений: 544
Рейтинг сообщения: 0
Пару схем на 2ж27л - только аккуратно с питанием - не любят перекала, горят сразу
Чем хороши батарейные лампы - не требуют высоковольтного питания - работают от батареек очень долго


Вложения:
0-V-1 на 2ж27л.jpg [115.21 KiB]
Скачиваний: 794
2SH27l-audion.doc [397 KiB]
Скачиваний: 855
Вернуться наверх
 
Не в сети
 Заголовок сообщения: Re: Любительские КВ приемники
СообщениеДобавлено: Вт июл 05, 2011 15:01:33 
Это не хвост, это антенна

Карма: 9
Рейтинг сообщений: 5
Зарегистрирован: Вс июл 25, 2010 17:30:25
Сообщений: 1371
Откуда: с севера
Рейтинг сообщения: 0
Может в первом посте собрать все схемы приемников с описанием


Вернуться наверх
 
Не в сети
 Заголовок сообщения: Re: Любительские КВ приемники
СообщениеДобавлено: Вт июл 05, 2011 15:03:25 
Мудрый кот

Карма: 6
Рейтинг сообщений: 1
Зарегистрирован: Ср июн 30, 2010 22:45:49
Сообщений: 1817
Рейтинг сообщения: 0
Можно.Но только надо что бы схемы проверенные были.
Но этим займусь вечером,сейчас немного занят.


Последний раз редактировалось DIMON_CHAiNIK\\ Вт июл 05, 2011 15:08:41, всего редактировалось 1 раз.

Вернуться наверх
 
Не в сети
 Заголовок сообщения: Re: Любительские КВ приемники
СообщениеДобавлено: Вт июл 05, 2011 15:08:32 
Вымогатель припоя

Зарегистрирован: Вс сен 10, 2006 00:04:03
Сообщений: 544
Рейтинг сообщения: 0
А это для желающих попробовать себя в роли шпиена :)) Легендарная радиостанция PARASET

Как народ делает - можно посмотреть здесь http://www.sm7eql.se/paraset

На Западе есть клуб любителей паразита - собираются, соревнования устраивают :))


Вложения:
paraset_scematic_L.jpg [121.92 KiB]
Скачиваний: 842
Paraset_13.jpg [35.08 KiB]
Скачиваний: 836
Вернуться наверх
 
Не в сети
 Заголовок сообщения: Re: Любительские КВ приемники
СообщениеДобавлено: Вт июл 05, 2011 15:19:03 
Вымогатель припоя

Зарегистрирован: Вс сен 10, 2006 00:04:03
Сообщений: 544
Рейтинг сообщения: 0
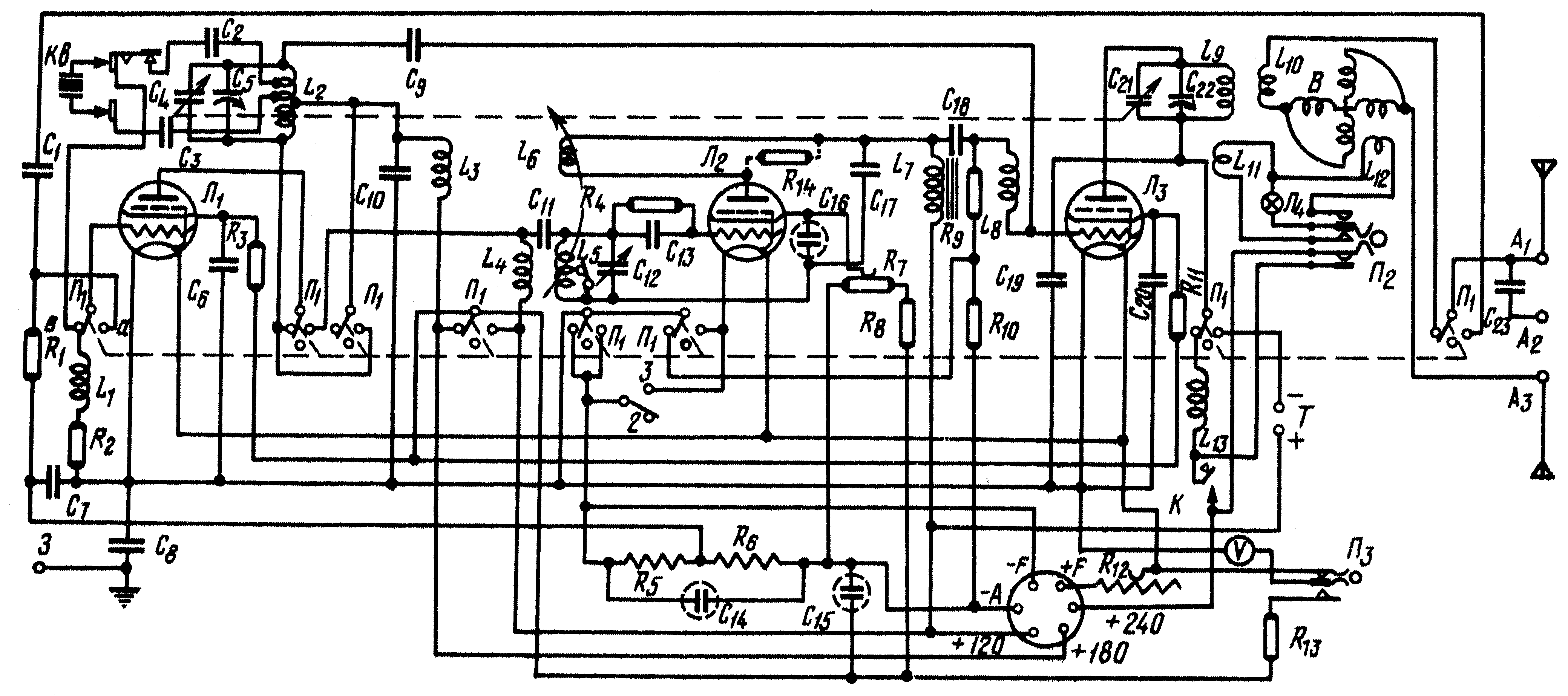
Знамениты немецкий военный приемник Торн
http://www.desyatnik.com/restoration/to ... ration.php

Прошел всю войну и был на вооружении еще и у лесных братьев :))
и отечественная радиостанция Север - http://www.cqham.ru/trx/sever.html
использовалась партизанами и разведгруппами


Вложения:
sever_sch.gif [174.92 KiB]
Скачиваний: 719
scheme.gif [97.74 KiB]
Скачиваний: 720
Вернуться наверх
 
Не в сети
 Заголовок сообщения: Re: Любительские КВ приемники
СообщениеДобавлено: Вт июл 05, 2011 15:25:08 
Мудрый кот

Карма: 6
Рейтинг сообщений: 1
Зарегистрирован: Ср июн 30, 2010 22:45:49
Сообщений: 1817
Рейтинг сообщения: 0
Чисто винтажные...Такие лампы достать это конечно проблема.


Вернуться наверх
 
Показать сообщения за:  Сортировать по:  Вернуться наверх
Начать новую тему Ответить на тему  [ Сообщений: 1600 ]     ... , , , 15, , , ...  

Часовой пояс: UTC + 3 часа


Кто сейчас на форуме

Сейчас этот форум просматривают: нет зарегистрированных пользователей и гости: 15


Вы не можете начинать темы
Вы не можете отвечать на сообщения
Вы не можете редактировать свои сообщения
Вы не можете удалять свои сообщения
Вы не можете добавлять вложения

Найти:
Перейти:  


Powered by phpBB © 2000, 2002, 2005, 2007 phpBB Group
Русская поддержка phpBB
Extended by Karma MOD © 2007—2012 m157y
Extended by Topic Tags MOD © 2012 m157y