Например TDA7294

Форум РадиоКот • Просмотр темы - УКВ приемник средней сложности.
Форум РадиоКот
Здесь можно немножко помяукать :)

Текущее время: Вт дек 30, 2025 20:57:11

Часовой пояс: UTC + 3 часа


ПРЯМО СЕЙЧАС:



Начать новую тему Ответить на тему  [ Сообщений: 613 ]     ... , , , 23, , , ...  
Автор Сообщение
Не в сети
 Заголовок сообщения: Re: УКВ приемник средней сложности.
СообщениеДобавлено: Вс мар 25, 2018 18:37:39 
Собутыльник Кота
Аватар пользователя

Карма: 14
Рейтинг сообщений: 121
Зарегистрирован: Сб май 21, 2016 11:04:52
Сообщений: 2977
Откуда: Беларусь
Рейтинг сообщения: 0
ВикторС писал(а):
Не заметил раньше, что мы земляки.


сумуеце мусiць па Радзiме?


с6 и с8 по 1.5пикушки, таких и не найду. В схеме аеn и других было 3.3 (ставил 3). Еще там 7.5п. Что ставить?


Вернуться наверх
 
Не в сети
 Заголовок сообщения: Re: УКВ приемник средней сложности.
СообщениеДобавлено: Вс мар 25, 2018 18:48:00 
Модератор
Аватар пользователя

Карма: 158
Рейтинг сообщений: 1600
Зарегистрирован: Пт апр 28, 2006 15:26:07
Сообщений: 11940
Откуда: Россия.
Рейтинг сообщения: 0
Медали: 2
Мявтор 3-й степени (1) Лучший человек Форума 2017 (1)
Еще там 7.5п. Что ставить?
8,2 пф поставьте.
Я поставил 7,5 пф, потому что он мне под руку попался. :)
Была схема. Автор aen. Укв приемник с низкой ПЧ на К174ПС1, но есть УВЧ
Вы все таки осторожнее с моими схемами. Данные схемы составлялись по критерию простоты и не предназначены для приема дальних станций.
У меня тут был период, меня все просили придумать что либо для самых начинающих по критертю простоты и легкой настройки с одним мультиметром и что бы детали можно было вытащить из старой техники. Вот я их и напаял десятка два. Некоторые на сайт выложил.
Хотя лет 30 назад я занимался приемом дальнх УКВ станций.
Дело в том, что обшее усиление тракта не является характеристикой реальной чувствительности приемника.
Пр приеме дальних станций нужно еще учитывать некоторые условия. Вот мне 30 лет нужно было принять дальние станции при отсутствии своих местных станций и я а принципе с этой задачей справился в основном из за того, что применял в приемниках частотный детектоп на основе ФАПЧ.
Я про это писал на форуме.
Задача была получить качественный прием в сложных условиях и это данные схемы с ЧД на основе ФАПЧ позволили это сделать. Если с обычным ЧД станции принимались с шумами, то с ЧД на основе ФАПЧ прием был довольно чистым.
.............
Приемник с подобным ЧМ детектором делал еще в советские времена, когда станции, что можно было принять, были только на расстоянии порядка 70 км и принимались неуверенно и главное с шумами.
С этим же детектором на основе ФАПЧ прием был довольно уверенный и без шумов.

Спойлер
ТВА120S это наша 174УР1 применялась в старых телевизорах типа 3УСЦ и др.
Эта микросхема мне нравится в не типовом включении по схеме ЧМ детектора с ФАПЧ. Хорошо работает в УКВ приёмнике для сложных условий работы, т.е. для дальнего прёма. Вот по такой схеме делал из этой книжки. Правда вместо 159 серии ставил КТ315.
http://hamradio.online.ru/ftp2/3-63.djvu

Изображение

Правда жрёт много для переносного, да и питание 12 вольт, но я делал 9 вольт.
В обычных приёмниках ставил 174УР3. Можно 174ХА6, но у меня такой не было.
ua4lor писал(а):
видимо динамика некудышная
Еще большое значение имеет частотный детектор в приемнике.
Мне больше нравятся ЧД на основе ФАПЧ. Довольно большая разница при приеме слабых станций.
Вот я здесь кое что про это писал.
viewtopic.php?p=1428067#p1428067
На К174УР3 делал недавно, а годов 30 назад делал на К174УР1 и результат меня порадовал.
30 лет назад в приемнике делал два ЧД. Один обычный, а другой на основе ФАПЧ, т.к. К174УР1 уж очень много жрет, а приемник был переносный, поэтому её включал только при приеме слабых станций.

Изображение

Схемотехника конечно уже устарела и я говорю просто о принципе.
У меня тоже была задача сделать ЧМ приемник для приема дальних станций. Только неделю назад с ним закончил. Делал кухонный приемник для жены. :)
По структуре приемник получился конечно не простой.
УВЧ два каскада на двухзатворных полевых транзисторах КП306В. Транзисторы можно и другие двухзатворные. Просто у меня КП306 много, вот я их и поставил.
Смеситель тоже на двухзатворном полевом транзисторе.
Дальше два каскада ПЧ на транзисторах КТ339. В каждом каскаде стоят керамические фильтры на 10,7 мгц.
Потом детектор ЧМ на основе ФАПЧ по схеме приемника описанного в ж. Радио 9-1991 год
http://publ.lib.ru/ARCHIVES/R/%27%27Rad ... fax%5d.zip

Изображение

Во всяком случае жена осталась довольна данным приемником, но думаю ей больше понравились фиксированные настройки и то, что не нужно крутить ручку настройки. :)
Гетеродин аналоговый, но т.к. там есть АПЧ, то частоту он держит нормально, а система ФАПЧ делает настройку просто скачком захватывая станцию.

Ничего более простого по структуре для приема дальних станций не получилось. И никакие "супер-сверх" в данном случае не помогут.
В принципе можно взять и приемник из данного журнала, хотя сам я его не делал, а взял оттуда только ЧМ детектор.
А это на К174УР1 тоже делал.
Это схема из ж. Радио.

Изображение

Питал от 9 вольт.
Вместо К159НТ1 ставил два транзистора КТ315Б
Генератор тоже делал на одном транзисторе КТ315 по схеме индуктивной трехточки. Эта упрощенная схема есть в книжке Горошков "Элементы радио-электронных устройств"
http://read.newlibrary.ru/read.php/djvu=17674

Изображение
Схем ЧМ детекторов на основе ФАПЧ конечно намного больше. Схемы можно найти в Интернете. Где то там есть схема на основе К174ПС1.
Есть еще в статье из ж. Радио 4-1981 год на основе К228УВ2

Изображение

Но я эту и на К174ПС1 не делал.
Делал только на основе К174УР1 и К174УР3 и удостоверился в их работоспособности. Задача была получить качественный прием в сложных условиях и это данные схемы позволили это сделать. Если с обычным ЧД станции принимались с шумами, то с ЧД на основе ФАПЧ прием был довольно чистым.

Сейчас, во всяком случае у меня ситуация другая. Мне нужно принять дальние станции при наличии мощных местных станций.
Это совсем другое дело и подходы должы быть уже другие.
У меня периодически возникает желание заняться этим вопросом, но как то руки не доходят.

А насчет всяких УВЧ, применения К174ПС1 в УКВ приемнике среднего класса имеет смысл почитать тех, кто этим занимался, например Семенова.
http://publ.lib.ru/ARCHIVES/R/%27%27Rad ... fax%5d.zip
ж. Радио 5-1995год.
Стр. 21
Вот у него УВЧ для приемника нужного вам класса.

Изображение

Во всяком случае я бы с этого начал. Таму него К174ХА6 в принципе можно заменить на К174УР1, а К118УН1В парой транзисторов.

Или вот.
https://www.qrz.ru/schemes/contribute/c ... 2001.shtml

Изображение

А это УПЧ

Изображение

Опять же вместо К174ХА6 можно поставить К174УР3 в типовом включении.
Фильтр ZQ1, если нет второго в наличии, для начала можно и не ставить. Соответственно убрать и R1


Вложения:
1.png [74.78 KiB]
Скачиваний: 15904
Вернуться наверх
 
Не в сети
 Заголовок сообщения: Re: УКВ приемник средней сложности.
СообщениеДобавлено: Вс мар 25, 2018 19:23:50 
Друг Кота
Аватар пользователя

Карма: 107
Рейтинг сообщений: 3311
Зарегистрирован: Сб фев 11, 2017 15:59:13
Сообщений: 14823
Откуда: 57 RUS
Рейтинг сообщения: 0
aen писал(а):
Сейчас, во всяком случае у меня ситуация другая. Мне нужно принять дальние станции при наличии мощных местных станций.
Это совсем другое дело и подходы должы быть уже другие.

Направленная внешняя антенна на мачте для дальнего приёма плюс вторая антенна для местного приёма включенная в противофазе через пресилектор. Если нужно отстроится от блискорасположенной станции, то можно поставить последовательно с антенной фильтр-пробку.
На другом ресурсе я создавал тему про дальний приём УКВ станций при прохождениях и спорадиках.
http://rt20.mybb2.ru/viewtopic.php?f=1&t=95342

_________________
НАРОДОВЛАСТИЕ а не дерьмократия!!!
Суверенным и независимым может считаться только то государство, против которого англосаксонские разносчики кланово-олигархической дерьмократии и еврогейских "ценностей" со своими пособниками ввели санкции!


Вернуться наверх
 
Не в сети
 Заголовок сообщения: Re: УКВ приемник средней сложности.
СообщениеДобавлено: Вс мар 25, 2018 19:31:13 
Собутыльник Кота
Аватар пользователя

Карма: 47
Рейтинг сообщений: 911
Зарегистрирован: Ср дек 04, 2013 14:37:35
Сообщений: 2879
Откуда: Санкт Петербург
Рейтинг сообщения: 0
ВикторС писал(а):
Не заметил раньше, что мы земляки.


сумуеце мусiць па Радзiме?


Трошки :wink:

_________________
С уважением, ВикторС.


Вернуться наверх
 
Эиком - электронные компоненты и радиодетали
Не в сети
 Заголовок сообщения: Re: УКВ приемник средней сложности.
СообщениеДобавлено: Вс мар 25, 2018 19:32:51 
Модератор
Аватар пользователя

Карма: 158
Рейтинг сообщений: 1600
Зарегистрирован: Пт апр 28, 2006 15:26:07
Сообщений: 11940
Откуда: Россия.
Рейтинг сообщения: 0
Медали: 2
Мявтор 3-й степени (1) Лучший человек Форума 2017 (1)
Направленная внешняя антенна на мачте для дальнего приёма плюс вторая антенна для местного приёма включенная в противофазе через пресилектор.
Я этим занимался в свое время.
Правда для приема телевидения.
Трудно конечно издалека советовать. Скачайте эту книжку.
С.К.Сотников «Дальний прием телевидения»
https://sunduk.radiokot.ru/loadfile/?loa ... 92&turbo=1
Книга хотя по ТВ, но принцип один.
В свое время делал систему для ТВ, что на стр. 82. В ней с помощью длинной линии в ползунками с большой точностью фазировал две антенны. Одна антенна основная, другая антенна помех.
..........
У меня на одном и том же канале ТВ работали две программы, хотя и с разных направлений, но после усиления они мешали друг другу и я вычитал одну с помощью той системы.


Вернуться наверх
 
Не в сети
 Заголовок сообщения: Re: УКВ приемник средней сложности.
СообщениеДобавлено: Вс мар 25, 2018 20:36:45 
Собутыльник Кота
Аватар пользователя

Карма: 14
Рейтинг сообщений: 121
Зарегистрирован: Сб май 21, 2016 11:04:52
Сообщений: 2977
Откуда: Беларусь
Рейтинг сообщения: 0
по крайней мере, все схемы, что Вы, аеn, запостили не кажутся мне такими уж сложными и я к ним обязательно вернусь. Подключение ПС1 практически везде одинаковая. Но процесс у меня уже пошел. Программа минимум- к174пс1-УПзч-1м. Собрать, запустить, попробовать настроить.


Вернуться наверх
 
Не в сети
 Заголовок сообщения: Re: УКВ приемник средней сложности.
СообщениеДобавлено: Вс мар 25, 2018 21:20:47 
Модератор
Аватар пользователя

Карма: 158
Рейтинг сообщений: 1600
Зарегистрирован: Пт апр 28, 2006 15:26:07
Сообщений: 11940
Откуда: Россия.
Рейтинг сообщения: 0
Медали: 2
Мявтор 3-й степени (1) Лучший человек Форума 2017 (1)
не кажутся мне такими уж сложными
Так там на всех схемах микросхемы включены по типовым схема и когда со временем вникнешь в суть, то уже не пугает ни множество ног, ни навесные детали.
Это и есть опыт, которого набираются.
Постепенно начинаете охватывать схемы одним взглядом и тут же оценивать их.


Вернуться наверх
 
Не в сети
 Заголовок сообщения: Re: УКВ приемник средней сложности.
СообщениеДобавлено: Вс мар 25, 2018 21:40:17 
Собутыльник Кота
Аватар пользователя

Карма: 47
Рейтинг сообщений: 911
Зарегистрирован: Ср дек 04, 2013 14:37:35
Сообщений: 2879
Откуда: Санкт Петербург
Рейтинг сообщения: 0
Интересно вот что - можно ли к УКВ приёмнику с двойным преобразованием частоты, где вторая ПЧ - 6,5 МГц, прикрутить стереодекодер с пилот - тоном?
Помнится мне, были какие то более жёсткие требования к ширине ПЧ для высококачественного стереоприёма. Как минимум +/- 125 КГц по сторонам от ПЧ.
А если промежуточных частот две, и первая ПЧ выделяется на контуре со средней точкой и катушкой связи, а вторая
Вариант 1 - пьезокерамическим фильтром перед УР3 или внутри УПЧЗ...
Вариант 2 - тоже выделяется LC контуром ...
Как рассчитать или приблизительно оценить сумарную ширину полосы ПЧ, достаточную для пропуска надтональных составляющих стереосигнала?
Заранее благодарю за вразумляющие ответы.
Изображение

_________________
С уважением, ВикторС.


Вернуться наверх
 
Не в сети
 Заголовок сообщения: Re: УКВ приемник средней сложности.
СообщениеДобавлено: Пн мар 26, 2018 04:07:26 
Поставщик валерьянки для Кота
Аватар пользователя

Карма: 29
Рейтинг сообщений: 354
Зарегистрирован: Вс июл 11, 2010 14:39:04
Сообщений: 2458
Откуда: Россия.
Рейтинг сообщения: 3
Как минимум +/- 125 КГц по сторонам от ПЧ.
А если промежуточных частот две, и первая ПЧ выделяется на контуре со средней точкой и катушкой связи, а вторая
Вариант 1 - пьезокерамическим фильтром перед УР3 или внутри УПЧЗ...
Вариант 2 - тоже выделяется LC контуром ...[/img]
Так при двойном преобразовании полосу пропускания одного УПЧ делают обычно шире, чем у второго.
Обычно шире у первого УПЧ, хотя делают и наоборот.
В этом случае общая полоса пропускания будет определяться тем УПЧ, у которого полоса уже.

Если у обоих УПЧ полоса пропускания одинакова, то на практике общая будет по уровню 0,707 и особенно по уровню 0,5 меньше, не говоря уж про уровень 0,1 чем у каждого отдельно взятого УПЧ.
Это получается из за разброса фильтров и увеличения прямоугольности суммарной АЧХ.

Если же у УПЧ1 сделать например полосу +/- 200кГц, а УПЧ2 сделать требуемые +/- 125кГц, то будет все нормально и общая суммарно останется практически +/- 125кГц

Если речь идет об этом принмнике, то здесь полоса проускания L4, С10 получится порядка мегагерца, т.к. контур сильно нагружен, а общая АЧХ опеделяется керамическим фильтром в УПЧ-2.

Изображение

Хотя я бы поставил на выходе УПЧ-1 все таки пару сильно связанных контуров.


Вложения:
1.GIF [20.88 KiB]
Скачиваний: 2149
Вернуться наверх
 
Не в сети
 Заголовок сообщения: Re: УКВ приемник средней сложности.
СообщениеДобавлено: Пн мар 26, 2018 06:02:56 
Друг Кота

Карма: 68
Рейтинг сообщений: 1408
Зарегистрирован: Сб янв 29, 2011 00:28:48
Сообщений: 7774
Рейтинг сообщения: 0
ВикторС писал(а):
приблизительно оценить сумарную ширину полосы ПЧ

В учебном пособии по РПУ приводится некая формула без особого пояснения для полосы ПЧ при ЧМ,
и то с оговорками. Так по ней полоса 250-300 кГц получается...
Тут, как всё в радиотехнике, какой-то компромис качества приёма и избирательности....Надо ориентироваться
на пром. изделия.


Вернуться наверх
 
Не в сети
 Заголовок сообщения: Re: УКВ приемник средней сложности.
СообщениеДобавлено: Пн мар 26, 2018 12:30:25 
Собутыльник Кота
Аватар пользователя

Карма: 47
Рейтинг сообщений: 911
Зарегистрирован: Ср дек 04, 2013 14:37:35
Сообщений: 2879
Откуда: Санкт Петербург
Рейтинг сообщения: 0
VT1

Про связанные контура в УПЧ-1 хочу уточнить.
Как я понимаю, первый - тот, что стоит на выходе первой ПС1 - с питанием через среднюю точку. Второй контур должен стоять на входе второй ПС1. А как он должен быть связан с базами транзисторов смесителя - как сейчас - через обмотку связи или автоторансформаторно, через два отвода в средней части катушки?
И что считать сильной связью между контурами - конденсатор 100 пФ или около того? Это же даст провал в средней части суммарной АЧХ двух контуров? (или нет?) :-/

Заранее благодарю за вразумляющие ответы.

_________________
С уважением, ВикторС.


Вернуться наверх
 
Не в сети
 Заголовок сообщения: Re: УКВ приемник средней сложности.
СообщениеДобавлено: Пн мар 26, 2018 13:38:05 
Поставщик валерьянки для Кота
Аватар пользователя

Карма: 29
Рейтинг сообщений: 354
Зарегистрирован: Вс июл 11, 2010 14:39:04
Сообщений: 2458
Откуда: Россия.
Рейтинг сообщения: 3
А как он должен быть связан с базами транзисторов смесителя - как сейчас - через обмотку связи или автоторансформаторно, через два отвода в средней части катушки?
Здесь удобнее связь сделать индуктивную.

Изображение

Величину связи можно будет подобрать меняя рссстояние между катушками.
И что считать сильной связью между контурами
Сильная, я имел в виду выше критической. Небольшой провал в середине вполне допустим.
Нужно добиться полосы пропускания порядка 500 - 600 Кгц.
Возможно такая полоса получится даже при критической связи(нижняя картинка)

Здесь я с катушками в УПЧ экспериментировал. Одноконтурную сразу отбросил. Слишком пологие скаты.

Изображение

Потом меняя расстояние между катушками добился и лучшей крутизны скатов и нужной полосы пропускания.

Но это только мое личное мнение. Можно конечно и одну катушку оставить. Просто мне интереснее экспериментировать со схемами предварительно задавшись требуемыми критериями к схеме.


Вложения:
1.png [154.55 KiB]
Скачиваний: 2046
2.png [96.27 KiB]
Скачиваний: 2305
Вернуться наверх
 
Не в сети
 Заголовок сообщения: Re: УКВ приемник средней сложности.
СообщениеДобавлено: Пн мар 26, 2018 14:11:17 
Собутыльник Кота
Аватар пользователя

Карма: 47
Рейтинг сообщений: 911
Зарегистрирован: Ср дек 04, 2013 14:37:35
Сообщений: 2879
Откуда: Санкт Петербург
Рейтинг сообщения: 0
VT1

Спасибо за подробное пояснение.

Мне представляется не очень технологичным двигать дополнительный контур, или его катушку, чтобы найти лучшую связь с первым контуром, особенно если это не макет, а уже ПП, хоть и не фольгированного текстолита. Можно ли соединить "горячие" стороны контуров через КПЕ 20 - 60пФ, чтобы так задать связь?

_________________
С уважением, ВикторС.


Вернуться наверх
 
Не в сети
 Заголовок сообщения: Re: УКВ приемник средней сложности.
СообщениеДобавлено: Пн мар 26, 2018 15:01:57 
Поставщик валерьянки для Кота
Аватар пользователя

Карма: 29
Рейтинг сообщений: 354
Зарегистрирован: Вс июл 11, 2010 14:39:04
Сообщений: 2458
Откуда: Россия.
Рейтинг сообщения: 3
Можно ли соединить "горячие" стороны...
Не могу сказать.
Я так никогда не пробовал.

Так пробовал.

Изображение

Но в этом случае нужно подобрать катушку связи(Lсв).
Думаю хватит одного витка.


Вложения:
22.png [95.73 KiB]
Скачиваний: 2461
Вернуться наверх
 
Не в сети
 Заголовок сообщения: Re: УКВ приемник средней сложности.
СообщениеДобавлено: Пн мар 26, 2018 19:24:23 
Друг Кота
Аватар пользователя

Карма: 57
Рейтинг сообщений: 371
Зарегистрирован: Ср май 04, 2016 23:18:38
Сообщений: 5993
Рейтинг сообщения: 3
Не надо забывать про керамические фильтры.
Они есть с разной полосой пропускания.
Есть и с повышенной избирательностью - три элемента вместо двух - "заменяет два фильтра".
Есть и для стереоприёмников - с лучшими параметрами групповой задержки.

Однако совсем без катушек нельзя.
Например, смеситель (наверное) лучше нагружать на контур, с катушкой.

_________________
Ваше открытие опровергает науку? Нет, это наука опровергает ваш бред.
Истина никогда не бывает посередине. Ведь середина на стороне того, кто больше лжёт.
Не стыдно писать в МЯЯЯУ! - стыдно вести себя не как порядочный Радио Кот. :)


Вернуться наверх
 
Не в сети
 Заголовок сообщения: Re: УКВ приемник средней сложности.
СообщениеДобавлено: Вт мар 27, 2018 10:19:30 
Собутыльник Кота
Аватар пользователя

Карма: 14
Рейтинг сообщений: 121
Зарегистрирован: Сб май 21, 2016 11:04:52
Сообщений: 2977
Откуда: Беларусь
Рейтинг сообщения: 0
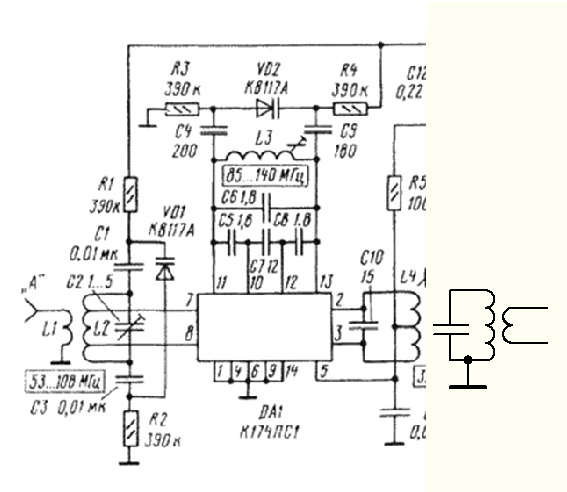
и снова о взаимоотношениях катушки и сердечника.
Применительно к УКВ (частоты вблизи 100мгц)
Известно,что ферритовый сердечник увеличивает индуктивность - снижает частоту контура
Латунный наоборот, уменьшает индуктивность - увеличивает частоту контура

Знаю, что Можно еще сделать алюминевый сердечник. Как он влияет, объясните пож. Латуни у меня подходящей нет.
А вот алюминевый с электропроводов как раз бы подошел.

Вот смотрью на схему. на ней
1. витки провода,
2. сердечник
3. подстроечный кондер
4. варикап

Правильно ли я понимаю всю эту канитель, что подстроечный кондер подстраивает контур грубо, а сердечник плавно и именно для этого это все и нужно (вогнать в диапазон, добиться максимально чувствительности, полосы пропускания и прочих гостовских целей).
И что я в своих поделкам могу обойтись и без чего-то из этого (подстроечный кондер и сердечник), ну по крайней мере в теории.


Вернуться наверх
 
Не в сети
 Заголовок сообщения: Re: УКВ приемник средней сложности.
СообщениеДобавлено: Вт мар 27, 2018 10:36:40 
Друг Кота
Аватар пользователя

Карма: 57
Рейтинг сообщений: 371
Зарегистрирован: Ср май 04, 2016 23:18:38
Сообщений: 5993
Рейтинг сообщения: 0
Правильно ли я понимаю всю эту канитель, что подстроечный кондер подстраивает контур грубо, а сердечник плавно
Не факт.
Просто подстроечный конденсатор настраивают при наладке прибора.

_________________
Ваше открытие опровергает науку? Нет, это наука опровергает ваш бред.
Истина никогда не бывает посередине. Ведь середина на стороне того, кто больше лжёт.
Не стыдно писать в МЯЯЯУ! - стыдно вести себя не как порядочный Радио Кот. :)


Вернуться наверх
 
Не в сети
 Заголовок сообщения: Re: УКВ приемник средней сложности.
СообщениеДобавлено: Вт мар 27, 2018 12:20:56 
Собутыльник Кота
Аватар пользователя

Карма: 14
Рейтинг сообщений: 121
Зарегистрирован: Сб май 21, 2016 11:04:52
Сообщений: 2977
Откуда: Беларусь
Рейтинг сообщения: 0
Нарыл в интернетах, что алюминий так же как и латунь снижает индуктивность. Где-то в пределах 5%


Вернуться наверх
 
Не в сети
 Заголовок сообщения: Re: УКВ приемник средней сложности.
СообщениеДобавлено: Вт мар 27, 2018 12:39:17 
Поставщик валерьянки для Кота
Аватар пользователя

Карма: 29
Рейтинг сообщений: 354
Зарегистрирован: Вс июл 11, 2010 14:39:04
Сообщений: 2458
Откуда: Россия.
Рейтинг сообщения: 0
И что я в своих поделкам могу обойтись и без чего-то из этого (подстроечный кондер и сердечник), ну по крайней мере в теории.
Не обойдетесь.
Хотя, если катушки бескаркасные, то вместо сердечника, их индуктивность можно менять сдвигая-раздвигая витки катушки.

Гетеродин и входные контура работают не на одной частоте, а в какой то полосе частот, поэтому при сопряжении контуров нижнюю границу устанавливают изменением индуктивности, т.е. сдвигая-раздвигая витки катушки в случае бескаркасной намотки, или сердечником, а верхнюю изменением емкости подстроечного кондкесатора.
Подробнее можно здесь почитать.
http://www.radiocxema.h1n.ru/2018/03/23 ... сложности/
Цитата:
Теперь сопряжение контуров.
Для того, что бы сделать сопряжение контуров в диапазоне 99-108 МГц нам нужно иметь две частоты от внешнего генератора. Одна частота 100 МГц, а вторая 107 МГц. Хотя можно и 108 МГц.
……
Включаем наш генератор(жука) на частоту 100 МГц или кварцевый генератор с кварцем 20 МГц или 25 МГц и ищем наш сигнал в нижней части диапазона.
Сдвигая и раздвигая витки катушки в УВЧ, находим максимум показаний. Если бы эта катушка была с сердечником, то эту настройку делали бы вращая сердечник.
После этого включаем генератор на частоту 107-108 МГц и находим максимум показаний вращая подстроечный конденсатор С13. Все эти манипуляции имеет смысл повторить несколько раз.
Заодно можно подстроить катушку L5 в УПЧ

Чем то одним можно обойтись только в растянутых КВ диапазонах, т.к. там, в виду "узости" диапазона перестройки, сопряжение делается только в одной точке диапазона. Обычно в середине.

Латуные, медные, алюминиевые винты можно купить в мебельных магазинах.
http://www.al-metiz.ru/brass_screw

Только ходить в магазин лучше с магнитом на всякий случай. :)


Вернуться наверх
 
Не в сети
 Заголовок сообщения: Re: УКВ приемник средней сложности.
СообщениеДобавлено: Вт мар 27, 2018 12:58:48 
Друг Кота
Аватар пользователя

Карма: 107
Рейтинг сообщений: 3311
Зарегистрирован: Сб фев 11, 2017 15:59:13
Сообщений: 14823
Откуда: 57 RUS
Рейтинг сообщения: 0
olegue писал(а):
Знаю, что Можно еще сделать алюминевый сердечник. Как он влияет, объясните пож.

Влияет так-же как и медный, при введении в контур уменьшает индуктивность катушки, в ламповых телевизорах в ПТК стояли алюминевые сердечники.
Введение в катушку медного или алюминевого сердечника равноценно короткозамкнутому витку в катушке, от того индуктивность и падает.
olegue писал(а):
Латуни у меня подходящей нет.
А вот алюминевый с электропроводов как раз бы подошел.

Используй алюминий, про ПТК с такими сердечниками я уже написал.

olegue писал(а):
Правильно ли я понимаю всю эту канитель, что подстроечный кондер подстраивает контур грубо, а сердечник плавно

Не правильно, подстроечным сердечником или растяжкой витков катушки настройку делают в низкочастотном участке диапазона, а подстроечным конденсатором в высокачастотном. Подстроечный конденсатор можно сделать из двух проводов в изоляции, например намотав на кусочек толстого провода тонкий в эмалевой изоляции (настройка - снимая витки ) или скрутив два провода вместе косичкой, так была сделанна подстройка даже в некотрых заводских приёмниках.

_________________
НАРОДОВЛАСТИЕ а не дерьмократия!!!
Суверенным и независимым может считаться только то государство, против которого англосаксонские разносчики кланово-олигархической дерьмократии и еврогейских "ценностей" со своими пособниками ввели санкции!


Вернуться наверх
 
Показать сообщения за:  Сортировать по:  Вернуться наверх
Начать новую тему Ответить на тему  [ Сообщений: 613 ]     ... , , , 23, , , ...  

Часовой пояс: UTC + 3 часа


Кто сейчас на форуме

Сейчас этот форум просматривают: AR® и гости: 25


Вы не можете начинать темы
Вы не можете отвечать на сообщения
Вы не можете редактировать свои сообщения
Вы не можете удалять свои сообщения
Вы не можете добавлять вложения

Найти:
Перейти:  


Powered by phpBB © 2000, 2002, 2005, 2007 phpBB Group
Русская поддержка phpBB
Extended by Karma MOD © 2007—2012 m157y
Extended by Topic Tags MOD © 2012 m157y