Например TDA7294

Форум РадиоКот • Просмотр темы - Универсальный пульт радиоуправления
Форум РадиоКот
Здесь можно немножко помяукать :)

Текущее время: Пт ноя 28, 2025 10:56:07

Часовой пояс: UTC + 3 часа


ПРЯМО СЕЙЧАС:



Начать новую тему Ответить на тему  [ Сообщений: 1272 ]    , , , 4, , , ...  
Автор Сообщение
Не в сети
 Заголовок сообщения: Re: Универсальный пульт радиоуправления
СообщениеДобавлено: Вт янв 08, 2019 20:47:30 
Друг Кота

Карма: -1
Рейтинг сообщений: 74
Зарегистрирован: Вт мар 13, 2012 12:16:13
Сообщений: 8838
Откуда: .ru
Рейтинг сообщения: 0
Экран не принципиально. Вопрос цены...))
В перспективе планируется замена на более приличный... например такой-
Вложение:
300x560.jpg [64.14 KiB]
Скачиваний: 364

А лучше такой-
Вложение:
2.jpg [189.81 KiB]
Скачиваний: 534

А пока можно поставить два простых...))
Вложение:
пульт_2.rar [612.07 KiB]
Скачиваний: 174


Вернуться наверх
 
Не в сети
 Заголовок сообщения: Re: Универсальный пульт радиоуправления
СообщениеДобавлено: Вт янв 08, 2019 21:16:35 
Говорящий с текстолитом
Аватар пользователя

Карма: 4
Рейтинг сообщений: 86
Зарегистрирован: Пт янв 20, 2012 16:25:02
Сообщений: 1565
Рейтинг сообщения: 2
Красиво зачастую черьвиво.
Я только что перебрал стики,которые у меня были припаял две крутилки,зделал чтобы не чево не висело в воздухе.
Откалибровалса снова в литалке,уже лутше(но все же не то пальто нада плечо побольше,и пружыны жосткие)розобрать не возможно жаль.

_________________
И опыт сын ошибок трудных и гений парадоксов друг


Вернуться наверх
 
Не в сети
 Заголовок сообщения: Re: Универсальный пульт радиоуправления
СообщениеДобавлено: Ср янв 09, 2019 10:24:45 
Друг Кота

Карма: -1
Рейтинг сообщений: 74
Зарегистрирован: Вт мар 13, 2012 12:16:13
Сообщений: 8838
Откуда: .ru
Рейтинг сообщения: 0
sashamelja писал(а):
Навернае єто назіваетса микс.Попалось мне видюшка,как можна зделать на завоцкой апеhttps://www.youtube.com/watch?v=lF5jCz1T58Q

Это обычный микс: канал 1 + канал 2... и т.д. Это сделать можно))
sashamelja писал(а):
Выставилса четырьма стиками+ак,видеш что например пружыты и резисторы подводят.Береш не задействованые стики у нас это4,5,6(клацаеш покругу и ставиш не+-и номер канала а Т и номер канала каторый тримируем)напримерстик1 +______+________1стик4 T _______+_______1Если канечно возможно.

Возможно всё)) Только никто пружины в меню пульта не калибрует)) Иначе просто нарушится нормальная работа стика (стик будет работать нелинейно). Если резисторы стика подводят, то ставят параллельно стику подстроечнцй резистор и калибруют резистор стика....

*У тебя сейчас стик линейный.
Для "продвинутых" регуляторов хода можно менять график регулятора хода... - http://www.rcdesign.ru/articles/radio/e ... ztoc8965_5

Сейчас у тебя такой регулятор хода
Вложение:
регулято хода.jpg [31.65 KiB]
Скачиваний: 363

Можно составить таблицу пересчёта коэффициентов... Нарисовать прям на экране пульта и сохранить в епром))
Вложение:
таблица.jpg [37.7 KiB]
Скачиваний: 524

Тогда можно задавать любое значение стика... триммирование... график расхода... и т.д. и т.п.))


Вернуться наверх
 
Не в сети
 Заголовок сообщения: Re: Универсальный пульт радиоуправления
СообщениеДобавлено: Ср янв 09, 2019 16:18:57 
Говорящий с текстолитом
Аватар пользователя

Карма: 4
Рейтинг сообщений: 86
Зарегистрирован: Пт янв 20, 2012 16:25:02
Сообщений: 1565
Рейтинг сообщения: 2
roman.com-проблема простых стиков неоспарима и не покалебима
Никакие резисторы в паралель не исправлят ситуацыи толька покупка нормальных стиков.
Я думал что можна типа калибовка как в тараньках (поставил все стики посрединке,нажал кнопку и вуаля фокус)
__________+__________
_________+___________
__________+__________
_________+___________
и вуаля
__________+__________
__________+__________
__________+__________
__________+__________
Да ты прам есть куча всякой всячены в завоцких пультах каторая нафих ненужна но она там есть и может комуто пригодитса.(расходы,експо,итд)
Мы добавляем то что нада в даный момент.
Тогда осталса МИКС
Вот тут чуток другой микс но тожэ нада
https://www.youtube.com/watch?v=R-2gDw6vQ_Y
Тримера на потом,когда будут нормальные стики.

_________________
И опыт сын ошибок трудных и гений парадоксов друг


Вернуться наверх
 
Эиком - электронные компоненты и радиодетали
Не в сети
 Заголовок сообщения: Re: Универсальный пульт радиоуправления
СообщениеДобавлено: Ср янв 09, 2019 20:48:42 
Друг Кота

Карма: -1
Рейтинг сообщений: 74
Зарегистрирован: Вт мар 13, 2012 12:16:13
Сообщений: 8838
Откуда: .ru
Рейтинг сообщения: 0
sashamelja писал(а):
толька покупка нормальных стиков.

Ну тогда покупай сразу на датчиках Холла..)) - https://www.youtube.com/watch?v=GSF3weWMl_0
sashamelja писал(а):
можна типа калибовка как в тараньках (поставил все стики посрединке,нажал кнопку и...

Фиг его знает как там сделана калибровка и расход... )) Скорее всего так же как экспонента - через всю ту же матрицу...

Ну давай думать)) Всё дело в самом АЦП... Вообще АЦП у ATmega128 разрядностью 10. Значит можно сделать шкалу 256, 512,1024.
1024 - не рекомендуется, это без цифрового фильтра шума квантования.
Вложение:
ADC.jpg [60.47 KiB]
Скачиваний: 334


Вернуться наверх
 
Не в сети
 Заголовок сообщения: Re: Универсальный пульт радиоуправления
СообщениеДобавлено: Ср янв 09, 2019 21:56:28 
Говорящий с текстолитом
Аватар пользователя

Карма: 4
Рейтинг сообщений: 86
Зарегистрирован: Пт янв 20, 2012 16:25:02
Сообщений: 1565
Рейтинг сообщения: 2
У нас чуток логика неправельная
Наверное правельно будет к каналу подставлять(стик или может з-поз переключатель,аможет крутилка,а щас ещо есть модные 6-поз крутилки)
Нужно обозвать Каналы AЦП(канал)
И дописать PPM-тренер
И в меню зделать ресет всево.
НЕ ну 50 баксов за стики-ЖАЛКО

Добавлено after 11 minutes 14 seconds:
Я щитаю что пока нету нормальных стиков Тримирование пока нужно приостановить.
А вот микс(нужна задуматса)
Хотя у нас и катамарана нету,и планера Дельты нету.
Ну может когдата и будет а может и не будет :)) пожевем увидим,закрываем тему АЦП.

_________________
И опыт сын ошибок трудных и гений парадоксов друг


Вернуться наверх
 
Не в сети
 Заголовок сообщения: Re: Универсальный пульт радиоуправления
СообщениеДобавлено: Ср янв 09, 2019 23:11:45 
Друг Кота

Карма: -1
Рейтинг сообщений: 74
Зарегистрирован: Вт мар 13, 2012 12:16:13
Сообщений: 8838
Откуда: .ru
Рейтинг сообщения: 0
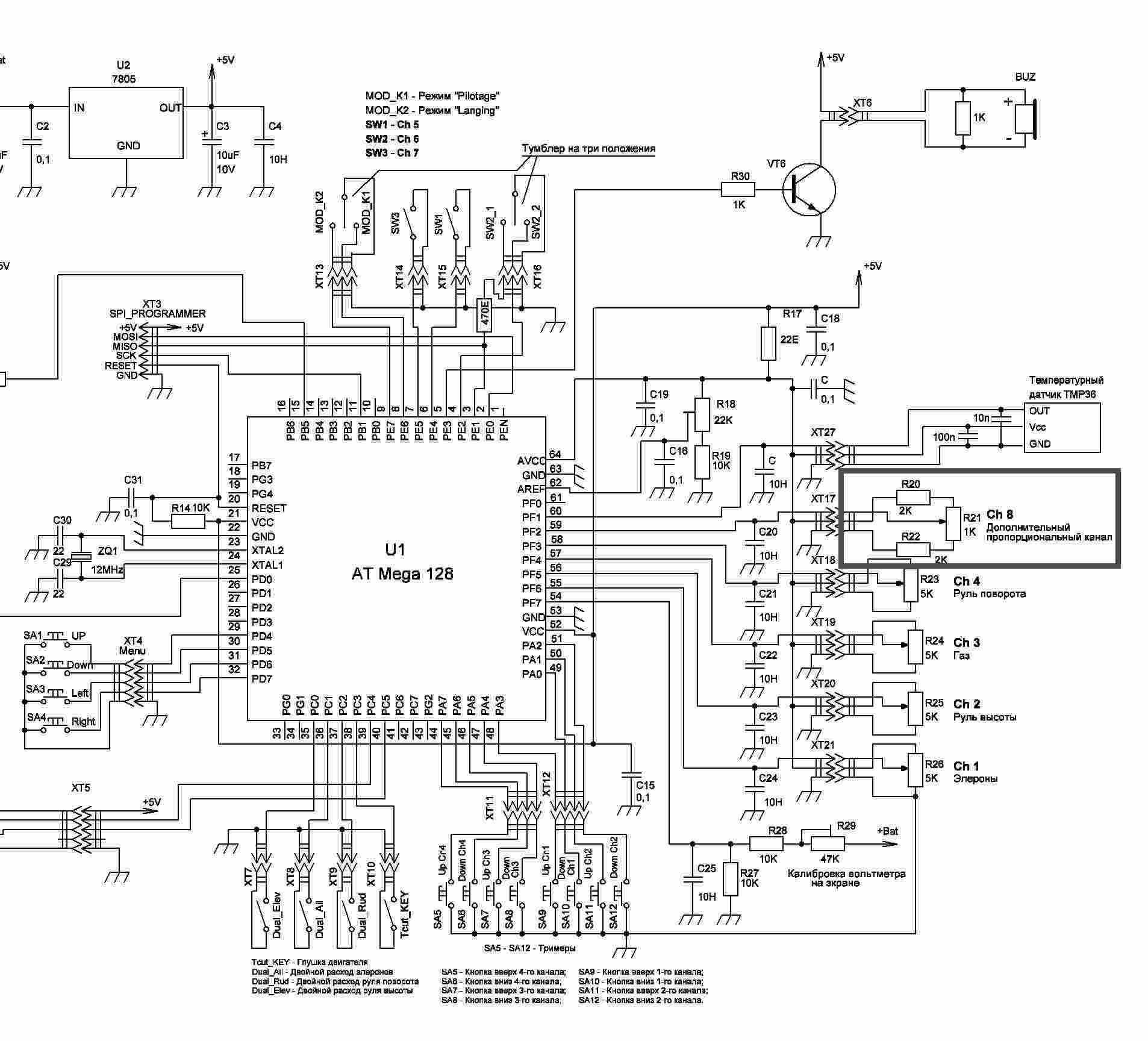
Вопрос не в АЦП, а алгоритме работы... всяких калибровок... и т.д.
1. можно добавить последовательно стику пару резисторов и точно всё откалибровать.
например Moto_v3x предлагает поставить последовательно пару резисторов...
Вложение:
Coder_v1.8_RDX0154GC.jpg [150.75 KiB]
Скачиваний: 458

идея интересная, но не самая лучшая. диапазон регулировки меньше в два раза...

2. можно поставить параллельно резистор большего номинала. (для стика 10 кОм пойдёт резистор 100 кОм).
подстроечный резистор не нарушает диапазон регулировки, а только не много вносит нелинейность (до +/- 10%). На работу стика это не влияет (практически не заметон))

3. сделать всё через матрицу. Это самый точный (и простой программно) способ откалибровать все параметры стиков:
уст. >0<, триммирование, расход (расход вообще любой... линейный... по экспоненте... и т.д.). Только запаришься настраивать в меню))
нужен графический редактор))

Как обозвать Каналы AЦП(канал)... ? Что значит сделать ресет всево?))


Вложения:
пульт полная схема.rar [991.08 KiB]
Скачиваний: 184
Вернуться наверх
 
Не в сети
 Заголовок сообщения: Re: Универсальный пульт радиоуправления
СообщениеДобавлено: Чт янв 10, 2019 08:28:12 
Говорящий с текстолитом
Аватар пользователя

Карма: 4
Рейтинг сообщений: 86
Зарегистрирован: Пт янв 20, 2012 16:25:02
Сообщений: 1565
Рейтинг сообщения: 2
roman.com
Нужна в основном меню зделать зброс на настройки поумолчанию.(тоисть стирать епром)-но это не обизательно.
В меню пульт.
Стики переименувать на Каналы АЦП и в подменю стики заменить на каналы
а PPM дописать-тренер.

_________________
И опыт сын ошибок трудных и гений парадоксов друг


Вернуться наверх
 
Не в сети
 Заголовок сообщения: Re: Универсальный пульт радиоуправления
СообщениеДобавлено: Пт янв 11, 2019 16:28:36 
Друг Кота

Карма: -1
Рейтинг сообщений: 74
Зарегистрирован: Вт мар 13, 2012 12:16:13
Сообщений: 8838
Откуда: .ru
Рейтинг сообщения: 0
Для начала перейдём на юникод..)) Универсальный пульт должен поддерживать международный стандарт юникодов... ))
Вложение:
пульт.hex [49.75 KiB]
Скачиваний: 401


Вернуться наверх
 
Не в сети
 Заголовок сообщения: Re: Универсальный пульт радиоуправления
СообщениеДобавлено: Пт янв 11, 2019 17:14:07 
Говорящий с текстолитом
Аватар пользователя

Карма: 4
Рейтинг сообщений: 86
Зарегистрирован: Пт янв 20, 2012 16:25:02
Сообщений: 1565
Рейтинг сообщения: 2
Не знаю что такое, и для чего но попробуем.
Посылка уже на теретории Украины, нужна рисовать схему,и думати что куда лутше подключать.
Схему делаем модульную и соеденяем разноцветными линиями.(тупо набор модулей и провода)

Добавлено after 14 minutes 10 seconds:
И да пока не забыл(нужен бузер на самой плате модуля,тупо на аварию батєрей)
Я вчера не выключил караблик а пульт выключил,посадил заноч батарею в ноль(убил эщо одну 18650,уже минус 3шт)
Для 18650 розрядка в 0 ктична, обидно но чистая правда(одну убил мне брат,две убил я) и все по одной причине.
Но что интересно (садитса в 0 3шт умирает 1 из 3)

_________________
И опыт сын ошибок трудных и гений парадоксов друг


Вернуться наверх
 
Не в сети
 Заголовок сообщения: Re: Универсальный пульт радиоуправления
СообщениеДобавлено: Пт янв 11, 2019 18:01:46 
Друг Кота

Карма: -1
Рейтинг сообщений: 74
Зарегистрирован: Вт мар 13, 2012 12:16:13
Сообщений: 8838
Откуда: .ru
Рейтинг сообщения: 0
https://ru.wikipedia.org/wiki/Юникод - нужен для универсальности)) Для Интернета и т.д. ))

Добавим функцию ресет всево. Не знаю нафига оно надо... но пусть будет))
Вложение:
пульт.hex [52.48 KiB]
Скачиваний: 392


Вернуться наверх
 
Не в сети
 Заголовок сообщения: Re: Универсальный пульт радиоуправления
СообщениеДобавлено: Пт янв 11, 2019 18:23:28 
Говорящий с текстолитом
Аватар пользователя

Карма: 4
Рейтинг сообщений: 86
Зарегистрирован: Пт янв 20, 2012 16:25:02
Сообщений: 1565
Рейтинг сообщения: 2
Работает.
Переименуй пожалуста Стики на Каналы АЦП,и внутри стики на каналы.
И наверное давай попробуем добавить ещо одну кнопку для меню(совместим с выбором акума)
меню
- +
И повыбрасываем секономленые пункты в подменю связь и модуле.
И ещо одна мелоч зделай пожалуста так чтобы поумолчанию в подменю модуль защита ак2 стартовала с выкл а не с 5v

_________________
И опыт сын ошибок трудных и гений парадоксов друг


Вернуться наверх
 
Не в сети
 Заголовок сообщения: Re: Универсальный пульт радиоуправления
СообщениеДобавлено: Пт янв 11, 2019 22:33:20 
Друг Кота

Карма: -1
Рейтинг сообщений: 74
Зарегистрирован: Вт мар 13, 2012 12:16:13
Сообщений: 8838
Откуда: .ru
Рейтинг сообщения: 0
Вложение:
пульт.hex [51.59 KiB]
Скачиваний: 385


Вернуться наверх
 
Не в сети
 Заголовок сообщения: Re: Универсальный пульт радиоуправления
СообщениеДобавлено: Пт янв 11, 2019 22:41:56 
Говорящий с текстолитом
Аватар пользователя

Карма: 4
Рейтинг сообщений: 86
Зарегистрирован: Пт янв 20, 2012 16:25:02
Сообщений: 1565
Рейтинг сообщения: 2
roman.com-все очень хорошо,на первій взгляд.
Завтра все хорошо проверю.
И можна попрощатса с версией 3.1(128-8)

_________________
И опыт сын ошибок трудных и гений парадоксов друг


Вернуться наверх
 
Не в сети
 Заголовок сообщения: Re: Универсальный пульт радиоуправления
СообщениеДобавлено: Пт янв 11, 2019 22:59:30 
Потрогал лапой паяльник
Аватар пользователя

Карма: 13
Рейтинг сообщений: 43
Зарегистрирован: Ср мар 31, 2010 11:45:58
Сообщений: 307
Откуда: Славянск
Рейтинг сообщения: 0
sashamelja писал(а):
можна попрощатса с версией 3.1(128-8)


какой тогда смысл в названии "Универсальный пульт"

и какой вообще сакральный смысл применения в приемнике атмега128


Вернуться наверх
 
Не в сети
 Заголовок сообщения: Re: Универсальный пульт радиоуправления
СообщениеДобавлено: Сб янв 12, 2019 12:17:57 
Говорящий с текстолитом
Аватар пользователя

Карма: 4
Рейтинг сообщений: 86
Зарегистрирован: Пт янв 20, 2012 16:25:02
Сообщений: 1565
Рейтинг сообщения: 0
roman.com-остались мелочи
1.Не работает кнопка минус в подменю Каналы АЦП
2.Нету инверсии на каналах самого модуля(нада для руля после того как меняеш стики)важно для меня
3.Основной руль тот что на екране не работает инверсия(пускай таки остайотса привязаным к каналу 0)

Добавлено after 9 minutes 57 seconds:
Moto_v3x
Ты разве не понемаеш что это все для спортивного интереса.
"Универсальный пульт"-какая разница какое название и какой екран,итд-итп
https://ru.wikipedia.org/wiki/%D0%90%D0 ... 1%8C%D1%8E
Была идея и пару интузиастов,и мы ейо развиваем по мере возможности.(в пульте 128-для памяти,а в модуле для пинов)необходимость для розвития проекта.

_________________
И опыт сын ошибок трудных и гений парадоксов друг


Вернуться наверх
 
Не в сети
 Заголовок сообщения: Re: Универсальный пульт радиоуправления
СообщениеДобавлено: Сб янв 12, 2019 13:45:09 
Друг Кота

Карма: -1
Рейтинг сообщений: 74
Зарегистрирован: Вт мар 13, 2012 12:16:13
Сообщений: 8838
Откуда: .ru
Рейтинг сообщения: 0
минус в подменю Каналы АЦП...
Вложение:
пульт.hex [52.91 KiB]
Скачиваний: 336

инверсия привязана к PPM... для симулятора. К кораблику никто не привязывал..)) оставили для v3...))


Вернуться наверх
 
Не в сети
 Заголовок сообщения: Re: Универсальный пульт радиоуправления
СообщениеДобавлено: Сб янв 12, 2019 15:57:15 
Говорящий с текстолитом
Аватар пользователя

Карма: 4
Рейтинг сообщений: 86
Зарегистрирован: Пт янв 20, 2012 16:25:02
Сообщений: 1565
Рейтинг сообщения: 0
Минус работает
Мне очень нужна инверсия хотябы по канал 0 и заодно на екране
Я уже писал что хотелось освободить руку для спиненга,тогда ставиш все на один джостик а когда поганять тогда на два(если роздельно тогда правельно,а когда вместе тогда поворачивает не туда.
Физические манепуляцыи неумесны.
Зделай эту мелоч,и закрываем вопрос.

_________________
И опыт сын ошибок трудных и гений парадоксов друг


Вернуться наверх
 
Не в сети
 Заголовок сообщения: Re: Универсальный пульт радиоуправления
СообщениеДобавлено: Сб янв 12, 2019 17:04:14 
Друг Кота

Карма: -1
Рейтинг сообщений: 74
Зарегистрирован: Вт мар 13, 2012 12:16:13
Сообщений: 8838
Откуда: .ru
Рейтинг сообщения: 0
Вложение:
пульт.hex [53.01 KiB]
Скачиваний: 244


Вернуться наверх
 
Не в сети
 Заголовок сообщения: Re: Универсальный пульт радиоуправления
СообщениеДобавлено: Сб янв 12, 2019 20:42:04 
Говорящий с текстолитом
Аватар пользователя

Карма: 4
Рейтинг сообщений: 86
Зарегистрирован: Пт янв 20, 2012 16:25:02
Сообщений: 1565
Рейтинг сообщения: 0
Извени 2ч не будет доступа к кампу
Былобы хорошо провести експеремент с розделением на модели,так как они есть в 3.1
И точно все :))

Добавлено after 2 hours 56 minutes 49 seconds:
Да инверсия работает на канал модуля хорошо.
Но руль на основном екране работает в инверсии до изменений(тоисть наоборот до выставленого)
А так вроди все что я хотел,может у ковота есть какието предложения?

_________________
И опыт сын ошибок трудных и гений парадоксов друг


Вернуться наверх
 
Показать сообщения за:  Сортировать по:  Вернуться наверх
Начать новую тему Ответить на тему  [ Сообщений: 1272 ]    , , , 4, , , ...  

Часовой пояс: UTC + 3 часа


Кто сейчас на форуме

Сейчас этот форум просматривают: нет зарегистрированных пользователей и гости: 26


Вы не можете начинать темы
Вы не можете отвечать на сообщения
Вы не можете редактировать свои сообщения
Вы не можете удалять свои сообщения
Вы не можете добавлять вложения

Найти:
Перейти:  


Powered by phpBB © 2000, 2002, 2005, 2007 phpBB Group
Русская поддержка phpBB
Extended by Karma MOD © 2007—2012 m157y
Extended by Topic Tags MOD © 2012 m157y