Например TDA7294

Форум РадиоКот • Просмотр темы - Часы на люминесцентных индикаторах.
Форум РадиоКот
Здесь можно немножко помяукать :)

Текущее время: Вс мар 01, 2026 02:43:28

Часовой пояс: UTC + 3 часа


ПРЯМО СЕЙЧАС:



Начать новую тему Ответить на тему  [ Сообщений: 9138 ]     ... , , , 190, , , ...  
Автор Сообщение
 Заголовок сообщения: Re: Часы на люминесцентных индикаторах.
СообщениеДобавлено: Пн мар 11, 2013 14:48:59 
Родился

Зарегистрирован: Пн мар 11, 2013 14:41:56
Сообщений: 1
Рейтинг сообщения: 0
Собрал вот такой вариант, для начинающих самое то)))
За основу взял часы электроника 6.15, индикаторы ИВ-6
В схеме ничего не меняется, только на накал нужно сопротивление поставить , у меня под рукой нужного не было, поэтому нити видны, все равно еще не доделал до конца.


Вложения:
IMG_0131-1.jpg [95.93 KiB]
Скачиваний: 1521
Вернуться наверх
 
 Заголовок сообщения: Re:
СообщениеДобавлено: Пн мар 11, 2013 15:43:42 
Первый раз сказал Мяу!
Аватар пользователя

Зарегистрирован: Пн фев 25, 2013 18:39:12
Сообщений: 23
Откуда: Крым
Рейтинг сообщения: 0
BlinChick писал(а):
а к исходным часикам на ив-18 http://www.elektroda.pl/rtvforum/topic1680725.html подойдет измененная прошивка от SanyaCrimea :?

Да подойдет , только она под один датчик.


Вернуться наверх
 
 Заголовок сообщения: Re: Re:
СообщениеДобавлено: Пн мар 11, 2013 22:01:24 
Это не хвост, это антенна

Карма: 7
Рейтинг сообщений: 105
Зарегистрирован: Пн ноя 23, 2009 00:50:23
Сообщений: 1412
Откуда: Crimea, Simferopol
Рейтинг сообщения: 0
SanyaCrimea писал(а):
Да подойдет , только она под один датчик.

а какой вы исходник правили ?

у меня есть 2 версии

размером 16626
'******************************************************************************************
'!!!!!Nie kasowaж!!!!!

'Autor orgina_u: Pier
'Modyfikacja do wersji z dat№ i temperatur№: Duch__
'email: duszkowski@o2.pl
'http://www.elektroda.pl/rtvforum/viewtopic.php?p=8135591#8135591
'Program zawiera w obecnej wersji obs_ugк 1x DS18b20, docelowo maj№ to byж 2 czujniki.
'Modyfikacja do wersji z 2 czujnikami i pe_n№ dat№ _ukasz(100) trzeba zrobiж zworkк pomiкdzy PC.0 I PC.1

----------

и размером 13572
'******************************************************************************************
'!!!!!Nie kasowaж!!!!!

'Autor orgina_u: Pier
'Modyfikacja do wersji z dat№ i temperatur№: Duch__
'email: duszkowski@o2.pl
'http://www.elektroda.pl/rtvforum/viewtopic.php?p=8135591#8135591

'Program zawiera w obecnej wersji obs_ugк 1x DS18b20, docelowo maj№ to byж 2 czujniki.
----------

в версии для 1 датчика бестолково сделана установка параметров времени и даты. в версии с 2 - редактируемая позиция мигает.
в первой еще датчик температуры у меня не заработал...

ну и смыканье каждые 4 секунды просто бесит...


Вернуться наверх
 
 Заголовок сообщения: Re: Часы на люминесцентных индикаторах.
СообщениеДобавлено: Пн мар 11, 2013 23:33:55 
Друг Кота
Аватар пользователя

Карма: 52
Рейтинг сообщений: 846
Зарегистрирован: Вт сен 07, 2010 03:01:06
Сообщений: 16545
Откуда: Moscow-Izmaylovo
Рейтинг сообщения: 0
там же у поляков на два датчика есть

_________________
Лечу лечить WWWашу покалеченную технику.


Вернуться наверх
 
Эиком - электронные компоненты и радиодетали
 Заголовок сообщения: Re: Часы на люминесцентных индикаторах.
СообщениеДобавлено: Пн мар 11, 2013 23:41:06 
Это не хвост, это антенна

Карма: 7
Рейтинг сообщений: 105
Зарегистрирован: Пн ноя 23, 2009 00:50:23
Сообщений: 1412
Откуда: Crimea, Simferopol
Рейтинг сообщения: 0
m.ix писал(а):
там же у поляков на два датчика есть


есть. сейчас залита в часы.
но парит смыканье каждые 4 секунды... или у вас по другому с поляцкой прошивкой?


Вернуться наверх
 
 Заголовок сообщения: Re: Часы на люминесцентных индикаторах.
СообщениеДобавлено: Пн мар 11, 2013 23:53:25 
Первый раз сказал Мяу!
Аватар пользователя

Зарегистрирован: Пн фев 25, 2013 18:39:12
Сообщений: 23
Откуда: Крым
Рейтинг сообщения: 0
sa-ta писал(а):
SanyaCrimea писал(а):
Да подойдет , только она под один датчик.

а какой вы исходник правили ?


в версии для 1 датчика бестолково сделана установка параметров времени и даты. в версии с 2 - редактируемая позиция мигает.
в первой еще датчик температуры у меня не заработал...

ну и смыканье каждые 4 секунды просто бесит...



Правил первую версию, там где не мигают цифры при установке времени. Нашел только этот исходник.Мигание самого достало за вечер поэтому и поставил эту прошивку. Если у вас есть исходник с нормальной установкой времени выложите пожалуйста.


Вернуться наверх
 
 Заголовок сообщения: Re: Часы на люминесцентных индикаторах.
СообщениеДобавлено: Вт мар 12, 2013 01:22:45 
Друг Кота
Аватар пользователя

Карма: 52
Рейтинг сообщений: 846
Зарегистрирован: Вт сен 07, 2010 03:01:06
Сообщений: 16545
Откуда: Moscow-Izmaylovo
Рейтинг сообщения: 0
Скорее всего нужно писать новый софт с расширенным меню.

_________________
Лечу лечить WWWашу покалеченную технику.


Вернуться наверх
 
 Заголовок сообщения: Re: Часы на люминесцентных индикаторах.
СообщениеДобавлено: Вт мар 12, 2013 01:33:35 
Это не хвост, это антенна

Карма: 7
Рейтинг сообщений: 105
Зарегистрирован: Пн ноя 23, 2009 00:50:23
Сообщений: 1412
Откуда: Crimea, Simferopol
Рейтинг сообщения: 0
SanyaCrimea писал(а):
Если у вас есть исходник с нормальной установкой времени выложите пожалуйста.

да в общем фиг его знает, что это за исходник...там же все по польски..но вроде что то похоже на инициализацию второго датчика.

просто с прошивкой для одного датчика - датчик вообще не работал было по 00. ну и логичнее все таки мигать редактируемой цифрой, что сделано в версии для 2х датчиков.

вот в архиве оба, что у меня есть ...


Вложения:
iw18 2 x DS18b20.rar [5.35 KiB]
Скачиваний: 499
Вернуться наверх
 
 Заголовок сообщения: Re: Часы на люминесцентных индикаторах.
СообщениеДобавлено: Вт мар 12, 2013 09:35:13 
Первый раз сказал Мяу!
Аватар пользователя

Зарегистрирован: Пн фев 25, 2013 18:39:12
Сообщений: 23
Откуда: Крым
Рейтинг сообщения: 0
sa-ta писал(а):
SanyaCrimea писал(а):
Если у вас есть исходник с нормальной установкой времени выложите пожалуйста.

да в общем фиг его знает, что это за исходник...там же все по польски..но вроде что то похоже на инициализацию второго датчика.

просто с прошивкой для одного датчика - датчик вообще не работал было по 00. ну и логичнее все таки мигать редактируемой цифрой, что сделано в версии для 2х датчиков.

вот в архиве оба, что у меня есть ...

Спасибо :) посмотрю, если заработает выложу сдесь переделанный.


Вернуться наверх
 
 Заголовок сообщения: Re: Часы на люминесцентных индикаторах.
СообщениеДобавлено: Вт мар 12, 2013 16:13:08 
Опытный кот
Аватар пользователя

Карма: 20
Рейтинг сообщений: 199
Зарегистрирован: Вт дек 08, 2009 18:24:20
Сообщений: 766
Откуда: Питер
Рейтинг сообщения: 0
А кто-нибудь делал часы на КА1035ХЛ1?

У меня небольшой вопрос: у меня есть часы на них. Там есть кнопка "таймер", при нажатии показываются показания будильника.
Если одновременно с ней нажать "коррекцию", то будет мигать точка. Если одновременно с ней нажать "будильник", то значения таймера начнут уменьшаться.

Вопрос: как правильно пользоваться этой кнопкой? У кого-нибудь есть инструкция или схема на КА1035ХЛ1, где есть кнопка "таймер"? Что-то в имеющихся схемах не нашел такого.

_________________
https://t.me/retrocomps


Вернуться наверх
 
 Заголовок сообщения: Re: Часы на люминесцентных индикаторах.
СообщениеДобавлено: Вт мар 12, 2013 21:22:00 
Это не хвост, это антенна

Карма: 7
Рейтинг сообщений: 105
Зарегистрирован: Пн ноя 23, 2009 00:50:23
Сообщений: 1412
Откуда: Crimea, Simferopol
Рейтинг сообщения: 0
SanyaCrimea писал(а):
исходным часикам на ив-18 http://www.elektroda.pl/rtvforum/topic1680725.html

мой "уродец"

Изображение Изображение Изображение

Изображение Изображение Изображение

народ утилизировал кассовые аппараты - всучили пару индикаторов. прошлось делать.
был еще вариант на 13 разрядном, но самсунг на разрядов 10 кажется краше..

Изображение


Вернуться наверх
 
 Заголовок сообщения: Re: Часы на люминесцентных индикаторах.
СообщениеДобавлено: Вт мар 12, 2013 21:28:26 
Опытный кот
Аватар пользователя

Карма: 20
Рейтинг сообщений: 199
Зарегистрирован: Вт дек 08, 2009 18:24:20
Сообщений: 766
Откуда: Питер
Рейтинг сообщения: 0
sa-ta писал(а):
народ утилизировал кассовые аппараты - всучили пару индикаторов. прошлось делать.
был еще вариант на 13 разрядном, но самсунг на разрядов 10 кажется краше..


Что плохо в б/у индикаторах - там очень часто выгорают цифры, и смотрится не очень.

_________________
https://t.me/retrocomps


Вернуться наверх
 
 Заголовок сообщения: Re: Часы на люминесцентных индикаторах.
СообщениеДобавлено: Вт мар 12, 2013 23:39:33 
Друг Кота
Аватар пользователя

Карма: 27
Рейтинг сообщений: 33
Зарегистрирован: Пн ноя 22, 2010 00:57:15
Сообщений: 6296
Откуда: Ukraine
Рейтинг сообщения: 0
sa-ta, покажите схему, пожалуйста :))

_________________
Tell Me The Truth


Вернуться наверх
 
 Заголовок сообщения: Re: Часы на люминесцентных индикаторах.
СообщениеДобавлено: Вт мар 12, 2013 23:47:14 
Открыл глаза
Аватар пользователя

Зарегистрирован: Чт фев 14, 2013 10:04:17
Сообщений: 71
Откуда: Украина, Донецк
Рейтинг сообщения: 0
Люди добрые, подскажите, лежат дома 6шт ИВ-9 и 2шт ИВ-6, так же сейчас разберу не рабочую "Электроника-7" - что то с питанием. Хочу собрать часы на ИВ-9, но подходящей платы и схемы что то не наблюдаю, везде под 20-40-50-70В, это же через чур для 9й серии? Правильно? Кто уже собирал и выкладывал здесь свою версию для ИВ-9 подеитесь пожалуйста. Нашел один вариант, но он в виде круглого циферблата, хочеться что то подобное - "Часики на ИВ-12 - viewtopic.php?p=469771#p469771"
Спасибо за рание за ответ.

_________________
Родители частенько вышибали из меня дурь, но я всегда знал где достать ещё ;)


Вернуться наверх
 
 Заголовок сообщения: Re: Часы на люминесцентных индикаторах.
СообщениеДобавлено: Ср мар 13, 2013 00:05:38 
Поставщик валерьянки для Кота

Карма: 5
Рейтинг сообщений: 21
Зарегистрирован: Пт авг 29, 2008 16:28:19
Сообщений: 2108
Откуда: Киев
Рейтинг сообщения: 0
ИВ-9 - это накальный индикатор, а здесь приведены схемы для люминесцентных.

_________________
Giggity giggity goo!


Вернуться наверх
 
 Заголовок сообщения: Re: Часы на люминесцентных индикаторах.
СообщениеДобавлено: Ср мар 13, 2013 00:26:57 
Открыл глаза
Аватар пользователя

Зарегистрирован: Чт фев 14, 2013 10:04:17
Сообщений: 71
Откуда: Украина, Донецк
Рейтинг сообщения: 0
Волосатый писал(а):
Вообще, вам в тему про люминесцентные индикаторы :)
СпойлерНо всё-же отвечу, возьмите любую схему часов на семисегментных индикаторах, лучше статической индикацией, и поставьте драйвер на сегменты на транзисторах или специальных микросхемах, и ключи общего вывода индикатора, ток у ив-9 довольно большой для МК. Какую схему использовать, для ОА и ОК без разницы, индикатор накальный т.е. неполярный. Применять схему с динамической индикацией не советую, т.к. придется повышать напряжение питания индикаторов (в 2 и более раз), что при зависании МК чревато перегоранием нитей.
с газоразрядных послали сюда :)

Foks, вы говорите что это накальный, :)
:idea: я теперь понял что в серии ИВ 2 вида люминисцентные и накальные, серия ИН это газоразрядные, так а в какую тему мне перейти что бы найти схему для накальных? Или это редкость? по форуму полазил только в этих ветках серьездно обсуждают и выкладывают печатки и схемы. Но все равно спасибо за ответ.

_________________
Родители частенько вышибали из меня дурь, но я всегда знал где достать ещё ;)


Вернуться наверх
 
 Заголовок сообщения: Re: Часы на люминесцентных индикаторах.
СообщениеДобавлено: Ср мар 13, 2013 01:11:25 
Поставщик валерьянки для Кота

Карма: 5
Рейтинг сообщений: 21
Зарегистрирован: Пт авг 29, 2008 16:28:19
Сообщений: 2108
Откуда: Киев
Рейтинг сообщения: 0
Ну не редкость, где-то проскакивали проекты на накальных индикаторах, но в целом их включение гораздо тривиальнее, чем тех же ВЛИ или ГРИ. Любая схема часов на семисегментных светодиодных индикаторах пойдет и для накальных, с небольшими изменениями.

_________________
Giggity giggity goo!


Вернуться наверх
 
 Заголовок сообщения: Re: Часы на люминесцентных индикаторах.
СообщениеДобавлено: Ср мар 13, 2013 13:16:16 
Мудрый кот
Аватар пользователя

Карма: 27
Рейтинг сообщений: 660
Зарегистрирован: Ср апр 04, 2012 09:55:53
Сообщений: 1795
Откуда: Северодонецк
Рейтинг сообщения: 0
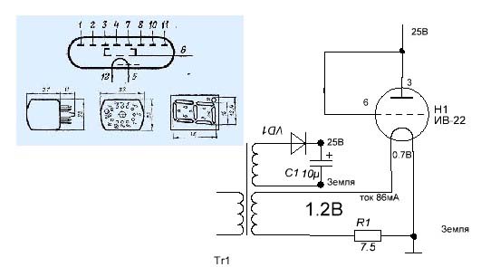
Сегодня я немного притормаживаю...
Что я тут неправильно подключил, чтоб увидеть зажженый разряд?
Изображение


Вложения:
ив-22.JPG [29.02 KiB]
Скачиваний: 4659

_________________
У того, кто делает — получается редко. У того, кто не делает — не получается никогда.
Вернуться наверх
 
 Заголовок сообщения: Re: Часы на люминесцентных индикаторах.
СообщениеДобавлено: Ср мар 13, 2013 13:28:48 
Поставщик валерьянки для Кота

Карма: 5
Рейтинг сообщений: 21
Зарегистрирован: Пт авг 29, 2008 16:28:19
Сообщений: 2108
Откуда: Киев
Рейтинг сообщения: 0
Анод надо на 25 В, а не на землю.

_________________
Giggity giggity goo!


Вернуться наверх
 
 Заголовок сообщения: Re: Часы на люминесцентных индикаторах.
СообщениеДобавлено: Ср мар 13, 2013 15:41:15 
Поставщик валерьянки для Кота
Аватар пользователя

Карма: 21
Рейтинг сообщений: 267
Зарегистрирован: Вт ноя 03, 2009 21:02:38
Сообщений: 2052
Откуда: Москва
Рейтинг сообщения: 0
Изображение


Вложения:
ив-22_1.jpg [37.79 KiB]
Скачиваний: 4929
Вернуться наверх
 
Показать сообщения за:  Сортировать по:  Вернуться наверх
Начать новую тему Ответить на тему  [ Сообщений: 9138 ]     ... , , , 190, , , ...  

Часовой пояс: UTC + 3 часа


Вы не можете начинать темы
Вы не можете отвечать на сообщения
Вы не можете редактировать свои сообщения
Вы не можете удалять свои сообщения
Вы не можете добавлять вложения

Найти:
Перейти:  


Powered by phpBB © 2000, 2002, 2005, 2007 phpBB Group
Русская поддержка phpBB
Extended by Karma MOD © 2007—2012 m157y
Extended by Topic Tags MOD © 2012 m157y