Например TDA7294

Форум РадиоКот • Просмотр темы - Диагностический адаптор ЭБУ
Форум РадиоКот
Здесь можно немножко помяукать :)

Текущее время: Сб дек 27, 2025 16:08:56

Часовой пояс: UTC + 3 часа


ПРЯМО СЕЙЧАС:



Начать новую тему Ответить на тему  [ Сообщений: 260 ]     ... , , , 10, , ,  
Автор Сообщение
Не в сети
 Заголовок сообщения: Re: Диагностический адаптор ЭБУ
СообщениеДобавлено: Пн сен 17, 2012 14:36:53 
Встал на лапы
Аватар пользователя

Зарегистрирован: Вс янв 31, 2010 08:08:25
Сообщений: 141
Рейтинг сообщения: 0
Да, про питание не подумал,теперь подключил.Но опять же пробую через терминал и тоже самое тишина.Зато через вот эту
Вложение:
test.zip [6.33 KiB]
Скачиваний: 324
программу лампочки мигают.Подскажите пожалуйста как теперь убедиться что адаптер исправен?


Вернуться наверх
 
Не в сети
 Заголовок сообщения: Re: Диагностический адаптор ЭБУ
СообщениеДобавлено: Пн сен 17, 2012 15:05:40 
Потрогал лапой паяльник

Карма: 6
Рейтинг сообщений: 56
Зарегистрирован: Вт апр 21, 2009 18:56:53
Сообщений: 389
Откуда: замкадье
Рейтинг сообщения: 0
Скачай прожку диагностики ICD, в ней есть тест адаптера, если адаптер исправен она тебе так и напишет. Еще на предыдущей странице или через страницу выкладывали прожку теста, попробуй ее.


Вернуться наверх
 
Не в сети
 Заголовок сообщения: Re: Диагностический адаптор ЭБУ
СообщениеДобавлено: Пн сен 17, 2012 15:14:21 
Встал на лапы
Аватар пользователя

Зарегистрирован: Вс янв 31, 2010 08:08:25
Сообщений: 141
Рейтинг сообщения: 0
Ходок писал(а):
Скачай прожку диагностики ICD, в ней есть тест адаптера, если адаптер исправен она тебе так и напишет. Еще на предыдущей странице или через страницу выкладывали прожку теста, попробуй ее.

И та и другая у меня есть,в первой функция проверки адаптера почему то не активна,а во второй не разберусь всё на иностранном.


Вернуться наверх
 
Не в сети
 Заголовок сообщения: Re: Диагностический адаптор ЭБУ
СообщениеДобавлено: Пн сен 17, 2012 17:20:11 
Встал на лапы
Аватар пользователя

Зарегистрирован: Вс янв 31, 2010 08:08:25
Сообщений: 141
Рейтинг сообщения: 0
ICD показала что адаптер работает нормально,но в терминале так и не работает.Это говорит о том что он будет работать на машине?


Вернуться наверх
 
Эиком - электронные компоненты и радиодетали
Не в сети
 Заголовок сообщения: Re: Диагностический адаптор ЭБУ
СообщениеДобавлено: Вт сен 18, 2012 10:03:17 
Встал на лапы

Зарегистрирован: Пн фев 20, 2012 17:11:08
Сообщений: 108
Откуда: Кубань
Рейтинг сообщения: 0
Да подключай и пробуй больше ни как. Только будь осторожен с настройками эбу. Почитай книжки про диагностику и настройки.


Имеется в наличии последний выпуск прошивок от Ледокола на 55 пиновые блоки Бош январь вс5.1 отдам в шорошие руки не дорого.
Стучитесь в личку.


Вернуться наверх
 
Не в сети
 Заголовок сообщения: Re: Диагностический адаптор ЭБУ
СообщениеДобавлено: Вт сен 18, 2012 13:18:05 
Встал на лапы
Аватар пользователя

Зарегистрирован: Вс янв 31, 2010 08:08:25
Сообщений: 141
Рейтинг сообщения: 0
Большое спасибо всем за помощь.В выходные буду пробывать на машине.


Вернуться наверх
 
Не в сети
 Заголовок сообщения: Re: Диагностический адаптор ЭБУ
СообщениеДобавлено: Пт сен 21, 2012 17:36:59 
Встал на лапы
Аватар пользователя

Зарегистрирован: Вс янв 31, 2010 08:08:25
Сообщений: 141
Рейтинг сообщения: 0
Подключил я чепырку к компу,адаптер работает на ура только пишет что контроллер не определён.Может прога не подходит,использовал ICD Посоветуйте другую и чтоб могла определяь пропуски воспламянения.


Вернуться наверх
 
Не в сети
 Заголовок сообщения: Re: Диагностический адаптор ЭБУ
СообщениеДобавлено: Пн сен 24, 2012 10:21:31 
Потрогал лапой паяльник

Карма: 6
Рейтинг сообщений: 56
Зарегистрирован: Вт апр 21, 2009 18:56:53
Сообщений: 389
Откуда: замкадье
Рейтинг сообщения: 0
У "чепырке" какой ЭБУ стоит?


Вернуться наверх
 
Не в сети
 Заголовок сообщения: Re: Диагностический адаптор ЭБУ
СообщениеДобавлено: Пн сен 24, 2012 10:37:53 
Встал на лапы
Аватар пользователя

Зарегистрирован: Вс янв 31, 2010 08:08:25
Сообщений: 141
Рейтинг сообщения: 0
У меня бош 7.9.7


Вернуться наверх
 
Не в сети
 Заголовок сообщения: Re: Диагностический адаптор ЭБУ
СообщениеДобавлено: Пн сен 24, 2012 11:37:49 
Потрогал лапой паяльник

Карма: 6
Рейтинг сообщений: 56
Зарегистрирован: Вт апр 21, 2009 18:56:53
Сообщений: 389
Откуда: замкадье
Рейтинг сообщения: 0
Этот блок нормально диагностируют программы kwp_d и SMSDiag, можно еще попробовать AutoVAZ_NEW, но версия, что пробовал я не очень корректно с ним работала.


Вернуться наверх
 
Не в сети
 Заголовок сообщения: Re: Диагностический адаптор ЭБУ
СообщениеДобавлено: Пн сен 24, 2012 14:51:02 
Встал на лапы
Аватар пользователя

Зарегистрирован: Вс янв 31, 2010 08:08:25
Сообщений: 141
Рейтинг сообщения: 0
Ходок,Спасибо! Подскажите ещё пожалуйста как прошивать этот блок,а то я читаю на сайтах так и не врубаюсь как это делать.Да и боюсь запороть блок.Буду очень благодарен.


Вернуться наверх
 
Не в сети
 Заголовок сообщения: Re: Диагностический адаптор ЭБУ
СообщениеДобавлено: Пн сен 24, 2012 17:57:51 
Потрогал лапой паяльник

Карма: 6
Рейтинг сообщений: 56
Зарегистрирован: Вт апр 21, 2009 18:56:53
Сообщений: 389
Откуда: замкадье
Рейтинг сообщения: 0
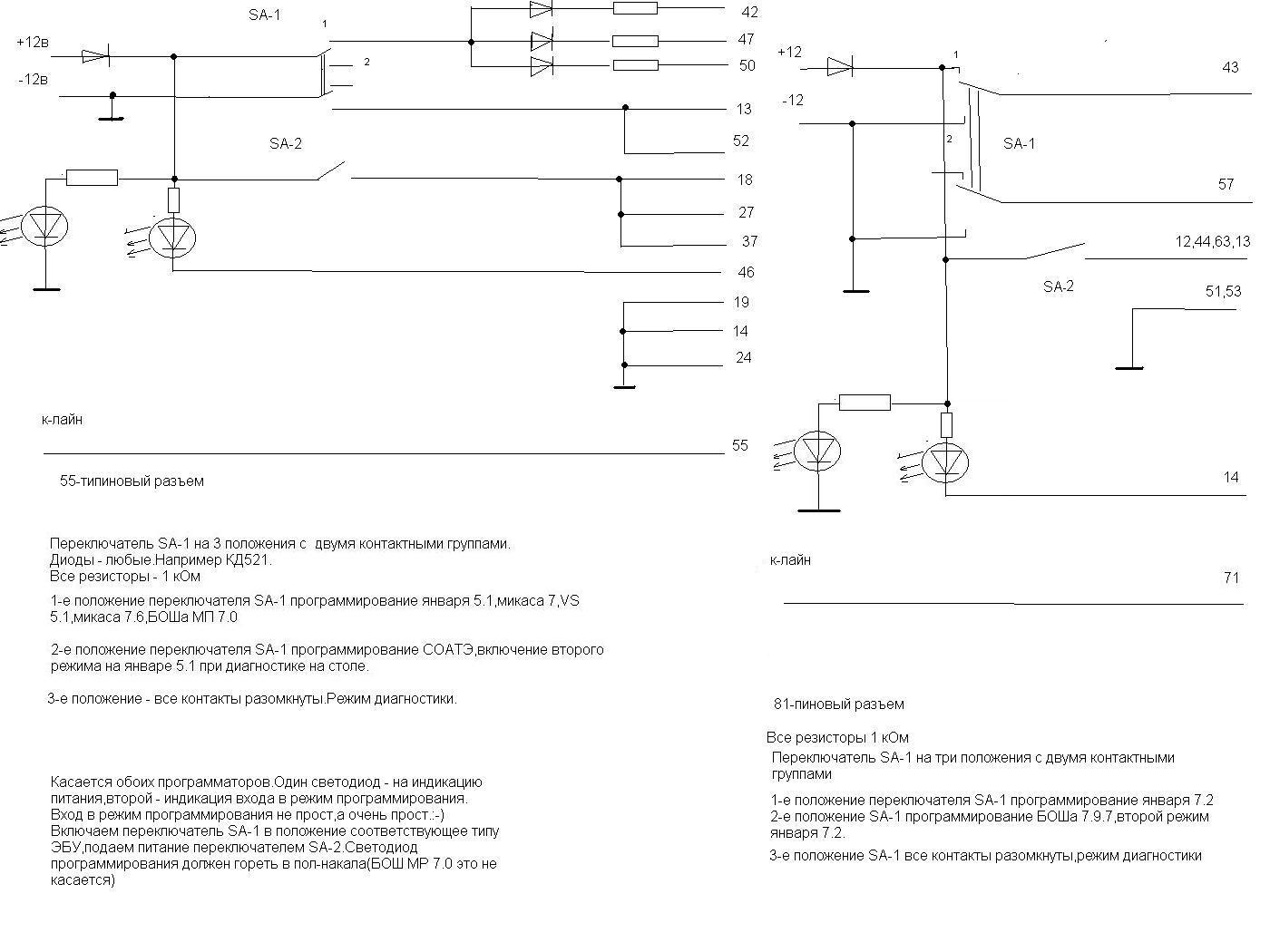
Этот блок надо ковырять паяльником, что бы прошить, что ковырять написано тут
Потом подсоединить ЭБУ согласно схеме с 81 пиновым разьемом (качество поганое, но разобраться можно)
Название программы которая шьет этот блок честно не помню, ноут со всем этим пылится дома, если не забуду посмотрю и напишу.


Вложения:
Комментарий к файлу: Схемы подключения ЭБУ
ecu.JPG [139.17 KiB]
Скачиваний: 671
Вернуться наверх
 
Не в сети
 Заголовок сообщения: Re: Диагностический адаптор ЭБУ
СообщениеДобавлено: Пн сен 24, 2012 18:09:18 
Встал на лапы
Аватар пользователя

Зарегистрирован: Вс янв 31, 2010 08:08:25
Сообщений: 141
Рейтинг сообщения: 0
Да уж,слишком всё сложно.Я думал всё можно сделать через k line. Я лучше брошу эту затею, боюсь запороть блок и остаться без машины так как купить новый пока нет возможности. Спасибо за помощь.


Вернуться наверх
 
Не в сети
 Заголовок сообщения: Re: Диагностический адаптор ЭБУ
СообщениеДобавлено: Вт сен 25, 2012 09:06:02 
Встал на лапы

Зарегистрирован: Пн фев 20, 2012 17:11:08
Сообщений: 108
Откуда: Кубань
Рейтинг сообщения: 0
Закажи в нете разбемы если сам не можешь спаять. Я себе покупал разьумы на разборках на 55пин и 81 пин собирал их по схеме указаной выше. И занимался и занимаюсь перешивкой блоков. Да одни блоки шьются на раз с другими надо позится, что то гдето допаять или наоборот выпаять.


Вернуться наверх
 
Не в сети
 Заголовок сообщения: Re: Диагностический адаптор ЭБУ
СообщениеДобавлено: Сб окт 27, 2012 13:48:03 
Встал на лапы

Зарегистрирован: Пн фев 20, 2012 17:11:08
Сообщений: 108
Откуда: Кубань
Рейтинг сообщения: 0
Давненько я не заходил, смотрю темка то засыхать начала.
Приехал комне товарищь както на своей митсубиси и говорит можно внееё что другое залить и тогда я кинулся делать себе адаптор программатор Galleto. Спаял гдето дня за три повремени просто так получилось.
Вот выкладываю вам печатку,прошивку и фотки готового изделия, правда пока без корпуса еще не придумал куда его запихнуть


Вложения:
GALLETTO.rar [2.09 KiB]
Скачиваний: 410
galletto1260.rar [623 байт]
Скачиваний: 400
Galetta.rar [676 байт]
Скачиваний: 330
ept.rar [716 байт]
Скачиваний: 353
Galletto.lay [60.89 KiB]
Скачиваний: 596
Вернуться наверх
 
Не в сети
 Заголовок сообщения: Re: Диагностический адаптор ЭБУ
СообщениеДобавлено: Ср окт 31, 2012 09:59:54 
Потрогал лапой паяльник

Зарегистрирован: Чт мар 11, 2010 16:16:19
Сообщений: 386
Откуда: Смоленская обл. Десногорск
Рейтинг сообщения: 0
осталось под галетту винолс рабочий выложить..


Вернуться наверх
 
Не в сети
 Заголовок сообщения: Re: Диагностический адаптор ЭБУ
СообщениеДобавлено: Ср окт 31, 2012 11:46:49 
Встал на лапы

Зарегистрирован: Пн фев 20, 2012 17:11:08
Сообщений: 108
Откуда: Кубань
Рейтинг сообщения: 0
Прогу можно и внете нарыть она свободна.
Что такое винолс


Вернуться наверх
 
Не в сети
 Заголовок сообщения: Re: Диагностический адаптор ЭБУ
СообщениеДобавлено: Чт ноя 29, 2012 20:19:52 
Потрогал лапой паяльник

Карма: 1
Рейтинг сообщений: 3
Зарегистрирован: Чт мар 08, 2012 20:05:21
Сообщений: 393
Откуда: Воронеж
Рейтинг сообщения: 0
fos-kr писал(а):
Прогу можно и внете нарыть она свободна.
Что такое винолс

А чо в архиве схемки котлеты нет?
Винолс, прога для редактирования прошивок ЭБУ, рабочих версий в нете на халтай полно,(я лет семь назад еще этим заморачивался) только что от нее толку, если нет дамос файлов, это типа карт для прошивок, для каждой своя.
Единственное, что в винолсе может быть полезным, это то что прога автоматом вычисляет в прошивке возможные
"участки-таблицы" то есть калибровочные данные, доко вот без карт, поди разберись, толи это режим топливоподачи на ХХ, толи зажигание...


Вернуться наверх
 
Не в сети
 Заголовок сообщения: Re: Диагностический адаптор ЭБУ
СообщениеДобавлено: Пт ноя 30, 2012 20:29:15 
Встал на лапы

Зарегистрирован: Пн фев 20, 2012 17:11:08
Сообщений: 108
Откуда: Кубань
Рейтинг сообщения: 0
Нате кто хочет винолс и т.д. и т.п http://rutracker.org/forum/viewforum.php?f=1976 ковыряйте.


Вернуться наверх
 
Не в сети
 Заголовок сообщения: Re: Диагностический адаптор ЭБУ
СообщениеДобавлено: Пт ноя 30, 2012 20:49:32 
Потрогал лапой паяльник

Карма: 1
Рейтинг сообщений: 3
Зарегистрирован: Чт мар 08, 2012 20:05:21
Сообщений: 393
Откуда: Воронеж
Рейтинг сообщения: 0
fos-kr писал(а):
Давненько я не заходил, смотрю темка то засыхать начала.
Вот выкладываю прошивку и фотки готового изделия, правда пока без корпуса еще не придумал куда его запихнуть

Поясни пожалуйста, разные прошивы для FTшки, для чего какая?
И где фотка?


Вернуться наверх
 
Показать сообщения за:  Сортировать по:  Вернуться наверх
Начать новую тему Ответить на тему  [ Сообщений: 260 ]     ... , , , 10, , ,  

Часовой пояс: UTC + 3 часа


Кто сейчас на форуме

Сейчас этот форум просматривают: нет зарегистрированных пользователей и гости: 27


Вы не можете начинать темы
Вы не можете отвечать на сообщения
Вы не можете редактировать свои сообщения
Вы не можете удалять свои сообщения
Вы не можете добавлять вложения

Найти:
Перейти:  


Powered by phpBB © 2000, 2002, 2005, 2007 phpBB Group
Русская поддержка phpBB
Extended by Karma MOD © 2007—2012 m157y
Extended by Topic Tags MOD © 2012 m157y