Например TDA7294

Форум РадиоКот • Просмотр темы - Часы-календарь-термометр (Mega8+DS1307+DS18B20+4LED)
Форум РадиоКот
Здесь можно немножко помяукать :)

Текущее время: Пт дек 26, 2025 13:57:34

Часовой пояс: UTC + 3 часа


ПРЯМО СЕЙЧАС:



Начать новую тему Ответить на тему  [ Сообщений: 2955 ]     ... , , , 100, , , ...  
Автор Сообщение
Не в сети
 Заголовок сообщения: Re: Часы-календарь-термометр (Mega8+DS1307+DS18B20+4LED)
СообщениеДобавлено: Сб окт 26, 2013 14:14:43 
Сверлит текстолит когтями
Аватар пользователя

Карма: 6
Рейтинг сообщений: 3
Зарегистрирован: Чт мар 05, 2009 19:51:55
Сообщений: 1122
Откуда: Дырасполь
Рейтинг сообщения: 0
Нет,не предусмотрено такая функция, хотя и реально
Не берусь утверждать на 100%, но думаю что выводится первым
на индикацию с
меньшим значением серийника у датчика(на них написано)

_________________
ученые долго думали,в чем измерять частоту.... С тех пор и пишут Hz


Вернуться наверх
 
Не в сети
 Заголовок сообщения: Re: Часы-календарь-термометр (Mega8+DS1307+DS18B20+4LED)
СообщениеДобавлено: Вс окт 27, 2013 19:45:41 
Нашел транзистор. Понюхал.

Карма: -1
Рейтинг сообщений: -4
Зарегистрирован: Вт май 01, 2012 15:07:19
Сообщений: 175
Рейтинг сообщения: 0
Проблема в том что серийника на корпусе нет, он на "таблетках" указывается. Вот у меня под носом 10 близнецов лежат :)


Вернуться наверх
 
Не в сети
 Заголовок сообщения: Re: Часы-календарь-термометр (Mega8+DS1307+DS18B20+4LED)
СообщениеДобавлено: Пн окт 28, 2013 19:56:17 
Мучитель микросхем
Аватар пользователя

Зарегистрирован: Вт фев 03, 2009 11:06:33
Сообщений: 490
Рейтинг сообщения: 0
Кто может подсказать в чем проблема, у меня не переводятся часы, ни на зимнее время, ни на летнее, такое ощущение что эта функция на работает вообще. Функцию перевода в меню я активировал, прошивку закачал где-то весной.

_________________
нужно не только знать, но и уметь это объяснить


Вернуться наверх
 
Не в сети
 Заголовок сообщения: Re: Часы-календарь-термометр (Mega8+DS1307+DS18B20+4LED)
СообщениеДобавлено: Пн окт 28, 2013 20:36:05 
Встал на лапы
Аватар пользователя

Зарегистрирован: Вт янв 17, 2012 00:13:14
Сообщений: 109
Откуда: Кременчуг
Рейтинг сообщения: 0
jumbo писал(а):
Кто может подсказать в чем проблема, у меня не переводятся часы, ни на зимнее время, ни на летнее, такое ощущение что эта функция на работает вообще. Функцию перевода в меню я активировал, прошивку закачал где-то весной.

может дада не правильно стоит?
у меня тоже не перевелись а потом глядь а дата не верно настроена.


Вернуться наверх
 
Эиком - электронные компоненты и радиодетали
Не в сети
 Заголовок сообщения: Re: Часы-календарь-термометр (Mega8+DS1307+DS18B20+4LED)
СообщениеДобавлено: Вт окт 29, 2013 09:51:18 
Мучитель микросхем
Аватар пользователя

Зарегистрирован: Вт фев 03, 2009 11:06:33
Сообщений: 490
Рейтинг сообщения: 0
исключено, дата настроена правильно.

_________________
нужно не только знать, но и уметь это объяснить


Вернуться наверх
 
Не в сети
 Заголовок сообщения: Re: Часы-календарь-термометр (Mega8+DS1307+DS18B20+4LED)
СообщениеДобавлено: Пн ноя 04, 2013 15:31:46 
Мучитель микросхем
Аватар пользователя

Зарегистрирован: Вт фев 03, 2009 11:06:33
Сообщений: 490
Рейтинг сообщения: 0
пробовал еще раз перевести дату перевода оставил так на 2 дня и не перевело, функция перевода включена, у кого-то сработал перевод часов на зимнее время ?

_________________
нужно не только знать, но и уметь это объяснить


Вернуться наверх
 
Не в сети
 Заголовок сообщения: Re: Часы-календарь-термометр (Mega8+DS1307+DS18B20+4LED)
СообщениеДобавлено: Пн ноя 04, 2013 16:21:07 
Мучитель микросхем
Аватар пользователя

Зарегистрирован: Пн фев 02, 2009 15:00:33
Сообщений: 415
Рейтинг сообщения: 0
у меня четко , на 3х часах с разными индикаторами, перевелось время ровно в ночь последней субботы ноября
прошивка с первой страницы.....


Вернуться наверх
 
Не в сети
 Заголовок сообщения: Re: Часы-календарь-термометр (Mega8+DS1307+DS18B20+4LED)
СообщениеДобавлено: Пн ноя 04, 2013 17:49:53 
Первый раз сказал Мяу!
Аватар пользователя

Зарегистрирован: Ср фев 17, 2010 02:02:16
Сообщений: 32
Откуда: Нижний Новгород
Рейтинг сообщения: 0
Ребят, а подскажите, как включить сию схему с полевичками, или, хотя бы пните в нужном направлении, а то я в них не очень, собрал эти часики на uln и BCшках, всё работает без проблем уже полгода, сейчас замыслил сделать на светодиодных лентах, нарезанных кусками, склепал дисплей на мягкой пластиковой подложке от рекламы, теперь сижу, ломаю голову, куда включать светодиод, в цепь стока или истока и какая проводимость куда пойдёт? :dont_know:


Вернуться наверх
 
Не в сети
 Заголовок сообщения: Re: Часы-календарь-термометр (Mega8+DS1307+DS18B20+4LED)
СообщениеДобавлено: Пн ноя 04, 2013 17:59:06 
Друг Кота
Аватар пользователя

Карма: 182
Рейтинг сообщений: 8325
Зарегистрирован: Пт фев 04, 2011 17:57:51
Сообщений: 20026
Откуда: Рыбинск
Рейтинг сообщения: 0
Медали: 1
Лучший человек Форума 2017 (1)
В больших индикаторах схема включения светодиодов в сегменте аналогична включению в ленте, последовательно. А чтобы понять, как будут включаться и управляться полевики, то нужно их тип хотя бы знать, какие задумано использовать.


Вернуться наверх
 
Не в сети
 Заголовок сообщения: Re: Часы-календарь-термометр (Mega8+DS1307+DS18B20+4LED)
СообщениеДобавлено: Пн ноя 04, 2013 18:13:22 
Потрогал лапой паяльник
Аватар пользователя

Карма: 1
Рейтинг сообщений: 194
Зарегистрирован: Пт сен 27, 2013 19:02:55
Сообщений: 370
Рейтинг сообщения: 0
Тут на форуме выкладывалась вот такая схема с полевиками.


Вложения:
Схема часов.JPG [166.19 KiB]
Скачиваний: 1346
Вернуться наверх
 
Не в сети
 Заголовок сообщения: Re: Часы-календарь-термометр (Mega8+DS1307+DS18B20+4LED)
СообщениеДобавлено: Пн ноя 04, 2013 18:37:28 
Друг Кота
Аватар пользователя

Карма: 182
Рейтинг сообщений: 8325
Зарегистрирован: Пт фев 04, 2011 17:57:51
Сообщений: 20026
Откуда: Рыбинск
Рейтинг сообщения: 0
Медали: 1
Лучший человек Форума 2017 (1)
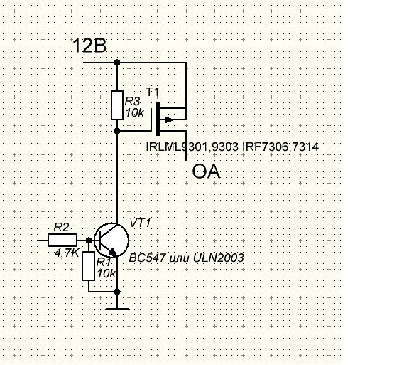
Тут уж больно намудрено, 18 транзисторов :shock: Вполне достаточно 2 ULN2003 и 4 Р мосфета или две сборки 2Р.


Вложения:
Ключ 2.JPG [100.19 KiB]
Скачиваний: 1146
Вернуться наверх
 
Не в сети
 Заголовок сообщения: Re: Часы-календарь-термометр (Mega8+DS1307+DS18B20+4LED)
СообщениеДобавлено: Пн ноя 04, 2013 22:49:07 
Первый раз сказал Мяу!
Аватар пользователя

Зарегистрирован: Ср фев 17, 2010 02:02:16
Сообщений: 32
Откуда: Нижний Новгород
Рейтинг сообщения: 0
Спасибо, то что надо, попробую...


Вернуться наверх
 
Не в сети
 Заголовок сообщения: Re: Часы-календарь-термометр (Mega8+DS1307+DS18B20+4LED)
СообщениеДобавлено: Вт ноя 05, 2013 00:32:26 
Мучитель микросхем
Аватар пользователя

Зарегистрирован: Пн фев 02, 2009 15:00:33
Сообщений: 415
Рейтинг сообщения: 1
можно так попробовать


Вложения:
Комментарий к файлу: 2 варианта
2.rar [144.12 KiB]
Скачиваний: 500
Вернуться наверх
 
Не в сети
 Заголовок сообщения: Re: Часы-календарь-термометр (Mega8+DS1307+DS18B20+4LED)
СообщениеДобавлено: Сб ноя 09, 2013 19:20:33 
Сверлит текстолит когтями
Аватар пользователя

Карма: 6
Рейтинг сообщений: 3
Зарегистрирован: Чт мар 05, 2009 19:51:55
Сообщений: 1122
Откуда: Дырасполь
Рейтинг сообщения: 0
Замечен баг, в прошивке от автора со знаком температуры + - для индикации температуры.
При установке будильников (А1 07-00 А2 07-05) после коррекции времени в 00-25 , последние
(будильники НЕ сработали)
На следующие сутки все прошло ГУД

_________________
ученые долго думали,в чем измерять частоту.... С тех пор и пишут Hz


Вернуться наверх
 
Не в сети
 Заголовок сообщения: Re: Часы-календарь-термометр (Mega8+DS1307+DS18B20+4LED)
СообщениеДобавлено: Пн дек 02, 2013 01:16:26 
Вымогатель припоя
Аватар пользователя

Карма: 2
Рейтинг сообщений: 20
Зарегистрирован: Ср май 05, 2010 20:47:56
Сообщений: 541
Откуда: Украина
Рейтинг сообщения: 0
Неугомонный если Вы сами собираете индикатор из лент то Вам решать с ОК или ОА они будут, а значит делайте индикаторы с ОА и используйте схему приведённую тов. loop только заменив ключи на сегменты и разряды местами (в сегменты 8 N-канальных в разряды 4N+4P-канальных) так Вы сэкономите деньги на ключах (Р-канальные транзисторы дороже и хуже по параметрам) причём N-канальные можно навыковыривать из дохлой материнки.

_________________
I'am a Rock N' Roll-Aholic


Вернуться наверх
 
Не в сети
 Заголовок сообщения: Re: Часы-календарь-термометр (Mega8+DS1307+DS18B20+4LED)
СообщениеДобавлено: Пт дек 27, 2013 08:07:25 
Первый раз сказал Мяу!

Зарегистрирован: Ср мар 27, 2013 06:24:54
Сообщений: 29
Откуда: краматорск
Рейтинг сообщения: 0
Здравствуйте коты давно не был у вас.Есть проблемка собрал часы с ОК без ключей на 5 то ли на 6 странице залил выставил фьюзы вроде провильную частоту 4 MHz,но показывают 0.00 счет не идет и через 5 секунд 30 10 через 5 секунд 0.00 секунда мигает как надо при появлении 30 10 не мигает конпки реагируют как то по дурному появлеетсь будильник хотя я не ставил дополнительные кнопки можнет надо их как то запускать.Менял ds1307 три раза одно и тоже на одной только dsки время разрыва увеличилось между 0,00 и 30 10 секунд на 30 может блок питания какой то особый нужен потомучто ставил один регулируемый до 12 вольтей было мерцание и показывал FFFF при замене блока высветилася 0.00 и 30 10.Выручайте (голова уже скотчем перемотана) может мусор в атмеге 8 (или в голове) :?


Вложения:
Clock-Term-Calendar-Alarm_mega8_OK_B.hex [14.73 KiB]
Скачиваний: 433

_________________
нашел,сделал,закопал
Вернуться наверх
 
Не в сети
 Заголовок сообщения: Re: Часы-календарь-термометр (Mega8+DS1307+DS18B20+4LED)
СообщениеДобавлено: Пт дек 27, 2013 10:50:08 
Встал на лапы
Аватар пользователя

Зарегистрирован: Вт сен 24, 2013 10:11:21
Сообщений: 141
Откуда: борисове поле
Рейтинг сообщения: 0
если счет не идет значит с кварцем какая то беда или в его цепочке ds меняй не меняй а такт ей нужен


Вернуться наверх
 
Не в сети
 Заголовок сообщения: Re: Часы-календарь-термометр (Mega8+DS1307+DS18B20+4LED)
СообщениеДобавлено: Пт дек 27, 2013 23:12:01 
Первый раз сказал Мяу!

Зарегистрирован: Ср мар 27, 2013 06:24:54
Сообщений: 29
Откуда: краматорск
Рейтинг сообщения: 0
кварц менял не помогает не ужели три dsки поломатые :cry:

_________________
нашел,сделал,закопал


Вернуться наверх
 
Не в сети
 Заголовок сообщения: Re: Часы-календарь-термометр (Mega8+DS1307+DS18B20+4LED)
СообщениеДобавлено: Пт дек 27, 2013 23:18:16 
Друг Кота
Аватар пользователя

Карма: 182
Рейтинг сообщений: 8325
Зарегистрирован: Пт фев 04, 2011 17:57:51
Сообщений: 20026
Откуда: Рыбинск
Рейтинг сообщения: 0
Медали: 1
Лучший человек Форума 2017 (1)
Батарейка то у ДСки хоть стоит? И если стоит, то нормальная?


Вернуться наверх
 
Не в сети
 Заголовок сообщения: Re: Часы-календарь-термометр (Mega8+DS1307+DS18B20+4LED)
СообщениеДобавлено: Сб дек 28, 2013 00:17:51 
Встал на лапы
Аватар пользователя

Зарегистрирован: Вт сен 24, 2013 10:11:21
Сообщений: 141
Откуда: борисове поле
Рейтинг сообщения: 0
у меня все часы первоначально запускаются в работу без батареек если уж не работают то батарейка точно не поможет
три дс-ки у товарища врядли могут оказаться нерабочими
а вот ее обвязка может сыграть немаловажную роль


Вернуться наверх
 
Показать сообщения за:  Сортировать по:  Вернуться наверх
Начать новую тему Ответить на тему  [ Сообщений: 2955 ]     ... , , , 100, , , ...  

Часовой пояс: UTC + 3 часа


Кто сейчас на форуме

Сейчас этот форум просматривают: нет зарегистрированных пользователей и гости: 27


Вы не можете начинать темы
Вы не можете отвечать на сообщения
Вы не можете редактировать свои сообщения
Вы не можете удалять свои сообщения
Вы не можете добавлять вложения

Найти:
Перейти:  


Powered by phpBB © 2000, 2002, 2005, 2007 phpBB Group
Русская поддержка phpBB
Extended by Karma MOD © 2007—2012 m157y
Extended by Topic Tags MOD © 2012 m157y