Например TDA7294

Форум РадиоКот • Просмотр темы - Длинный кабель и МК
Форум РадиоКот
Здесь можно немножко помяукать :)

Текущее время: Пт янв 02, 2026 02:21:52

Часовой пояс: UTC + 3 часа


ПРЯМО СЕЙЧАС:



Начать новую тему Ответить на тему  [ Сообщений: 32 ]    , 2
Автор Сообщение
Не в сети
 Заголовок сообщения: Re: Длинный кабель и МК
СообщениеДобавлено: Ср апр 14, 2021 16:36:42 
Мудрый кот

Карма: 11
Рейтинг сообщений: 114
Зарегистрирован: Пт июн 01, 2018 07:28:45
Сообщений: 1759
Рейтинг сообщения: 0
вална-вому Z=50|75|100|150\300\600 в зависимости от типа кабеля

а зачем??? При работе на кнопку? Да и какое волновое у произвольного кабеля? У ВВГ, например?


Вернуться наверх
 
Не в сети
 Заголовок сообщения: Re: Длинный кабель и МК
СообщениеДобавлено: Ср апр 14, 2021 17:21:46 
Открыл глаза

Зарегистрирован: Вт сен 10, 2019 16:18:33
Сообщений: 64
Рейтинг сообщения: 0
подтяжка должна быть равна волговому кабеля +в теале для защит итдет 5в трансил-в идеале вот тока кто в наше время делает по фэн шую? даже в чайна тауне перестали ...

Ухх,что-то я поплыл :shock: ,можете разъяснить по полочкам как и что рассчитывать подтяжку на примере цифр по формулам или тыкнуть,где по данной теме можно почитать информацию


Вернуться наверх
 
Не в сети
 Заголовок сообщения: Re: Длинный кабель и МК
СообщениеДобавлено: Ср апр 14, 2021 17:28:25 
Поставщик валерьянки для Кота

Карма: 12
Рейтинг сообщений: 532
Зарегистрирован: Ср июл 17, 2013 13:55:57
Сообщений: 1978
Рейтинг сообщения: 0
shrus43, да хрень это. Это если б данные какие передавались имело бы значение. А не для кнопки.


Вернуться наверх
 
Не в сети
 Заголовок сообщения: Re: Длинный кабель и МК
СообщениеДобавлено: Ср апр 14, 2021 17:39:35 
Опытный кот
Аватар пользователя

Карма: 4
Рейтинг сообщений: 7
Зарегистрирован: Вт окт 23, 2012 13:17:25
Сообщений: 817
Откуда: Киселевск
Рейтинг сообщения: 0
спасибо за помощь ребята,у меня сейчас подтяжка 10к-этого мало?релюшки и оптопары не хочется городить,300 Ом не жестко будет?вы уже пробовали?


Закон Ома для этого есть.

_________________
Инженер R@D

Telegram чат: https://t.me/radiowolf или в поиске приложения @radiowolf. Личка:@cncoxford


Вернуться наверх
 
Эиком - электронные компоненты и радиодетали
Не в сети
 Заголовок сообщения: Re: Длинный кабель и МК
СообщениеДобавлено: Ср апр 14, 2021 18:32:16 
Мудрый кот

Карма: 11
Рейтинг сообщений: 114
Зарегистрирован: Пт июн 01, 2018 07:28:45
Сообщений: 1759
Рейтинг сообщения: 0
Цитата:
Это если б данные какие передавались имело бы значение.

Точно подтяжка? Про волновое сопротивление линии передачи цифровых данных можно говорить, когда эта самая линия дифференциальная. Но и то, это будет нагрузочный резистор между сигнальными линиями, чтобы не было отражения сигнала обратно в линию. Но никак не подтяжка.
Передача цифровых данных по коаксиалу отмерла ещё в 90-х.


Вернуться наверх
 
Не в сети
 Заголовок сообщения: Re: Длинный кабель и МК
СообщениеДобавлено: Ср апр 14, 2021 19:27:21 
Поставщик валерьянки для Кота

Карма: 12
Рейтинг сообщений: 532
Зарегистрирован: Ср июл 17, 2013 13:55:57
Сообщений: 1978
Рейтинг сообщения: 0
parovoZZ, не подтяжка, в принципе волновое сопротивление нас не интересует для кнопки я имел в виду.
Волновое сопротивление есть не только у коаксиала ) Для того же i2c на дальние расстояния и подтяжка сыграет роль. Но тут совсем о другом.


Вернуться наверх
 
Не в сети
 Заголовок сообщения: Re: Длинный кабель и МК
СообщениеДобавлено: Ср апр 14, 2021 20:10:58 
Мудрый кот

Карма: 11
Рейтинг сообщений: 114
Зарегистрирован: Пт июн 01, 2018 07:28:45
Сообщений: 1759
Рейтинг сообщения: 0
Цитата:
Для того же i2c на дальние расстояния

I2C вообще не межблочный. Он рассчитан только на обмен между микросхемами.

Цитата:
Волновое сопротивление есть не только у коаксиала


У ВВГ оно тоже есть. Но есть несколько НО:
оно неравномерное по всей длине
его производитель не измеряет, не гарантирует и вообще не парится на этот счёт


Поэтому разговоры про волновое сопротивление, когда в тракте нет стабильности этого параметра или оно вообще не известно, считаю просто болтовнёй.


Вернуться наверх
 
Не в сети
 Заголовок сообщения: Re: Длинный кабель и МК
СообщениеДобавлено: Ср апр 14, 2021 20:23:34 
Поставщик валерьянки для Кота

Карма: 12
Рейтинг сообщений: 532
Зарегистрирован: Ср июл 17, 2013 13:55:57
Сообщений: 1978
Рейтинг сообщения: 0
У витой пары Cat. 5E волновое сопротивление 100 Ом. Я вполне использовал её для передачи сигнала на десятки метров. На определенных скоростях приходится считаться с волновым сопротивлением из-за отраженного сигнала.

Цитата:
I2C вообще не межблочный. Он рассчитан только на обмен между микросхемами.

Так было задумано, но не значит, что только так его и можно использовать. Лишь один из примеров от NXP о передаче i2c на 50 метров: https://www.nxp.com/docs/en/application ... N10658.pdf И это на FastMode 400 кГц. На 100 кГц и того дальше "запулить" можно будет )

Добавлено after 2 minutes 42 seconds:
Но давайте вернемся к вопросу ТС - на кабеле кнопка. Тут я думаю мы сошлись всё-таки в том, что в данном случае никакое волновое сопротивление кабеля нас не должно волновать в принципе, в отличии от номинала подтягивающего резистора.


Вернуться наверх
 
Не в сети
 Заголовок сообщения: Re: Длинный кабель и МК
СообщениеДобавлено: Чт апр 15, 2021 01:34:34 
Поставщик валерьянки для Кота
Аватар пользователя

Карма: 41
Рейтинг сообщений: 1219
Зарегистрирован: Ср фев 23, 2011 12:12:31
Сообщений: 2403
Рейтинг сообщения: 0
Медали: 1
Получил миской по аватаре (1)
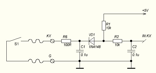
IN KX - ножка МК. Если МК 3.3В то подаём 3,3В а не 5В как на схеме.
Если совсем сыкотно, можно поставить параллельно С2 - стабилитрон на напряжение питания МК или супресор.
Изображение


Вложения:
2021-04-15_013131.jpg [14.45 KiB]
Скачиваний: 266

_________________
Глупый не задает вопросы. Глупый и так все знает.
Вернуться наверх
 
Не в сети
 Заголовок сообщения: Re: Длинный кабель и МК
СообщениеДобавлено: Чт апр 15, 2021 09:42:31 
Друг Кота
Аватар пользователя

Карма: 96
Рейтинг сообщений: 1494
Зарегистрирован: Вт мар 16, 2010 22:02:27
Сообщений: 15336
Откуда: ДОНЕЦК
Рейтинг сообщения: 0
NStorm
"P82B96 I2C Compatible Dual Bidirectional Bus Buffer"
конечно штука неплохая.... судя по даташиту...
вот только ее вживую бы пощупать...
:wink:


Вернуться наверх
 
Не в сети
 Заголовок сообщения: Re: Длинный кабель и МК
СообщениеДобавлено: Чт апр 15, 2021 11:14:06 
Друг Кота
Аватар пользователя

Карма: 123
Рейтинг сообщений: 7959
Зарегистрирован: Сб сен 13, 2014 16:27:32
Сообщений: 39199
Откуда: СпиртоГонск созвездия Омега
Рейтинг сообщения: 0
а зачем? 485 чипы рулят и растояни до кило

_________________
ZМудрость(Опыт и выдержка) приходит с годами.
Все Ваши беды и проблемы, от недостатка знаний.
Умный и у дурака научится, а дураку и ..
Алберт Ейнштейн не поможет и ВВП не спасет.и МЧС опаздает


Вернуться наверх
 
Не в сети
 Заголовок сообщения: Re: Длинный кабель и МК
СообщениеДобавлено: Чт апр 15, 2021 19:27:43 
Друг Кота
Аватар пользователя

Карма: 96
Рейтинг сообщений: 1494
Зарегистрирован: Вт мар 16, 2010 22:02:27
Сообщений: 15336
Откуда: ДОНЕЦК
Рейтинг сообщения: 0
Когда-то был шинный буфер - К589АП16 (ежли шклероз не изменяет)...
Жрал правда по крокодильи...
А эти вроде как современный аналог...
:roll:


Вернуться наверх
 
Показать сообщения за:  Сортировать по:  Вернуться наверх
Начать новую тему Ответить на тему  [ Сообщений: 32 ]    , 2

Часовой пояс: UTC + 3 часа


Кто сейчас на форуме

Сейчас этот форум просматривают: нет зарегистрированных пользователей и гости: 31


Вы не можете начинать темы
Вы не можете отвечать на сообщения
Вы не можете редактировать свои сообщения
Вы не можете удалять свои сообщения
Вы не можете добавлять вложения

Найти:
Перейти:  


Powered by phpBB © 2000, 2002, 2005, 2007 phpBB Group
Русская поддержка phpBB
Extended by Karma MOD © 2007—2012 m157y
Extended by Topic Tags MOD © 2012 m157y