Например TDA7294

Форум РадиоКот • Просмотр темы - Часы на газоразрядных индикаторах
Форум РадиоКот
Здесь можно немножко помяукать :)

Текущее время: Сб ноя 15, 2025 06:38:58

Часовой пояс: UTC + 3 часа


ПРЯМО СЕЙЧАС:



Начать новую тему Ответить на тему  [ Сообщений: 48922 ]     ... , , , 642, , , ...  
Автор Сообщение
Не в сети
 Заголовок сообщения: Re: Часы на газоразрядных индикаторах
СообщениеДобавлено: Ср ноя 09, 2011 23:25:42 
Поставщик валерьянки для Кота
Аватар пользователя

Карма: 11
Рейтинг сообщений: 88
Зарегистрирован: Вт фев 09, 2010 02:04:53
Сообщений: 2018
Откуда: Санкт-Петербург
Рейтинг сообщения: 0
crocodil писал(а):
Гефестион писал(а):
Почему радиоактивную? ) Кстати, светит-то она ярко, но разряд носится по катоду как бешеный даже при номинальном токе :)

МН-3 — лампа с пониженным напряжением горения (около 40 В). Понижение напряжения зажигания достигается наличием радиоактивного элемента на внешнем электроде дампы.
Фигассе! А это не опасно?

crocodil писал(а):
Подключил через 47kOm к 220V. Ничего особенного :? Горит себе оранжевым цветом.
Помню в Р-123 при настройке антенной цепи она переливалась бело-голубо-фиолетовым цветом, очень ярко.
Может добавить ей жару? Мучил кто их, не сдохнет? :cry:
Ну да, она светит обычным оранжевым. Чтобы уменьшить мерцание разряда (чтобы он покрыл весь катод), я давал ток раза в 3 больше номинального, но ничего особенного типа изменения цвета не наблюдалось, только яркость увеличилась. Может быть, такой цвет получается на ВЧ...

_________________
Фак, кот грызёт провод! Сейчас его ударит либо током, либо тапком! ))


Вернуться наверх
 
Не в сети
 Заголовок сообщения: Re: Часы на газоразрядных индикаторах
СообщениеДобавлено: Ср ноя 09, 2011 23:50:05 
Открыл глаза

Карма: 1
Рейтинг сообщений: 2
Зарегистрирован: Сб ноя 08, 2008 06:15:17
Сообщений: 49
Рейтинг сообщения: 0
Выложу и я свое детище. Мои первые часы на ин-14, 155 555 и 176 серии. питание полностью аналоговое от сети. Надеюсь не последние часы дальше будет лучше.


Вложения:
Комментарий к файлу: сзади
0510.jpg [142.63 KiB]
Скачиваний: 2336
Комментарий к файлу: сверху
0509.jpg [163.13 KiB]
Скачиваний: 2214
Комментарий к файлу: перед
0508.jpg [125.1 KiB]
Скачиваний: 2172
Вернуться наверх
 
Не в сети
 Заголовок сообщения: Re: Часы на газоразрядных индикаторах
СообщениеДобавлено: Ср ноя 09, 2011 23:56:09 
Друг Кота
Аватар пользователя

Карма: 50
Рейтинг сообщений: 1398
Зарегистрирован: Пт авг 28, 2009 21:34:30
Сообщений: 7316
Откуда: 845-й км.
Рейтинг сообщения: 0
Медали: 1
Получил миской по аватаре (1)
О, это по-нашему! :beer:
Схема какая известная или своя?
вот только, я надеюсь, под платкой карцевого генератора не находится платка высоковольтного преобразователя...

_________________
А люди посмотрят и скажут: "Собаки летят. Вот и осень."


Вернуться наверх
 
Не в сети
 Заголовок сообщения: Re: Часы на газоразрядных индикаторах
СообщениеДобавлено: Чт ноя 10, 2011 00:07:18 
Открыл глаза

Карма: 1
Рейтинг сообщений: 2
Зарегистрирован: Сб ноя 08, 2008 06:15:17
Сообщений: 49
Рейтинг сообщения: 0
схема была взята за основу типовая на 155 логике но потом я заменил генератор с делителями на одну микруху 176ие5.
А под платой генератора находится плата с преобразователем уровня 176пу3 и стабилитрон с кондером для питания генератора.


Вернуться наверх
 
Эиком - электронные компоненты и радиодетали
Не в сети
 Заголовок сообщения: Re: Часы на газоразрядных индикаторах
СообщениеДобавлено: Чт ноя 10, 2011 00:26:46 
Поставщик валерьянки для Кота
Аватар пользователя

Карма: 11
Рейтинг сообщений: 88
Зарегистрирован: Вт фев 09, 2010 02:04:53
Сообщений: 2018
Откуда: Санкт-Петербург
Рейтинг сообщения: 0
uldemir писал(а):
вот только, я надеюсь, под платкой карцевого генератора не находится платка высоковольтного преобразователя...
По-моему, там вообще нет преобразователя. Либо сетевой транс имеет обмотку на 200в, либо прямо от сети.

_________________
Фак, кот грызёт провод! Сейчас его ударит либо током, либо тапком! ))


Вернуться наверх
 
Не в сети
 Заголовок сообщения: Re: Часы на газоразрядных индикаторах
СообщениеДобавлено: Чт ноя 10, 2011 07:28:16 
Друг Кота
Аватар пользователя

Карма: 38
Рейтинг сообщений: 549
Зарегистрирован: Пн июл 14, 2008 21:28:00
Сообщений: 10687
Откуда: Москва
Рейтинг сообщения: 0
zverotechnik
поздравяю! конструкция в виде слоеного пирога и даже трубчатые кондеры)))

_________________
Ищу тиратрон ТХИ1-2000/4, ГРИ ИН-23, ФЭУ-103; 134; 135, 138, 155, 157, лампу ИСШ-7.
Любые ГИС серий 203, 225, 233, 244, 250, 296, 801, 838 в любом состоянии. Компоненты и детали от миниатюрных твердотельных лазеров.


Вернуться наверх
 
Не в сети
 Заголовок сообщения: Re: Часы на газоразрядных индикаторах
СообщениеДобавлено: Чт ноя 10, 2011 08:18:23 
Мучитель микросхем
Аватар пользователя

Карма: 2
Рейтинг сообщений: 6
Зарегистрирован: Пн фев 11, 2008 20:14:38
Сообщений: 403
Откуда: Москва
Рейтинг сообщения: 0
у меня по моему 60% всех кондеров трубчатые, этакая эпоха 80-х ))))

_________________
Плюс - минус = заряд, фаза - ноль = ???


Вернуться наверх
 
 Заголовок сообщения: Re: Часы на газоразрядных индикаторах
СообщениеДобавлено: Чт ноя 10, 2011 08:45:33 
Гефестион писал(а):
Может быть, такой цвет получается на ВЧ...

Вероятно да.. В радиостанции вокруг патрона, в котором она стояла, была навита ВЧ-катушка :roll:


Вернуться наверх
   
 
Не в сети
 Заголовок сообщения: Re: Часы на газоразрядных индикаторах
СообщениеДобавлено: Чт ноя 10, 2011 09:45:10 
Мучитель микросхем
Аватар пользователя

Карма: 2
Рейтинг сообщений: 6
Зарегистрирован: Пн фев 11, 2008 20:14:38
Сообщений: 403
Откуда: Москва
Рейтинг сообщения: 0
UserLuser писал(а):
Доброго времени суток уважаемые форумчане.
Как то случайно наткнулся в интернете на тему с ламповыми часами, и влюбился с первого взгляда.
Оооочень хочу себе такие же, но не купить, а сделать самому.
Раздобыл индикаторы ид12а.
Учусь уже на 4 курсе, но полный профан в этом деле, паяльником работал все пару раз.
Обладаю лишь некоторыми теоретическими знаниями.

Много всего интересного прочитал в этой теме.
Думаю сделать на 4-х индикаторах (часы, минуты), будильник тоже не особо нужен.

И собственно хочу спросить с чего начать?!
Какой проэкт легче всего сделать, что купить и т.п.
Лиха, беда начало! :))


по моему опытку, для начала я бы порекомендовал КР145ик1901, это по сути уже готовые часы, нужно только задающий генератор собрать, а индикаторы пойдут либо родной ивл1-7/2 либо как вариант ив-22

_________________
Плюс - минус = заряд, фаза - ноль = ???


Вернуться наверх
 
Не в сети
 Заголовок сообщения: Re: Часы на газоразрядных индикаторах
СообщениеДобавлено: Чт ноя 10, 2011 10:44:20 
Друг Кота
Аватар пользователя

Карма: 50
Рейтинг сообщений: 1398
Зарегистрирован: Пт авг 28, 2009 21:34:30
Сообщений: 7316
Откуда: 845-й км.
Рейтинг сообщения: 0
Медали: 1
Получил миской по аватаре (1)
slyberkut писал(а):
а индикаторы пойдут либо родной ивл1-7/2 либо как вариант ив-22
Только это совсем не газоразряд, а попсовый ВЛИ. Давайте все же фильтровать, а не валить всё, что в стекле к газоразрядным индикаторам. А 145ик1901 сопрягать с ГРИ с использованием ПЛМ, как здесь пробегала схема, даже я не возьмусь, за неимением программатора и опыта. Да и потребление их по нонешним меркам изрядное (Хотя главная причина - отсутствие этой к145...).

_________________
А люди посмотрят и скажут: "Собаки летят. Вот и осень."


Вернуться наверх
 
Не в сети
 Заголовок сообщения: Re: Часы на газоразрядных индикаторах
СообщениеДобавлено: Чт ноя 10, 2011 11:37:49 
Мучитель микросхем
Аватар пользователя

Карма: 2
Рейтинг сообщений: 6
Зарегистрирован: Пн фев 11, 2008 20:14:38
Сообщений: 403
Откуда: Москва
Рейтинг сообщения: 0
uldemir писал(а):
slyberkut писал(а):
а индикаторы пойдут либо родной ивл1-7/2 либо как вариант ив-22
Только это совсем не газоразряд, а попсовый ВЛИ. Давайте все же фильтровать, а не валить всё, что в стекле к газоразрядным индикаторам. А 145ик1901 сопрягать с ГРИ с использованием ПЛМ, как здесь пробегала схема, даже я не возьмусь, за неимением программатора и опыта. Да и потребление их по нонешним меркам изрядное (Хотя главная причина - отсутствие этой к145...).



ну мне тут схемка попадалась, там даже программировать ничего не надо, Славик по моему подключал так, и на выходе Инка стояла, ну вот с наличием при желании поискать можно, уверен что на митьках есть, в платане точно есть, вот только питания она хочет 27В...

_________________
Плюс - минус = заряд, фаза - ноль = ???


Вернуться наверх
 
Не в сети
 Заголовок сообщения: Re: Часы на газоразрядных индикаторах
СообщениеДобавлено: Чт ноя 10, 2011 11:41:02 
Поставщик валерьянки для Кота
Аватар пользователя

Карма: 11
Рейтинг сообщений: 201
Зарегистрирован: Чт фев 21, 2008 04:08:15
Сообщений: 2472
Откуда: Омск
Рейтинг сообщения: 0
Уж проще на любом процессоре часики сделать чем лепить на 145ик1901.
Я понимаю когда ещё 155 серия в керамике и золоте, кондёры КМ зелёные, кварц в стекле с позолотой и тому подобное. Вот это старина будет раритетная!
А 145ик1901 это полный отстой!

Вчера конверторы SMD всплывали волею суслогона http://www.ogilumen.com/guides/adapter12v.pdf

_________________
Мы так далеко откатились назад, что прошлое стало будущим.


Вернуться наверх
 
Не в сети
 Заголовок сообщения: Re: Часы на газоразрядных индикаторах
СообщениеДобавлено: Чт ноя 10, 2011 11:51:03 
Мучитель микросхем
Аватар пользователя

Карма: 2
Рейтинг сообщений: 17
Зарегистрирован: Пн янв 24, 2011 14:42:18
Сообщений: 438
Откуда: Крым
Рейтинг сообщения: 0
Rokl писал(а):
Zorndaik писал(а):
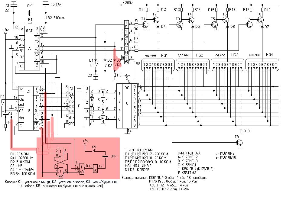
...После почти года осваивания теории по электронным часам я сейчас приступил к разводке часиков по схеме от Рокла (1стр).
Кстати, на ней у К561ПУ4 опечатка - напротив 15 ноги должна быть (на схеме) 14, а не 4.


УПС...так на схеме и стоит 14...(14 нога это вход 4-го повторителя. выход 4-го повторителя - нога15).Во всяком случае у меня так нарисовано.
Кстати, С2 сразу ставь 33п, а то с 15п не всегда работает генератор.

И вместо диодного моста (DM1)лучше поставить один диод, желательно высокочастотный т.к. завод изготовитель ИН-8-2 рекомендует использовать для ламп ИН8-2 однополупериодное выпрямление без фильтра при среднем токе около 1ма.

И последнее. Я бы рекомендавал схему на КР145ИК1901. По количеству корпусов одинаково, а по функционалу ИК1901 выигрывает у 176 серии.


На схеме с 1 страницы (вот она - download/file.php?id=1356) напротив 15 ноги стоит четверка.
По поводу 145 - к сожалению у меня нет возможности достать эту микру.


Вернуться наверх
 
Не в сети
 Заголовок сообщения: Re: Часы на газоразрядных индикаторах
СообщениеДобавлено: Чт ноя 10, 2011 11:52:34 
Друг Кота
Аватар пользователя

Карма: 50
Рейтинг сообщений: 1398
Зарегистрирован: Пт авг 28, 2009 21:34:30
Сообщений: 7316
Откуда: 845-й км.
Рейтинг сообщения: 0
Медали: 1
Получил миской по аватаре (1)
А к145 - это тоже микроконтроллер. только масочно программируемый. на заводе раз и навсегда. Вот бы атмель выпустил бы кристалл с выходами open drain и допустимым напряжением на этом выходе 250 вольт...
slavector писал(а):
Вчера конверторы SMD всплывали волею суслогона
К чему это? у него input 120 вольт...

_________________
А люди посмотрят и скажут: "Собаки летят. Вот и осень."


Вернуться наверх
 
Не в сети
 Заголовок сообщения: Re: Часы на газоразрядных индикаторах
СообщениеДобавлено: Чт ноя 10, 2011 12:12:57 
Поставщик валерьянки для Кота
Аватар пользователя

Карма: 11
Рейтинг сообщений: 201
Зарегистрирован: Чт фев 21, 2008 04:08:15
Сообщений: 2472
Откуда: Омск
Рейтинг сообщения: 0
uldemir писал(а):
К чему это? у него input 120 вольт...

Ошибка вышла... :) Вот правильная ссылка.
http://www.ogilumen.com/guides/hvsmps.pdf

_________________
Мы так далеко откатились назад, что прошлое стало будущим.


Последний раз редактировалось slavector Чт ноя 10, 2011 12:13:37, всего редактировалось 1 раз.

Вернуться наверх
 
Не в сети
 Заголовок сообщения: Re: Часы на газоразрядных индикаторах
СообщениеДобавлено: Чт ноя 10, 2011 12:13:22 
Мучитель микросхем
Аватар пользователя

Карма: 2
Рейтинг сообщений: 17
Зарегистрирован: Пн янв 24, 2011 14:42:18
Сообщений: 438
Откуда: Крым
Рейтинг сообщения: 0
uldemir писал(а):
А к145 - это тоже микроконтроллер. только масочно программируемый. на заводе раз и навсегда. Вот бы атмель выпустил бы кристалл с выходами open drain и допустимым напряжением на этом выходе 250 вольт...

Насколько мне известно, такими высокими напряжениями у нас балует только супертекс.


Вернуться наверх
 
Не в сети
 Заголовок сообщения: Re: Часы на газоразрядных индикаторах
СообщениеДобавлено: Чт ноя 10, 2011 12:28:46 
Друг Кота
Аватар пользователя

Карма: 38
Рейтинг сообщений: 549
Зарегистрирован: Пн июл 14, 2008 21:28:00
Сообщений: 10687
Откуда: Москва
Рейтинг сообщения: 0
эти
http://www.ogilumen.com/index.php
ЗЛЕЙШИЕ барыги!!!!

:shock: :shock: :shock:

_________________
Ищу тиратрон ТХИ1-2000/4, ГРИ ИН-23, ФЭУ-103; 134; 135, 138, 155, 157, лампу ИСШ-7.
Любые ГИС серий 203, 225, 233, 244, 250, 296, 801, 838 в любом состоянии. Компоненты и детали от миниатюрных твердотельных лазеров.


Вернуться наверх
 
Не в сети
 Заголовок сообщения: Re: Часы на газоразрядных индикаторах
СообщениеДобавлено: Чт ноя 10, 2011 13:27:41 
Поставщик валерьянки для Кота
Аватар пользователя

Карма: 11
Рейтинг сообщений: 201
Зарегистрирован: Чт фев 21, 2008 04:08:15
Сообщений: 2472
Откуда: Омск
Рейтинг сообщения: 0
Это не они барыги, это у нас в стране зарплаты маленькие!!! :)))

_________________
Мы так далеко откатились назад, что прошлое стало будущим.


Вернуться наверх
 
Не в сети
 Заголовок сообщения: Re: Часы на газоразрядных индикаторах
СообщениеДобавлено: Чт ноя 10, 2011 14:54:20 
Друг Кота
Аватар пользователя

Карма: 50
Рейтинг сообщений: 1398
Зарегистрирован: Пт авг 28, 2009 21:34:30
Сообщений: 7316
Откуда: 845-й км.
Рейтинг сообщения: 0
Медали: 1
Получил миской по аватаре (1)
Нет, он вправду стоит безобразно дорого. Столько он стоил бы, если бы его изготовили в одном экземпляре (печатка всё съела бы). Если хотя бы сотню - было бы гораздо дешевле.

_________________
А люди посмотрят и скажут: "Собаки летят. Вот и осень."


Вернуться наверх
 
Не в сети
 Заголовок сообщения: Re: Часы на газоразрядных индикаторах
СообщениеДобавлено: Чт ноя 10, 2011 15:05:31 
Опытный кот

Зарегистрирован: Вс май 02, 2010 11:08:47
Сообщений: 731
Откуда: Los Angeles
Рейтинг сообщения: 0
suslogon писал(а):
эти
http://www.ogilumen.com/index.php
ЗЛЕЙШИЕ барыги!!!!

:shock: :shock: :shock:



Конечно барыги вы видели за сколько они продают ин-12? еще и доставка если будет вообще ужас!


Вернуться наверх
 
Показать сообщения за:  Сортировать по:  Вернуться наверх
Начать новую тему Ответить на тему  [ Сообщений: 48922 ]     ... , , , 642, , , ...  

Часовой пояс: UTC + 3 часа


Кто сейчас на форуме

Сейчас этот форум просматривают: нет зарегистрированных пользователей и гости: 34


Вы не можете начинать темы
Вы не можете отвечать на сообщения
Вы не можете редактировать свои сообщения
Вы не можете удалять свои сообщения
Вы не можете добавлять вложения

Найти:
Перейти:  


Powered by phpBB © 2000, 2002, 2005, 2007 phpBB Group
Русская поддержка phpBB
Extended by Karma MOD © 2007—2012 m157y
Extended by Topic Tags MOD © 2012 m157y