Например TDA7294

Форум РадиоКот • Просмотр темы - Часы на газоразрядных индикаторах
Форум РадиоКот
Здесь можно немножко помяукать :)

Текущее время: Ср янв 14, 2026 19:01:23

Часовой пояс: UTC + 3 часа


ПРЯМО СЕЙЧАС:



Начать новую тему Ответить на тему  [ Сообщений: 48934 ]     ... , , , 13, , , ...  
Автор Сообщение
Не в сети
 Заголовок сообщения:
СообщениеДобавлено: Вт июл 08, 2008 12:11:37 
Мучитель микросхем
Аватар пользователя

Зарегистрирован: Ср дек 26, 2007 18:33:00
Сообщений: 422
Рейтинг сообщения: 0
SLvik писал(а):
Даи потом, если уже сейчас их нет то потом вообще не найдёшь.
Да и применялись они в своё время не ахти как часто поэтому их мало,
а таких как ИН4, ИН12А, ИН16, ИН17 и др. полно но тоже до поры до времени их тоже не будет через пару лет и будут гонятся за ними как сейчас за ИН18ми.
К стати их сейчас и за 1000р не найти, а через интернет просто нереально разметают влёт кому не напишешь - проданы.
А мне надо то их всего на одни часы - для себя, не на продажу.


Ну на всю жизнь все равно не напасешься лампочек, какой-то разумный запас сделать можно. По поводу ИН-18 очень часто появляются тут:

http://search.ebay.com/search/search.dl ... category0=

Вот и сейсас за 164$ можно 6 штук оттяпать :)) :
http://cgi.ebay.com/IN-18-Nixie-Tubes-T ... dZViewItem

Вы посмотрите на этих красавцев:
http://cgi.ebay.com/15-pcs-Colossal-NIX ... dZViewItem

Просто огромные монстры .
На верху ещё надпись, "опытная". ИЛЦ1-1/7

Изображение
Изображение


Вернуться наверх
 
Не в сети
 Заголовок сообщения:
СообщениеДобавлено: Вт июл 08, 2008 18:50:48 
Друг Кота
Аватар пользователя

Карма: 46
Рейтинг сообщений: 977
Зарегистрирован: Ср май 28, 2008 00:32:54
Сообщений: 7618
Откуда: г. Россия
Рейтинг сообщения: 0
Вот вот с пересылкой 1000р за лампу и выйдет.
Кстати лампы находятся на Украине.

Не видел таких огромных люминесцентных индикаторов,
да я и не фанат люминесцентных индикаторов, хотя и собрал электровспоминатель на ИВ17 - просто они были под рукой.

А лучше собирать на светодиодных индикаторах и жрать будет меньше и БП простой не надо заморачиваться с накалом и -30v.
Я например взял БП от DVD плеера Rolsen.

К тому же срок службы у них не очень.
У меня на центряке за 7 лет подсел индикатор, хотя я покупал его
тогда, когда фуфла не делали хоть и не Япония, но за 15 лет ни одной поломки кроме замены пассиков на деках.
Что самое смешное я поменял пассики лет 5 назад, но кассетами не пользовался и сейчас они опять сдохли спрашивается зачем я их менял, но уже больше не буду. Оригинальные пассики послужили 10 лет и стали тянуться, а те на которые поменял около трёх лет порепались и порвались.

Вот такие лампы бы найти но... :cry:
http://lampilich.narod.ru/ind_elt/ind/in23.html


Вернуться наверх
 
Не в сети
 Заголовок сообщения:
СообщениеДобавлено: Вт июл 08, 2008 18:53:26 
Друг Кота
Аватар пользователя

Карма: 46
Рейтинг сообщений: 977
Зарегистрирован: Ср май 28, 2008 00:32:54
Сообщений: 7618
Откуда: г. Россия
Рейтинг сообщения: 0
Да забыл
"Опытная" наверное имеется ввиду партия их по моему особо так не выпускали, по крайней мере я нигде ихне видел.


Вернуться наверх
 
Не в сети
 Заголовок сообщения:
СообщениеДобавлено: Ср июл 09, 2008 13:36:04 
Мучитель микросхем
Аватар пользователя

Зарегистрирован: Ср дек 26, 2007 18:33:00
Сообщений: 422
Рейтинг сообщения: 0
SLvik писал(а):
Не видел таких огромных люминесцентных индикаторов,
да я и не фанат люминесцентных индикаторов, хотя и собрал электровспоминатель на ИВ17 - просто они были под рукой.


К тому же срок службы у них не очень.
У меня на центряке за 7 лет подсел индикатор, хотя я покупал его
тогда, когда фуфла не делали хоть и не Япония, но за 15 лет ни одной поломки кроме замены пассиков на деках.


Зарубежные люминисцентные инидкаторы не ровня нашим. У меня у бабушки часы на них работают, конец 70-х, и еще в строю. Кста у некоторых ИВ по паспорту наработка 10000ч, так же как у ИН-14. А у некоторых ИН ресурс не более 500-3000ч, хотя реально они работают и больше :)) Так что тут как повезет.

У меня видак есть 94г, тоже подсели инидикаторы, причем видак работал-то не круглые сутки, а в последнее время не помню когда и включал.


Вернуться наверх
 
Эиком - электронные компоненты и радиодетали
Не в сети
 Заголовок сообщения:
СообщениеДобавлено: Ср июл 09, 2008 17:46:35 
Модератор
Аватар пользователя

Карма: 46
Рейтинг сообщений: 236
Зарегистрирован: Чт окт 27, 2005 18:50:07
Сообщений: 11169
Откуда: из мест не столь отдалённых
Рейтинг сообщения: 0
Медали: 2
Получил миской по аватаре (1) Мявтор 3-й степени (1)
Стоит старый прибор, в нём 8 шт ИН-ов. Если интересно- пишите в ЛС.


Вернуться наверх
 
Не в сети
 Заголовок сообщения:
СообщениеДобавлено: Ср июл 09, 2008 17:49:41 
Друг Кота
Аватар пользователя

Карма: 46
Рейтинг сообщений: 977
Зарегистрирован: Ср май 28, 2008 00:32:54
Сообщений: 7618
Откуда: г. Россия
Рейтинг сообщения: 0
Цитата:
Зарубежные люминисцентные инидкаторы не ровня нашим. У меня у бабушки часы на них работают, конец 70-х, и еще в строю.


Не факт.
Да уменя тоже валяются часы на 4х ИВ12х тех лет - да до сих пор работают, но было несколько раз менял индикаторы по моему ИЛЦ
часовые там четыре цифры и точки тоже плоские большие и маленькие. Может качество от завода зависит и от года выпуска.
Вспомните как в советские времена быстро садились кинескопы, бывало гарантийный срок не дорабатывали а какие кучи радиоламп валялись в мусорке нашего бывшего телеателье когда в ходу были ч/б телевизоры.


Вернуться наверх
 
Не в сети
 Заголовок сообщения:
СообщениеДобавлено: Чт июл 10, 2008 21:09:30 
Мучитель микросхем
Аватар пользователя

Зарегистрирован: Ср дек 26, 2007 18:33:00
Сообщений: 422
Рейтинг сообщения: 0
SLvik писал(а):
Цитата:
Зарубежные люминисцентные инидкаторы не ровня нашим. У меня у бабушки часы на них работают, конец 70-х, и еще в строю.


Не факт.
Да уменя тоже валяются часы на 4х ИВ12х тех лет - да до сих пор работают, но было несколько раз менял индикаторы по моему ИЛЦ
часовые там четыре цифры и точки тоже плоские большие и маленькие. Может качество от завода зависит и от года выпуска.
Вспомните как в советские времена быстро садились кинескопы, бывало гарантийный срок не дорабатывали а какие кучи радиоламп валялись в мусорке нашего бывшего телеателье когда в ходу были ч/б телевизоры.


Ну с ИН все проще, закачал газ и все. С ИВ сложнее катоды равномерно нанести, раствор для катодов приготовить. У меня тоже есть ИЛЦ2-5/7, некоторые сегменты тусклее остальных, хотя индикатор новый. И в ИВ-4 такие тоже попадались. Но все же в этих индикаторах есть свой шарм :))

ЗЫ И среди наших ИВ есть не ахти, но если они работают, то уж 100% дольше зарубежных.


Вернуться наверх
 
Не в сети
 Заголовок сообщения:
СообщениеДобавлено: Чт июл 10, 2008 22:23:35 
Друг Кота
Аватар пользователя

Карма: 46
Рейтинг сообщений: 977
Зарегистрирован: Ср май 28, 2008 00:32:54
Сообщений: 7618
Откуда: г. Россия
Рейтинг сообщения: 0
Цитата:
Ну с ИН все проще, закачал газ и все.


Интересно как? легче выкинуть и купить новую - если есть.
К томуже лампы типа ИН не стареют исключая случаи протечки воздуха в местах спая выводов со стеклом и при долгой работе особенно на предельных токах - оседания металла с катодов на стекло баллона изза чего лампа чернеет.

Цитата:
С ИВ сложнее катоды равномерно нанести, раствор для катодов приготовить.


См выше - как и кому это надо главный враг таких ламп оксидный котод который от времени теряет эмиссию - поэтому под нитями накала при стареющей лампе люминофор светится ярче - сколько раз замечал.

Цитата:
У меня тоже есть ИЛЦ2-5/7, некоторые сегменты тусклее остальных, хотя индикатор новый. И в ИВ-4 такие тоже попадались.


Не знаю не попадались такие экземпляры - было, что новая лампа после замены сдыхала через год, но новые обычно нормально светятся вот например мои ИВ17е 1979г выпуска и все сегменты светятся нормально см. фотки выше.
Может вам попались Б.У. у новых вывода не обрезанные длиной 4см.

Цитата:
Но все же в этих индикаторах есть свой шарм


На вкус и цвет...... как говорится. Мне всё же ИНы нравятся больше.
Мне тут на рынке сказали нах они тебе нужны собери на светодиодных.
Ну что тут скажешь....................


Вернуться наверх
 
Не в сети
 Заголовок сообщения:
СообщениеДобавлено: Пт июл 11, 2008 13:55:10 
Мучитель микросхем
Аватар пользователя

Зарегистрирован: Ср дек 26, 2007 18:33:00
Сообщений: 422
Рейтинг сообщения: 0
SLvik писал(а):
Цитата:
Ну с ИН все проще, закачал газ и все.


Интересно как? легче выкинуть и купить новую - если есть.
К томуже лампы типа ИН не стареют исключая случаи протечки воздуха в местах спая выводов со стеклом и при долгой работе особенно на предельных токах - оседания металла с катодов на стекло баллона изза чего лампа чернеет.




Я имел ввиду что в технологическом плане легче, только железки и газ.


Вернуться наверх
 
Не в сети
 Заголовок сообщения:
СообщениеДобавлено: Сб июл 19, 2008 19:19:54 
Друг Кота
Аватар пользователя

Карма: 46
Рейтинг сообщений: 977
Зарегистрирован: Ср май 28, 2008 00:32:54
Сообщений: 7618
Откуда: г. Россия
Рейтинг сообщения: 0
DVD-ROM был, теперь помучаем флопик.

Часы на ИН2 - плохой угол обзора около 30-40 гр. + плохая видимость некоторых цифр - сказавается большое количество цифр одна за другой в малом объёме.

Изображение

Изображение


Вложения:
IMG_1975.jpg [43.27 KiB]
Скачиваний: 11762
IMG_1979.jpg [42.04 KiB]
Скачиваний: 11646


Последний раз редактировалось SLvik Сб мар 27, 2010 21:16:37, всего редактировалось 1 раз.
Вернуться наверх
 
Не в сети
 Заголовок сообщения:
СообщениеДобавлено: Ср июл 23, 2008 13:51:31 
Мучитель микросхем
Аватар пользователя

Зарегистрирован: Чт ноя 23, 2006 22:47:35
Сообщений: 487
Рейтинг сообщения: 0
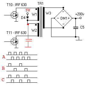
Экспериментирую с преобразователем в 200в по схеме Rokl
http://www.radiokot.ru/forum/download.php?id=1393

Если я транс намотал на Ш-образном феррите от компового БП. (такие маленькие трансформаторчеги). Зазор надо делать или нет? В работе он не греицо, но т.к. склеен пока соплями, я не пойму есть там какой зазор или нет. Перед окончательной сборкой хочу сделать все как надо. Первички я намотал по 70 витков 0,15, вторички около 1000-1500 (сам точно не знаю) :))) 0,08. Пока на выходе 140вольт, но даже этого хватает для нормального свечения.

Для чего нужен диод D4?

Еще вся эта байда питаицо от 5 вольт. Я пока заместо IRF630 поставил КТ819. Если я заменю их на IRFки, будут ли они открывацо от 5 вольт ТТЛ. А вобще я хотел бы поставить другие мосфеты, у меня есть по 2 штуки в одном SO-8 корпусе. Как там по даташиту определить будут они открывацо или нет. По току нагрузки все подходят. И вообще научите пользовацо мосфетами :)).


Вернуться наверх
 
Не в сети
 Заголовок сообщения:
СообщениеДобавлено: Чт июл 24, 2008 11:39:50 
Мучитель микросхем
Аватар пользователя

Зарегистрирован: Ср дек 26, 2007 18:33:00
Сообщений: 422
Рейтинг сообщения: 0
SLvik C ИН-2 сталкивался. Сетка анода в ваших ИН очень толстая, ухудшает видимость значительно. Я видел более старые ИН-2, в них сетка более тонкая, такая как в люминисцентных индикаторах. Видимость цифр более лучшая.


Вернуться наверх
 
Не в сети
 Заголовок сообщения:
СообщениеДобавлено: Чт июл 24, 2008 12:10:29 
Мучитель микросхем
Аватар пользователя

Зарегистрирован: Ср дек 26, 2007 18:33:00
Сообщений: 422
Рейтинг сообщения: 0
Pahan писал(а):
Экспериментирую с преобразователем в 200в по схеме Rokl
http://www.radiokot.ru/forum/download.php?id=1393

Если я транс намотал на Ш-образном феррите от компового БП. (такие маленькие трансформаторчеги). Зазор надо делать или нет? В работе он не греицо, но т.к. склеен пока соплями, я не пойму есть там какой зазор или нет. Перед окончательной сборкой хочу сделать все как надо. Первички я намотал по 70 витков 0,15, вторички около 1000-1500 (сам точно не знаю) :))) 0,08. Пока на выходе 140вольт, но даже этого хватает для нормального свечения.

Для чего нужен диод D4?

Еще вся эта байда питаицо от 5 вольт. Я пока заместо IRF630 поставил КТ819. Если я заменю их на IRFки, будут ли они открывацо от 5 вольт ТТЛ. А вобще я хотел бы поставить другие мосфеты, у меня есть по 2 штуки в одном SO-8 корпусе. Как там по даташиту определить будут они открывацо или нет. По току нагрузки все подходят. И вообще научите пользовацо мосфетами :)).


Схема преобразователя Rokl не лишена недостатков, поэтому на мой взгляд, годится только для экспериментов (большое число витков, много микросхем, нет ОС).
Диод D4 нужен, для того, чтоб в источник питания не возвращалась ЭДС трансформатора. Только до диода следует обязательно поставить электролит 100-400мкф и керамику, чтоб этой ЭДС было куда деваться :)) .
Зазор в вашем варианте не нужен. Зазор используется для таких схем:
http://ru.wikipedia.org/wiki/Обратноходовый_преобразователь
Посмотрите еще тут: http://www.powerdesigners.com/InfoWeb/d ... erter.shtm Начиная с главы 4. Isolated DC-DC Converters
Поставьте лучше полевые транзюки, у них ток затвора маленький, ими легче управлять. Основными преимуществами полевых транзисторов перед биполярными является высокое входное сопротивление, малые шумы, отсутствие остаточного напряжения между истоком и стоком открытого транзистора, малые нелинейные искажения. По поводу примения МДП транзюков посмотрите эту или подобную книжку:
http://www.bizbooks.com.ua/catalog/det. ... 163&lang=1
Глава 6.5. Применение мощных МДП-транзисторов в импульсных источниках питания 304


Вернуться наверх
 
Не в сети
 Заголовок сообщения:
СообщениеДобавлено: Чт июл 24, 2008 21:57:27 
Мучитель микросхем
Аватар пользователя

Зарегистрирован: Чт ноя 23, 2006 22:47:35
Сообщений: 487
Рейтинг сообщения: 0
v000va писал(а):
Схема преобразователя Rokl не лишена недостатков, поэтому на мой взгляд, годится только для экспериментов (большое число витков, много микросхем, нет ОС).


большое число витков - для меня не критично

много микросхем - от схемы я взял тока ключи и далее по схеме, а импульсы управления пока идут от контроллера (на макетке) и я специально прогу написал. Пробую разную частоту и комбинацию импульсов.

нет ОС - согласен, но есть отмазка. Яркость индикаторов почти не зависит от питающего напряжения (где-то от 160 до 200 вольт). Поэтому оно может плавать в большом диапазоне, а заметно почти не будет. И к тому же большой плюс - простота схемы.

Теперь вопросы:
Изображение

v000va писал(а):
Диод D4 нужен, для того, чтоб в источник питания не возвращалась ЭДС трансформатора. Только до диода следует обязательно поставить электролит 100-400мкф и керамику, чтоб этой ЭДС было куда деваться

Это вот так - как я красным нарисовал? :oops:

Какая частота импульсов оптимальна для данной схемы?
какая последовательность чередования импульсов оптимальна (A, B или C).
У меня во время опытов выходное напряжение менялось в зависимости от этих параметров от 140 до 200 вольт. А ток потребления от 5 вольт от 390mA (при последовательности импульсов A) до 80mA (при последовательности B), но тогда малО выходное напряжение.
Хочецо подобрать самый экономичный и оптимальный вариант.

v000va писал(а):
Поставьте лучше полевые транзюки, у них ток затвора маленький, ими легче управлять. Основными преимуществами полевых транзисторов перед биполярными ....

Ну так я и хочу их поставить, но в них не шарю. Потому и спросил как определить по даташиту будет тот или иной тип открывацо от ТТЛ уровня или нет. У меня же все питание 5 вольт. Вот ща попробовал - в одном плече заместо кт819 впаял IRF640. На глаз работает точно также.


Вложения:
preobr.gif [2.54 KiB]
Скачиваний: 1340
Вернуться наверх
 
Не в сети
 Заголовок сообщения:
СообщениеДобавлено: Пт июл 25, 2008 10:53:01 
Мучитель микросхем
Аватар пользователя

Зарегистрирован: Ср дек 26, 2007 18:33:00
Сообщений: 422
Рейтинг сообщения: 0
Да, конденсатор вы нарисовали правильно. По поводу оптимальной частоты импульсов, сказать нельзя. Трансформатор, как и любую схему нужно расчитывать на определенную частоту, число витков. С частотой вам прийдется самому экспериментировать, если считать не охота. По поводу тока: на низкой частоте у вас сердечник может насыщаться при заданном числе витков первички и при этом его магнитные свойства теряются, и ток потребления возрастает. На высокой частоте сердечник может не достаточно намагнититься и не сможет передать во вторичную обмотку достаточную ЭДС. Как видите трансформаторы дело тонкое :)) и с частотой и витками нужно играться :))

Для вашей схемы оптимальна комбинация импульсов А, без паузы в нуле, т.к. на выходе будет меньше гармоник.

По поводу транзюков, смотрите выходную характеристику при заданном Uзи. Ваши транзюки (irf640) от 5 вольтработать будут.

Обратитесь к этой книге, в ней много полезного, в т.ч. и примеры расчета.
скачать тут:
http://publ.lib.ru/ARCHIVES/N/NAYVEL'T_ ... G._S..html

А тут есть содержание и фото:
http://vova1001.narod.ru/00005990.htm


Вернуться наверх
 
Не в сети
 Заголовок сообщения:
СообщениеДобавлено: Пт июл 25, 2008 22:57:33 
Мучитель микросхем
Аватар пользователя

Зарегистрирован: Чт ноя 23, 2006 22:47:35
Сообщений: 487
Рейтинг сообщения: 0
v000va спасибо за подробный ответ

v000va писал(а):
С частотой вам прийдется самому экспериментировать, если считать не охота.


Да посчитать тоже можно было бы, если б формулы знать :))). А я в этой области не рублю. Да к тому же наверно параметры сердечника знать надо. А я их тоже не знаю.

v000va писал(а):
Для вашей схемы оптимальна комбинация импульсов А, без паузы в нуле, т.к. на выходе будет меньше гармоник.

Я собственно паузы вставлял чтоб потребляемый ток уменьшить. А то вариант А самый прожорливый. Хотелось бы до 100 mA уложиться. Да и 100 mA я вообще-то тоже считаю много. Может есть смысл последовательно с диодом D4 еще резистор включить Ом эдак на 5-10?

v000va писал(а):
По поводу транзюков, смотрите выходную характеристику при заданном Uзи. Ваши транзюки (irf640) от 5 вольтработать будут.

irf640 я взял только для теста, что первое под руку попалось. Реально я буду ставить 2 в одном корпусе SO-8. Пока нарыл у себя MMDF1N05 и RDS035L03.

Типа вот эту характеристику смотреть? И как поней понять будет работать или нет? :oops:
Изображение
При Vgs=5 V график уходит куда-то вверх. И что сие значит если Vds=5V?

v000va писал(а):
Обратитесь к этой книге....

Ага, почитаю на досуге :)


Вложения:
thar.gif [6.4 KiB]
Скачиваний: 1246
Вернуться наверх
 
Не в сети
 Заголовок сообщения:
СообщениеДобавлено: Сб июл 26, 2008 20:58:23 
Мучитель микросхем
Аватар пользователя

Зарегистрирован: Ср дек 26, 2007 18:33:00
Сообщений: 422
Рейтинг сообщения: 0
Все же рекомендую попробовать посчитать, хотя бы приблизительно.
В качестве примера посмотрите в сети этот документ:
TOPSwitch® Flyback
Design Methodology
Application Note AN-16

А.Кузнецов. Трансформаторы и дроссели для ИИП. Rev 2


+ в той книге, что я давал ранее.

100мА выходит многовато, при токе-то индикаторов 10-20мА :)) КПД низкий :o

По поводу характеристики. Выходной ток стока транзистора зависит от напряжения сток-исток. Из характеристики видно, что при напряжении затвора 4В ток больше 5А вы через него не пропустите, а то место где характеристика загибается вправо - насыщение транзистора. Посмотрите, если при 2,5В на затворе транзистор уже насыщается при токе менее 1А, то при 5В и подавно откроется. У вас же токи менее 1А.


Вернуться наверх
 
Не в сети
 Заголовок сообщения:
СообщениеДобавлено: Сб июл 26, 2008 21:08:58 
Мучитель микросхем
Аватар пользователя

Зарегистрирован: Ср дек 26, 2007 18:33:00
Сообщений: 422
Рейтинг сообщения: 0
В догонку, посмотрите и поиграйтесь вот этими графиками, там все красиво и наглядно сделано. Вы меняее напряжение и видите, как меняется проводимость транзистора.
http://jas.eng.buffalo.edu/education/mo ... mos_2.html


Вернуться наверх
 
Не в сети
 Заголовок сообщения:
СообщениеДобавлено: Вс июл 27, 2008 17:39:51 
Мучитель микросхем
Аватар пользователя

Зарегистрирован: Чт ноя 23, 2006 22:47:35
Сообщений: 487
Рейтинг сообщения: 0
v000va писал(а):
100мА выходит многовато, при токе-то индикаторов 10-20мА :)) КПД низкий :o


Ща поставил мосфеты RDS035L03 - работает нормально, корпус вообще холодный. Но потребление в самом худшем случае 410mA :shock: (с биполярными было 390). Но при этом самое большое выходное напряжение. Будем дальше эксперементировать. :)))

v000va писал(а):
Только до диода следует обязательно поставить электролит 100-400мкф и керамику, чтоб этой ЭДС было куда деваться

С керамикой 0,1 работает на глаз как и без нее. Как только параллельно ставлю электролит - выходное напряжение сразу резко падает. ИНка перестает светиться как надо - только слабое оранжевое облачко вокруг небольшой части цифры.


Вернуться наверх
 
Не в сети
 Заголовок сообщения:
СообщениеДобавлено: Пн июл 28, 2008 11:58:42 
Мучитель микросхем
Аватар пользователя

Зарегистрирован: Ср дек 26, 2007 18:33:00
Сообщений: 422
Рейтинг сообщения: 0
Ну с электролитом - это нормально. Ведь без него у вас напряжение питания трансформатора фактически удваивается за счет ЭДС самоиндукции обмоток, которой некуда деваться. :)) Правильнее использовать конденсатор, т.к. и напряжение на тразисторах меньше и помех тоже, но если для вас это не критично, можете его убрать.


Вернуться наверх
 
Показать сообщения за:  Сортировать по:  Вернуться наверх
Начать новую тему Ответить на тему  [ Сообщений: 48934 ]     ... , , , 13, , , ...  

Часовой пояс: UTC + 3 часа


Кто сейчас на форуме

Сейчас этот форум просматривают: нет зарегистрированных пользователей и гости: 28


Вы не можете начинать темы
Вы не можете отвечать на сообщения
Вы не можете редактировать свои сообщения
Вы не можете удалять свои сообщения
Вы не можете добавлять вложения

Найти:
Перейти:  


Powered by phpBB © 2000, 2002, 2005, 2007 phpBB Group
Русская поддержка phpBB
Extended by Karma MOD © 2007—2012 m157y
Extended by Topic Tags MOD © 2012 m157y